+7 (701) 588 50 05 Телефон для связи
RU

WhatsApp

Позвонить

ПАНЕЛИ — Продажа в Казахстане Цены от официального дилера с доставкой в Алматы, Астану и регионы

Техника доступна в:
Полный спектр услуг:
Для Вашего удобства:
Характеристики и описание
Габариты, схема
Техническая документация
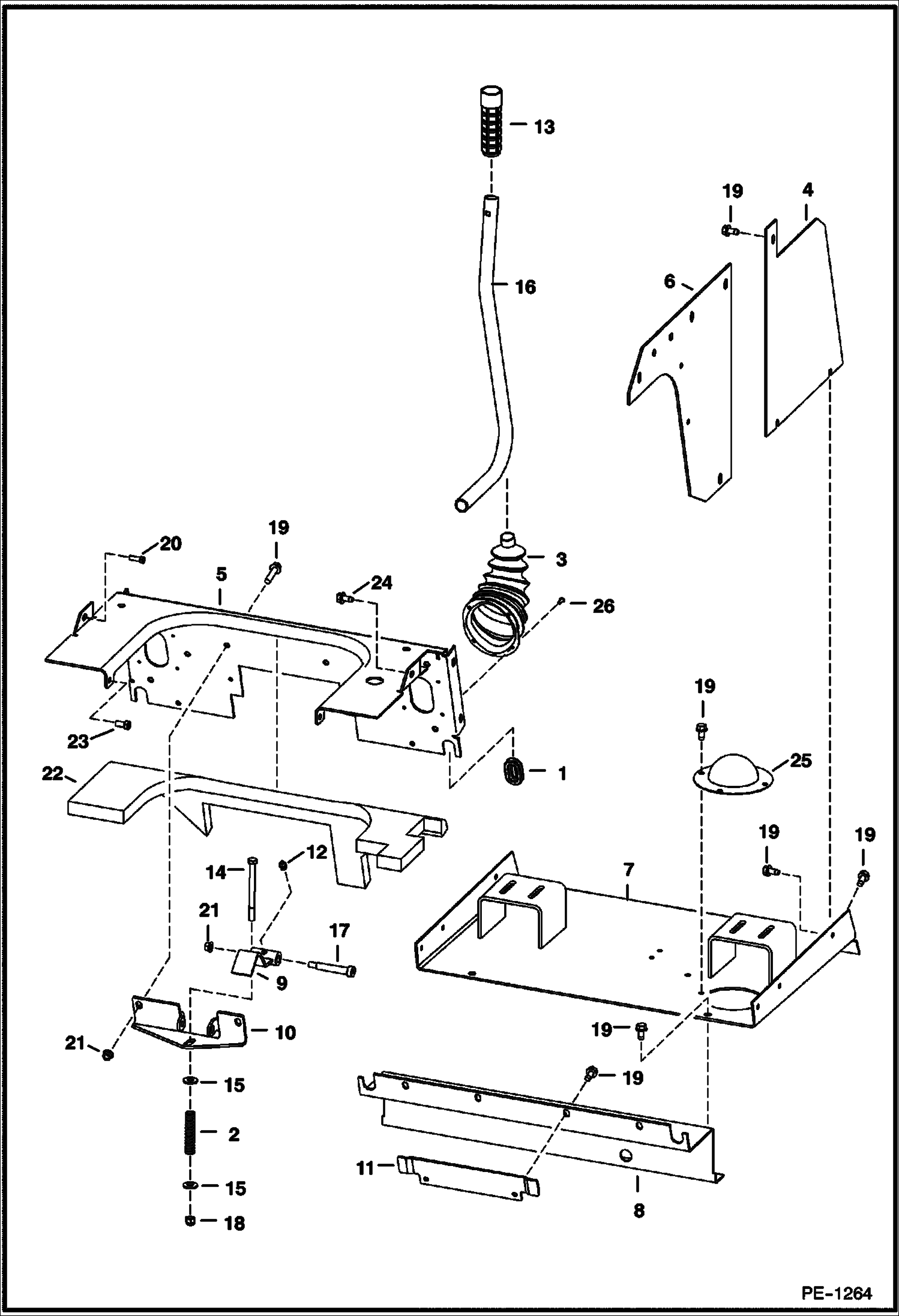
1 Артикул: 6577961, GROMMET
2 Артикул: 6505082, SPRING
3 Артикул: 6532127, BOOT
4 Артикул: 6597501, PANEL side
5 Артикул: 7106707, SHIELD Also Order 6734520 cover - Was 6718305 - A
6 Артикул: 6807202, PANEL side
7 Артикул: 6808130, FLOOR Was 6805868 - A
8 Артикул: 6808111, COVER lever - Was 6805870 - A
9 Артикул: 6809567, COVER lever
10 Артикул: 6806304, ARM
11 Артикул: 6806308, BRACKET
12 Артикул: 6806838, SHIELD
13 Артикул: 10H25, FITTING, GREASE 5
14 Артикул: 6702621, GRIP
15 Артикул: 17C672, BOLT
16 Артикул: 25E18, WASHER
17 Артикул: 25E18, WASHER ahc
18 Артикул: 6571991, GUIDE ahc
19 Артикул: 6702543, LEVER, STEERING
20 Артикул: 38C840, BOLT
21 Артикул: 59D6, NUT
22 Артикул: 84G3712, BOLT 5
23 Артикул: 84G3716, SCREW 5
24 Артикул: 95D6, NUT
25 Артикул: 6807159, INSULATION strg panel
26 Артикул: 17C612, BOLT 5
27 Артикул: 84G3724, BOLT
28 Артикул: 6565825, CAP dust
29 Артикул: 6630207, RIVET 5

ПАНЕЛИ: Техника, которая работает на результат

ПАНЕЛИ на Bobcat 900s Bobcat 963 516515001 И ВЫШЕ, 562215001 И ВЫШЕ

Габаритные размеры

Габаритные размеры и схема ПАНЕЛИ

Нажмите на схему для увеличения

Документация

Документация временно недоступна.

Похожая техника в категории: РАМА (Bobcat)

Спецтехника РАМА ШАССИ И КРЕПЕЖНЫЕ ДЕТАЛИ

РАМА ШАССИ И КРЕПЕЖНЫЕ ДЕТАЛИ

1Артикул: 680558...
2Артикул: 659728...
3Артикул: 659728...
Подробнее >
Спецтехника СИДЕНИЕ И ОПОРА СИДЕНЬЯ

СИДЕНИЕ И ОПОРА СИДЕНЬЯ

1Артикул: SEAT, ...
2Артикул: 669171...
3Артикул: 667489...
Подробнее >
Спецтехника КАБИНА ОПЕРАТОРА

КАБИНА ОПЕРАТОРА

1Артикул: OPERAT...
2Артикул: 667503...
3Артикул: SEAT, ...
Подробнее >
Спецтехника СИДЕНЬЕ (МИЧИГАН) (СЕРИЙНЫЙ НОМЕР 562215163 И НИЖЕ, 516515031 И НИЖЕ)

СИДЕНЬЕ (МИЧИГАН) (СЕРИЙНЫЙ НОМЕР 562215163 И НИЖЕ, 516515031 И НИЖЕ)

1Артикул: 666913...
2Артикул: 667016...
3Артикул: EDGING...
Подробнее >
Спецтехника ПОДЪЕМНАЯ РУКОЯТЬ И BOB-TACH

ПОДЪЕМНАЯ РУКОЯТЬ И BOB-TACH

1Артикул: 10H25,...
2Артикул: 659779...
3Артикул: 680304...
Подробнее >
Спецтехника ЗАДНЯЯ ДВЕРЬ (СЕРИЙНЫЙ НОМЕР 562216268 И НИЖЕ, 516516034 И НИЖЕ)

ЗАДНЯЯ ДВЕРЬ (СЕРИЙНЫЙ НОМЕР 562216268 И НИЖЕ, 516516034 И НИЖЕ)

1Артикул: 57D5, ...
2Артикул: 665539...
3Артикул: 671450...
Подробнее >
Спецтехника BOB-TACH (СЕРИЙНЫЙ НОМЕР 562216257 И НИЖЕ, 516516032 И НИЖЕ)

BOB-TACH (СЕРИЙНЫЙ НОМЕР 562216257 И НИЖЕ, 516516032 И НИЖЕ)

1Артикул: BOB-TA...
2Артикул: FRAME,...
3Артикул: 10H35,...
Подробнее >
Спецтехника ЗАДНЯЯ ДВЕРЬ (СЕРИЙНЫЙ НОМЕР 562216269 И ВЫШЕ, 516516035 И ВЫШЕ)

ЗАДНЯЯ ДВЕРЬ (СЕРИЙНЫЙ НОМЕР 562216269 И ВЫШЕ, 516516035 И ВЫШЕ)

1Артикул: 38C840...
2Артикул: 680973...
3Артикул: 680972...
Подробнее >
Спецтехника ТОПЛИВНАЯ СИСТЕМА

ТОПЛИВНАЯ СИСТЕМА

1Артикул: 680718...
2Артикул: 680457...
3Артикул: 712088...
Подробнее >
Спецтехника СИДЕНЬЕ (ПОДВЕСКА - СПУСК) (СЕРИЙНЫЙ НОМЕР 562215164 И ВЫШЕ, 516515032 И ВЫШЕ)

СИДЕНЬЕ (ПОДВЕСКА - СПУСК) (СЕРИЙНЫЙ НОМЕР 562215164 И ВЫШЕ, 516515032 И ВЫШЕ)

1Артикул: KIT, K...
2Артикул: KIT, K...
3Артикул: SEAT, ...
Подробнее >
Спецтехника BOB-TACH (СЕРИЙНЫЙ НОМЕР 562216258 И ВЫШЕ, 516516033 И ВЫШЕ)

BOB-TACH (СЕРИЙНЫЙ НОМЕР 562216258 И ВЫШЕ, 516516033 И ВЫШЕ)

1Артикул: 680997...
2Артикул: FRAME,...
3Артикул: 10H35,...
Подробнее >