+7 (701) 588 50 05 Телефон для связи
RU

WhatsApp

Позвонить

ДВИГАТЕЛЬ И КРЕПЕЖНЫЕ ДЕТАЛИ — Продажа в Казахстане Цены от официального дилера с доставкой в Алматы, Астану и регионы

Техника доступна в:
Полный спектр услуг:
Для Вашего удобства:
Характеристики и описание
Габариты, схема
Техническая документация
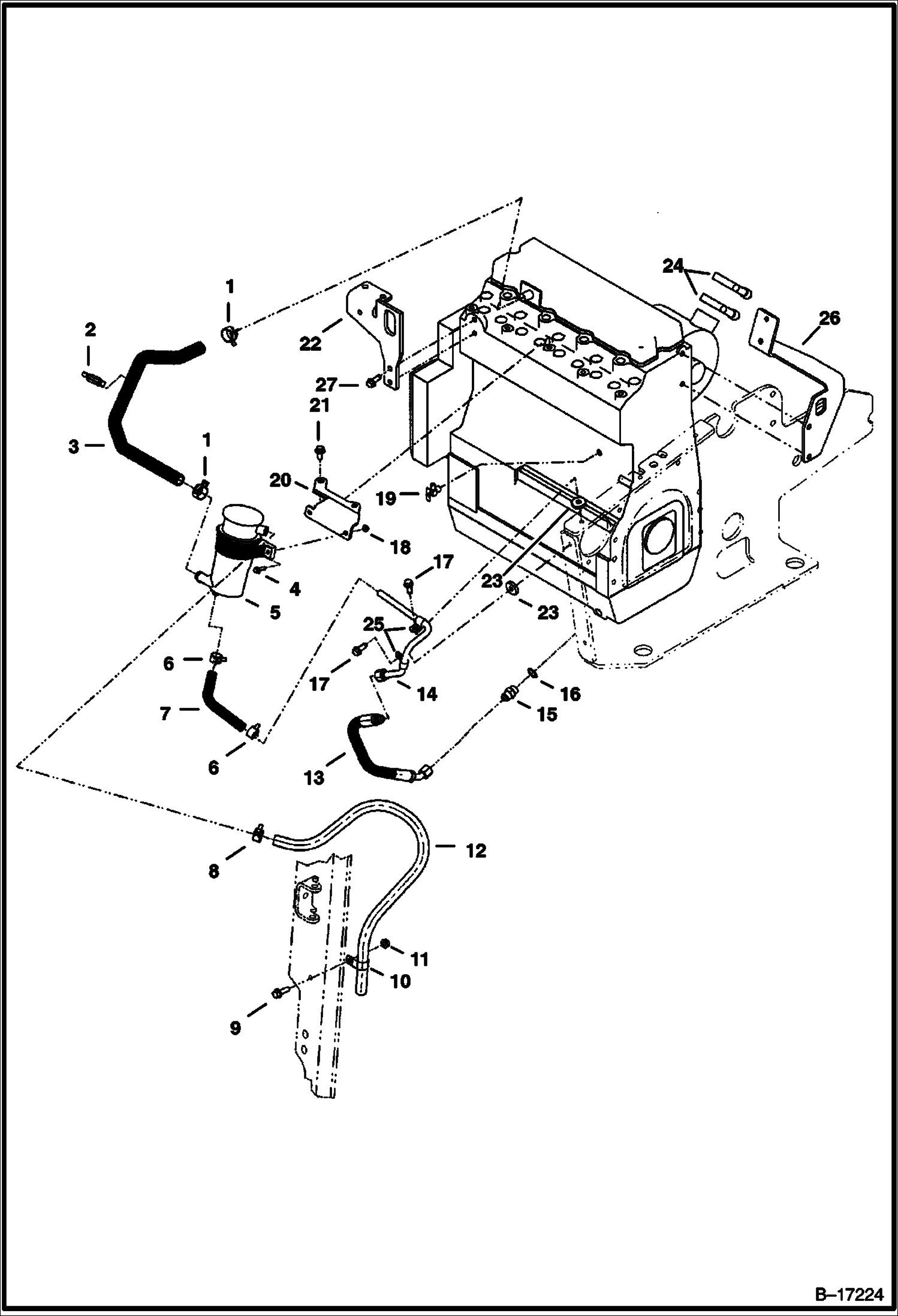
1 Артикул: 5HM29, HOSECLAMP Was 5HM00027B - A
2 Артикул: 6675704, CLAMP
3 Артикул: 6675703, HOSE
4 Артикул: 29CM625, BOLT
5 Артикул: 6675702, OIL SEPERATOR
6 Артикул: 5HM20, CLAMP
7 Артикул: 6807278, HOSE
8 Артикул: 5HM23, CLAMP
9 Артикул: 35C620, BOLT 5
10 Артикул: 30H50, CLIP
11 Артикул: 57D6, NUT 5
12 Артикул: 6672296, HOSE breather
13 Артикул: 6671651, SPRING inside of hose
14 Артикул: 6807277, HOSE
15 Артикул: 6807276, TUBELINE
16 Артикул: 15K6, ADAPTER W/Ref. 16
17 Артикул: 6571723, WASHER
18 Артикул: 84G3716, SCREW 5
19 Артикул: 43DM6, NUT
20 Артикул: 6513679, VALVE
21 Артикул: 6807275, BRACKET
22 Артикул: 29CM1020, BOLT
23 Артикул: 6800742, BRACKET See Illustration COOLING SYSTEM/ PE1263
24 Артикул: 6704484, WASHER
25 Артикул: 42HC250, CLAMP Was 6671626 - A
26 Артикул: 30H31, CLAMP 10
27 Артикул: 6807187, MOUNT See Illustration COOLING SYSTEM/ PE1263 ENGINE
28 Артикул: 6668573, SCREW

ДВИГАТЕЛЬ И КРЕПЕЖНЫЕ ДЕТАЛИ: Техника, которая работает на результат

ДВИГАТЕЛЬ И КРЕПЕЖНЫЕ ДЕТАЛИ на Bobcat 900s Bobcat 963 516515001 И ВЫШЕ, 562215001 И ВЫШЕ

Габаритные размеры

Габаритные размеры и схема ДВИГАТЕЛЬ И КРЕПЕЖНЫЕ ДЕТАЛИ

Нажмите на схему для увеличения

Документация

Документация временно недоступна.

Похожая техника в категории: ЗАПЧАСТИ ДВИГАТЕЛЯ (Bobcat)

Спецтехника КОЛЛЕКТОР

КОЛЛЕКТОР

1Артикул: MANIFO...
2Артикул: 667278...
3Артикул: 667094...
Подробнее >
Спецтехника ОСЬ КЛАПАННОГО КОРОМЫСЛА

ОСЬ КЛАПАННОГО КОРОМЫСЛА

1Артикул: 667090...
2Артикул: 667090...
3Артикул: SHAFT,...
Подробнее >
Спецтехника БЛОК ЦИЛИНДРОВ

БЛОК ЦИЛИНДРОВ

1Артикул: 667087...
2Артикул: 667218...
3Артикул: CAP, C...
Подробнее >
Спецтехника КОМПЛЕКТ НИЖНИХ ПРОКЛАДОК

КОМПЛЕКТ НИЖНИХ ПРОКЛАДОК

1Артикул: ENGINE...
2Артикул: 666959...
3Артикул: 667227...
Подробнее >
Спецтехника МАСЛЯНЫЙ НАСОС - ПЕРЕПУСКНОЙ КЛАПАН

МАСЛЯНЫЙ НАСОС - ПЕРЕПУСКНОЙ КЛАПАН

1Артикул: 666827...
2Артикул: 667091...
3Артикул: 666828...
Подробнее >
Спецтехника ДРОССЕЛЬНАЯ ЗАСЛОНКА

ДРОССЕЛЬНАЯ ЗАСЛОНКА

1Артикул: 656445...
2Артикул: 670545...
3Артикул: 35C610...
Подробнее >
Спецтехника ФИЛЬТР ДЛЯ ТОПЛИВА - ЗАПАСНЫЕ ЧАСТИ

ФИЛЬТР ДЛЯ ТОПЛИВА - ЗАПАСНЫЕ ЧАСТИ

1Артикул: 667099...
2Артикул: HEAD, ...
3Артикул: 666864...
Подробнее >
Спецтехника ПОДКАЧКА ТОПЛИВА ДЛЯ НАСОСА - ЗАПАСНЫЕ ЧАСТИ

ПОДКАЧКА ТОПЛИВА ДЛЯ НАСОСА - ЗАПАСНЫЕ ЧАСТИ

1Артикул: 667100...
2Артикул: HEAD, ...
3Артикул: 666864...
Подробнее >
Спецтехника ПОДКАЧКА ТОПЛИВА ДЛЯ НАСОСА (ЖЕЛОБОК ДЛЯ СБОРА ВОДЫ)

ПОДКАЧКА ТОПЛИВА ДЛЯ НАСОСА (ЖЕЛОБОК ДЛЯ СБОРА ВОДЫ)

1Артикул: 667100...
2Артикул: HOUSIN...
3Артикул: 651568...
Подробнее >
Спецтехника МАСЛОЗАЛИВНАЯ ГОРЛОВИНА - КРЫШКА БЕНЗОБАКА

МАСЛОЗАЛИВНАЯ ГОРЛОВИНА - КРЫШКА БЕНЗОБАКА

1Артикул: 666850...
2Артикул: FILLER...
3Артикул: 666850...
Подробнее >
Спецтехника ВОДЯНАЯ ПОМПА

ВОДЯНАЯ ПОМПА

1Артикул: 667278...
2Артикул: BODY, ...
3Артикул: SHAFT,...
Подробнее >
Спецтехника ВОЗДУШНЫЙ ФИЛЬТР

ВОЗДУШНЫЙ ФИЛЬТР

1Артикул: ASSY,,...
2Артикул: 668147...
3Артикул: 668147...
Подробнее >