+7 (701) 588 50 05 Телефон для связи
RU

WhatsApp

Позвонить

ДВИГАТЕЛЬ И КРЕПЕЖНЫЕ ДЕТАЛИ — Продажа в Казахстане Цены от официального дилера с доставкой в Алматы, Астану и регионы

Техника доступна в:
Полный спектр услуг:
Для Вашего удобства:
Характеристики и описание
Габариты, схема
Техническая документация
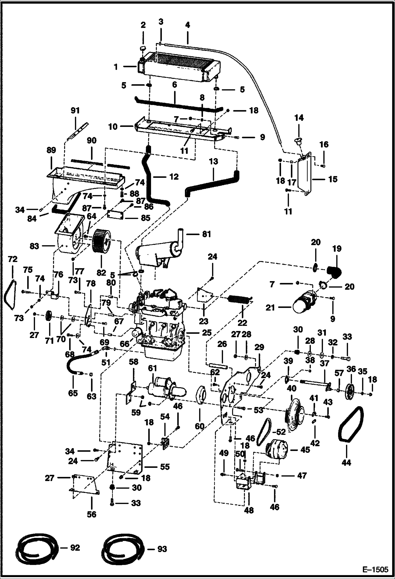
1 Артикул: 6678670, EXCHANGER, WATER RADIATOR Was 6677347 - A
2 Артикул: 6666606, RADIATOR CAP Was 6630156 - A
3 Артикул: 42HS04, CLAMP, HOSE Was 6515575 - A
4 Артикул: HOSE, HOSE NLA - 35-- (889 mm) - Order 6577822
5 Артикул: 42H16, CLAMP, HOSE 5 worm gear
6 Артикул: SEAL, SEAL NLA - bulk - sold per foot - Was 6632217 - B
7 Артикул: 61D5, NUT
8 Артикул: 6565433, WASHER
9 Артикул: 10C512, BOLT Was 6553808 - A
10 Артикул: 6564382, MOUNT
11 Артикул: 84G3716, SCREW 5
12 Артикул: 6564052, HOSE
13 Артикул: 6564053, HOSE
14 Артикул: 6702797, CAP Was 6558658 - A
15 Артикул: 6593012, TANK
16 Артикул: 7C620, BOLT
17 Артикул: 6593013, SPACER
18 Артикул: 83D6, NUT 5
19 Артикул: 6702304, HOSE
20 Артикул: 42H32, HS CLAMP5 Was 6513595 - A
21 Артикул: AIR, AIR CLEANER See Illustration AIR CLEANER/ B17728
22 Артикул: 6678782, SPRING Was 6564892 - A
23 Артикул: 6564584, BRACKET
24 Артикул: 5CM1020, SCREW
25 Артикул: ENGINE, ENGINE See Illustration ENGINE/ B17685
26 Артикул: 6564788, TUBE
27 Артикул: 85D8, NUT, 5
28 Артикул: 6564692, WASHER
29 Артикул: 6565273, MOUNT
30 Артикул: 6560633, DAMPENER Rubber
31 Артикул: 6565472, WASHER
32 Артикул: 25E31, WASHER
33 Артикул: 17C844, BOLT
34 Артикул: 6630207, RIVET 5 Was 6512797 - A
35 Артикул: 27E6, WASHER 5 Use W/NLA 6564011
36 Артикул: PULLEY, PULLEY NLA - Order 6689692 - Was 6564011 - A
37 Артикул: 6689692, PULLEY, IDLER Was 6689645 - A
38 Артикул: 6532348, BRACKET W/stud
39 Артикул: 61D4, NUT 5
40 Артикул: 6599468, BEARING
41 Артикул: 6563960, FLYWHEEL W/Ring Gear
42 Артикул: 6562279, RING GEAR
43 Артикул: 6598847, WASHER
44 Артикул: 6598846, WASHER
45 Артикул: 6661636, BOLT Washer face
46 Артикул: 6564091, BELT
47 Артикул: ALTERNATOR, ALTERNATOR See Illustration ALTERNATOR/ C2999
48 Артикул: 6557432, BOLT
49 Артикул: 85D6, NUT, 5 For Motorola Alternator
50 Артикул: 6564548, BRACKET
51 Артикул: 35C520, BOLT For Motorola Alternator
52 Артикул: 17C652, BOLT For Motorola Alternator
53 Артикул: 18K6, FITTING W/79K-8 O-Ring
54 Артикул: 6520553, BELT 28.5-- (723,9 mm) - Motorola
55 Артикул: 17C636, BOLT
56 Артикул: 6565062, BRACE
57 Артикул: 6563925, MOUNT
58 Артикул: 6564401, MOUNT
59 Артикул: 6532347, SPACER Use W/NLA 6564011
60 Артикул: 6564383, BRACKET
61 Артикул: 61D6, NUT 5
62 Артикул: 6562480, SPACER
63 Артикул: STARTER, STARTER See Illustration STARTER (SEALED)/ B17654 See Illustration STARTER/ B1192
64 Артикул: 17C412, BOLT 5
65 Артикул: 29CM612, BOLT, FLANGED Was 6652762 - A
66 Артикул: 36K6, CAP
67 Артикул: 6529958, HOSE
68 Артикул: CARTRIDGE, CARTRIDGE See Illustration GEARCASE/ C2727 OIL FILTER
69 Артикул: 6564971, SPACER
70 Артикул: 1CM690, BOLT
71 Артикул: 37C828, BOLT
72 Артикул: 27E10, WASHER
73 Артикул: 6564012, PULLEY
74 Артикул: 6564738, BELT
75 Артикул: 83D5, NUT 5
76 Артикул: 25E15, WASHER
77 Артикул: 17C556, BOLT
78 Артикул: 6564374, MOUNT
79 Артикул: 1CM640, SCREW
80 Артикул: 6564378, MOUNT
81 Артикул: 6564972, SPACER
82 Артикул: 6564970, SPACER
83 Артикул: 6564564, MUFFLER spark arrestor
84 Артикул: 6564993, BLOWER WHEEL
85 Артикул: 6565070, HOUSING
86 Артикул: SEAL, SEAL NLA - 29 in. (736,6 mm) long - Order Ref. 92
87 Артикул: 6564375, MOUNT
88 Артикул: 1CM812, BOLT
89 Артикул: 17C512, BOLT 5
90 Артикул: 17C508, BOLT
91 Артикул: 6565069, HOUSING
92 Артикул: FOAM, FOAM STRIP NLA - 20 in. (508 mm) long - Order Ref. 93
93 Артикул: 6565060, SCREEN baffle
94 Артикул: 6513152, SEAL bulk - sold per foot
95 Артикул: 6511855, SEAL self adhesive - sold per foot

ДВИГАТЕЛЬ И КРЕПЕЖНЫЕ ДЕТАЛИ: Техника, которая работает на результат

ДВИГАТЕЛЬ И КРЕПЕЖНЫЕ ДЕТАЛИ на Bobcat 400s Bobcat 443 511211001 И ВЫШЕ

Габаритные размеры

Габаритные размеры и схема ДВИГАТЕЛЬ И КРЕПЕЖНЫЕ ДЕТАЛИ

Нажмите на схему для увеличения

Документация

Документация временно недоступна.

Похожая техника в категории: ЗАПЧАСТИ ДВИГАТЕЛЯ (Bobcat)

Спецтехника ОСНОВНОЙ КОРПУС ПОДШИПНИКА

ОСНОВНОЙ КОРПУС ПОДШИПНИКА

1Артикул: 659896...
2Артикул: BOLT, ...
3Артикул: 665260...
Подробнее >
Спецтехника ВОЗДУШНЫЙ ФИЛЬТР

ВОЗДУШНЫЙ ФИЛЬТР

1Артикул: 905282...
2Артикул: TANK, ...
3Артикул: 897064...
Подробнее >
Спецтехника ТАБЛИЧКА РЕГУЛЯТОРА СКОРОСТИ

ТАБЛИЧКА РЕГУЛЯТОРА СКОРОСТИ

1Артикул: 659907...
2Артикул: 659908...
3Артикул: 397497...
Подробнее >
Спецтехника ПОРШНИ И КОЛЕНВАЛ

ПОРШНИ И КОЛЕНВАЛ

1Артикул: 659998...
2Артикул: 659991...
3Артикул: 659999...
Подробнее >
Спецтехника ТОПЛИВНЫЙ НАСОС

ТОПЛИВНЫЙ НАСОС

1Артикул: 659900...
2Артикул: 659907...
3Артикул: 659910...
Подробнее >
Спецтехника РЕДУКТОР

РЕДУКТОР

1Артикул: GEAR, ...
2Артикул: 666679...
3Артикул: 659908...
Подробнее >
Спецтехника ДВИГАТЕЛЬ (KUBOTA D750)

ДВИГАТЕЛЬ (KUBOTA D750)

1Артикул: ENGINE...
2Артикул: 656374...
3Артикул: SHORT,...
Подробнее >
Спецтехника ГОЛОВКА БЛОКА ЦИЛИНДРОВ

ГОЛОВКА БЛОКА ЦИЛИНДРОВ

1Артикул: 659999...
2Артикул: 659999...
3Артикул: 659811...
Подробнее >
Спецтехника ВОДЯНАЯ ПОМПА

ВОДЯНАЯ ПОМПА

1Артикул: 665275...
2Артикул: BODY, ...
3Артикул: 659912...
Подробнее >
Спецтехника ТОПЛИВНАЯ СИСТЕМА И НАСОС ВПРЫСКА

ТОПЛИВНАЯ СИСТЕМА И НАСОС ВПРЫСКА

1Артикул: 666685...
2Артикул: 666930...
3Артикул: 397450...
Подробнее >
Спецтехника РАСПРЕДВАЛ

РАСПРЕДВАЛ

1Артикул: 397419...
2Артикул: 659897...
3Артикул: 659899...
Подробнее >
Спецтехника КОЛЛЕКТОР

КОЛЛЕКТОР

1Артикул: 663000...
2Артикул: 666677...
3Артикул: 659907...
Подробнее >