+7 (701) 588 50 05 Телефон для связи
RU

WhatsApp

Позвонить

ДВИГАТЕЛЬ И КРЕПЕЖНЫЕ ДЕТАЛИ КРЕПЛЕНИЕ ДВИГАТЕЛЯ ESA 522911 - NA 522811 — Продажа в Казахстане Цены от официального дилера с доставкой в Алматы, Астану и регионы

Техника доступна в:
Полный спектр услуг:
Для Вашего удобства:
Характеристики и описание
Габариты, схема
Техническая документация
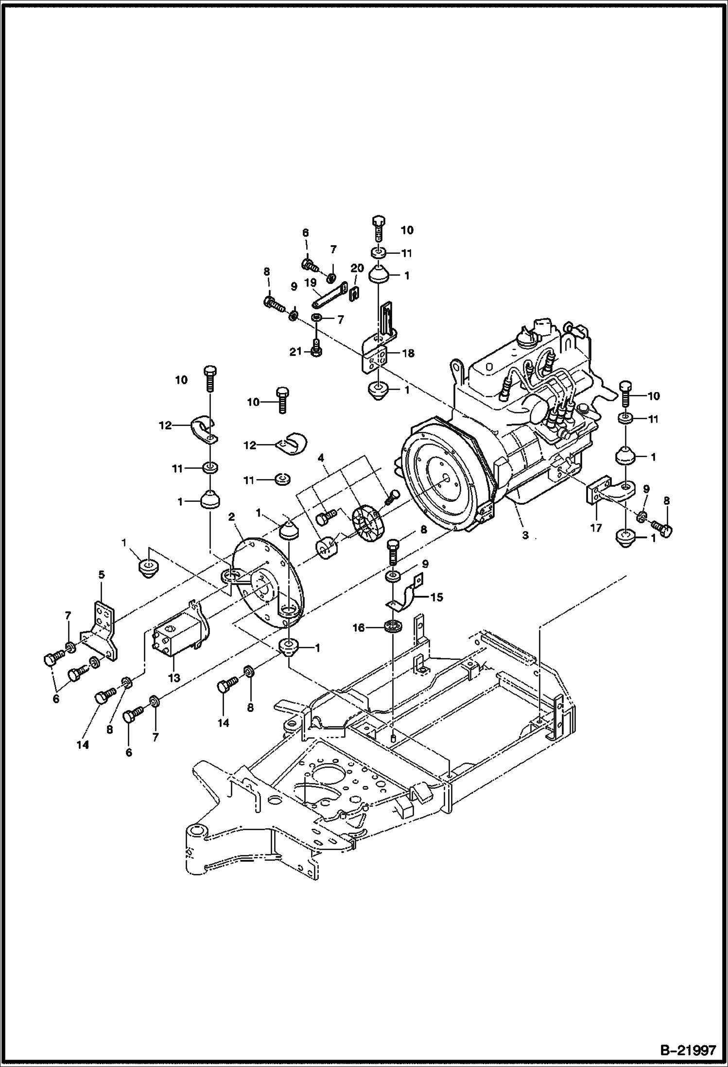
1 Артикул: NTS8-10003, MOUNT rubber
2 Артикул: NTS8-30100-2, MOUNT pump
3 Артикул: S042-00211, ENGINE ASSY Was NTS8-40000 - A
4 Артикул: S042-00211, ENGINE ASSY Tier II
5 Артикул: SP17-00006, COUPLING
6 Артикул: NTS8-10009-4, BRACKET
7 Артикул: 0102-08020-A, BOLT M8x20
8 Артикул: 0389-08000-A, WASHER M8
9 Артикул: 0126-10020-A, BOLT M10x20
10 Артикул: 0389-10000-A, WASHER M10
11 Артикул: 0103-12100-A, BOLT M12x100 - Was 0211-12100-A - A
12 Артикул: MBU4-12102, WASHER
13 Артикул: 7031612, PLATE, DEPPING Was 942-00004 - A
14 Артикул: PUMP, PUMP See Illustration PUMP/ B22016
15 Артикул: 0103-10025-A, BOLT M10x30
16 Артикул: 905-00140, STRAP grounding
17 Артикул: 0388-10000-A, WASHER
18 Артикул: NTS8-10100-2, BRACKET
19 Артикул: NTS8-10900-B, SUPPORT muffler
20 Артикул: NTS8-10910-A, BRACKET
21 Артикул: NTS8-10903, SPACER t 0.5
22 Артикул: NTS8-10904, SPACER t 1.0
23 Артикул: 0102-08010-A, BOLT M8x10

ДВИГАТЕЛЬ И КРЕПЕЖНЫЕ ДЕТАЛИ КРЕПЛЕНИЕ ДВИГАТЕЛЯ ESA 522911 - NA 522811: Техника, которая работает на результат

ДВИГАТЕЛЬ И КРЕПЕЖНЫЕ ДЕТАЛИ КРЕПЛЕНИЕ ДВИГАТЕЛЯ ESA 522911 - NA 522811 на мини-экскаватор Bobcat 316 522811001 И ВЫШЕ, 522911001 И ВЫШЕ

Габаритные размеры

Габаритные размеры и схема ДВИГАТЕЛЬ И КРЕПЕЖНЫЕ ДЕТАЛИ КРЕПЛЕНИЕ ДВИГАТЕЛЯ ESA 522911 - NA 522811

Нажмите на схему для увеличения

Документация

Документация временно недоступна.

Похожая техника в категории: ЗАПЧАСТИ ДВИГАТЕЛЯ (Bobcat)

Спецтехника ЗАПАСНОЙ БАК KUBOTA D722

ЗАПАСНОЙ БАК KUBOTA D722

1Артикул: 668309...
2Артикул: 665397...
3Артикул: 668309...
Подробнее >
Спецтехника КРИВОШИПНАЯ КОРОБКА KUBOTA D722

КРИВОШИПНАЯ КОРОБКА KUBOTA D722

1Артикул: 667033...
2Артикул: 667033...
3Артикул: 667033...
Подробнее >
Спецтехника СТАРТЕР

СТАРТЕР

1Артикул: 669308...
2Артикул: 1CM825...
3Артикул: 669308...
Подробнее >
Спецтехника ПОДДОН КАРТЕРА KUBOTA D722

ПОДДОН КАРТЕРА KUBOTA D722

1Артикул: 669304...
2Артикул: 1CM612...
3Артикул: 668697...
Подробнее >
Спецтехника РАСПРЕДЕЛИТЕЛЬНЫЙ ВАЛ KUBOTA D722

РАСПРЕДЕЛИТЕЛЬНЫЙ ВАЛ KUBOTA D722

1Артикул: 667038...
2Артикул: 667038...
3Артикул: 667038...
Подробнее >
Спецтехника ВОЗДУШНЫЙ ФИЛЬТР

ВОЗДУШНЫЙ ФИЛЬТР

1Артикул: 669309...
2Артикул: 669309...
3Артикул: 698808...
Подробнее >
Спецтехника ДВИГАТЕЛЬ И КРЕПЕЖНЫЕ ДЕТАЛИ СИСТЕМА ПОДАЧИ ТОПЛИВА ESA 522911 - NA 522811

ДВИГАТЕЛЬ И КРЕПЕЖНЫЕ ДЕТАЛИ СИСТЕМА ПОДАЧИ ТОПЛИВА ESA 522911 - NA 522811

1Артикул: 15393-...
2Артикул: 669335...
3Артикул: 696991...
Подробнее >
Спецтехника ГОЛОВКА ЦИЛИНДРА KUBOTA D722

ГОЛОВКА ЦИЛИНДРА KUBOTA D722

1Артикул: 397488...
2Артикул: 666742...
3Артикул: 667035...
Подробнее >
Спецтехника МАХОВИК KUBOTA D722

МАХОВИК KUBOTA D722

1Артикул: 666745...
2Артикул: 668301...
3Артикул: 667806...
Подробнее >
Спецтехника СОПЛО ФОРСУНКИ KUBOTA D722

СОПЛО ФОРСУНКИ KUBOTA D722

1Артикул: 667046...
2Артикул: 668563...
3Артикул: 665471...
Подробнее >
Спецтехника ДЕРЖАТЕЛЬ ФОРСУНКИ KUBOTA D722

ДЕРЖАТЕЛЬ ФОРСУНКИ KUBOTA D722

1Артикул: NOZZLE...
2Артикул: 665746...
3Артикул: 665587...
Подробнее >
Спецтехника ГЕНЕРАТОР

ГЕНЕРАТОР

1Артикул: 668613...
2Артикул: 669321...
3Артикул: 665272...
Подробнее >