+7 (701) 588 50 05 Телефон для связи
RU

WhatsApp

Позвонить

ДВИГАТЕЛЬ И КРЕПЕЖНЫЕ ДЕТАЛИ (РЕМЕНЬ ПРИВОДА, ИЗМЕНЕНИЕ) — Продажа в Казахстане Цены от официального дилера с доставкой в Алматы, Астану и регионы

Техника доступна в:
Полный спектр услуг:
Для Вашего удобства:
Характеристики и описание
Габариты, схема
Техническая документация
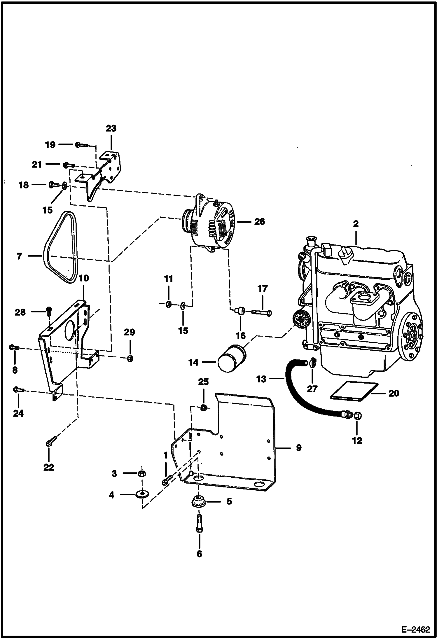
1 Артикул: 5CM1020, SCREW
2 Артикул: ENGINE, ENGINE See Illustration ENGINE & GASKET KITS/ B16486
3 Артикул: 85D8, NUT, 5
4 Артикул: 6564692, WASHER
5 Артикул: 6560633, DAMPENER Rubber
6 Артикул: 17C844, BOLT
7 Артикул: 6719549, BELT, ALT 35-- (889 mm)
8 Артикул: 35C412, BOLT Was 84G003112B - B
9 Артикул: 6713672, MOUNT
10 Артикул: 6725904, SHIELD belt
11 Артикул: 1DM8, NUT
12 Артикул: 36K6, CAP Was 36K000008B - B
13 Артикул: 6713504, HOSE
14 Артикул: CARTRIDGE, CARTRIDGE See Illustration GEARCASE/ B27101 OIL FILTER
15 Артикул: 6557831, WASHER
16 Артикул: 6713749, SPACER
17 Артикул: 1CM870, BOLT
18 Артикул: 1CM825, BOLT 1-- (25.4 mm) long - hex head
19 Артикул: 29CM820, SCREW .8-- (20 mm) long - flange head
20 Артикул: 1CM625, BOLT
21 Артикул: 6714239, SPACER foam
22 Артикул: 1CM616, SCREW
23 Артикул: 37C512, BOLT
24 Артикул: 6713369, BRACKET alt.
25 Артикул: 84G3120, SCREW
26 Артикул: 85D5, NUT 5
27 Артикул: ALTERNATOR, ALTERNATOR See Illustration ALTERNATOR/ C3456
28 Артикул: 42H8, HOSE CLAMP 5
29 Артикул: 84G3112, BOLT 5
30 Артикул: 83D4, NUT 10

ДВИГАТЕЛЬ И КРЕПЕЖНЫЕ ДЕТАЛИ (РЕМЕНЬ ПРИВОДА, ИЗМЕНЕНИЕ): Техника, которая работает на результат

ДВИГАТЕЛЬ И КРЕПЕЖНЫЕ ДЕТАЛИ (РЕМЕНЬ ПРИВОДА, ИЗМЕНЕНИЕ) на Bobcat 400s Bobcat 463 519911001 И ВЫШЕ, 520011001 И ВЫШЕ

Габаритные размеры

Габаритные размеры и схема ДВИГАТЕЛЬ И КРЕПЕЖНЫЕ ДЕТАЛИ (РЕМЕНЬ ПРИВОДА, ИЗМЕНЕНИЕ)

Нажмите на схему для увеличения

Документация

Документация временно недоступна.

Похожая техника в категории: ЗАПЧАСТИ ДВИГАТЕЛЯ (Bobcat)

Спецтехника ДВИГАТЕЛЬ И КРЕПЕЖНЫЕ ДЕТАЛИ (РЕМЕНЬ ПРИВОДА, ГИДРАВЛИКА) (СЕРИЙНЫЙ НОМЕР 5200 11680 И НИЖЕ, 5199 11409 И НИЖЕ)

ДВИГАТЕЛЬ И КРЕПЕЖНЫЕ ДЕТАЛИ (РЕМЕНЬ ПРИВОДА, ГИДРАВЛИКА) (СЕРИЙНЫЙ НОМЕР 5200 11680 И НИЖЕ, 5199 11409 И НИЖЕ)

1Артикул: 671387...
2Артикул: 83D6, ...
3Артикул: 667878...
Подробнее >
Спецтехника КОМПЛЕКТ ДЕТАЛЕЙ ВЕРХНЕГО УПЛОТНИТЕЛЬНОГО КОЛЬЦА (KUBOTA D722)

КОМПЛЕКТ ДЕТАЛЕЙ ВЕРХНЕГО УПЛОТНИТЕЛЬНОГО КОЛЬЦА (KUBOTA D722)

1Артикул: 667273...
2Артикул: 667037...
3Артикул: 397497...
Подробнее >
Спецтехника ВОЗДУШНЫЙ ФИЛЬТР

ВОЗДУШНЫЙ ФИЛЬТР

1Артикул: 667331...
2Артикул: TANK, ...
3Артикул: 667470...
Подробнее >
Спецтехника РЕГУЛЯТОР ОБОРОТОВ (KUBOTA D722)

РЕГУЛЯТОР ОБОРОТОВ (KUBOTA D722)

1Артикул: 667045...
2Артикул: 701696...
3Артикул: PLUG, ...
Подробнее >
Спецтехника КРЫШКА КОРОМЫСЛА КЛАПАНА (KUBOTA D722)

КРЫШКА КОРОМЫСЛА КЛАПАНА (KUBOTA D722)

1Артикул: 668300...
2Артикул: 667037...
3Артикул: 665522...
Подробнее >
Спецтехника ОСНОВНОЙ КОРПУС ПОДШИПНИКА (KUBOTA D722)

ОСНОВНОЙ КОРПУС ПОДШИПНИКА (KUBOTA D722)

1Артикул: CASE, ...
2Артикул: 700037...
3Артикул: 667037...
Подробнее >
Спецтехника ВОДЯНАЯ ПОМПА (KUBOTA D722)

ВОДЯНАЯ ПОМПА (KUBOTA D722)

1Артикул: 667050...
2Артикул: BODY, ...
3Артикул: BEARIN...
Подробнее >
Спецтехника КОМПЛЕКТ НИЖНИХ ПРОКЛАДОК (KUBOTA D722)

КОМПЛЕКТ НИЖНИХ ПРОКЛАДОК (KUBOTA D722)

1Артикул: 667274...
2Артикул: 396651...
3Артикул: 667035...
Подробнее >
Спецтехника КОРОМЫСЛО КЛАПАНА И КЛАПАНЫ (KUBOTA D722)

КОРОМЫСЛО КЛАПАНА И КЛАПАНЫ (KUBOTA D722)

1Артикул: 667051...
2Артикул: 667051...
3Артикул: 667051...
Подробнее >
Спецтехника ДВИГАТЕЛЬ И КРЕПЕЖНЫЕ ДЕТАЛИ (ВХОДНОЕ ОТВЕРСТИК И ВЫХЛОПНОЙ КОЛЛЕКТОР)

ДВИГАТЕЛЬ И КРЕПЕЖНЫЕ ДЕТАЛИ (ВХОДНОЕ ОТВЕРСТИК И ВЫХЛОПНОЙ КОЛЛЕКТОР)

1Артикул: 671844...
2Артикул: 42HC25...
3Артикул: 651500...
Подробнее >
Спецтехника ТОПЛИВНАЯ СИСТЕМА И НАСОС ВПРЫСКА (KUBOTA D722)

ТОПЛИВНАЯ СИСТЕМА И НАСОС ВПРЫСКА (KUBOTA D722)

1Артикул: 667049...
2Артикул: 1CM616...
3Артикул: 667078...
Подробнее >
Спецтехника ДВИГАТЕЛЬ И КРЕПЕЖНЫЕ ДЕТАЛИ (РЕМЕНЬ ПРИВОДА, ГИДРАВЛИКА) (СЕРИЙНЫЙ НОМЕР 5200 11681 И ВЫШЕ, 5199 11410 И ВЫШЕ)

ДВИГАТЕЛЬ И КРЕПЕЖНЫЕ ДЕТАЛИ (РЕМЕНЬ ПРИВОДА, ГИДРАВЛИКА) (СЕРИЙНЫЙ НОМЕР 5200 11681 И ВЫШЕ, 5199 11410 И ВЫШЕ)

1Артикул: 671387...
2Артикул: 83D6, ...
3Артикул: 667878...
Подробнее >