+7 (701) 588 50 05 Телефон для связи
RU

WhatsApp

Позвонить

ДВИГАТЕЛЬ И КРЕПЕЖНЫЕ ДЕТАЛИ СИСТЕМА ОХЛАЖДЕНИЯ В СБОРЕ ESA 522911 - NA 522811 — Продажа в Казахстане Цены от официального дилера с доставкой в Алматы, Астану и регионы

Техника доступна в:
Полный спектр услуг:
Для Вашего удобства:
Характеристики и описание
Габариты, схема
Техническая документация
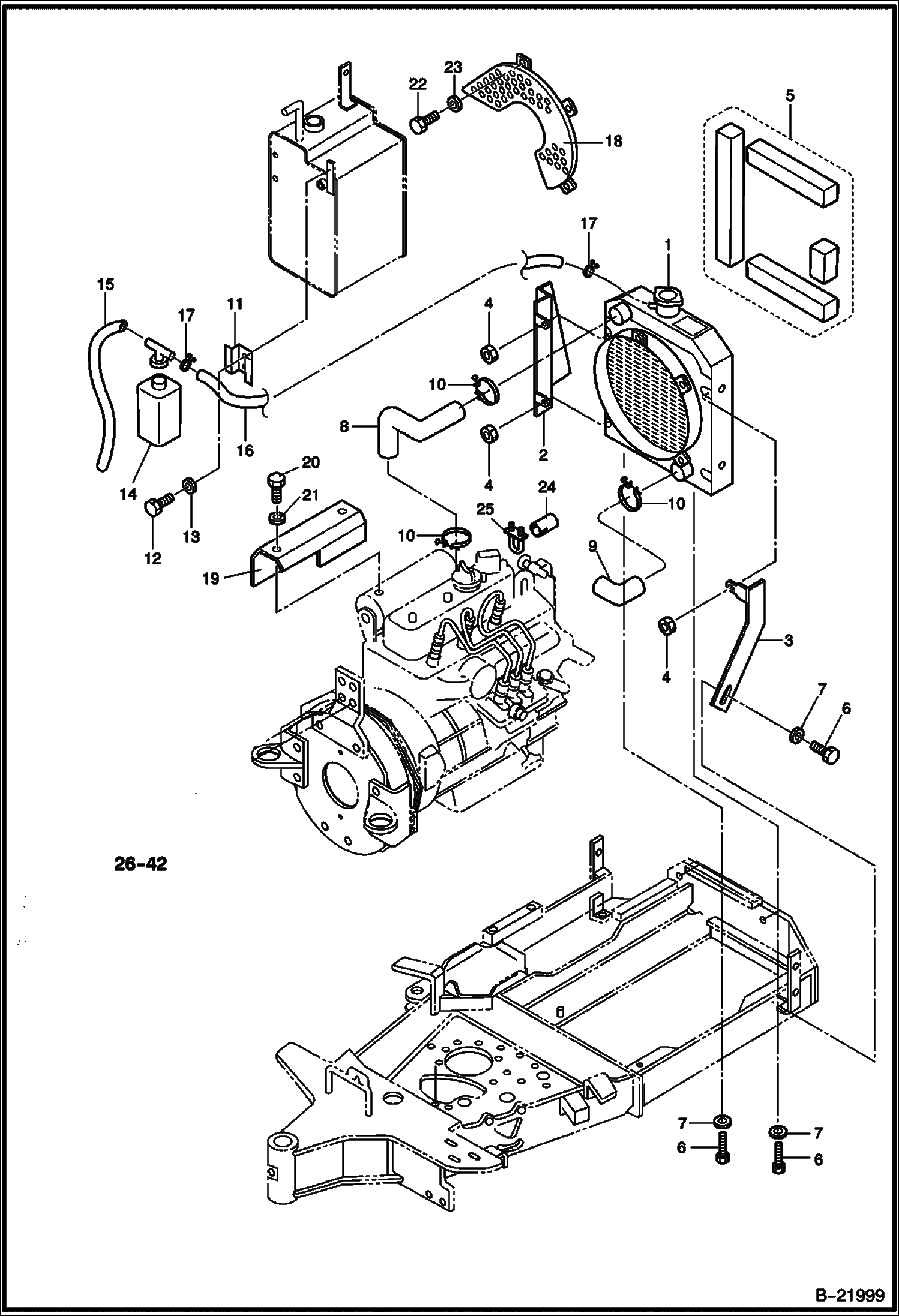
1 Артикул: 16853-72061, RADIATOR W/Ref. 4 & 15-17
2 Артикул: S042-00401, RADIATOR
3 Артикул: 6687634, CAP RADIATOR 9-13 psi
4 Артикул: NTS8-10300-A, SHIELD Was NTS8-10100-A - A
5 Артикул: NTS8-10400, BRACKET stopper - Was NTS8-10200 - A
6 Артикул: S042-00389, PLATE
7 Артикул: 0251-06000-A, NUT M6
8 Артикул: 0815-30100, INSULATION
9 Артикул: 0108-10020-A, BOLT M10x20
10 Артикул: 0389-10000-A, WASHER M10
11 Артикул: 16853-72941, HOSE upper
12 Артикул: S042-00283, HOSE upper
13 Артикул: 16853-72851, HOSE lower
14 Артикул: S042-00284, HOSE lower
15 Артикул: BAND, BAND NLA - hose - Order 0759-03400-B - Was 0759-03600-B - A
16 Артикул: 0759-03400-B, HOSE CLAMP hose
17 Артикул: 09318-89030, BAND hose
18 Артикул: 11982-72461, BRACKET reservoir tank
19 Артикул: 0102-06010-A, BOLT M6x10
20 Артикул: 0389-06000-A, WASHER M6
21 Артикул: 15531-72403, TANK reservoir - Was 15531-12403
22 Артикул: 0757-08500-O, HOSE 550L
23 Артикул: 0751-08550-O, HOSE 550L
24 Артикул: 14971-42751, CLIP Was 0760-08000-O
25 Артикул: NTS8-10500-2, GUARD fan
26 Артикул: S042-00345, GUARD fan
27 Артикул: GUARD, GUARD NLA - exhaust - Order NTS-00001-C - 5229 ONLY - Was NTS8-00001-A - A
28 Артикул: NTS8-00001-C, GUARD EXHAUST exhaust - european - 5229 ONLY
29 Артикул: 6687091, SHIELD HEAT exhaust - domestic
30 Артикул: 0102-06015-A, BOLT M6x15 - Was 0102-06010-A - A
31 Артикул: 0802-25025-A, CUSHION rubber
32 Артикул: 0102-08016-A, BOLT
33 Артикул: S042-00341, SHROUD
34 Артикул: NTS8-00003, PIPE
35 Артикул: 0015-00038-0, U-CLAMP
36 Артикул: 0759-03200-B, HOSE CLAMP hose
37 Артикул: 09318-89030, BAND hose
38 Артикул: S042-00405, BRACKET radiator
39 Артикул: 0102-06012-A, BOLT
40 Артикул: 6815855, MUFFLER SPARK ARSR spark arsr
41 Артикул: 7102416, MUFFLER, PURIFIER
42 Артикул: 6988707, STARTER Was 6686132 - A
43 Артикул: 6686133, ALTERNATOR
44 Артикул: 6686134, BRACKET
45 Артикул: 1CM616, SCREW Was 4CM616 - A
46 Артикул: 6657416, BOLT alt. upper
47 Артикул: 6652740, WASHER, PLAIN alt. upper
48 Артикул: 6686135, BOLT alt. lower
49 Артикул: 1EM80, WASHER alt. lower
50 Артикул: 1DM8, NUT alt. lower
51 Артикул: 1EM80, WASHER Was 2EM8 - A
52 Артикул: 6686222, BELT ALTERNATOR alt.
53 Артикул: 6678937, FAN 5-blade

ДВИГАТЕЛЬ И КРЕПЕЖНЫЕ ДЕТАЛИ СИСТЕМА ОХЛАЖДЕНИЯ В СБОРЕ ESA 522911 - NA 522811: Техника, которая работает на результат

ДВИГАТЕЛЬ И КРЕПЕЖНЫЕ ДЕТАЛИ СИСТЕМА ОХЛАЖДЕНИЯ В СБОРЕ ESA 522911 - NA 522811 на мини-экскаватор Bobcat 316 522811001 И ВЫШЕ, 522911001 И ВЫШЕ

Габаритные размеры

Габаритные размеры и схема ДВИГАТЕЛЬ И КРЕПЕЖНЫЕ ДЕТАЛИ СИСТЕМА ОХЛАЖДЕНИЯ В СБОРЕ ESA 522911 - NA 522811

Нажмите на схему для увеличения

Документация

Документация временно недоступна.

Похожая техника в категории: ЗАПЧАСТИ ДВИГАТЕЛЯ (Bobcat)

Спецтехника ЗАПАСНОЙ БАК KUBOTA D722

ЗАПАСНОЙ БАК KUBOTA D722

1Артикул: 668309...
2Артикул: 665397...
3Артикул: 668309...
Подробнее >
Спецтехника КРИВОШИПНАЯ КОРОБКА KUBOTA D722

КРИВОШИПНАЯ КОРОБКА KUBOTA D722

1Артикул: 667033...
2Артикул: 667033...
3Артикул: 667033...
Подробнее >
Спецтехника СТАРТЕР

СТАРТЕР

1Артикул: 669308...
2Артикул: 1CM825...
3Артикул: 669308...
Подробнее >
Спецтехника ПОДДОН КАРТЕРА KUBOTA D722

ПОДДОН КАРТЕРА KUBOTA D722

1Артикул: 669304...
2Артикул: 1CM612...
3Артикул: 668697...
Подробнее >
Спецтехника РАСПРЕДЕЛИТЕЛЬНЫЙ ВАЛ KUBOTA D722

РАСПРЕДЕЛИТЕЛЬНЫЙ ВАЛ KUBOTA D722

1Артикул: 667038...
2Артикул: 667038...
3Артикул: 667038...
Подробнее >
Спецтехника ВОЗДУШНЫЙ ФИЛЬТР

ВОЗДУШНЫЙ ФИЛЬТР

1Артикул: 669309...
2Артикул: 669309...
3Артикул: 698808...
Подробнее >
Спецтехника ДВИГАТЕЛЬ И КРЕПЕЖНЫЕ ДЕТАЛИ СИСТЕМА ПОДАЧИ ТОПЛИВА ESA 522911 - NA 522811

ДВИГАТЕЛЬ И КРЕПЕЖНЫЕ ДЕТАЛИ СИСТЕМА ПОДАЧИ ТОПЛИВА ESA 522911 - NA 522811

1Артикул: 15393-...
2Артикул: 669335...
3Артикул: 696991...
Подробнее >
Спецтехника ГОЛОВКА ЦИЛИНДРА KUBOTA D722

ГОЛОВКА ЦИЛИНДРА KUBOTA D722

1Артикул: 397488...
2Артикул: 666742...
3Артикул: 667035...
Подробнее >
Спецтехника МАХОВИК KUBOTA D722

МАХОВИК KUBOTA D722

1Артикул: 666745...
2Артикул: 668301...
3Артикул: 667806...
Подробнее >
Спецтехника СОПЛО ФОРСУНКИ KUBOTA D722

СОПЛО ФОРСУНКИ KUBOTA D722

1Артикул: 667046...
2Артикул: 668563...
3Артикул: 665471...
Подробнее >
Спецтехника ДЕРЖАТЕЛЬ ФОРСУНКИ KUBOTA D722

ДЕРЖАТЕЛЬ ФОРСУНКИ KUBOTA D722

1Артикул: NOZZLE...
2Артикул: 665746...
3Артикул: 665587...
Подробнее >
Спецтехника ГЕНЕРАТОР

ГЕНЕРАТОР

1Артикул: 668613...
2Артикул: 669321...
3Артикул: 665272...
Подробнее >