+7 (701) 588 50 05 Телефон для связи
RU

WhatsApp

Позвонить

ДВИГАТЕЛЬ И КРЕПЕЖНЫЕ ДЕТАЛИ (ВОЗДУХООЧИСТИТЕЛЬ И ГЛУШИТЕЛЬ) — Продажа в Казахстане Цены от официального дилера с доставкой в Алматы, Астану и регионы

Техника доступна в:
Полный спектр услуг:
Для Вашего удобства:
Характеристики и описание
Габариты, схема
Техническая документация
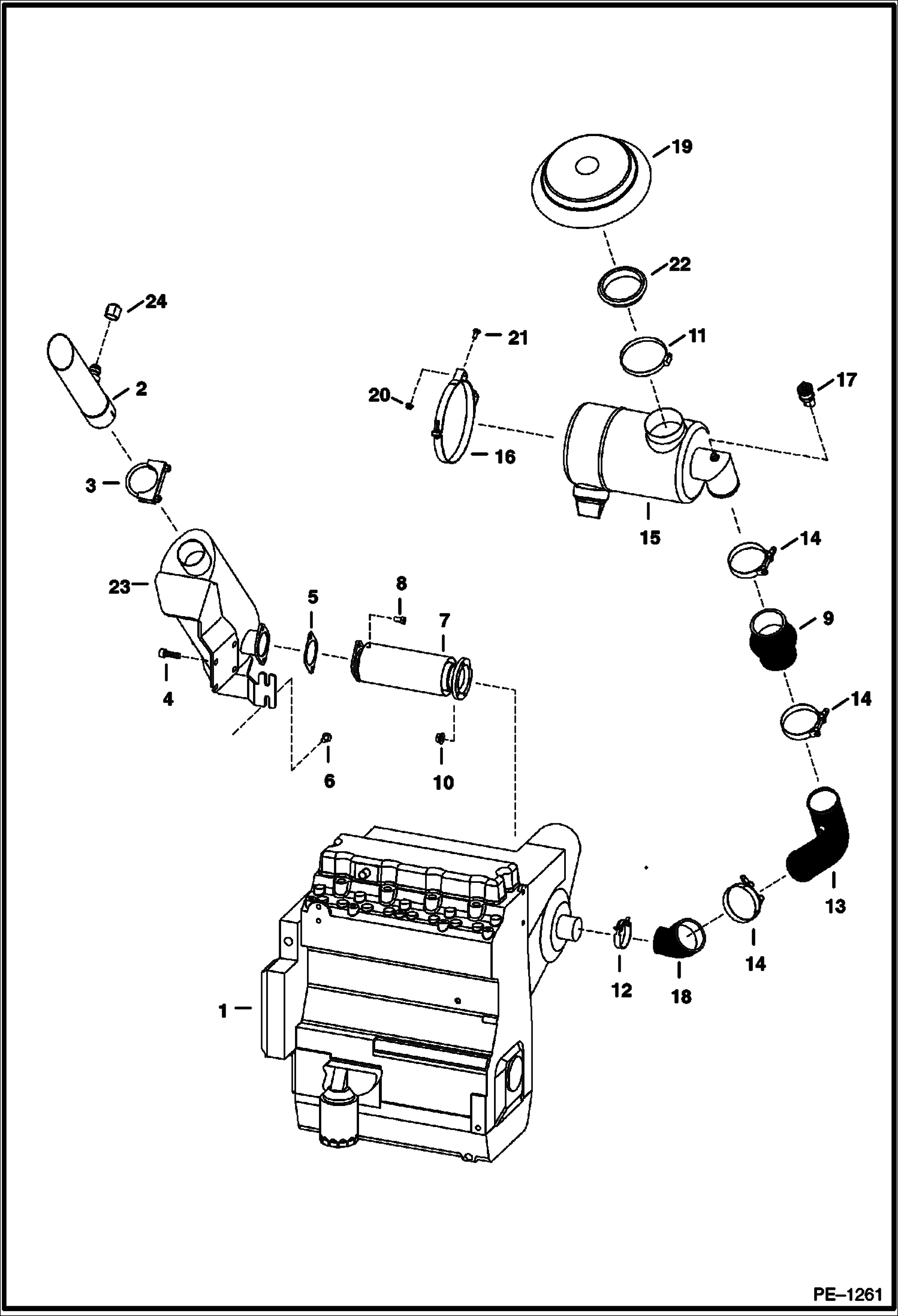
1 Артикул: ENGINE, ENGINE See Illustration ENGINE & UPPER GASKET KIT/ B17225
2 Артикул: 6807156, TUBE exhaust
3 Артикул: 6660863, CLAMP assy
4 Артикул: 6668287, SCREW
5 Артикул: 6802731, GASKET
6 Артикул: 29CM1020, BOLT
7 Артикул: 6675379, PIPE exhaust - no gasket between exhaust pipe & engine turbo charger
8 Артикул: 6669677, PIPE exhaust - no gasket between exhaust pipe & engine turbo charger
9 Артикул: 17C612, BOLT 5
10 Артикул: 6804067, HOSE air cleaner
11 Артикул: 49DM8, NUT
12 Артикул: 44H64, CLAMP
13 Артикул: 5HM61, HOSECLAMP
14 Артикул: 6804069, HOSE air filter
15 Артикул: 7009353, CLAMP, T-BOLT Was 6670598 - A
16 Артикул: ASSY,, ASSY, FILTER See Illustration AIR CLEANER/ B17249 NLA - Was 6672636 - A
17 Артикул: 6670562, BAND
18 Артикул: 6668907, GAUGE restrictor
19 Артикул: 6804202, HOSE reducer
20 Артикул: 6670564, COVER air inlet
21 Артикул: 55D5, NUT
22 Артикул: 37C512, BOLT
23 Артикул: SEAL, SEAL NLA - air filter - 12.25-- (311.15 mm) long - Was 6804454 - A
24 Артикул: 6675277, MUFFLER exhaust
25 Артикул: 36K8, CAP

ДВИГАТЕЛЬ И КРЕПЕЖНЫЕ ДЕТАЛИ (ВОЗДУХООЧИСТИТЕЛЬ И ГЛУШИТЕЛЬ): Техника, которая работает на результат

ДВИГАТЕЛЬ И КРЕПЕЖНЫЕ ДЕТАЛИ (ВОЗДУХООЧИСТИТЕЛЬ И ГЛУШИТЕЛЬ) на Bobcat 900s Bobcat 963 516515001 И ВЫШЕ, 562215001 И ВЫШЕ

Габаритные размеры

Габаритные размеры и схема ДВИГАТЕЛЬ И КРЕПЕЖНЫЕ ДЕТАЛИ (ВОЗДУХООЧИСТИТЕЛЬ И ГЛУШИТЕЛЬ)

Нажмите на схему для увеличения

Документация

Документация временно недоступна.

Похожая техника в категории: ЗАПЧАСТИ ДВИГАТЕЛЯ (Bobcat)

Спецтехника КОЛЛЕКТОР

КОЛЛЕКТОР

1Артикул: MANIFO...
2Артикул: 667278...
3Артикул: 667094...
Подробнее >
Спецтехника ОСЬ КЛАПАННОГО КОРОМЫСЛА

ОСЬ КЛАПАННОГО КОРОМЫСЛА

1Артикул: 667090...
2Артикул: 667090...
3Артикул: SHAFT,...
Подробнее >
Спецтехника БЛОК ЦИЛИНДРОВ

БЛОК ЦИЛИНДРОВ

1Артикул: 667087...
2Артикул: 667218...
3Артикул: CAP, C...
Подробнее >
Спецтехника КОМПЛЕКТ НИЖНИХ ПРОКЛАДОК

КОМПЛЕКТ НИЖНИХ ПРОКЛАДОК

1Артикул: ENGINE...
2Артикул: 666959...
3Артикул: 667227...
Подробнее >
Спецтехника МАСЛЯНЫЙ НАСОС - ПЕРЕПУСКНОЙ КЛАПАН

МАСЛЯНЫЙ НАСОС - ПЕРЕПУСКНОЙ КЛАПАН

1Артикул: 666827...
2Артикул: 667091...
3Артикул: 666828...
Подробнее >
Спецтехника ДРОССЕЛЬНАЯ ЗАСЛОНКА

ДРОССЕЛЬНАЯ ЗАСЛОНКА

1Артикул: 656445...
2Артикул: 670545...
3Артикул: 35C610...
Подробнее >
Спецтехника ФИЛЬТР ДЛЯ ТОПЛИВА - ЗАПАСНЫЕ ЧАСТИ

ФИЛЬТР ДЛЯ ТОПЛИВА - ЗАПАСНЫЕ ЧАСТИ

1Артикул: 667099...
2Артикул: HEAD, ...
3Артикул: 666864...
Подробнее >
Спецтехника ПОДКАЧКА ТОПЛИВА ДЛЯ НАСОСА - ЗАПАСНЫЕ ЧАСТИ

ПОДКАЧКА ТОПЛИВА ДЛЯ НАСОСА - ЗАПАСНЫЕ ЧАСТИ

1Артикул: 667100...
2Артикул: HEAD, ...
3Артикул: 666864...
Подробнее >
Спецтехника ПОДКАЧКА ТОПЛИВА ДЛЯ НАСОСА (ЖЕЛОБОК ДЛЯ СБОРА ВОДЫ)

ПОДКАЧКА ТОПЛИВА ДЛЯ НАСОСА (ЖЕЛОБОК ДЛЯ СБОРА ВОДЫ)

1Артикул: 667100...
2Артикул: HOUSIN...
3Артикул: 651568...
Подробнее >
Спецтехника МАСЛОЗАЛИВНАЯ ГОРЛОВИНА - КРЫШКА БЕНЗОБАКА

МАСЛОЗАЛИВНАЯ ГОРЛОВИНА - КРЫШКА БЕНЗОБАКА

1Артикул: 666850...
2Артикул: FILLER...
3Артикул: 666850...
Подробнее >
Спецтехника ВОДЯНАЯ ПОМПА

ВОДЯНАЯ ПОМПА

1Артикул: 667278...
2Артикул: BODY, ...
3Артикул: SHAFT,...
Подробнее >
Спецтехника ВОЗДУШНЫЙ ФИЛЬТР

ВОЗДУШНЫЙ ФИЛЬТР

1Артикул: ASSY,,...
2Артикул: 668147...
3Артикул: 668147...
Подробнее >