+7 (701) 588 50 05 Телефон для связи
RU

WhatsApp

Позвонить

ГЕНЕРАТОР ПЕРЕМЕННОГО ТОКА (DELCO 1100092 - ЗАКРЫТ) — Продажа в Казахстане Цены от официального дилера с доставкой в Алматы, Астану и регионы

Техника доступна в:
Полный спектр услуг:
Для Вашего удобства:
Характеристики и описание
Габариты, схема
Техническая документация
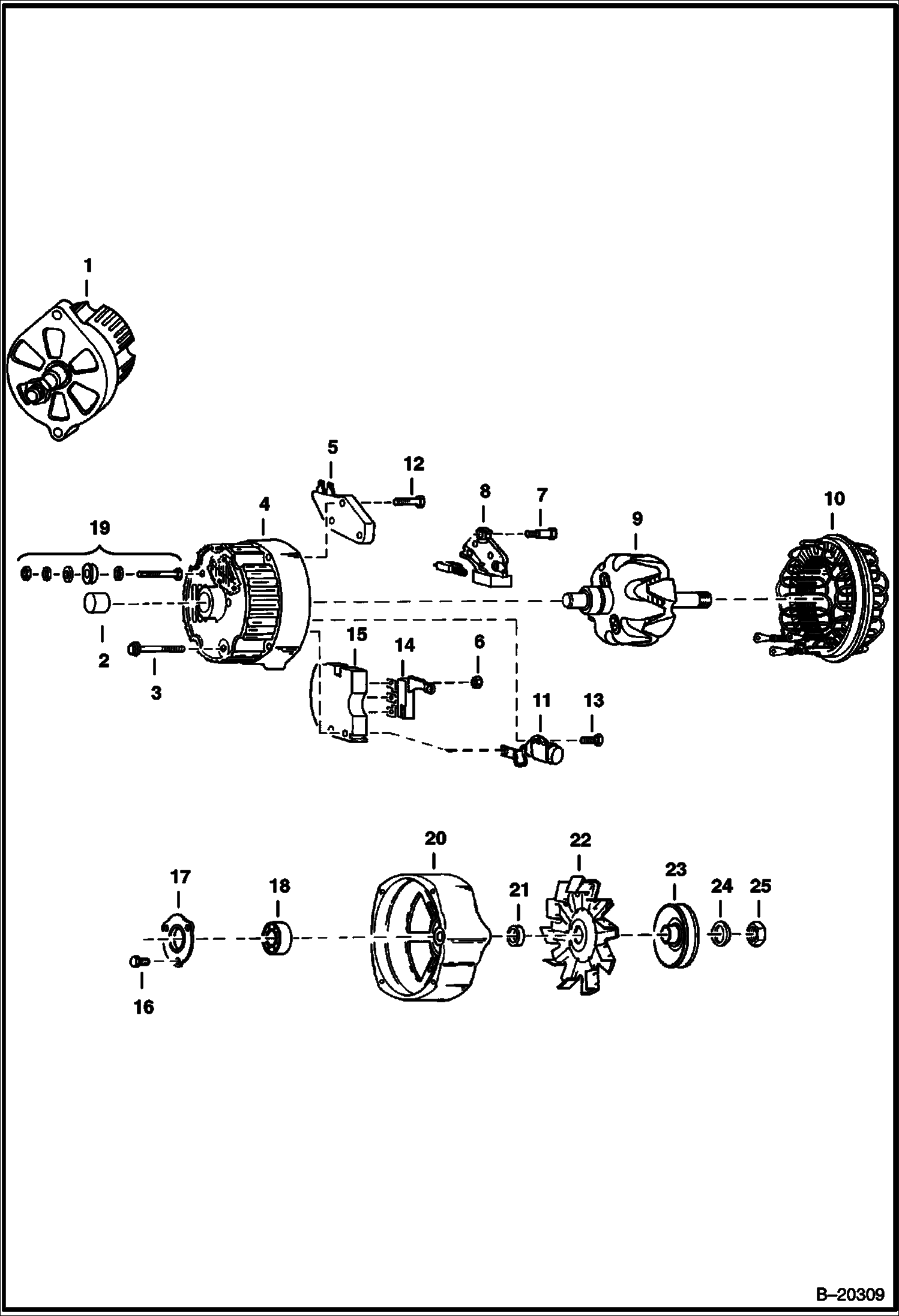
1 Артикул: ALTERNATOR, ALTERNATOR See Illustration ALTERNATOR/ B20310 NLA - ORDER 6599740REM
2 Артикул: BEARING, BEARING NLA - Was 999306B - A
3 Артикул: BOLT, BOLT NLA - Was 897467B - A
4 Артикул: FRAME, FRAME NLA - W/Ref. 2 - Was 6511954 - A
5 Артикул: REGULATOR, REGULATOR NLA - voltage - Was 994381B - A
6 Артикул: 12D8, NUT
7 Артикул: 6511957, BOLT
8 Артикул: HOLDER, HOLDER NLA - W/brush assy. - Was 995184B - A
9 Артикул: 6599772, ROTOR
10 Артикул: 2343911, STATOR Was 999392B - A
11 Артикул: CAPACITOR, CAPACITOR NLA - Was 999308B - A
12 Артикул: BOLT, BOLT NSS - Was 6511956 - A
13 Артикул: BOLT, BOLT NLA - Was 991219B - A
14 Артикул: DIODE, DIODE Was 994383B - A
15 Артикул: RECTIFIER, RECTIFIER NLA - Was 995185B - A
16 Артикул: 45G1008, BOLT
17 Артикул: RETAINER, RETAINER NLA - bearing - Was 897456B - A
18 Артикул: 991599, BEARING
19 Артикул: TERMINAL, TERMINAL PKG. NLA - Was 905952B - A
20 Артикул: HOUSING, HOUSING NLA - Was 905955B - A
21 Артикул: 6598060, COLLAR
22 Артикул: 329884, FAN alternator
23 Артикул: 6631519, PULLEY
24 Артикул: NLA, NLA - Was 794584B - A
25 Артикул: NUT, NUT NLA - Was 859369B - A

ГЕНЕРАТОР ПЕРЕМЕННОГО ТОКА (DELCO 1100092 - ЗАКРЫТ): Техника, которая работает на результат

ГЕНЕРАТОР ПЕРЕМЕННОГО ТОКА (DELCO 1100092 - ЗАКРЫТ) на Bobcat 900s Bobcat 974 4969MA1001 И ВЫШЕ, 4969MB1001 И ВЫШЕ

Габаритные размеры

Габаритные размеры и схема ГЕНЕРАТОР ПЕРЕМЕННОГО ТОКА (DELCO 1100092 - ЗАКРЫТ)

Нажмите на схему для увеличения

Документация

Документация временно недоступна.

Похожая техника в категории: ЭЛЕКТРИЧЕСКАЯ СИСТЕМА (Bobcat)

Спецтехника ГЕНЕРАТОР ПЕРЕМЕННОГО ТОКА (DELCO - 1105076 - ЗАКРЫТ)

ГЕНЕРАТОР ПЕРЕМЕННОГО ТОКА (DELCO - 1105076 - ЗАКРЫТ)

1Артикул: ALTERN...
2Артикул: BEARIN...
3Артикул: BOLT, ...
Подробнее >
Спецтехника СТАРТЕР (DELCO 1998379 - СЕРИЙНЫЙ НОМЕР 12873 И ВЫШЕ)

СТАРТЕР (DELCO 1998379 - СЕРИЙНЫЙ НОМЕР 12873 И ВЫШЕ)

1Артикул: STARTE...
2Артикул: 663018...
3Артикул: 663040...
Подробнее >
Спецтехника ГЕНЕРАТОР ПЕРЕМЕННОГО ТОКА (DELCO 1105063 - ЗАКРЫТ)

ГЕНЕРАТОР ПЕРЕМЕННОГО ТОКА (DELCO 1105063 - ЗАКРЫТ)

1Артикул: ALTERN...
2Артикул: BEARIN...
3Артикул: BOLT, ...
Подробнее >
Спецтехника ГЕНЕРАТОР ПЕРЕМЕННОГО ТОКА (BOBCAT - СЕРИЙНЫЙ НОМЕР 13057 И ВЫШЕ)

ГЕНЕРАТОР ПЕРЕМЕННОГО ТОКА (BOBCAT - СЕРИЙНЫЙ НОМЕР 13057 И ВЫШЕ)

1Артикул: ALTERN...
2Артикул: 663221...
3Артикул: 663220...
Подробнее >
Спецтехника СТАРТЕР

СТАРТЕР

1Артикул: 665166...
2Артикул: SCREW,...
3Артикул: 665858...
Подробнее >
Спецтехника ГЕНЕРАТОР ПЕРЕМЕННОГО ТОКА (DELCO 1100827 - ЗАКРЫТ)

ГЕНЕРАТОР ПЕРЕМЕННОГО ТОКА (DELCO 1100827 - ЗАКРЫТ)

1Артикул: ALTERN...
2Артикул: NUT, N...
3Артикул: PACKAG...
Подробнее >
Спецтехника СТАРТЕР (СЕРИЙНЫЙ НОМЕР 11001 ЧЕРЕЗ 12872)

СТАРТЕР (СЕРИЙНЫЙ НОМЕР 11001 ЧЕРЕЗ 12872)

1Артикул: STARTE...
2Артикул: STARTE...
3Артикул: FRAME,...
Подробнее >
Спецтехника КОНТУР ЭЛЕКТРИЧЕСКОЙ ЦЕПИ (СЕРИЙНЫЙ НОМЕР 13057 ЧЕРЕЗ 13130)

КОНТУР ЭЛЕКТРИЧЕСКОЙ ЦЕПИ (СЕРИЙНЫЙ НОМЕР 13057 ЧЕРЕЗ 13130)

1Артикул: HEADLI...
2Артикул: 877752...
3Артикул: HOLDER...
Подробнее >
Спецтехника ГЕНЕРАТОР ПЕРЕМЕННОГО ТОКА (BOBCAT)

ГЕНЕРАТОР ПЕРЕМЕННОГО ТОКА (BOBCAT)

1Артикул: 666161...
2Артикул: 666161...
3Артикул: 666161...
Подробнее >
Спецтехника КАБИНА И ЭЛЕКТРОСХЕМА ДВИГАТЕЛЯ (СЕРИЙНЫЙ НОМЕР 13131 И ВЫШЕ)

КАБИНА И ЭЛЕКТРОСХЕМА ДВИГАТЕЛЯ (СЕРИЙНЫЙ НОМЕР 13131 И ВЫШЕ)

1Артикул: HEADLI...
2Артикул: 877752...
3Артикул: HOLDER...
Подробнее >
Спецтехника КОНТУР ЭЛЕКТРИЧЕСКОЙ ЦЕПИ (СЕРИЙНЫЙ НОМЕР 13056 И НИЖЕ)

КОНТУР ЭЛЕКТРИЧЕСКОЙ ЦЕПИ (СЕРИЙНЫЙ НОМЕР 13056 И НИЖЕ)

1Артикул: HEADLI...
2Артикул: 877752...
3Артикул: HOLDER...
Подробнее >
Спецтехника СТАРТЕР (СЕРИЙНЫЙ НОМЕР 10999 И НИЖЕ)

СТАРТЕР (СЕРИЙНЫЙ НОМЕР 10999 И НИЖЕ)

1Артикул: STARTE...
2Артикул: 946390...
3Артикул: FRAME,...
Подробнее >