+7 (701) 588 50 05 Телефон для связи
RU

WhatsApp

Позвонить

КОНТУР ЭЛЕКТРИЧЕСКОЙ ЦЕПИ (СЕРИЙНЫЙ НОМЕР 13057 ЧЕРЕЗ 13130) — Продажа в Казахстане Цены от официального дилера с доставкой в Алматы, Астану и регионы

Техника доступна в:
Полный спектр услуг:
Для Вашего удобства:
Характеристики и описание
Габариты, схема
Техническая документация
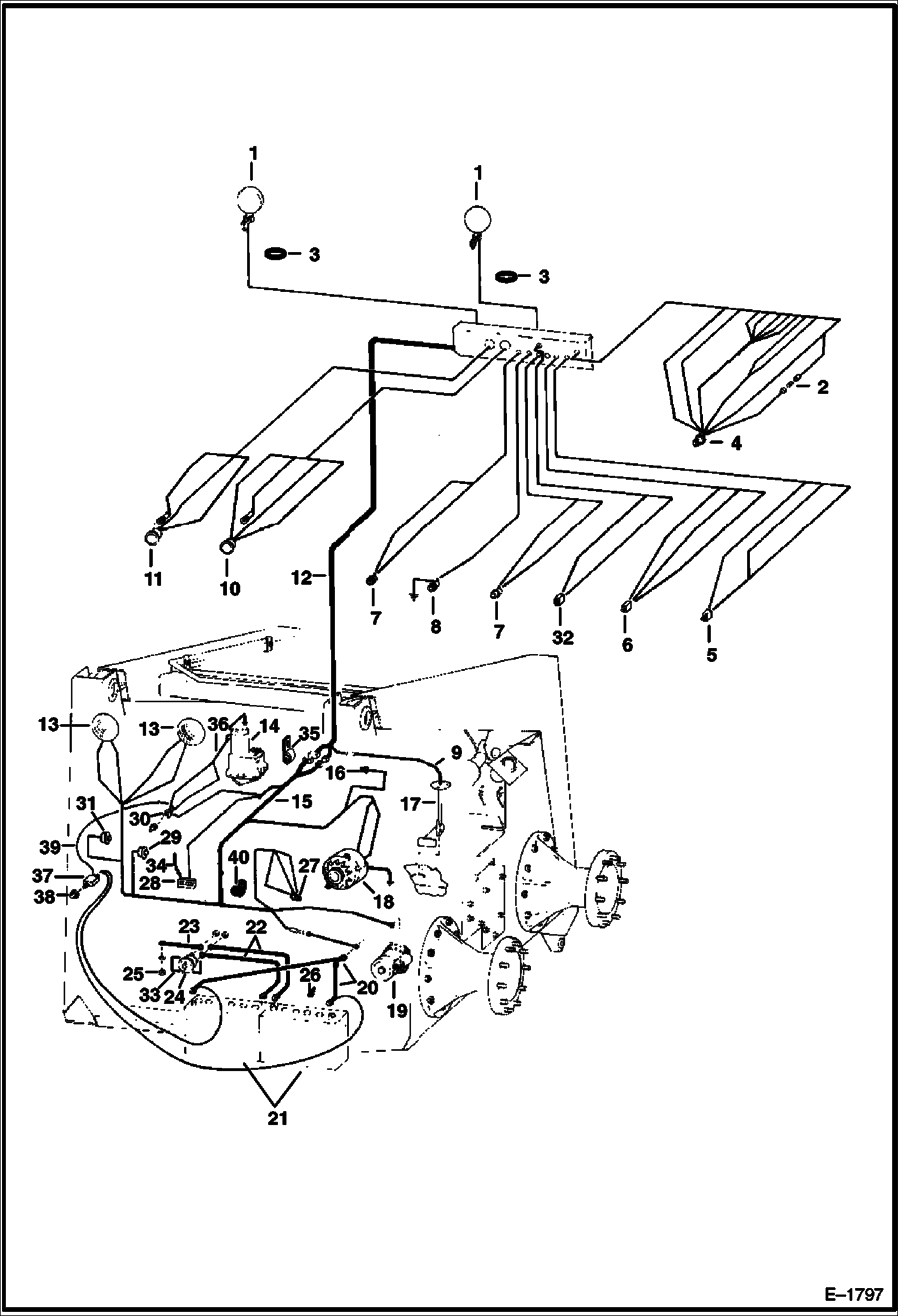
1 Артикул: HEADLIGHT, HEADLIGHT NLA - Order 6644980 or 6644961 - Was 6517676 - A
2 Артикул: 877752, 4411 BULB sealed beam
3 Артикул: HOLDER, HOLDER NLA - W/40 amp. fuse - Was 733642 - A
4 Артикул: 6518132, FUSE
5 Артикул: 6557493, GROMMET
6 Артикул: 6518763, SWITCH ignition - W/Key
7 Артикул: 6505412, KEY
8 Артикул: 6662302, NUT
9 Артикул: 6E9, LOCKWASHE
10 Артикул: 6515521, SWITCH toggle - Two Position
11 Артикул: 6515522, SWITCH toggle - Three Position
12 Артикул: LIGHT, LIGHT NLA - water temp, hydro, oil press & temp - Was 6515525 - A
13 Артикул: LIGHT, LIGHT NLA - engine oil pressure - Was 6515526 - A
14 Артикул: 6594344, HARNESS fuel
15 Артикул: VOLTMETER, VOLTMETER NLA - W/clamp - Order 6669664 voltmeter & 6679027 clamp - Was 6658819 - A
16 Артикул: 6669664, VOLTMETER W/O clamp
17 Артикул: FUEL, FUEL GAUGE NLA - W/clamp - Order 6669665 gauge & 6679027 clamp - Was 6658820 - A
18 Артикул: 6669665, FUEL GUAGE W/O clamp
19 Артикул: 6529471, HARNESS wiring - Upper
20 Артикул: LIGHT, LIGHT ASY NLA - Was 6519340 - A
21 Артикул: LENS, LENS NLA - Was 6515219 - A
22 Артикул: 877752, 4411 BULB
23 Артикул: 6655055, BULB Was 506475B - A
24 Артикул: PUMP, PUMP See Illustration CAB TILT MOTOR & PUMP/ B18214 See Illustration CAB TILT MOTOR & PUMP/ B1103 CAB TILT
25 Артикул: 6529463, HARNESS wiring
26 Артикул: 6513193, SENDER engine temp.
27 Артикул: 6598921, SENDER fuel level sender
28 Артикул: ALTERNATOR, ALTERNATOR See Illustration ALTERNATOR/ B18332
29 Артикул: STARTER, STARTER See Illustration STARTER/ B1388
30 Артикул: 6591761, CABLE battery
31 Артикул: 6669318, BATTERY Was 6665917 - A
32 Артикул: 6630152, CAP
33 Артикул: 6553094, CABLE ground
34 Артикул: 6514523, CABLE ground
35 Артикул: 754019, SWITCH ground
36 Артикул: 81D6, NUT
37 Артикул: 2356058, BOOT battery cable
38 Артикул: 6515472, SWITCH engine oil pressure
39 Артикул: 6664886, HOURMETER Was 6631657 - A
40 Артикул: 6598384, SWITCH hydrostatic oil temp.
41 Артикул: 6591756, SWITCH
42 Артикул: 6515510, COVER toggle switch
43 Артикул: 6631695, SWITCH hydrostatic oil pressure - Was 6519715 - A
44 Артикул: 6632973, SWITCH pre-heat - Was 600259B - A
45 Артикул: 6590789, PLATE
46 Артикул: 6548857, WIRE
47 Артикул: CLAMP, CLAMP NLA - Was 31H000006B - A
48 Артикул: 6591749, HARNESS
49 Артикул: 6683378, BREAKER circuit - Was 6591755 - A
50 Артикул: 6591757, SEAL
51 Артикул: 6591754, WIRE
52 Артикул: 30H42, CLAMP

КОНТУР ЭЛЕКТРИЧЕСКОЙ ЦЕПИ (СЕРИЙНЫЙ НОМЕР 13057 ЧЕРЕЗ 13130): Техника, которая работает на результат

КОНТУР ЭЛЕКТРИЧЕСКОЙ ЦЕПИ (СЕРИЙНЫЙ НОМЕР 13057 ЧЕРЕЗ 13130) на Bobcat 900s Bobcat 974 4969MA1001 И ВЫШЕ, 4969MB1001 И ВЫШЕ

Габаритные размеры

Габаритные размеры и схема КОНТУР ЭЛЕКТРИЧЕСКОЙ ЦЕПИ (СЕРИЙНЫЙ НОМЕР 13057 ЧЕРЕЗ 13130)

Нажмите на схему для увеличения

Документация

Документация временно недоступна.

Похожая техника в категории: ЭЛЕКТРИЧЕСКАЯ СИСТЕМА (Bobcat)

Спецтехника ГЕНЕРАТОР ПЕРЕМЕННОГО ТОКА (DELCO 1100092 - ЗАКРЫТ)

ГЕНЕРАТОР ПЕРЕМЕННОГО ТОКА (DELCO 1100092 - ЗАКРЫТ)

1Артикул: ALTERN...
2Артикул: BEARIN...
3Артикул: BOLT, ...
Подробнее >
Спецтехника ГЕНЕРАТОР ПЕРЕМЕННОГО ТОКА (DELCO - 1105076 - ЗАКРЫТ)

ГЕНЕРАТОР ПЕРЕМЕННОГО ТОКА (DELCO - 1105076 - ЗАКРЫТ)

1Артикул: ALTERN...
2Артикул: BEARIN...
3Артикул: BOLT, ...
Подробнее >
Спецтехника СТАРТЕР (DELCO 1998379 - СЕРИЙНЫЙ НОМЕР 12873 И ВЫШЕ)

СТАРТЕР (DELCO 1998379 - СЕРИЙНЫЙ НОМЕР 12873 И ВЫШЕ)

1Артикул: STARTE...
2Артикул: 663018...
3Артикул: 663040...
Подробнее >
Спецтехника ГЕНЕРАТОР ПЕРЕМЕННОГО ТОКА (DELCO 1105063 - ЗАКРЫТ)

ГЕНЕРАТОР ПЕРЕМЕННОГО ТОКА (DELCO 1105063 - ЗАКРЫТ)

1Артикул: ALTERN...
2Артикул: BEARIN...
3Артикул: BOLT, ...
Подробнее >
Спецтехника ГЕНЕРАТОР ПЕРЕМЕННОГО ТОКА (BOBCAT - СЕРИЙНЫЙ НОМЕР 13057 И ВЫШЕ)

ГЕНЕРАТОР ПЕРЕМЕННОГО ТОКА (BOBCAT - СЕРИЙНЫЙ НОМЕР 13057 И ВЫШЕ)

1Артикул: ALTERN...
2Артикул: 663221...
3Артикул: 663220...
Подробнее >
Спецтехника СТАРТЕР

СТАРТЕР

1Артикул: 665166...
2Артикул: SCREW,...
3Артикул: 665858...
Подробнее >
Спецтехника ГЕНЕРАТОР ПЕРЕМЕННОГО ТОКА (DELCO 1100827 - ЗАКРЫТ)

ГЕНЕРАТОР ПЕРЕМЕННОГО ТОКА (DELCO 1100827 - ЗАКРЫТ)

1Артикул: ALTERN...
2Артикул: NUT, N...
3Артикул: PACKAG...
Подробнее >
Спецтехника СТАРТЕР (СЕРИЙНЫЙ НОМЕР 11001 ЧЕРЕЗ 12872)

СТАРТЕР (СЕРИЙНЫЙ НОМЕР 11001 ЧЕРЕЗ 12872)

1Артикул: STARTE...
2Артикул: STARTE...
3Артикул: FRAME,...
Подробнее >
Спецтехника ГЕНЕРАТОР ПЕРЕМЕННОГО ТОКА (BOBCAT)

ГЕНЕРАТОР ПЕРЕМЕННОГО ТОКА (BOBCAT)

1Артикул: 666161...
2Артикул: 666161...
3Артикул: 666161...
Подробнее >
Спецтехника КАБИНА И ЭЛЕКТРОСХЕМА ДВИГАТЕЛЯ (СЕРИЙНЫЙ НОМЕР 13131 И ВЫШЕ)

КАБИНА И ЭЛЕКТРОСХЕМА ДВИГАТЕЛЯ (СЕРИЙНЫЙ НОМЕР 13131 И ВЫШЕ)

1Артикул: HEADLI...
2Артикул: 877752...
3Артикул: HOLDER...
Подробнее >
Спецтехника КОНТУР ЭЛЕКТРИЧЕСКОЙ ЦЕПИ (СЕРИЙНЫЙ НОМЕР 13056 И НИЖЕ)

КОНТУР ЭЛЕКТРИЧЕСКОЙ ЦЕПИ (СЕРИЙНЫЙ НОМЕР 13056 И НИЖЕ)

1Артикул: HEADLI...
2Артикул: 877752...
3Артикул: HOLDER...
Подробнее >
Спецтехника СТАРТЕР (СЕРИЙНЫЙ НОМЕР 10999 И НИЖЕ)

СТАРТЕР (СЕРИЙНЫЙ НОМЕР 10999 И НИЖЕ)

1Артикул: STARTE...
2Артикул: 946390...
3Артикул: FRAME,...
Подробнее >