ГИДРОСТАТИЧЕСКИЙ ДВИГАТЕЛЬ — Продажа в Казахстане Цены от официального дилера с доставкой в Алматы, Астану и регионы
×
❮
❯
Характеристики и описание
Габариты, схема
Техническая документация
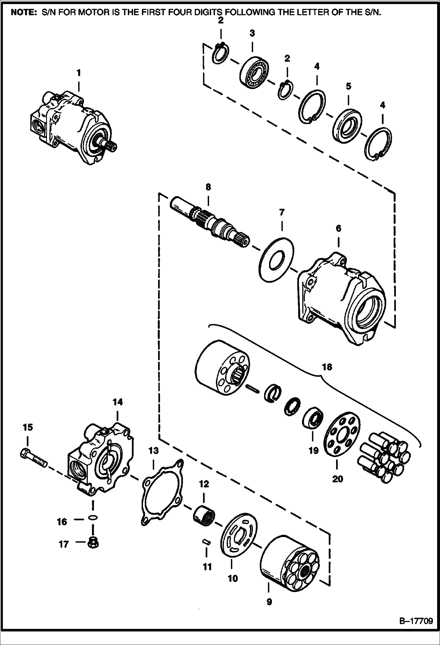
| 1 | Артикул: 6655435, MOTOR New |
| 2 | Артикул: 6665396REM, MOTOR, HYD, W/O GEAR PUMP Remanufactured - Was 6665396 - A |
| 3 | Артикул: 658128, RING, SNAP |
| 4 | Артикул: 654299, BEARING |
| 5 | Артикул: 669863, RING, SNAP |
| 6 | Артикул: 7296603, SEAL, SHAFT Was 6687191 - A |
| 7 | Артикул: 6649387, HOUSING |
| 8 | Артикул: 6649386, THRUST PLATE |
| 9 | Артикул: 6655454, SHAFT 33 teeth - For Model M46-3013 |
| 10 | Артикул: 6631015, ROTATING group - For Model M46-3013 |
| 11 | Артикул: 6631019, PLATE |
| 12 | Артикул: 6634553, PIN Was 666863B - A |
| 13 | Артикул: 6631022, BEARING |
| 14 | Артикул: 6631020, GASKET |
| 15 | Артикул: 6631018, CAP |
| 16 | Артикул: 17C836, BOLT |
| 17 | Артикул: 79K8, O RING 10 |
| 18 | Артикул: 24K6, FITTING W/Ref. 16 |
| 19 | Артикул: 6634311, BLOCK rotating group - Slipper, Retainer & Piston - For Model M46-3013 |
| 20 | Артикул: 6660079, GUIDE |
| 21 | Артикул: 6660080, RETAINER |
ГИДРОСТАТИЧЕСКИЙ ДВИГАТЕЛЬ: Техника, которая работает на результат
ГИДРОСТАТИЧЕСКИЙ ДВИГАТЕЛЬ на Bobcat 900s Bobcat 953 513111001 И ВЫШЕ, 513115001 И ВЫШЕГабаритные размеры
Нажмите на схему для увеличения
Документация
Документация временно недоступна.
Похожая техника в категории: ГИДРОСТАТИЧЕСКАЯ СИСТЕМА (Bobcat)
ГИДРОСТАТИЧЕСКИЙ НАСОС (SUNDSTRAND)
1Артикул: PUMP, ...
2Артикул: PUMP, ...
3Артикул: PUMP,,...
Подробнее >
ЭЛЕКТРОДВИГАТЕЛЬ ВЕНТИЛЯТОРА ОХЛАЖДЕНИЯ (SUNDSTRAND SNM2)
1Артикул: 665531...
2Артикул: NUT, N...
3Артикул: WASHER...
Подробнее >
ШЕСТЕРЕННЫЙ НАСОС
1Артикул: 669824...
2Артикул: 663102...
3Артикул: O-RING...
Подробнее >
ФИЛЬТР ГИДРОСТАТИЧЕСКОГО МАСЛА
1Артикул: 666133...
2Артикул: 663205...
3Артикул: 659936...
Подробнее >
ГИДРОСТАТИЧЕСКИЙ НАСОС (CESSNA - ВВОДИТЬ В ЭКСПЛУАТАЦИЮ)
1Артикул: 664678...
2Артикул: 663149...
3Артикул: 661416...
Подробнее >
ОРГАНЫ РУЧНОГО УПРАВЛЕНИЯ
1Артикул: 228744...
2Артикул: 651396...
3Артикул: 657616...
Подробнее >
РАСПРЕДЕЛИТЕЛЬ
1Артикул: 680065...
2Артикул: 75K10,...
3Артикул: 656702...
Подробнее >
СХЕМА ГИДРОСТАТИЧЕСКОЙ СИСТЕМЫ
1Артикул: 663147...
2Артикул: MOUNT,...
3Артикул: 35C616...
Подробнее >