ГИДРОСТАТИЧЕСКИЙ НАСОС И ДЕТАЛИ ДВИГАТЕЛЯ — Продажа в Казахстане Цены от официального дилера с доставкой в Алматы, Астану и регионы
×
❮
❯
Характеристики и описание
Габариты, схема
Техническая документация
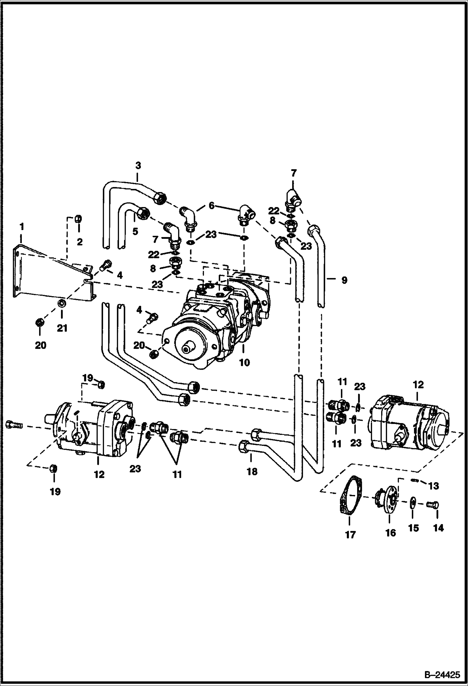
| 1 | Артикул: 6546872, BRACKET |
| 2 | Артикул: 61D6, NUT 5 |
| 3 | Артикул: 6547607, TUBE |
| 4 | Артикул: 17C824, BOLT 5 |
| 5 | Артикул: 6547606, TUBE |
| 6 | Артикул: 17K8, FITTING W/Ref. 23 - Was 6557332 - A |
| 7 | Артикул: 17KB1210, FITTING, HYD ELBOW W/Ref. 22 - Was 6714901 - A |
| 8 | Артикул: TUBE, TUBE NLA - Order 6546667 Adapter & 79K000012B O-ring - Was 6546973 - A |
| 9 | Артикул: 6547604, TUBE |
| 10 | Артикул: PUMP, PUMP See Illustration HYDROSTATIC PUMP/ D1248 NLA - HYDROSTATIC - WAS 6511316 - A |
| 11 | Артикул: 15K8, FITTING W/Ref. 23 |
| 12 | Артикул: 6519859, MOTOR See Illustration HYDROSTATIC MOTOR/ D1249 |
| 13 | Артикул: 7J3108, KEY square |
| 14 | Артикул: 18C628, BOLT |
| 15 | Артикул: 774813, WASHER |
| 16 | Артикул: 6547162, SPROCKET |
| 17 | Артикул: 6544531, KIT shim & gasket |
| 18 | Артикул: 6547605, TUBE |
| 19 | Артикул: 61D7, NUT |
| 20 | Артикул: 61D8, NUT 5 |
| 21 | Артикул: 25E22, WASHER |
| 22 | Артикул: 79K10, O RING 10 |
| 23 | Артикул: 79K12, O RING 10 |
ГИДРОСТАТИЧЕСКИЙ НАСОС И ДЕТАЛИ ДВИГАТЕЛЯ: Техника, которая работает на результат
ГИДРОСТАТИЧЕСКИЙ НАСОС И ДЕТАЛИ ДВИГАТЕЛЯ на Bobcat 700s Bobcat 721 4966MA11001 И ВЫШЕГабаритные размеры
Нажмите на схему для увеличения
Документация
Документация временно недоступна.
Похожая техника в категории: ГИДРОСТАТИЧЕСКАЯ СИСТЕМА (Bobcat)
ГИДРОСТАТИЧЕСКИЙ ДВИГАТЕЛЬ
1Артикул: MOTOR,...
2Артикул: MOTOR,...
3Артикул: 669863...
Подробнее >
ОРГАНЫ РУЧНОГО УПРАВЛЕНИЯ
1Артикул: 81D6, ...
2Артикул: 654297...
3Артикул: 36H35,...
Подробнее >
СХЕМА ГИДРОСТАТИЧЕСКОЙ СИСТЕМЫ
1Артикул: 654186...
2Артикул: 19K10,...
3Артикул: 654186...
Подробнее >
НАСОС С КРЫЛЬЧАТКОЙ (ВРАЩЕНИЕ ПРОТИВ ЧАСОВОЙ СТРЕЛКИ)
1Артикул: PUMP, ...
2Артикул: 17C648...
3Артикул: COVER,...
Подробнее >
2-РЕГУЛЯТОР СКОРОСТИ
1Артикул: 651964...
2Артикул: 654465...
3Артикул: 25E16,...
Подробнее >
СХЕМА ОХЛАДИТЕЛЯ ГИДРОСТАТИЧЕСКОГО МАСЛА
1Артикул: COOLER...
2Артикул: 40K4, ...
3Артикул: 651547...
Подробнее >
ГИДРОСТАТИЧЕСКИЙ НАСОС
1Артикул: PUMP, ...
2Артикул: PUMP,,...
3Артикул: 85G100...
Подробнее >