+7 (701) 588 50 05 Телефон для связи
RU

WhatsApp

Позвонить

ГОЛОВКА БЛОКА ЦИЛИНДРОВ — Продажа в Казахстане Цены от официального дилера с доставкой в Алматы, Астану и регионы

Техника доступна в:
Полный спектр услуг:
Для Вашего удобства:
Характеристики и описание
Габариты, схема
Техническая документация
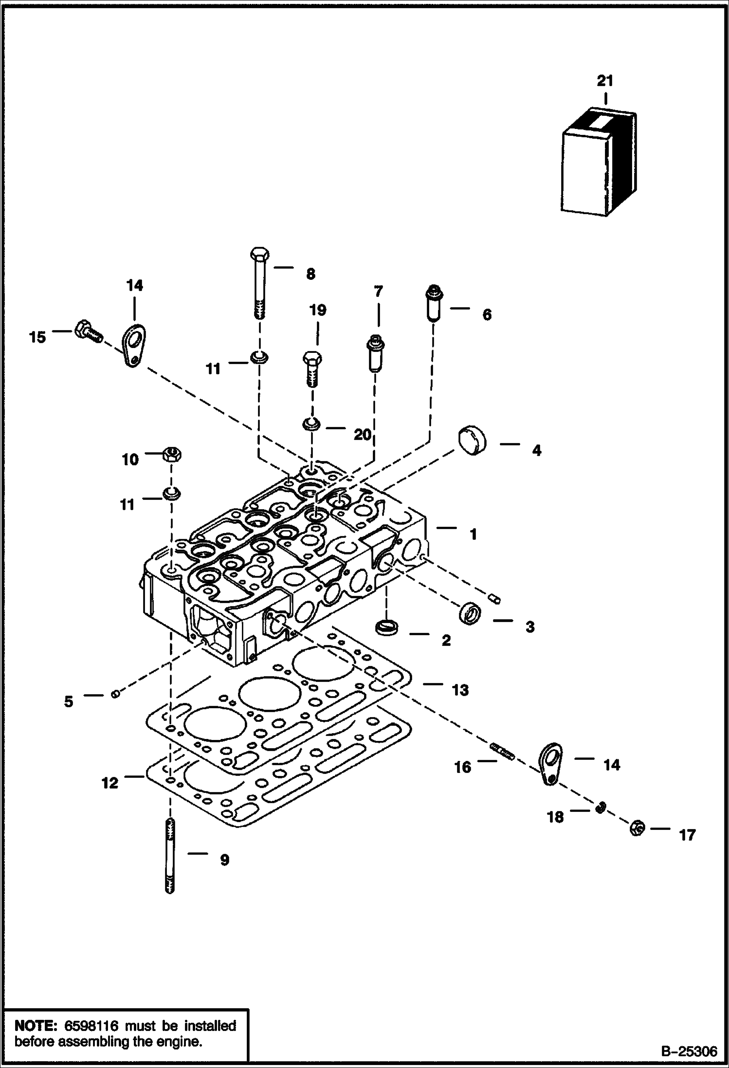
1 Артикул: HEAD, HEAD NLA - W/Ref. 2-7 See Note & Serviceletter - Order 6660965 - Was 6653800 - A
2 Артикул: CYLINDER, CYLINDER HEAD NLA - remanufactured - W/Ref. 2-7, Valves, Valve Springs & Exhaust Manifold Studs - Order 6660965
3 Артикул: 6660965, HEAD ASSY See Illustration ROCKER ARM & VALVES/ B25305 W/Ref. 2-8, 16, 19, 20 - Ref. 1-7 & 12
4 Артикул: 6660965REM, HEAD, KUBOTA, D1402
5 Артикул: 6630369, CHAMBER combustion
6 Артикул: 3974432, PLUG
7 Артикул: 3974433, PLUG
8 Артикул: 6598116, PLUG
9 Артикул: 6655154, GUIDE valve Intake - Was 3974434B - A
10 Артикул: 6969990, GUIDE exhaust valve - Was 6653803 - A
11 Артикул: BOLT, BOLT NLA - Use 3975364B - Was 3974435B - A
12 Артикул: 6653804, BOLT Flanged Head - Was 3975364B - A
13 Артикул: 3975366, STUD Was 3974436B - A
14 Артикул: 3975366, STUD
15 Артикул: 2DM10, NUT
16 Артикул: 3975365, NUT
17 Артикул: 3974438, WASHER
18 Артикул: 6666808, GASKET In 6630552 Gasket Kit - Was 6646702 - A
19 Артикул: 6598707, SHIM 0.0078
20 Артикул: 3974882, HOOK
21 Артикул: 1CM816, BOLT Was 4CM816 - A
22 Артикул: 6598156, STUD
23 Артикул: 1DM8, NUT Was 25DM00008B - A
24 Артикул: 6EM80, WASHER, SPRING
25 Артикул: 3974884, PLUG
26 Артикул: 3974885, WASHER
27 Артикул: GASKET, GASKET KIT See Illustration ENGINE/ B18477 DOES NOT INCLUDE SHIM

ГОЛОВКА БЛОКА ЦИЛИНДРОВ: Техника, которая работает на результат

ГОЛОВКА БЛОКА ЦИЛИНДРОВ на Bobcat 600s Bobcat 643 501511001 И ВЫШЕ

Габаритные размеры

Габаритные размеры и схема ГОЛОВКА БЛОКА ЦИЛИНДРОВ

Нажмите на схему для увеличения

Документация

Документация временно недоступна.

Похожая техника в категории: ЗАПЧАСТИ ДВИГАТЕЛЯ (Bobcat)

Спецтехника КОРОМЫСЛО КЛАПАНА И КЛАПАНЫ

КОРОМЫСЛО КЛАПАНА И КЛАПАНЫ

1Артикул: 665382...
2Артикул: 665382...
3Артикул: 397451...
Подробнее >
Спецтехника ОСНОВНОЙ КОРПУС ПОДШИПНИКА

ОСНОВНОЙ КОРПУС ПОДШИПНИКА

1Артикул: BEARIN...
2Артикул: 665381...
3Артикул: 665381...
Подробнее >
Спецтехника КАРДАННЫЙ ШАРНИР

КАРДАННЫЙ ШАРНИР

1Артикул: 659834...
2Артикул: 659830...
3Артикул: 520212...
Подробнее >
Спецтехника КАРТЕР ДВИГАТЕЛЯ

КАРТЕР ДВИГАТЕЛЯ

1Артикул: 659818...
2Артикул: 659871...
3Артикул: 665257...
Подробнее >
Спецтехника ДРОССЕЛЬНАЯ ЗАСЛОНКА И ВОЗДУШНАЯ ЗАСЛОНКА(СЕРИЙНЫЙ НОМЕР 11431 И НИЖЕ)

ДРОССЕЛЬНАЯ ЗАСЛОНКА И ВОЗДУШНАЯ ЗАСЛОНКА(СЕРИЙНЫЙ НОМЕР 11431 И НИЖЕ)

1Артикул: 655485...
2Артикул: 62D4, ...
3Артикул: 656249...
Подробнее >
Спецтехника ДВИГАТЕЛЬ И КРЕПЕЖНЫЕ ДЕТАЛИ

ДВИГАТЕЛЬ И КРЕПЕЖНЫЕ ДЕТАЛИ

1Артикул: 57D6, ...
2Артикул: 84G371...
3Артикул: 656786...
Подробнее >
Спецтехника СТОПОРНАЯ РУКОЯТКА

СТОПОРНАЯ РУКОЯТКА

1Артикул: 397497...
2Артикул: BOLT, ...
3Артикул: BOLT, ...
Подробнее >
Спецтехника ДЕРЖАТЕЛЬ ФОРСУНКИ

ДЕРЖАТЕЛЬ ФОРСУНКИ

1Артикул: 397425...
2Артикул: 397432...
3Артикул: 397432...
Подробнее >
Спецтехника ВОЗДУХООЧИСТИТЕЛЬ (СЕРИЙНЫЙ НОМЕР И ВЫШЕ)

ВОЗДУХООЧИСТИТЕЛЬ (СЕРИЙНЫЙ НОМЕР И ВЫШЕ)

1Артикул: 665601...
2Артикул: TANK, ...
3Артикул: 659849...
Подробнее >
Спецтехника ВОЗДУХООЧИСТИТЕЛЬ (СЕРИЙНЫЙ НОМЕР И НИЖЕ)

ВОЗДУХООЧИСТИТЕЛЬ (СЕРИЙНЫЙ НОМЕР И НИЖЕ)

1Артикул: 656340...
2Артикул: TANK, ...
3Артикул: 659849...
Подробнее >
Спецтехника ТОПЛИВНЫЙ НАСОС

ТОПЛИВНЫЙ НАСОС

1Артикул: 665520...
2Артикул: 397436...
3Артикул: 397436...
Подробнее >
Спецтехника ТОПЛИВНАЯ СИСТЕМА И НАСОС ВПРЫСКА

ТОПЛИВНАЯ СИСТЕМА И НАСОС ВПРЫСКА

1Артикул: 659812...
2Артикул: 397450...
3Артикул: 397450...
Подробнее >