+7 (701) 588 50 05 Телефон для связи
RU

WhatsApp

Позвонить

ГОЛОВКА БЛОКА ЦИЛИНДРОВ — Продажа в Казахстане Цены от официального дилера с доставкой в Алматы, Астану и регионы

Техника доступна в:
Полный спектр услуг:
Для Вашего удобства:
Характеристики и описание
Габариты, схема
Техническая документация
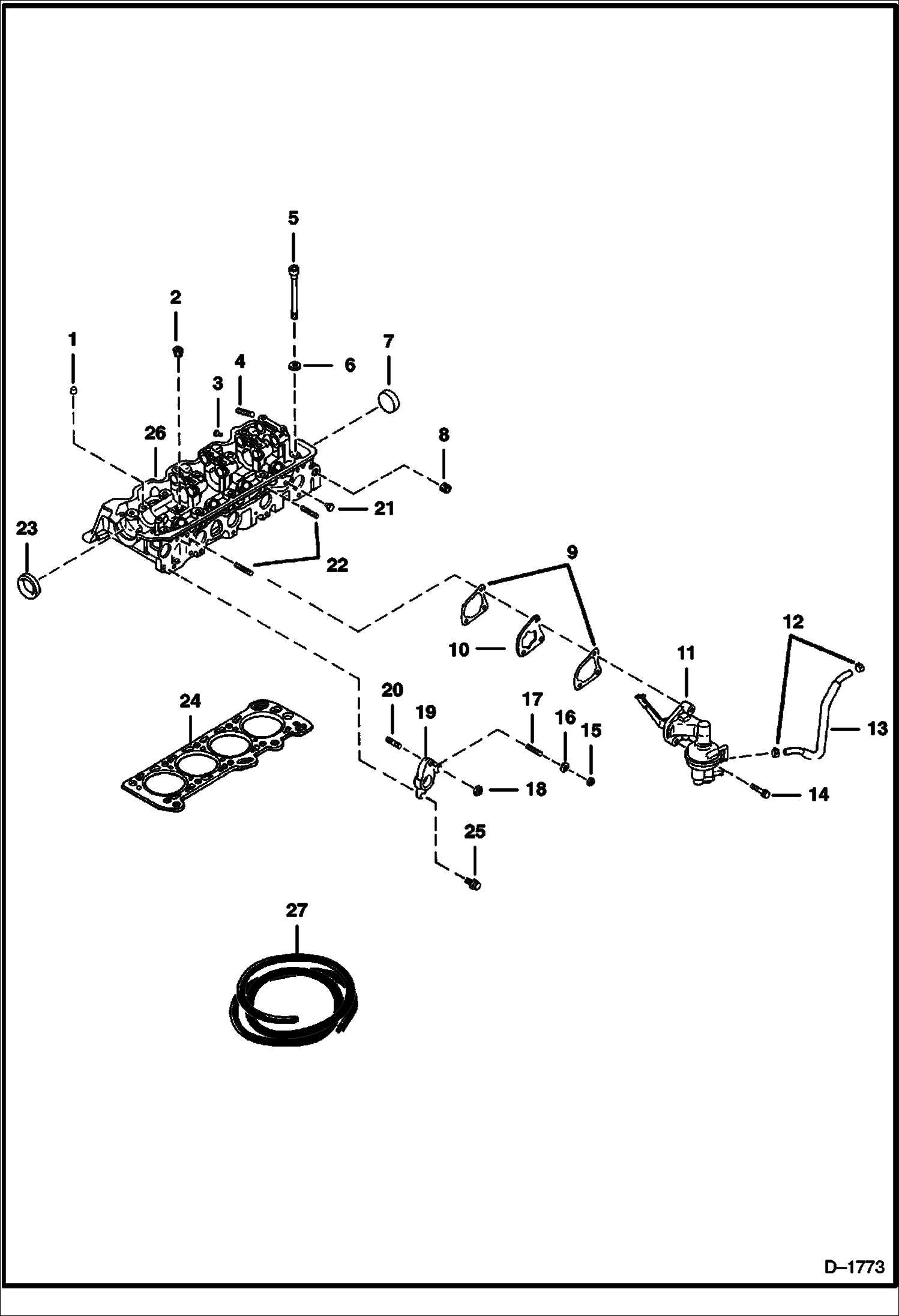
1 Артикул: 6632727, BUSHING
2 Артикул: 6632876, PLUG
3 Артикул: 6632653, PLUG
4 Артикул: 6632686, STUD
5 Артикул: 6632700, BOLT cyl. head
6 Артикул: 6632654, WASHER
7 Артикул: 6632652, PLUG
8 Артикул: 6632877, PLUG
9 Артикул: 6632711, GASKET fuel pump
10 Артикул: 6632687, INSULATOR
11 Артикул: 6632710, FUEL PUMP
12 Артикул: 42H6, HOSECLAM5 Was 17H000007B - A
13 Артикул: 6632875, HOSE
14 Артикул: COVER, COVER NLA - hose insulating 10-- (254 mm) - Order Ref. 27
15 Артикул: 6632826, BOLT
16 Артикул: 6643376, NUT
17 Артикул: WASHER, WASHER NLA
18 Артикул: 6632838, STUD
19 Артикул: 42DM8, NUT
20 Артикул: 6632699, BRACKET
21 Артикул: 6632870, STUD
22 Артикул: 6632736, PLUG
23 Артикул: 6632782, STUD
24 Артикул: 6632698, SEAL
25 Артикул: 6647755, GASKET head - Was 6632735 - A
26 Артикул: 29CM820, SCREW
27 Артикул: HEAD, HEAD See Illustration VALVES/ D1772 - NLA - cylinder - Order 6632847 head & (4) of 6651799 rocker arm - Was 6632847 - A
28 Артикул: HEAD, HEAD See Illustration VALVES/ D1772 NLA - cylinder - Was 6632847 - A
29 Артикул: 6563505, CONDUIT bulk-sold per foot - Order Feet Required

ГОЛОВКА БЛОКА ЦИЛИНДРОВ: Техника, которая работает на результат

ГОЛОВКА БЛОКА ЦИЛИНДРОВ на Bobcat 600s Bobcat 642 504025001 И ВЫШЕ

Габаритные размеры

Габаритные размеры и схема ГОЛОВКА БЛОКА ЦИЛИНДРОВ

Нажмите на схему для увеличения

Документация

Документация временно недоступна.

Похожая техника в категории: ЗАПЧАСТИ ДВИГАТЕЛЯ (Bobcat)

Спецтехника ВОЗДУШНЫЙ ФИЛЬТР

ВОЗДУШНЫЙ ФИЛЬТР

1Артикул: AIR, A...
2Артикул: TANK, ...
3Артикул: 664649...
Подробнее >
Спецтехника БЛОК ЦИЛИНДРОВ

БЛОК ЦИЛИНДРОВ

1Артикул: 663262...
2Артикул: 663262...
3Артикул: 663284...
Подробнее >
Спецтехника КАРДАННЫЙ ШАРНИР

КАРДАННЫЙ ШАРНИР

1Артикул: 659834...
2Артикул: 659830...
3Артикул: 520212...
Подробнее >
Спецтехника ПЕРЕДНЯЯ КРЫШКА И ПЕРЕДАЧИ

ПЕРЕДНЯЯ КРЫШКА И ПЕРЕДАЧИ

1Артикул: 29CM63...
2Артикул: 29CM62...
3Артикул: 663269...
Подробнее >
Спецтехника ДРОССЕЛЬНАЯ ЗАСЛОНКА И ВОЗДУШНАЯ ЗАСЛОНКА

ДРОССЕЛЬНАЯ ЗАСЛОНКА И ВОЗДУШНАЯ ЗАСЛОНКА

1Артикул: 656212...
2Артикул: 7D6, N...
3Артикул: 85D6, ...
Подробнее >
Спецтехника ВОДЯНАЯ ПОМПА

ВОДЯНАЯ ПОМПА

1Артикул: 29CM87...
2Артикул: BOLT, ...
3Артикул: 663282...
Подробнее >
Спецтехника КАРБЮРАТОР

КАРБЮРАТОР

1Артикул: CARBUR...
2Артикул: 6EM50,...
3Артикул: MTG., ...
Подробнее >
Спецтехника КОЛЕНЧАТЫЙ ВАЛ И ПОРШНИ

КОЛЕНЧАТЫЙ ВАЛ И ПОРШНИ

1Артикул: 663276...
2Артикул: 663276...
3Артикул: 663276...
Подробнее >
Спецтехника КОЛЛЕКТОР

КОЛЛЕКТОР

1Артикул: HEAD, ...
2Артикул: 663284...
3Артикул: MANIFO...
Подробнее >
Спецтехника КЛАПАННАЯ КРЫШКА

КЛАПАННАЯ КРЫШКА

1Артикул: 663270...
2Артикул: 663277...
3Артикул: BRACKE...
Подробнее >
Спецтехника РАСПРЕДЕЛИТЕЛЬНОЕ УСТРОЙСТВО

РАСПРЕДЕЛИТЕЛЬНОЕ УСТРОЙСТВО

1Артикул: 663261...
2Артикул: 663281...
3Артикул: CAP, C...
Подробнее >
Спецтехника КЛАПАНЫ

КЛАПАНЫ

1Артикул: 663272...
2Артикул: 29CM62...
3Артикул: 663269...
Подробнее >