+7 (701) 588 50 05 Телефон для связи
RU

WhatsApp

Позвонить

ЗАПЧАСТИ ДВИГАТЕЛЯ в Алматы

ВОЗДУШНЫЙ ФИЛЬТР

ВОЗДУШНЫЙ ФИЛЬТР

1Артикул: AIR, AIR CLEANER NLA - Ref. 2-8 - Was 6554912 - A
2Артикул: TANK, TANK NLA
3Артикул: 6646494, CARTRIDGE Was 889098B - A
Подробнее >
БЛОК ЦИЛИНДРОВ

БЛОК ЦИЛИНДРОВ

1Артикул: 6632626, DIPSTICK
2Артикул: 6632625, TUBE dipstick
3Артикул: 6632842, O-RING
Подробнее >
КАРДАННЫЙ ШАРНИР

КАРДАННЫЙ ШАРНИР

1Артикул: 6598347, U-JOINT Ref. 2-4, 9 & 12
2Артикул: 6598303, SPIDER rear
3Артикул: 5202123, COUPLING
Подробнее >
ПЕРЕДНЯЯ КРЫШКА И ПЕРЕДАЧИ

ПЕРЕДНЯЯ КРЫШКА И ПЕРЕДАЧИ

1Артикул: 29CM638, BOLT
2Артикул: 29CM620, SCREW
3Артикул: 6632693, COVER W/Ref. 4
Подробнее >
ДРОССЕЛЬНАЯ ЗАСЛОНКА И ВОЗДУШНАЯ ЗАСЛОНКА

ДРОССЕЛЬНАЯ ЗАСЛОНКА И ВОЗДУШНАЯ ЗАСЛОНКА

1Артикул: 6562127, WASHER
2Артикул: 7D6, NUT
3Артикул: 85D6, NUT, 5
Подробнее >
ГОЛОВКА БЛОКА ЦИЛИНДРОВ

ГОЛОВКА БЛОКА ЦИЛИНДРОВ

1Артикул: 6632727, BUSHING
2Артикул: 6632876, PLUG
3Артикул: 6632653, PLUG
Подробнее >
ВОДЯНАЯ ПОМПА

ВОДЯНАЯ ПОМПА

1Артикул: 29CM870, BOLT
2Артикул: BOLT, BOLT NLA - Was 29CM00855B - A
3Артикул: 6632822, WATER PUMP W/Ref. 4
Подробнее >
КАРБЮРАТОР

КАРБЮРАТОР

1Артикул: CARBURETOR, CARBURETOR WAS 6632616 - A
2Артикул: 6EM50, WASHER LOCK
3Артикул: MTG., MTG. PLATE NSS - bottom
Подробнее >
КОЛЕНЧАТЫЙ ВАЛ И ПОРШНИ

КОЛЕНЧАТЫЙ ВАЛ И ПОРШНИ

1Артикул: 6632763, BEARING rod (Std.)
2Артикул: 6632764, BEARING rod (0.25 mm)
3Артикул: 6632765, BEARING rod (0.50 mm)
Подробнее >
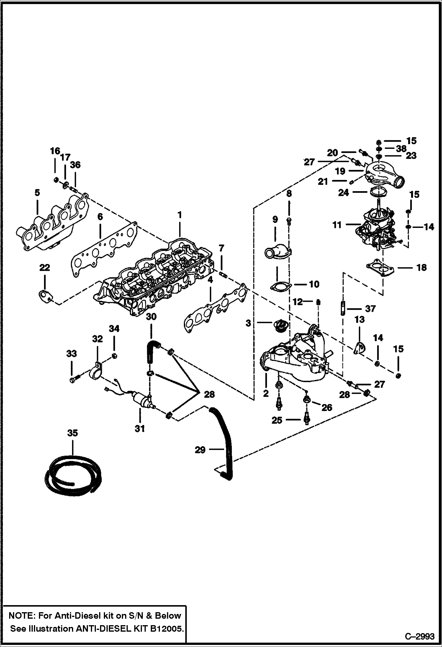
КОЛЛЕКТОР

КОЛЛЕКТОР

1Артикул: HEAD, HEAD See Illustration CYLINDER HEAD/ D1773
2Артикул: 6632849, MANIFOLD Intake - W/O Hole for Anti-Diesel Kit
3Артикул: MANIFOLD, MANIFOLD NLA - Intake - W/Hole for Anti-Diesel Kit - Order 6657405, Ref. 12 & 37 - Was 6653467 - A
Подробнее >
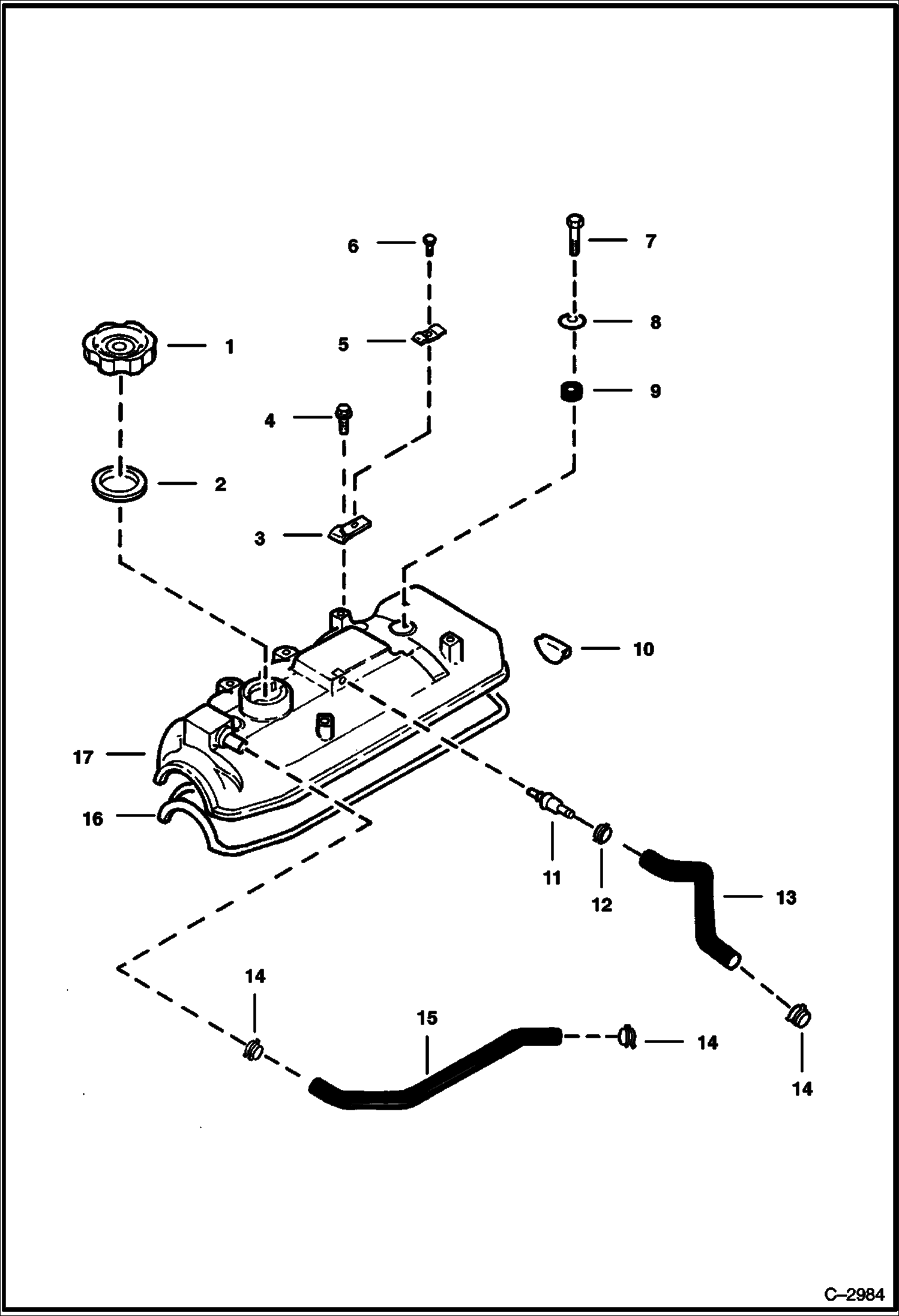
КЛАПАННАЯ КРЫШКА

КЛАПАННАЯ КРЫШКА

1Артикул: 6632701, CAP oil filler - W/Ref. 2
2Артикул: 6632773, GASKET
3Артикул: BRACKET, BRACKET NLA - was 6632678 - A
Подробнее >
РАСПРЕДЕЛИТЕЛЬНОЕ УСТРОЙСТВО

РАСПРЕДЕЛИТЕЛЬНОЕ УСТРОЙСТВО

1Артикул: 6632618, DISTRIBUTOR
2Артикул: 6632816, CAP W/Ref. 3 & 4
3Артикул: CAP, CAP NSS
Подробнее >
КЛАПАНЫ

КЛАПАНЫ

1Артикул: 6632728, BOLT head
2Артикул: 29CM620, SCREW
3Артикул: 6632696, SHAFT rocker - L.H.
Подробнее >
ДВИГАТЕЛЬ (MITSUBISHI 4G32)

ДВИГАТЕЛЬ (MITSUBISHI 4G32)

1Артикул: ENGINE, ENGINE NLA - Mitsubishi 4G32 - Does not include: flywheel, flywheel housing, fan, ring gear, rearplate, regulator, alternator, air cleaner, engine supports & starter motor - Was 6599765 - A
2Артикул: 6599765REM, ENGINE REMAN
3Артикул: SHORT, SHORT BLOCK NLA - Was 6632859 - A
Подробнее >
КРЮК РЕГУЛЯТОРА ОБОРОТОВ

КРЮК РЕГУЛЯТОРА ОБОРОТОВ

1Артикул: 6632521, GOVERNOR Hoof
2Артикул: 45G1212, BOLT
3Артикул: 6513934, WASHER
Подробнее >
ДВИГАТЕЛЬ И КРЕПЕЖНЫЕ ДЕТАЛИ

ДВИГАТЕЛЬ И КРЕПЕЖНЫЕ ДЕТАЛИ

1Артикул: 42H32, HS CLAMP5 Was 6518820 - D
2Артикул: 35C610, BOLT 5
3Артикул: 6562431, BRACKET
Подробнее >
КОММУТАЦИОННЫЙ ПРОВОД

КОММУТАЦИОННЫЙ ПРОВОД

1Артикул: 6632771, SUPPORT
2Артикул: 6632769, SUPPORT
3Артикул: 6632720, CABLE wire (#4)
Подробнее >