+7 (701) 588 50 05 Телефон для связи
RU

WhatsApp

Позвонить

ДВИГАТЕЛЬ И КРЕПЕЖНЫЕ ДЕТАЛИ — Продажа в Казахстане Цены от официального дилера с доставкой в Алматы, Астану и регионы

Техника доступна в:
Полный спектр услуг:
Для Вашего удобства:
Характеристики и описание
Габариты, схема
Техническая документация
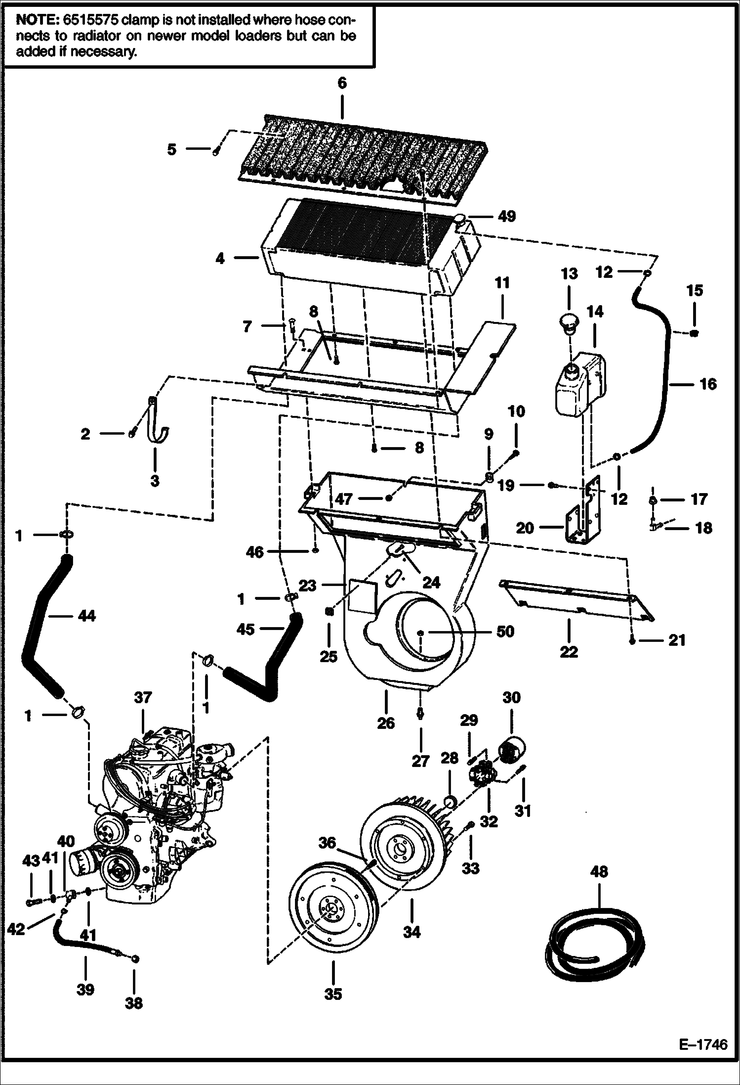
1 Артикул: 42H32, HS CLAMP5 Was 6518820 - D
2 Артикул: 35C610, BOLT 5
3 Артикул: 6562431, BRACKET
4 Артикул: 6571713, EXCHANGER, WATER RADIATOR
5 Артикул: 84G3712, BOLT 5
6 Артикул: 6567868, GRILL
7 Артикул: 6514571, BOLT
8 Артикул: 21C508, BOLT
9 Артикул: 774220, NUT spring
10 Артикул: 37C516, BOLT Was 6565089 - A
11 Артикул: 6578176, MOUNT Was 6562851 - A
12 Артикул: 42HS04, CLAMP, HOSE Was 6515575 - A
13 Артикул: 6702797, CAP Was 6558658 - A
14 Артикул: TANK, TANK NLA - Without Barbed Fitting - Order 6576660 - Was 6562509 - A
15 Артикул: 6576660, TANK, WATER COOLANT W/bottom molded barbed elbow
16 Артикул: 6519484, GROMMET
17 Артикул: HOSE, HOSE NLA - 26-- (660,4 mm) - Order Ref. 48
18 Артикул: 6553411, BUSHING 0.38-- ID
19 Артикул: 6553412, ELBOW Not used with 6576660 tank
20 Артикул: 84G3716, SCREW 5
21 Артикул: 6709415, MOUNT Was 6571814 - A
22 Артикул: 6565418, SCREW wing - Was 35C000512B - B
23 Артикул: 6563590, COVER Was 6563520 - D
24 Артикул: INSULATION, INSULATION Was 6564595 - A
25 Артикул: 6555293, NAIL
26 Артикул: CLIP, CLIP NLA - Was 6555294 - A
27 Артикул: 6571706, HOUSING
28 Артикул: 6575683, HOUSING
29 Артикул: RIVET, RIVET NLA - Order 35C000620B and 59D000006B - Was 1316539 - A
30 Артикул: 35C620, BOLT 5
31 Артикул: 6558410, PLUG
32 Артикул: 94G512, BOLTS 5
33 Артикул: YOKE, YOKE See Illustration UNIVERSAL JOINT/ B18348
34 Артикул: 94G516, BOLT 5
35 Артикул: JOINT, JOINT See Illustration UNIVERSAL JOINT/ B18348 UNIVERSAL
36 Артикул: 17C528, BOLT
37 Артикул: 6565466, BLOWER
38 Артикул: 6571677, FLYWHEEL W/1-6632467 Ring Gear
39 Артикул: 6632467, RING GEAR
40 Артикул: 6632613, BOLT
41 Артикул: ENGINE, ENGINE See Illustration ENGINE/ B18363 MITSUBISHI
42 Артикул: 36K7, FITTING
43 Артикул: 6575709, HOSE Was 6571905 - A
44 Артикул: ELBOW, ELBOW NLA - Was 6632628
45 Артикул: 6632630, WASHER
46 Артикул: 42H8, HOSE CLAMP 5
47 Артикул: BOLT,, BOLT, EYE NLA - Was 6632629 - A
48 Артикул: 6571683, HOSE
49 Артикул: 6571682, HOSE
50 Артикул: 57D6, NUT 5
51 Артикул: 83D5, NUT 5
52 Артикул: 6577822, HOSE sold per foot - Was 6562515 - A
53 Артикул: 6666606, RADIATOR CAP radiator - Was 6630156 - A
54 Артикул: 59D6, NUT

ДВИГАТЕЛЬ И КРЕПЕЖНЫЕ ДЕТАЛИ: Техника, которая работает на результат

ДВИГАТЕЛЬ И КРЕПЕЖНЫЕ ДЕТАЛИ на Bobcat 600s Bobcat 642 504025001 И ВЫШЕ

Габаритные размеры

Габаритные размеры и схема ДВИГАТЕЛЬ И КРЕПЕЖНЫЕ ДЕТАЛИ

Нажмите на схему для увеличения

Документация

Документация временно недоступна.

Похожая техника в категории: ЗАПЧАСТИ ДВИГАТЕЛЯ (Bobcat)

Спецтехника ВОЗДУШНЫЙ ФИЛЬТР

ВОЗДУШНЫЙ ФИЛЬТР

1Артикул: AIR, A...
2Артикул: TANK, ...
3Артикул: 664649...
Подробнее >
Спецтехника БЛОК ЦИЛИНДРОВ

БЛОК ЦИЛИНДРОВ

1Артикул: 663262...
2Артикул: 663262...
3Артикул: 663284...
Подробнее >
Спецтехника КАРДАННЫЙ ШАРНИР

КАРДАННЫЙ ШАРНИР

1Артикул: 659834...
2Артикул: 659830...
3Артикул: 520212...
Подробнее >
Спецтехника ПЕРЕДНЯЯ КРЫШКА И ПЕРЕДАЧИ

ПЕРЕДНЯЯ КРЫШКА И ПЕРЕДАЧИ

1Артикул: 29CM63...
2Артикул: 29CM62...
3Артикул: 663269...
Подробнее >
Спецтехника ДРОССЕЛЬНАЯ ЗАСЛОНКА И ВОЗДУШНАЯ ЗАСЛОНКА

ДРОССЕЛЬНАЯ ЗАСЛОНКА И ВОЗДУШНАЯ ЗАСЛОНКА

1Артикул: 656212...
2Артикул: 7D6, N...
3Артикул: 85D6, ...
Подробнее >
Спецтехника ГОЛОВКА БЛОКА ЦИЛИНДРОВ

ГОЛОВКА БЛОКА ЦИЛИНДРОВ

1Артикул: 663272...
2Артикул: 663287...
3Артикул: 663265...
Подробнее >
Спецтехника ВОДЯНАЯ ПОМПА

ВОДЯНАЯ ПОМПА

1Артикул: 29CM87...
2Артикул: BOLT, ...
3Артикул: 663282...
Подробнее >
Спецтехника КАРБЮРАТОР

КАРБЮРАТОР

1Артикул: CARBUR...
2Артикул: 6EM50,...
3Артикул: MTG., ...
Подробнее >
Спецтехника КОЛЕНЧАТЫЙ ВАЛ И ПОРШНИ

КОЛЕНЧАТЫЙ ВАЛ И ПОРШНИ

1Артикул: 663276...
2Артикул: 663276...
3Артикул: 663276...
Подробнее >
Спецтехника КОЛЛЕКТОР

КОЛЛЕКТОР

1Артикул: HEAD, ...
2Артикул: 663284...
3Артикул: MANIFO...
Подробнее >
Спецтехника КЛАПАННАЯ КРЫШКА

КЛАПАННАЯ КРЫШКА

1Артикул: 663270...
2Артикул: 663277...
3Артикул: BRACKE...
Подробнее >
Спецтехника РАСПРЕДЕЛИТЕЛЬНОЕ УСТРОЙСТВО

РАСПРЕДЕЛИТЕЛЬНОЕ УСТРОЙСТВО

1Артикул: 663261...
2Артикул: 663281...
3Артикул: CAP, C...
Подробнее >