+7 (701) 588 50 05 Телефон для связи
RU

WhatsApp

Позвонить

КРЮК РЕГУЛЯТОРА ОБОРОТОВ — Продажа в Казахстане Цены от официального дилера с доставкой в Алматы, Астану и регионы

Техника доступна в:
Полный спектр услуг:
Для Вашего удобства:
Характеристики и описание
Габариты, схема
Техническая документация
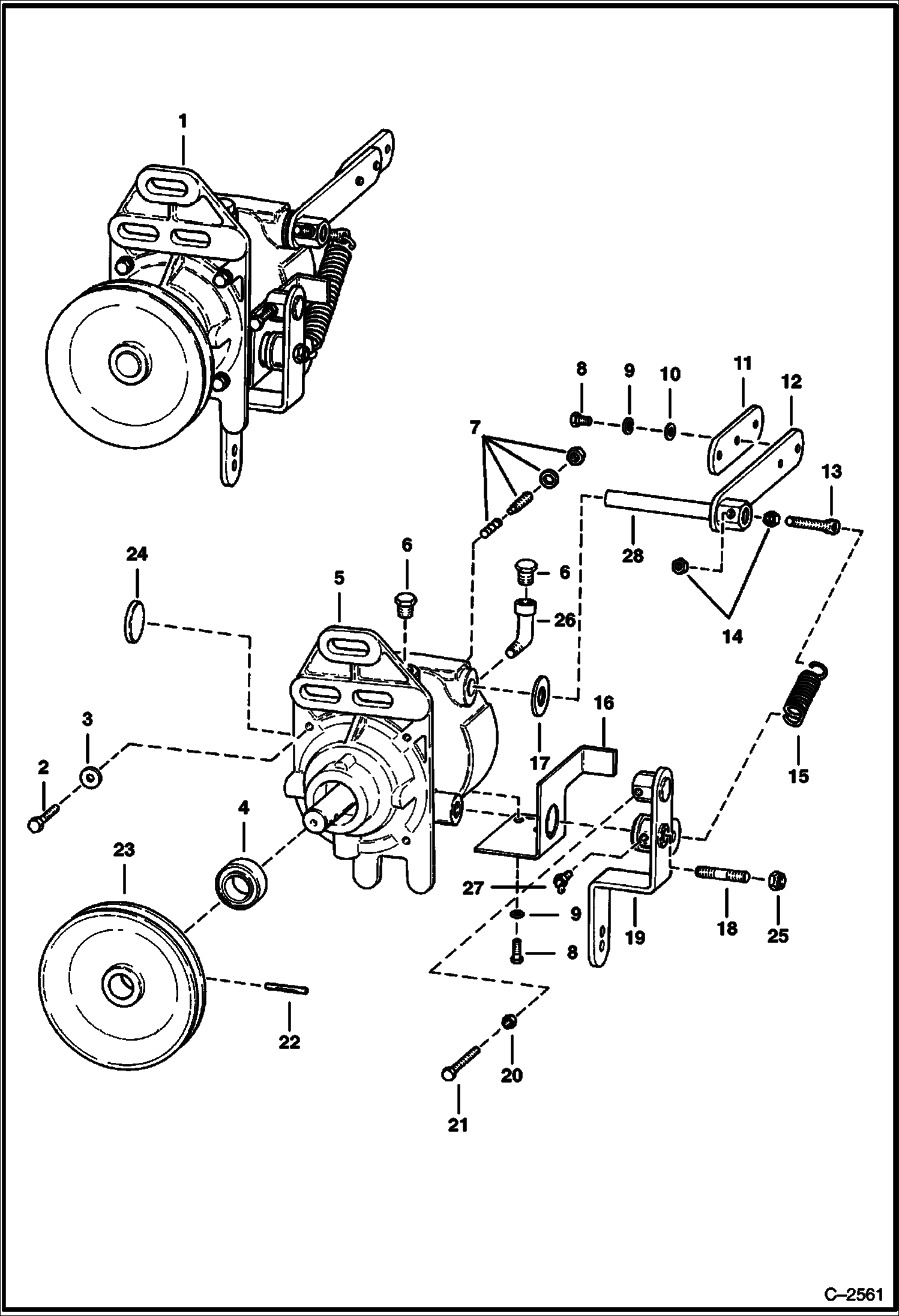
1 Артикул: 6632521, GOVERNOR Hoof
2 Артикул: 45G1212, BOLT
3 Артикул: 6513934, WASHER
4 Артикул: 6513952, SEAL
5 Артикул: HOUSING, HOUSING NSS - Order Ref. 1
6 Артикул: 40K2, PLUG
7 Артикул: BUMPER, BUMPER NLA - Was 958509 - A
8 Артикул: 17C408, BOLT
9 Артикул: 4E4, WASHER
10 Артикул: FLATWASHX, FLATWASHX NLA - Was 6513937 - A
11 Артикул: 6513936, LEVER
12 Артикул: LEVER, LEVER NLA - Was 6513935 - A
13 Артикул: EYEBOLT, EYEBOLT NLA - Was 6513953 - A
14 Артикул: 62D5, NUT
15 Артикул: SPRING, SPRING NLA - Was 6513938 - A
16 Артикул: BRACKET, BRACKET NLA - Was 6513940 - A
17 Артикул: 897700, SEAL
18 Артикул: 6652878, STUD Was 6513955 - A
19 Артикул: LEVER, LEVER NLA - Was 6664289 - A
20 Артикул: 8D4, NUT
21 Артикул: 6513956, SCREW
22 Артикул: 685218, PIN
23 Артикул: 6513933, PULLEY
24 Артикул: 12F13, PLUG welch
25 Артикул: 6652879, NUT
26 Артикул: 26F1, PIPE FITG
27 Артикул: 11H25, FITTING10
28 Артикул: SHAFT, SHAFT NLA - Was 6630890 - A

КРЮК РЕГУЛЯТОРА ОБОРОТОВ: Техника, которая работает на результат

КРЮК РЕГУЛЯТОРА ОБОРОТОВ на Bobcat 600s Bobcat 642 504025001 И ВЫШЕ

Габаритные размеры

Габаритные размеры и схема КРЮК РЕГУЛЯТОРА ОБОРОТОВ

Нажмите на схему для увеличения

Документация

Документация временно недоступна.

Похожая техника в категории: ЗАПЧАСТИ ДВИГАТЕЛЯ (Bobcat)

Спецтехника ВОЗДУШНЫЙ ФИЛЬТР

ВОЗДУШНЫЙ ФИЛЬТР

1Артикул: AIR, A...
2Артикул: TANK, ...
3Артикул: 664649...
Подробнее >
Спецтехника БЛОК ЦИЛИНДРОВ

БЛОК ЦИЛИНДРОВ

1Артикул: 663262...
2Артикул: 663262...
3Артикул: 663284...
Подробнее >
Спецтехника КАРДАННЫЙ ШАРНИР

КАРДАННЫЙ ШАРНИР

1Артикул: 659834...
2Артикул: 659830...
3Артикул: 520212...
Подробнее >
Спецтехника ПЕРЕДНЯЯ КРЫШКА И ПЕРЕДАЧИ

ПЕРЕДНЯЯ КРЫШКА И ПЕРЕДАЧИ

1Артикул: 29CM63...
2Артикул: 29CM62...
3Артикул: 663269...
Подробнее >
Спецтехника ДРОССЕЛЬНАЯ ЗАСЛОНКА И ВОЗДУШНАЯ ЗАСЛОНКА

ДРОССЕЛЬНАЯ ЗАСЛОНКА И ВОЗДУШНАЯ ЗАСЛОНКА

1Артикул: 656212...
2Артикул: 7D6, N...
3Артикул: 85D6, ...
Подробнее >
Спецтехника ГОЛОВКА БЛОКА ЦИЛИНДРОВ

ГОЛОВКА БЛОКА ЦИЛИНДРОВ

1Артикул: 663272...
2Артикул: 663287...
3Артикул: 663265...
Подробнее >
Спецтехника ВОДЯНАЯ ПОМПА

ВОДЯНАЯ ПОМПА

1Артикул: 29CM87...
2Артикул: BOLT, ...
3Артикул: 663282...
Подробнее >
Спецтехника КАРБЮРАТОР

КАРБЮРАТОР

1Артикул: CARBUR...
2Артикул: 6EM50,...
3Артикул: MTG., ...
Подробнее >
Спецтехника КОЛЕНЧАТЫЙ ВАЛ И ПОРШНИ

КОЛЕНЧАТЫЙ ВАЛ И ПОРШНИ

1Артикул: 663276...
2Артикул: 663276...
3Артикул: 663276...
Подробнее >
Спецтехника КОЛЛЕКТОР

КОЛЛЕКТОР

1Артикул: HEAD, ...
2Артикул: 663284...
3Артикул: MANIFO...
Подробнее >
Спецтехника КЛАПАННАЯ КРЫШКА

КЛАПАННАЯ КРЫШКА

1Артикул: 663270...
2Артикул: 663277...
3Артикул: BRACKE...
Подробнее >
Спецтехника РАСПРЕДЕЛИТЕЛЬНОЕ УСТРОЙСТВО

РАСПРЕДЕЛИТЕЛЬНОЕ УСТРОЙСТВО

1Артикул: 663261...
2Артикул: 663281...
3Артикул: CAP, C...
Подробнее >