+7 (701) 588 50 05 Телефон для связи
RU

WhatsApp

Позвонить

ГОЛОВКА БЛОКА ЦИЛИНДРОВ — Продажа в Казахстане Цены от официального дилера с доставкой в Алматы, Астану и регионы

Техника доступна в:
Полный спектр услуг:
Для Вашего удобства:
Характеристики и описание
Габариты, схема
Техническая документация
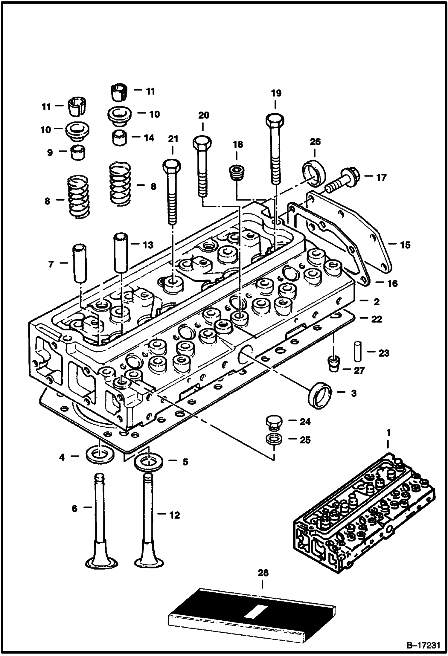
1 Артикул: 6672181, HEAD Assembly - W/Ref. 2-19
2 Артикул: HEAD, HEAD NSS - Order Ref. 1
3 Артикул: 3490716, PLUG
4 Артикул: 6670888, INSERT Inlet Valve Seat
5 Артикул: 6670889, INSERT Exhaust
6 Артикул: 6670890, VALVE Inlet
7 Артикул: 6670891, GUIDE Valve - Inlet
8 Артикул: 6670892, SPRING Inlet, Exhaust
9 Артикул: 6670893, SEAL Inlet, Exhaust
10 Артикул: 6670894, CAP Inlet, Exhaust
11 Артикул: 6670895, COTTER Inlet, Exhaust
12 Артикул: 6670896, VALVE Exhaust
13 Артикул: 6670897, GUIDE Valve - Exhaust
14 Артикул: 6671645, SEAL Inlet, Exhaust
15 Артикул: 6670900, COVER
16 Артикул: 6674362, GASKET
17 Артикул: 6668487, SCREW
18 Артикул: 6514963, PLUG
19 Артикул: 6668243, BOLT
20 Артикул: 6668244, BOLT
21 Артикул: 6668245, BOLT
22 Артикул: 6670905, GASKET Head -used only when dowel pins are not needed
23 Артикул: 6672182, GASKET Head - used only when dowel pins are needed
24 Артикул: 6672287, PIN Dowel
25 Артикул: 3490713, PLUG
26 Артикул: 3490223, WASHER
27 Артикул: 6668209, PLUG
28 Артикул: 6672271, PIN dowel
29 Артикул: 6672167, GASKET KIT upper
30 Артикул: 6672166, GASKET KIT lower

ГОЛОВКА БЛОКА ЦИЛИНДРОВ: Техника, которая работает на результат

ГОЛОВКА БЛОКА ЦИЛИНДРОВ на Bobcat 900s Bobcat 963 516515001 И ВЫШЕ, 562215001 И ВЫШЕ

Габаритные размеры

Габаритные размеры и схема ГОЛОВКА БЛОКА ЦИЛИНДРОВ

Нажмите на схему для увеличения

Документация

Документация временно недоступна.

Похожая техника в категории: ЗАПЧАСТИ ДВИГАТЕЛЯ (Bobcat)

Спецтехника КОЛЛЕКТОР

КОЛЛЕКТОР

1Артикул: MANIFO...
2Артикул: 667278...
3Артикул: 667094...
Подробнее >
Спецтехника ОСЬ КЛАПАННОГО КОРОМЫСЛА

ОСЬ КЛАПАННОГО КОРОМЫСЛА

1Артикул: 667090...
2Артикул: 667090...
3Артикул: SHAFT,...
Подробнее >
Спецтехника БЛОК ЦИЛИНДРОВ

БЛОК ЦИЛИНДРОВ

1Артикул: 667087...
2Артикул: 667218...
3Артикул: CAP, C...
Подробнее >
Спецтехника КОМПЛЕКТ НИЖНИХ ПРОКЛАДОК

КОМПЛЕКТ НИЖНИХ ПРОКЛАДОК

1Артикул: ENGINE...
2Артикул: 666959...
3Артикул: 667227...
Подробнее >
Спецтехника МАСЛЯНЫЙ НАСОС - ПЕРЕПУСКНОЙ КЛАПАН

МАСЛЯНЫЙ НАСОС - ПЕРЕПУСКНОЙ КЛАПАН

1Артикул: 666827...
2Артикул: 667091...
3Артикул: 666828...
Подробнее >
Спецтехника ДРОССЕЛЬНАЯ ЗАСЛОНКА

ДРОССЕЛЬНАЯ ЗАСЛОНКА

1Артикул: 656445...
2Артикул: 670545...
3Артикул: 35C610...
Подробнее >
Спецтехника ФИЛЬТР ДЛЯ ТОПЛИВА - ЗАПАСНЫЕ ЧАСТИ

ФИЛЬТР ДЛЯ ТОПЛИВА - ЗАПАСНЫЕ ЧАСТИ

1Артикул: 667099...
2Артикул: HEAD, ...
3Артикул: 666864...
Подробнее >
Спецтехника ПОДКАЧКА ТОПЛИВА ДЛЯ НАСОСА - ЗАПАСНЫЕ ЧАСТИ

ПОДКАЧКА ТОПЛИВА ДЛЯ НАСОСА - ЗАПАСНЫЕ ЧАСТИ

1Артикул: 667100...
2Артикул: HEAD, ...
3Артикул: 666864...
Подробнее >
Спецтехника ПОДКАЧКА ТОПЛИВА ДЛЯ НАСОСА (ЖЕЛОБОК ДЛЯ СБОРА ВОДЫ)

ПОДКАЧКА ТОПЛИВА ДЛЯ НАСОСА (ЖЕЛОБОК ДЛЯ СБОРА ВОДЫ)

1Артикул: 667100...
2Артикул: HOUSIN...
3Артикул: 651568...
Подробнее >
Спецтехника МАСЛОЗАЛИВНАЯ ГОРЛОВИНА - КРЫШКА БЕНЗОБАКА

МАСЛОЗАЛИВНАЯ ГОРЛОВИНА - КРЫШКА БЕНЗОБАКА

1Артикул: 666850...
2Артикул: FILLER...
3Артикул: 666850...
Подробнее >
Спецтехника ВОДЯНАЯ ПОМПА

ВОДЯНАЯ ПОМПА

1Артикул: 667278...
2Артикул: BODY, ...
3Артикул: SHAFT,...
Подробнее >
Спецтехника ВОЗДУШНЫЙ ФИЛЬТР

ВОЗДУШНЫЙ ФИЛЬТР

1Артикул: ASSY,,...
2Артикул: 668147...
3Артикул: 668147...
Подробнее >