+7 (701) 588 50 05 Телефон для связи
RU

WhatsApp

Позвонить

ГОЛОВКА БЛОКА ЦИЛИНДРОВ — Продажа в Казахстане Цены от официального дилера с доставкой в Алматы, Астану и регионы

Техника доступна в:
Полный спектр услуг:
Для Вашего удобства:
Характеристики и описание
Габариты, схема
Техническая документация
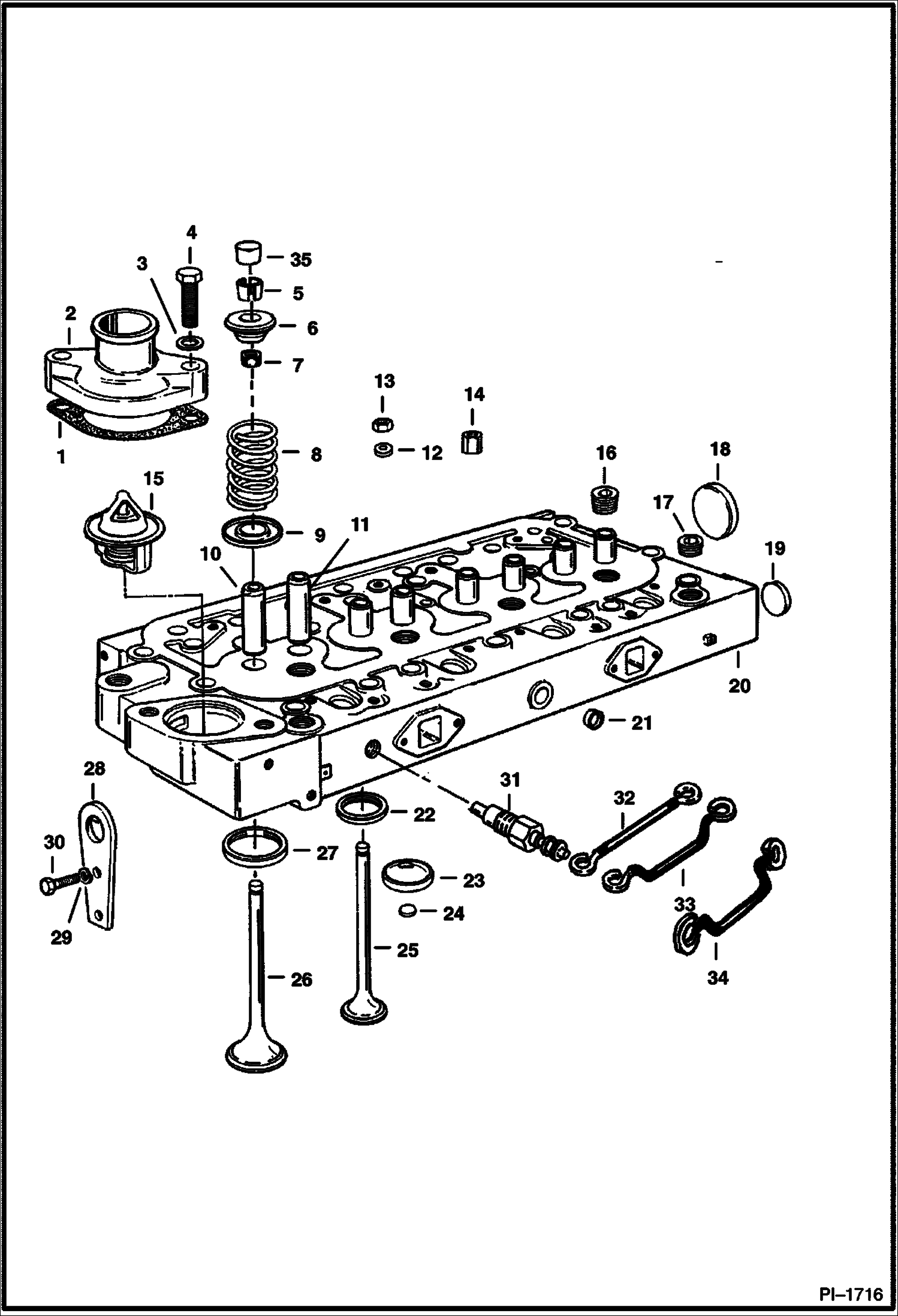
1 Артикул: 6668031, GASKET Was 3725791B - A
2 Артикул: 3679233, CONNECTOR
3 Артикул: 3490721, WASHER
4 Артикул: BOLT, BOLT NLA - Was 18C000646B - A
5 Артикул: 3490711, INSERT
6 Артикул: 6510336, CAP
7 Артикул: SEAL, SEAL NLA - Use W/Ref. 26 (NLA/ 6510333 valve) - Was 6510607 - A
8 Артикул: SEAL, SEAL NLA - Use W/Ref. 26 (NLA/ 6677205 valve) - Was 6677206 - A
9 Артикул: 6510334, SPRING
10 Артикул: SEAT, SEAT NLA - Was 6510335 - A
11 Артикул: 6510293, GUIDE
12 Артикул: 3490279, GUIDE
13 Артикул: WASHER, WASHER NLA - Was 6510291 - A
14 Артикул: 62D7, NUT
15 Артикул: NUT, NUT NLA - Was 6510289 - A
16 Артикул: 3480303, THERMOSTA
17 Артикул: 16F6, PLUG
18 Артикул: 16F8, PLUG
19 Артикул: 3726064, PLUG Was 3725064 - D
20 Артикул: PLUG, PLUG NLA - Was 6510545 - A
21 Артикул: HEAD, HEAD NLA - cylinder - bare - Was 3734807 - A
22 Артикул: HEAD, HEAD NLA - Cylinder - Glow Plug - W/Ref. 10,11,16-19, 23 & 24 - Was 6598296 - A
23 Артикул: HEAD,, HEAD, PERKINS 4.108 NLA - Was 6598296REM - A
24 Артикул: PLUG, PLUG NLA - water jacket - Was 6510546 - A
25 Артикул: INSERT, INSERT NLA - exhaust valve - Optional - Was 6510337 - A
26 Артикул: INSERT, INSERT combustion chamber NLA - combustion chamber - Was 6510286 - A
27 Артикул: 6510287, WASHER
28 Артикул: 6510332, VALVE Exhaust
29 Артикул: VALVE, VALVE NLA - Inlet - Order 6677205 & 6677206 - Was 6510333 - A
30 Артикул: INLET, INLET VALVE NLA - Was 6677205 - A
31 Артикул: INSERT, INSERT NLA - intake valve - Optional - Was 6510338 - A
32 Артикул: PLATE, PLATE NLA - lifting - Was 6510340 - A
33 Артикул: 18C618, BOLT
34 Артикул: 4E6, WASHER
35 Артикул: 3736961, GLOW PLUG See Illustration MANIFOLDS/ PI1719 FOR S/N & BELOW
36 Артикул: BAR, BAR NLA - Order Ref. 34 - Was 3736963B - A
37 Артикул: BAR, BAR NLA - Order Ref. 34 - Was 3736962B - A
38 Артикул: BAR, BAR NLA - Was 6669264 - A
39 Артикул: CAP, CAP NLA - Was 6599271 - A

ГОЛОВКА БЛОКА ЦИЛИНДРОВ: Техника, которая работает на результат

ГОЛОВКА БЛОКА ЦИЛИНДРОВ на Bobcat 800s Bobcat 825 4958M11001 И ВЫШЕ

Габаритные размеры

Габаритные размеры и схема ГОЛОВКА БЛОКА ЦИЛИНДРОВ

Нажмите на схему для увеличения

Документация

Документация временно недоступна.

Похожая техника в категории: ЗАПЧАСТИ ДВИГАТЕЛЯ (Bobcat)

Спецтехника КЛАПАННАЯ КРЫШКА И ТОЛКАТЕЛЬ В СБОРЕ

КЛАПАННАЯ КРЫШКА И ТОЛКАТЕЛЬ В СБОРЕ

1Артикул: 651036...
2Артикул: CAP, C...
3Артикул: 372583...
Подробнее >
Спецтехника КАРТЕР МАХОВИКА

КАРТЕР МАХОВИКА

1Артикул: 62D5, ...
2Артикул: 4E5, W...
3Артикул: 651950...
Подробнее >
Спецтехника СМАЗОЧНАЯ СИСТЕМА ДВИГАТЕЛЯ

СМАЗОЧНАЯ СИСТЕМА ДВИГАТЕЛЯ

1Артикул: PUMP, ...
2Артикул: CAP, C...
3Артикул: 372761...
Подробнее >
Спецтехника ДРОССЕЛЬНАЯ ЗАСЛОНКА

ДРОССЕЛЬНАЯ ЗАСЛОНКА

1Артикул: 17C856...
2Артикул: 654365...
3Артикул: 654364...
Подробнее >
Спецтехника КОЛЕНЧАТЫЙ ВАЛ

КОЛЕНЧАТЫЙ ВАЛ

1Артикул: RING, ...
2Артикул: RINGS,...
3Артикул: 659894...
Подробнее >
Спецтехника ВОЗДУШНЫЙ ФИЛЬТР

ВОЗДУШНЫЙ ФИЛЬТР

1Артикул: AIR, A...
2Артикул: CLAMP,...
3Артикул: 654317...
Подробнее >
Спецтехника ДВИГАТЕЛЬ

ДВИГАТЕЛЬ

1Артикул: ENGINE...
2Артикул: ENGINE...
3Артикул: 651025...
Подробнее >
Спецтехника ДВИГАТЕЛЬ И КРЕПЕЖНЫЕ ДЕТАЛИ

ДВИГАТЕЛЬ И КРЕПЕЖНЫЕ ДЕТАЛИ

1Артикул: ENGINE...
2Артикул: ENGINE...
3Артикул: 17C516...
Подробнее >
Спецтехника КОЛЛЕКТОР

КОЛЛЕКТОР

1Артикул: 4E5, W...
2Артикул: 18C520...
3Артикул: 18C532...
Подробнее >
Спецтехника БЛОК ЦИЛИНДРОВ

БЛОК ЦИЛИНДРОВ

1Артикул: 41K4, ...
2Артикул: 651032...
3Артикул: BEARIN...
Подробнее >
Спецтехника ТОПЛИВОПОДКАЧИВАЮЩИЙ НАСОС

ТОПЛИВОПОДКАЧИВАЮЩИЙ НАСОС

1Артикул: 373924...
2Артикул: REPAIR...
3Артикул: 651028...
Подробнее >
Спецтехника КОМПЛЕКТ ПРОКЛАДОК ДВИГАТЕЛЯS

КОМПЛЕКТ ПРОКЛАДОК ДВИГАТЕЛЯS

1Артикул: 651178...
2Артикул: KIT, K...
3Артикул: 651178...
Подробнее >