+7 (701) 588 50 05 Телефон для связи
RU

WhatsApp

Позвонить

ЗАПЧАСТИ ДВИГАТЕЛЯ в Алматы

КЛАПАННАЯ КРЫШКА И ТОЛКАТЕЛЬ В СБОРЕ

КЛАПАННАЯ КРЫШКА И ТОЛКАТЕЛЬ В СБОРЕ

1Артикул: 6510363, GASKET
2Артикул: CAP, CAP NLA - W/Ref. 1 - Was 6510362 - A
3Артикул: 3725838, NUT
Подробнее >
КАРТЕР МАХОВИКА

КАРТЕР МАХОВИКА

1Артикул: 62D5, NUT
2Артикул: 4E5, WASHER
3Артикул: 6519505, STUD
Подробнее >
СМАЗОЧНАЯ СИСТЕМА ДВИГАТЕЛЯ

СМАЗОЧНАЯ СИСТЕМА ДВИГАТЕЛЯ

1Артикул: PUMP, PUMP NLA - engine oil - W/Ref. 2-5 - Was 6511305 - A
2Артикул: CAP, CAP NLA - Was 3725927B - A
3Артикул: 3727612, SPRING
Подробнее >
ДРОССЕЛЬНАЯ ЗАСЛОНКА

ДРОССЕЛЬНАЯ ЗАСЛОНКА

1Артикул: 17C856, BOLT
2Артикул: 6543652, PLATE
3Артикул: 6543648, SPACER
Подробнее >
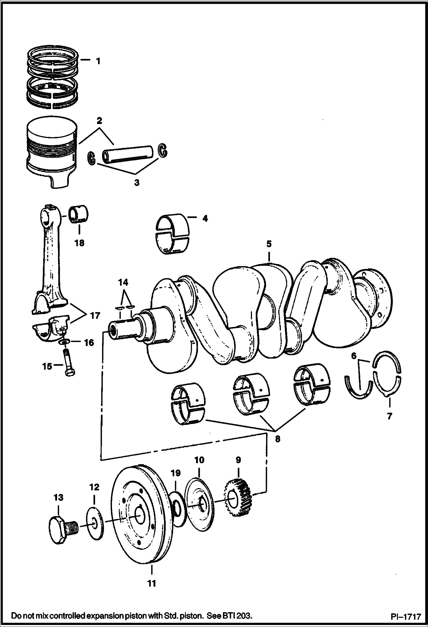
КОЛЕНЧАТЫЙ ВАЛ

КОЛЕНЧАТЫЙ ВАЛ

1Артикул: RING, RING PACK See BTI203 NLA - for one piston - std. - Was 6510359 - A
2Артикул: RINGS, RINGS See BTI203 NLA - Was 6666337 - A
3Артикул: 6598944, RING See BTI203 controlled expansion - for 1 piston
Подробнее >
ВОЗДУШНЫЙ ФИЛЬТР

ВОЗДУШНЫЙ ФИЛЬТР

1Артикул: AIR, AIR CLEANER NLA - Ref. 5 - 11 - Was 6512564 - A
2Артикул: CLAMP, CLAMP NLA - Was 6519521 - A
3Артикул: 6543171, EXTENSION
Подробнее >
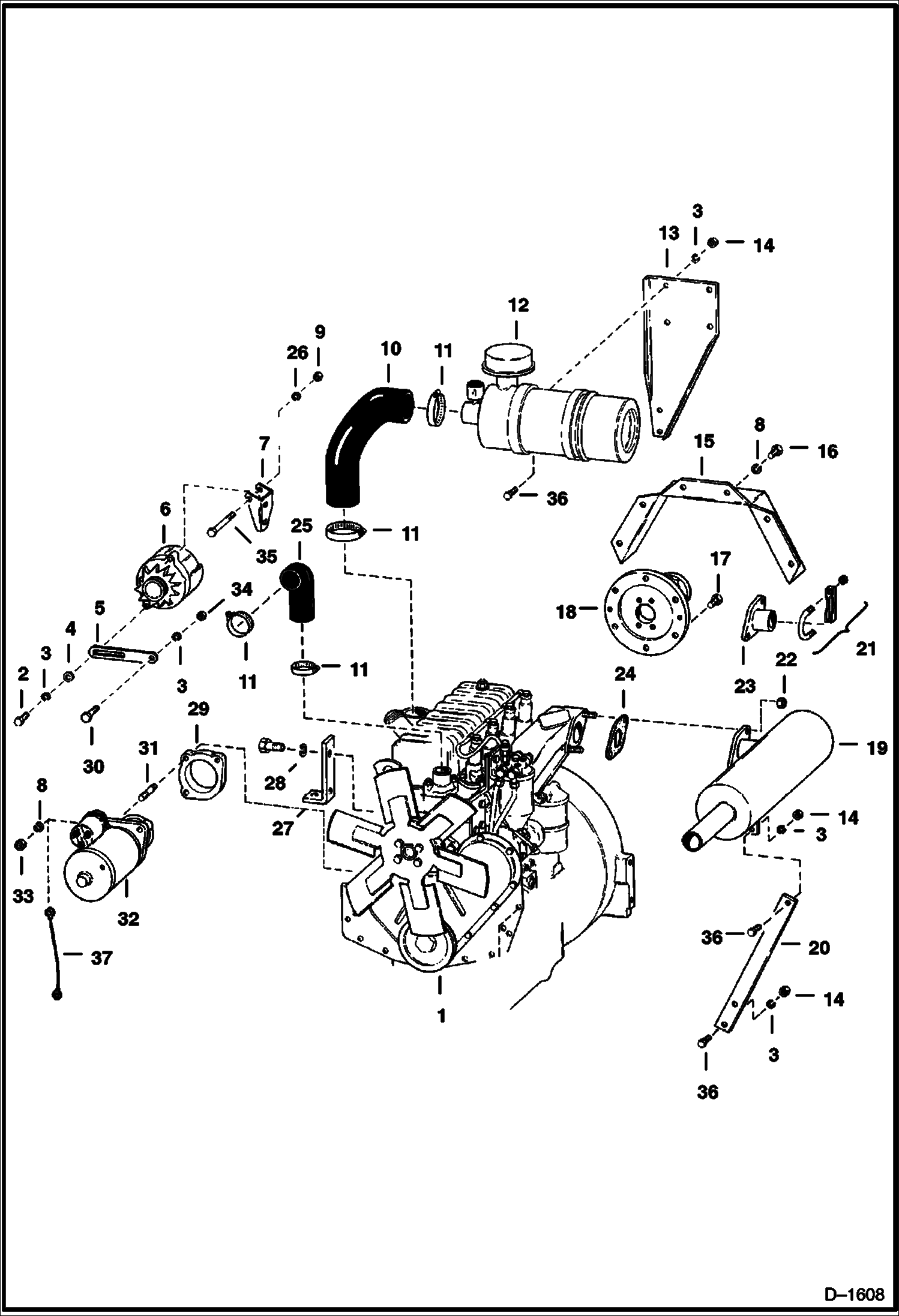
ДВИГАТЕЛЬ

ДВИГАТЕЛЬ

1Артикул: ENGINE, ENGINE NLA - Perkins 4.108 Diesel - Was 6541447REM - A
2Артикул: ENGINE, ENGINE NLA - Perkins (Does Not Include starter, alternator & pulley & alternator belt - Use Short Block 6511788) - Was 6564095 - A
3Артикул: 6510259, BLOCK
Подробнее >
ДВИГАТЕЛЬ И КРЕПЕЖНЫЕ ДЕТАЛИ

ДВИГАТЕЛЬ И КРЕПЕЖНЫЕ ДЕТАЛИ

1Артикул: ENGINE, ENGINE See BTI187 NLA - PERKINS 4.108 DIESEL
2Артикул: ENGINE, ENGINE See Illustration ENGINE/ B14041
3Артикул: 17C516, BOLT
Подробнее >
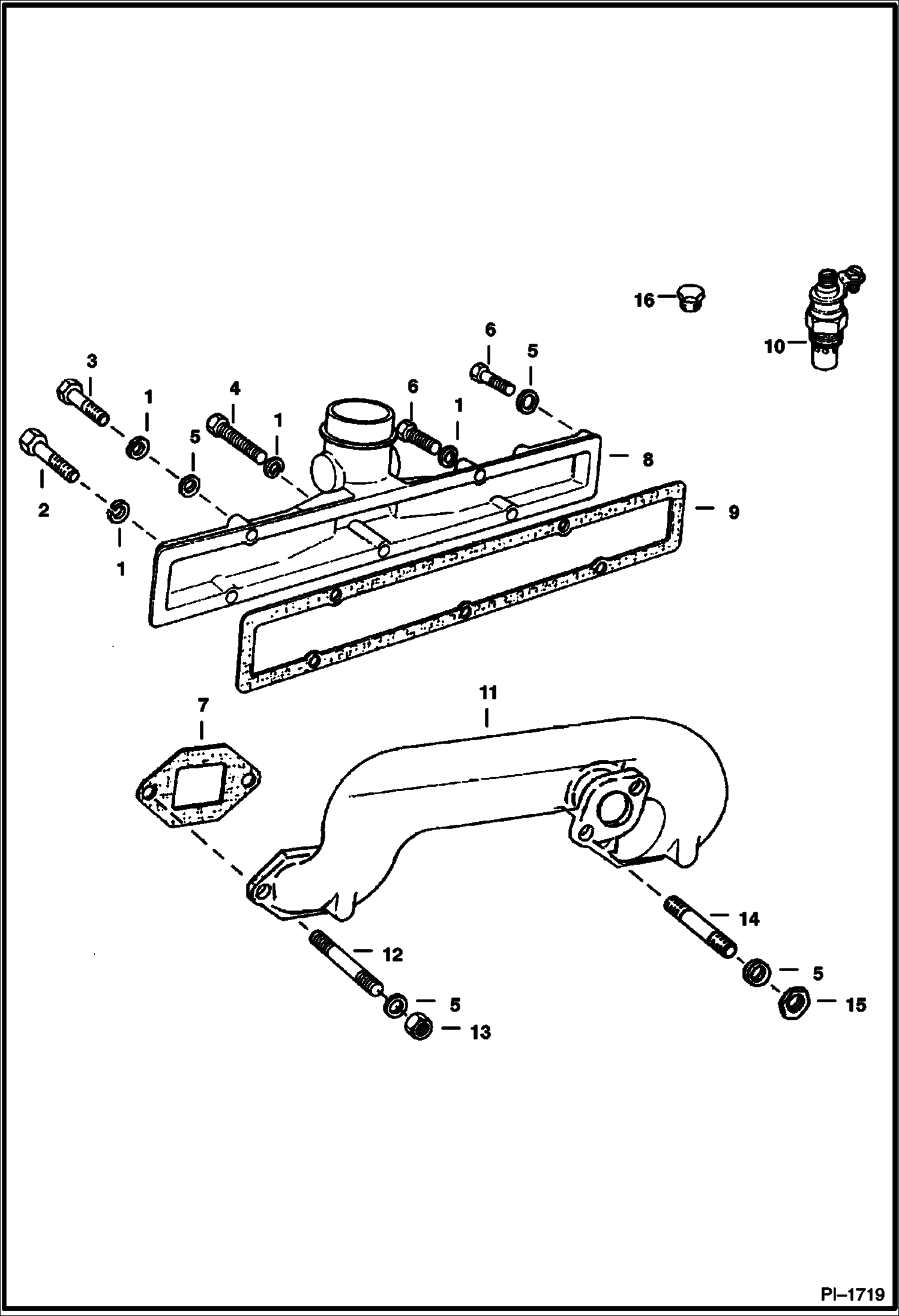
КОЛЛЕКТОР

КОЛЛЕКТОР

1Артикул: 4E5, WASHER
2Артикул: 18C520, BOLT
3Артикул: 18C532, BOLT
Подробнее >
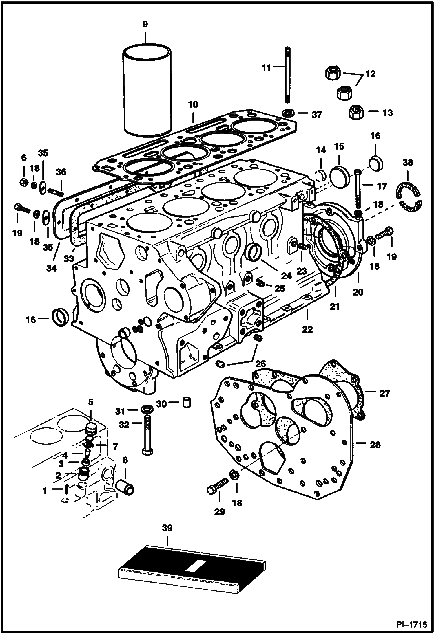
БЛОК ЦИЛИНДРОВ

БЛОК ЦИЛИНДРОВ

1Артикул: 41K4, PLUG block
2Артикул: 6510329, SLEEVE tachometer drive
3Артикул: BEARING, BEARING NLA - tachmeter drive - Was 6510573 - A
Подробнее >
ТОПЛИВОПОДКАЧИВАЮЩИЙ НАСОС

ТОПЛИВОПОДКАЧИВАЮЩИЙ НАСОС

1Артикул: 3739248, PUMP KIT
2Артикул: REPAIR, REPAIR KIT NLA - Use with pump marked AO58 - Was 6659464 - A
3Артикул: 6510284, PLATE
Подробнее >
ГОЛОВКА БЛОКА ЦИЛИНДРОВ

ГОЛОВКА БЛОКА ЦИЛИНДРОВ

1Артикул: 6668031, GASKET Was 3725791B - A
2Артикул: 3679233, CONNECTOR
3Артикул: 3490721, WASHER
Подробнее >
КОМПЛЕКТ ПРОКЛАДОК ДВИГАТЕЛЯS

КОМПЛЕКТ ПРОКЛАДОК ДВИГАТЕЛЯS

1Артикул: 6511787, KIT Top Overhaul - W/Ref. 2-10
2Артикул: KIT, KIT NLA - Bottom Overhaul - W/Ref. 11-22 - Was 6511903 - A
3Артикул: 6511789, GASKET Muffler
Подробнее >
ФИЛЬТР ДИЗЕЛЬНОГО ТОПЛИВА

ФИЛЬТР ДИЗЕЛЬНОГО ТОПЛИВА

1Артикул: 62D6, NUT 5
2Артикул: 4E6, WASHER
3Артикул: BRACKET, BRACKET NLA - Was 6510445 - A
Подробнее >
СИСТЕМА ВПРЫСКА ТОПЛИВА

СИСТЕМА ВПРЫСКА ТОПЛИВА

1Артикул: PIPE, PIPE NLA - Was 6510465 - A
2Артикул: 3490133, UNION NUT
3Артикул: 3490132, SEAL
Подробнее >
ВОДЯНАЯ ПОМПА

ВОДЯНАЯ ПОМПА

1Артикул: SNAP, SNAP RING NSS - See Note
2Артикул: PULLEY, PULLEY NLA - Was 6510426 - A
3Артикул: SNAP, SNAP RING NSS
Подробнее >
ШЕСТЕРНЯ РАСПРЕДЕЛИТЕЛЬНОГО ВАЛА

ШЕСТЕРНЯ РАСПРЕДЕЛИТЕЛЬНОГО ВАЛА

1Артикул: 873222, PIN thrustplate
2Артикул: THRUSTPLATE, THRUSTPLATE NLA - Was 6510387 - A
3Артикул: CAMSHAFT, CAMSHAFT NLA - Was 6510385 - A
Подробнее >
МАСЛЯНЫЙ ФИЛЬТР ДВИГАТЕЛЯ

МАСЛЯНЫЙ ФИЛЬТР ДВИГАТЕЛЯ

1Артикул: 6668022, GASKET Was 3679404B - A
2Артикул: 6511767, HEAD
3Артикул: 6511768, WASHER
Подробнее >
КАРДАННЫЙ ШАРНИР

КАРДАННЫЙ ШАРНИР

1Артикул: 6598347, U-JOINT complete - Ref. 3-5, 13 & 14
2Артикул: 17C616, BOLT 5
3Артикул: 6598303, SPIDER Rear
Подробнее >