+7 (701) 588 50 05 Телефон для связи
RU

WhatsApp

Позвонить

ГОЛОВКА ЦИЛИНДРА (СЕРИЙНЫЙ НОМЕР 5219 И 5220) (V3300 DI T KUBOTA) (TIER I) — Продажа в Казахстане Цены от официального дилера с доставкой в Алматы, Астану и регионы

Техника доступна в:
Полный спектр услуг:
Для Вашего удобства:
Характеристики и описание
Габариты, схема
Техническая документация
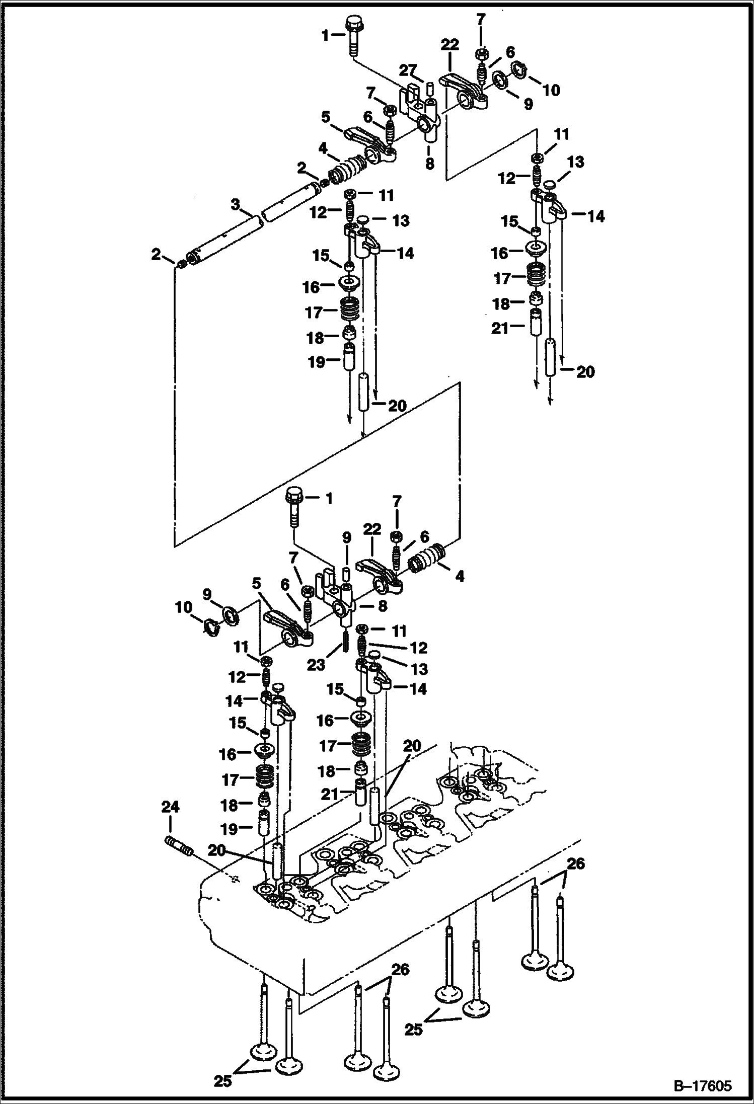
1 Артикул: 6680878, BOLT
2 Артикул: 25GM8010, SCREW Was 6655894 - A
3 Артикул: 6680868, SHAFT W/Ref. 2
4 Артикул: 6680872, SPRING
5 Артикул: 6680873, ROCKER ARM intake - W/Ref. 6 & 7
6 Артикул: 3974920, SCREW adjusting
7 Артикул: 2DM8, NUT Was 6680874 - A
8 Артикул: 6680869, BRACKET rocker arm
9 Артикул: 6680870, WASHER
10 Артикул: 6680871, SNAP RING
11 Артикул: 6680881, NUT
12 Артикул: 6680880, SCREW adjusting
13 Артикул: 7000665, PAD, WEAR Was 6680882 - A
14 Артикул: 6698524, ARM, VALVE BRIDGE valve bridge - W/Ref. 11 & 12 - Was 6680879 - A
15 Артикул: 7008389, RETAINER, VALVE SPRING valve spring - set - Was 3974161 - A
16 Артикул: 6685959, RETAINER valve spring - Was 6652616 - A
17 Артикул: 6680863, VALVE SPRING
18 Артикул: 6672436, SEAL valve stem
19 Артикул: 6680859, GUIDE inlet valve
20 Артикул: 6680866, SHAFT valve
21 Артикул: 6685958, GUIDE exhaust valve - Was 6680860 - A
22 Артикул: 6680875, ROCKER ARM exhaust - W/Ref. 6 & 7
23 Артикул: 6667461, PIN
24 Артикул: 6680867, STUD
25 Артикул: 6680861, VALVE intake
26 Артикул: 6680862, VALVE exhaust
27 Артикул: 6680877, PIN

ГОЛОВКА ЦИЛИНДРА (СЕРИЙНЫЙ НОМЕР 5219 И 5220) (V3300 DI T KUBOTA) (TIER I): Техника, которая работает на результат

ГОЛОВКА ЦИЛИНДРА (СЕРИЙНЫЙ НОМЕР 5219 И 5220) (V3300 DI T KUBOTA) (TIER I) на мини-погрузчик Bobcat T300 521911001 И ВЫШЕ, 522011001 И ВЫШЕ, 525411001 И ВЫШЕ, 525511001 И ВЫШЕ

Габаритные размеры

Габаритные размеры и схема ГОЛОВКА ЦИЛИНДРА (СЕРИЙНЫЙ НОМЕР 5219 И 5220) (V3300 DI T KUBOTA) (TIER I)

Нажмите на схему для увеличения

Документация

Документация временно недоступна.

Похожая техника в категории: ЗАПЧАСТИ ДВИГАТЕЛЯ (Bobcat)

Спецтехника СИСТЕМА ОХЛАЖДЕНИЯ

СИСТЕМА ОХЛАЖДЕНИЯ

1Артикул: 84G371...
2Артикул: 662428...
3Артикул: 671657...
Подробнее >
Спецтехника ПЕРЕДНЯЯ КРЫШКА (СЕРИЙНЫЙ НОМЕР 5254 И 5255) (V3300 DI T KUBOTA) (TIER II)

ПЕРЕДНЯЯ КРЫШКА (СЕРИЙНЫЙ НОМЕР 5254 И 5255) (V3300 DI T KUBOTA) (TIER II)

1Артикул: 668070...
2Артикул: COVER,...
3Артикул: 668070...
Подробнее >
Спецтехника СИСТЕМА ВПРЫСКА ТОПЛИВА (СЕРИЙНЫЙ НОМЕР 5254 И 5255) (V3300 DI T KUBOTA) (TIER II)

СИСТЕМА ВПРЫСКА ТОПЛИВА (СЕРИЙНЫЙ НОМЕР 5254 И 5255) (V3300 DI T KUBOTA) (TIER II)

1Артикул: 668597...
2Артикул: 668597...
3Артикул: 668593...
Подробнее >
Спецтехника ДВИГАТЕЛЬ И КРЕПЕЖНЫЕ ДЕТАЛИ (СИСТЕМА РЕМНЕЙ ПРИВОДА)

ДВИГАТЕЛЬ И КРЕПЕЖНЫЕ ДЕТАЛИ (СИСТЕМА РЕМНЕЙ ПРИВОДА)

1Артикул: 38C828...
2Артикул: 131311...
3Артикул: 656842...
Подробнее >
Спецтехника ВОДЯНАЯ ПОМПА (СЕРИЙНЫЙ НОМЕР 5219 И 5220) (V3300 DI T KUBOTA) (TIER I)

ВОДЯНАЯ ПОМПА (СЕРИЙНЫЙ НОМЕР 5219 И 5220) (V3300 DI T KUBOTA) (TIER I)

1Артикул: 667236...
2Артикул: 668068...
3Артикул: 668064...
Подробнее >
Спецтехника ПРИВОД ВЕНТИЛЯТОРА ОХЛАЖДЕНИЯ В СБОРЕ

ПРИВОД ВЕНТИЛЯТОРА ОХЛАЖДЕНИЯ В СБОРЕ

1Артикул: 668188...
2-
3-
Подробнее >
Спецтехника ГОЛОВКА ЦИЛИНДРА И КРЫШКА (СЕРИЙНЫЙ НОМЕР 5254 И 5255) (V3300 DI T KUBOTA) (TIER II)

ГОЛОВКА ЦИЛИНДРА И КРЫШКА (СЕРИЙНЫЙ НОМЕР 5254 И 5255) (V3300 DI T KUBOTA) (TIER II)

1Артикул: 668593...
2Артикул: 668069...
3Артикул: 668069...
Подробнее >
Спецтехника ТУРБОКОМПРЕССОР (СЕРИЙНЫЙ НОМЕР 5219 И 5220) (V3300 DI T KUBOTA) (TIER I)

ТУРБОКОМПРЕССОР (СЕРИЙНЫЙ НОМЕР 5219 И 5220) (V3300 DI T KUBOTA) (TIER I)

1Артикул: 668089...
2Артикул: 668089...
3Артикул: 668089...
Подробнее >
Спецтехника ПОДДОН КАРТЕРА (СЕРИЙНЫЙ НОМЕР 5254 И 5255) (V3300 DI T KUBOTA) (TIER II)

ПОДДОН КАРТЕРА (СЕРИЙНЫЙ НОМЕР 5254 И 5255) (V3300 DI T KUBOTA) (TIER II)

1Артикул: 702095...
2Артикул: 668070...
3Артикул: 669852...
Подробнее >
Спецтехника ГОЛОВКА ЦИЛИНДРА (СЕРИЙНЫЙ НОМЕР 5254 И 5255) (V3300 DI T KUBOTA) (TIER II)

ГОЛОВКА ЦИЛИНДРА (СЕРИЙНЫЙ НОМЕР 5254 И 5255) (V3300 DI T KUBOTA) (TIER II)

1Артикул: 668086...
2Артикул: 25GM80...
3Артикул: 668087...
Подробнее >
Спецтехника ПОРШЕНЬ И КОЛЕНЧАТЫЙ ВАЛ (СЕРИЙНЫЙ НОМЕР 5254 И 5255) (V3300 DI T KUBOTA) (TIER II)

ПОРШЕНЬ И КОЛЕНЧАТЫЙ ВАЛ (СЕРИЙНЫЙ НОМЕР 5254 И 5255) (V3300 DI T KUBOTA) (TIER II)

1Артикул: 21JM81...
2Артикул: 665257...
3Артикул: 668066...
Подробнее >
Спецтехника ПЕРЕДНЯЯ КРЫШКА (СЕРИЙНЫЙ НОМЕР 5219 И 5220) (V3300 DI T KUBOTA) (TIER I)

ПЕРЕДНЯЯ КРЫШКА (СЕРИЙНЫЙ НОМЕР 5219 И 5220) (V3300 DI T KUBOTA) (TIER I)

1Артикул: 668070...
2Артикул: 668070...
3Артикул: 668070...
Подробнее >