ЗАПЧАСТИ ДВИГАТЕЛЯ в Алматы
СИСТЕМА ОХЛАЖДЕНИЯ
1Артикул: 84G3712, BOLT 5
2Артикул: 6624289, STRAP, TIE
3Артикул: 6716574, LOUVER, PLASTIC LH LH - plastic
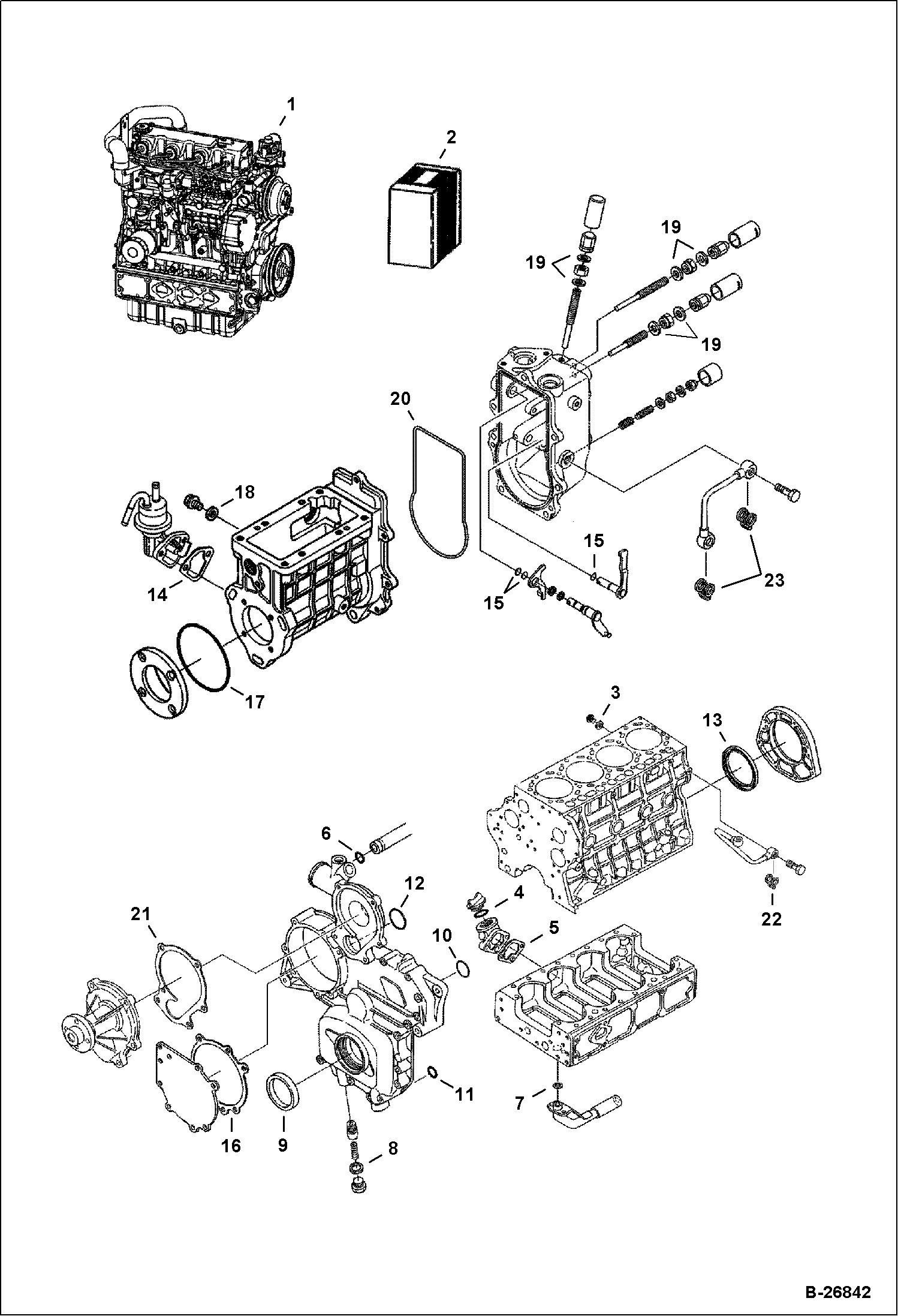
ПЕРЕДНЯЯ КРЫШКА (СЕРИЙНЫЙ НОМЕР 5254 И 5255) (V3300 DI T KUBOTA) (TIER II)
1Артикул: 6680705, SEAL rear
2Артикул: COVER, COVER NLA - Order Ref. 24 - Was 6685931 - A
3Артикул: 6680706, BOLT
СИСТЕМА ВПРЫСКА ТОПЛИВА (СЕРИЙНЫЙ НОМЕР 5254 И 5255) (V3300 DI T KUBOTA) (TIER II)
1Артикул: 6685977, INJECTION PUMP UNIT assy - Ref. 2-30
2Артикул: 6685977REM, PUMP, FUEL INJ KUBOTA V3300 W/GOVERNOR assy - Ref. 2-30
3Артикул: 6685936, PUMP, FUEL INJ W/Ref. 5 & 6
ДВИГАТЕЛЬ И КРЕПЕЖНЫЕ ДЕТАЛИ (СИСТЕМА РЕМНЕЙ ПРИВОДА)
1Артикул: 38C828, BOLT shoulder
2Артикул: 1313116, BUSHING
3Артикул: 6568424, ADAPTER
ВОДЯНАЯ ПОМПА (СЕРИЙНЫЙ НОМЕР 5219 И 5220) (V3300 DI T KUBOTA) (TIER I)
1Артикул: 6672360, PLUG
2Артикул: 6680689, ADAPTER
3Артикул: 6680646, ADAPTER
ГОЛОВКА ЦИЛИНДРА И КРЫШКА (СЕРИЙНЫЙ НОМЕР 5254 И 5255) (V3300 DI T KUBOTA) (TIER II)
1Артикул: 6685930, HOSE
2Артикул: 6680698, CLAMP
3Артикул: 6680695, SEAL injection tube
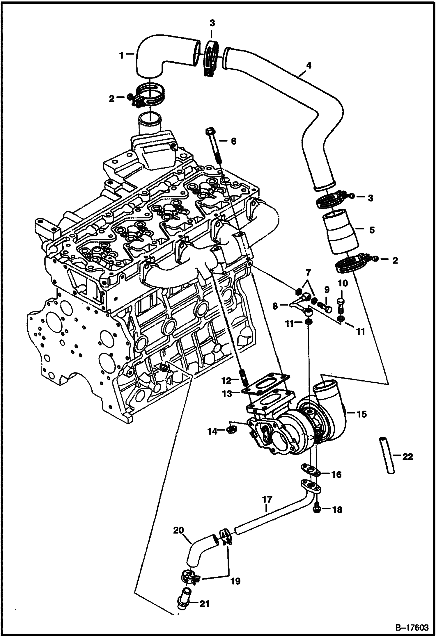
ТУРБОКОМПРЕССОР (СЕРИЙНЫЙ НОМЕР 5219 И 5220) (V3300 DI T KUBOTA) (TIER I)
1Артикул: 6680896, HOSE
2Артикул: 6680897, CLAMP
3Артикул: 6680898, CLAMP
ПОДДОН КАРТЕРА (СЕРИЙНЫЙ НОМЕР 5254 И 5255) (V3300 DI T KUBOTA) (TIER II)
1Артикул: 7020951, DIPSTICK, OIL ENG See Service Letter SL5161 NLA - Was 7020951 - A
2Артикул: 6680702, TUBE
3Артикул: 6698523, EXCHANGER, OIL COOLER
ГОЛОВКА ЦИЛИНДРА (СЕРИЙНЫЙ НОМЕР 5254 И 5255) (V3300 DI T KUBOTA) (TIER II)
1Артикул: 6680868, SHAFT
2Артикул: 25GM8010, SCREW SCREW,SET
3Артикул: 6680878, BOLT
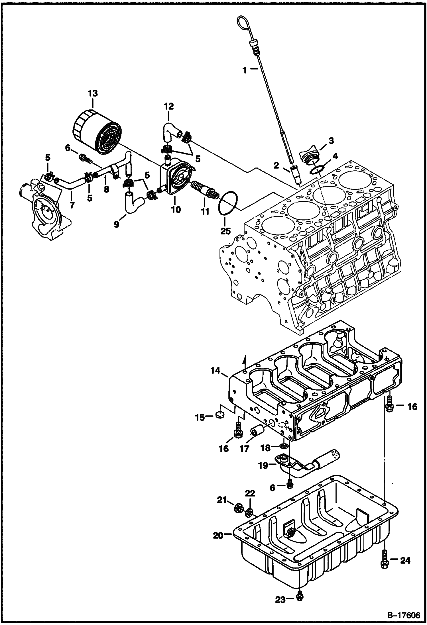
ПОРШЕНЬ И КОЛЕНЧАТЫЙ ВАЛ (СЕРИЙНЫЙ НОМЕР 5254 И 5255) (V3300 DI T KUBOTA) (TIER II)
1Артикул: 21JM814, PIN dowel
2Артикул: 6652574, PLUG Was 6598169 - A
3Артикул: 6680667, PLUG
ПЕРЕДНЯЯ КРЫШКА (СЕРИЙНЫЙ НОМЕР 5219 И 5220) (V3300 DI T KUBOTA) (TIER I)
1Артикул: 6680705, SEAL rear
2Артикул: 6680704, COVER W/Ref. 1
3Артикул: 6680706, BOLT
ДВИГАТЕЛЬ И КРЕПЕЖНЫЕ ДЕТАЛИ (ВОЗДУХООЧИСТИТЕЛЬ, ГЛУШИТЕЛЬ)
1Артикул: 42HC375, CLAMP
2Артикул: 45C616, BOLT
3Артикул: 53DM8, NUT
ПОРШЕНЬ И КОЛЕНЧАТЫЙ ВАЛ (СЕРИЙНЫЙ НОМЕР 5219 И 5220) (V3300 DI T KUBOTA) (TIER I)
1Артикул: 6680641, PIN
2Артикул: 6652574, PLUG Was 6598169 - A
3Артикул: 3974389, CAP, SEALING Was 6680638 - A
ГОЛОВКА ЦИЛИНДРА (СЕРИЙНЫЙ НОМЕР 5219 И 5220) (V3300 DI T KUBOTA) (TIER I)
1Артикул: 6680878, BOLT
2Артикул: 25GM8010, SCREW Was 6655894 - A
3Артикул: 6680868, SHAFT W/Ref. 2
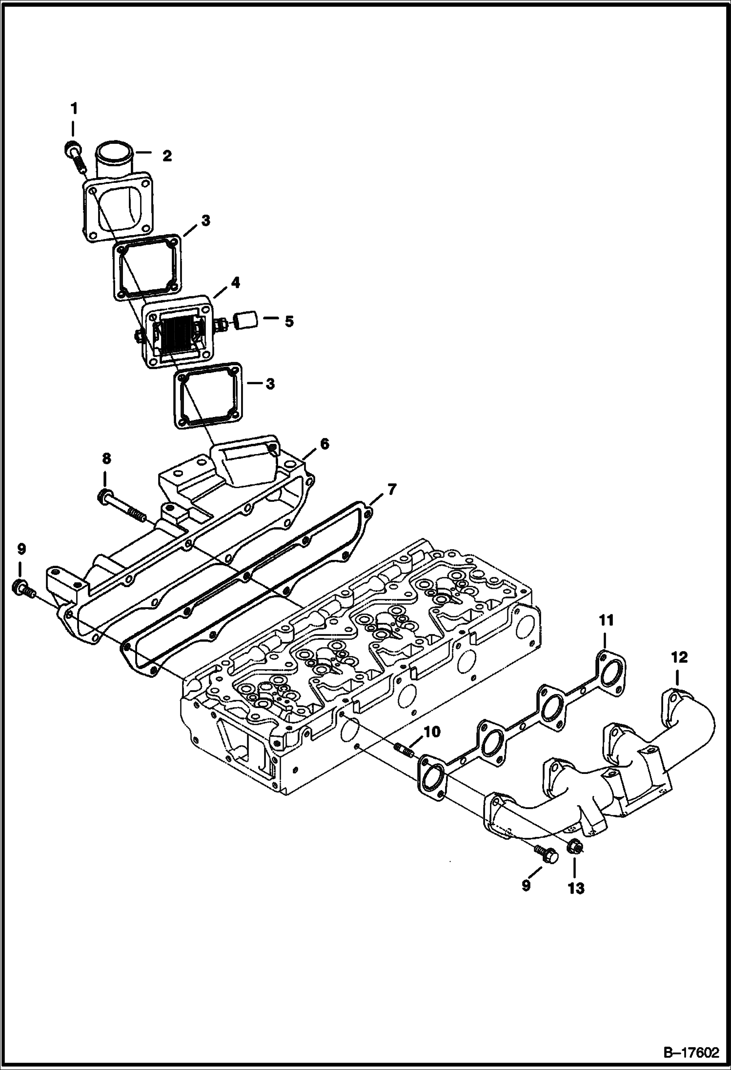
КОЛЛЕКТОРЫ (СЕРИЙНЫЙ НОМЕР 5219 И 5220) (V3300 DI T KUBOTA) (TIER I)
1Артикул: 6680851, BOLT
2Артикул: 6680886, FLANGE
3Артикул: 6680887, GASKET
ВОЗДУХООЧИСТИТЕЛЬ (СЕРИЙНЫЙ НОМЕР 5254 И 5255) (V3300 DI T KUBOTA) (TIER II)
1Артикул: 6678066, AIR CLEANER W/Ref. 2-8
2Артикул: 6681474, CARTRIDGE outer
3Артикул: 6681475, CARTRIDGE inner
УСТРОЙСТВО РЕГУЛИРОВАНИЯ ОБОРОТОВ ДВИГАТЕЛЯ
1Артикул: 6564452, GRIP
2Артикул: 6705452, LEVER
3Артикул: 38C610, BOLT shoulder
ВОДЯНАЯ ПОМПА И ТЕРМОСТАТ (СЕРИЙНЫЙ НОМЕР 5219 И 5220) (V3300 DI T KUBOTA) (TIER I)
1Артикул: 6680845, BOLT
2Артикул: 6680843, COVER thermostat
3Артикул: 7020988, GASKET thermostat cover - Was 6680844 - A
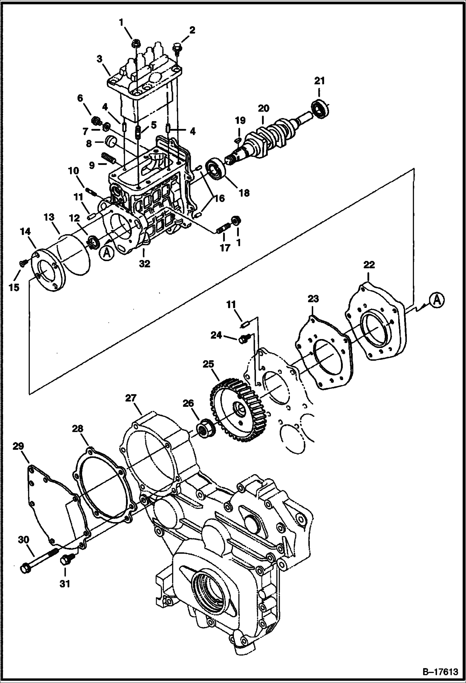
РАСПРЕДЕЛИТЕЛЬНЫЙ ВАЛ (СЕРИЙНЫЙ НОМЕР 5254 И 5255) (V3300 DI T KUBOTA) (TIER II)
1Артикул: 6680717, COLLAR
2Артикул: 6680710, BALL
3Артикул: 7017203, CAMSHAFT, VALVE W/Ref. 2 & 4-6 - Was 6680709 - A
РАСПРЕДЕЛИТЕЛЬНЫЙ ВАЛ (СЕРИЙНЫЙ НОМЕР 5219 И 5220) (V3300 DI T KUBOTA) (TIER I)
1Артикул: 6680748, BALANCER
2Артикул: 6680710, BALL
3Артикул: 7017203, CAMSHAFT, VALVE W/Ref. 2 & 4-6 - Was 6680709 - A
СИСТЕМА ОХЛАЖДЕНИЯ (СЕРИЙНЫЙ НОМЕР 525411221 И ВЫШЕ, 525511016 И ВЫШЕ)
1Артикул: 6733429, CAP
2Артикул: 6733996, DECAL, WARNING engine coolant - 14 psi
3Артикул: 6732375, TANK
ГОЛОВКА ЦИЛИНДРА И КРЫШКА (СЕРИЙНЫЙ НОМЕР 5219 И 5220) (V3300 DI T KUBOTA) (TIER I)
1Артикул: 6698056, HOSE Was 6680697 - A
2Артикул: 6680698, CLAMP
3Артикул: 6680695, SEAL injection tube
ПОДДОН КАРТЕРА (СЕРИЙНЫЙ НОМЕР 5219 И 5220) (V3300 DI T KUBOTA) (TIER I)
1Артикул: 7020951, DIPSTICK, OIL ENG Was 6690692 - A
2Артикул: 6680702, TUBE dipstick
3Артикул: 6680908, CAP
ДВИГАТЕЛЬ И КОМПЛЕКТ НИЖНИХ ПРОКЛАДОК (СЕРИЙНЫЙ НОМЕР 5219 И 5220) (V3300 DI T KUBOTA) (TIER I)
1Артикул: ENGINE, ENGINE NLA - 80.8 HP - blue - 1G565-00000 - complete - includes turbocharger, fuel injection pump, intake & exhaust manifolds - Order 6684577 , also Order 29-- of 6577822 fuel hose, 9.25-- of 6577821 fuel hose, 50-- of 6578169 fuel hose, 6734573 oil drain hose, 6735346 engine mount, 6734772 cable mount, 7102368 exh. tube, 7102747 gasket & 5CM1020 bolt (4)
2Артикул: GASKET, GASKET KIT NLA - lower gasket- Ref. 3-22 - order individual components
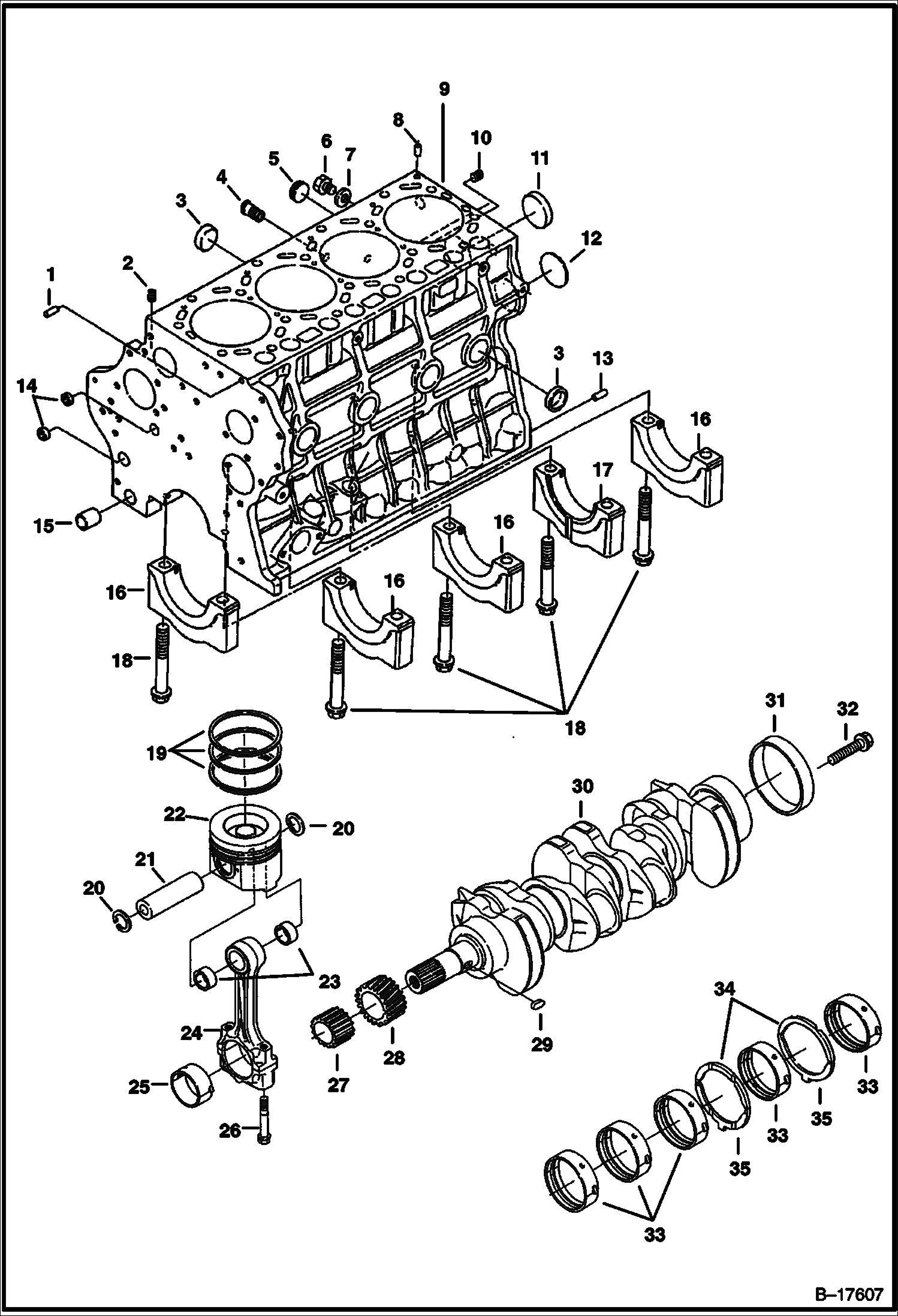
3Артикул: 6652751, GASKET See Illustration PISTON & CRANKSHAFT/ B17607
ВОДЯНОЙ ФЛАНЕЦ И ТЕРМОСТАТ (СЕРИЙНЫЙ НОМЕР 5254 И 5255) (V3300 DI T KUBOTA) (TIER II)
1Артикул: 6680858, WASHER
2Артикул: 6685954, COVER thermostat
3Артикул: 6685955, GASKET
КРЕПЛЕНИЯ ДВИГАТЕЛЯ
1Артикул: 7109792, MOUNT
2Артикул: 7106240, SUPPORT
3Артикул: 7131273, SCREW
СИСТЕМА ВПРЫСКА ТОПЛИВА (СЕРИЙНЫЙ НОМЕР 5219 И 5220) (V3300 DI T KUBOTA) (TIER I)
1Артикул: 6680663, NUT
2Артикул: 6680755, BOLT
3Артикул: INJECTION, INJECTION PUMP See Illustration FUEL INJECTION PUMP/ B17614
ВОЗДУХООЧИСТИТЕЛЬ (СЕРИЙНЫЙ НОМЕР 5219 И 5220) (V3300 DI T KUBOTA) (TIER I)
1Артикул: 6678066, AIR CLEANER W/Ref. 2-8
2Артикул: 6681474, CARTRIDGE outer
3Артикул: 6681475, CARTRIDGE inner
КОЛЛЕКТОРЫ (СЕРИЙНЫЙ НОМЕР 5254 И 5255) (V3300 DI T KUBOTA) (TIER II)
1Артикул: 6680851, BOLT
2Артикул: 6680886, FLANGE
3Артикул: 6680887, GASKET Was 6685960 - A
УСТРОЙСТВО РЕГУЛИРОВАНИЯ ОБОРОТОВ ДВИГАТЕЛЯ (МНОГОРЕЖИМНЫЙ ДЖОЙСТИК УПРАВЛЕНИЯ)
1Артикул: 6564452, GRIP
2Артикул: 6730270, LEVER
3Артикул: 38C610, BOLT shoulder
ВОДЯНАЯ ПОМПА (СЕРИЙНЫЙ НОМЕР 5254 И 5255) (V3300 DI T KUBOTA) (TIER II)
1Артикул: 6680280, SEAL
2Артикул: IMPELLER, IMPELLER NSS - Order Ref. 3
3Артикул: 6680852, PUMP water - W/Ref. 1 & 2
ТУРБОКОМПРЕССОР (СЕРИЙНЫЙ НОМЕР 5254, И 5255) (V3300 DI T KUBOTA) (TIER II)
1Артикул: 6680896, HOSE
2Артикул: 6653993, CLAMP
3Артикул: 3974143, BAND,PIPE
НАСОС ВПРЫСКА ТОПЛИВНОЙ СИСТЕМЫ (СЕРИЙНЫЙ НОМЕР 5219 И 5220) (V3300 DI T KUBOTA) (TIER I)
1Артикул: 6680752, BOLT
2Артикул: 3974389, CAP, SEALING Was 6680753 - A
3Артикул: 6655515, JOINT eye - Was 3974500B - A
РЕГУЛЯТОРА ОБОРОТОВ (СЕРИЙНЫЙ НОМЕР 5219 И 5220) (V3300 DI T KUBOTA) (TIER I)
1Артикул: 6680829, GASKET
2Артикул: 6680769, PIN
3Артикул: 6693487, KIT, LEVER speed control - W/Ref. 4 - Was 6680768 - A
ДВИГАТЕЛЬ И КОМПЛЕКТ НИЖНИХ ПРОКЛАДОК (СЕРИЙНЫЙ НОМЕР 5254 И 5255) (V3300 DI T KUBOTA) (TIER II)
1Артикул: 6684577, ENGINE, V3300-DI-T-E2CB-BOB1 80.8 HP - IG-577-00000 - complete - includes turbocharger, fuel injection pump, intake & exhaust manifolds
2Артикул: 6684577REM, ENG, KUBOTA V3300T DI-E2CB-BOB1 TIER 2
3Артикул: 6689755, KIT, GASKET ENG LOWER lower gasket- Ref. 3-23
ДВИГАТЕЛЬ И КРЕПЛЕНИЯ НАСОСА (СЕРИЙНЫЙ НОМЕР 525416192 И ВЫШЕ, 525512068-12099)
1Артикул: MOUNT, MOUNT See Illustration ENGINE MOUNTS/ NA2353
2Артикул: SUPPORT, SUPPORT NLA - for SJC - Order Ref. 3 - Was 7106239 - A
3Артикул: 7128604, SUPPORT for SJC Pump
РЕГУЛЯТОРА ОБОРОТОВ (СЕРИЙНЫЙ НОМЕР 5254 И 5255) (V3300 DI T KUBOTA) (TIER II)
1Артикул: ASSY, ASSY LEVER, FORK NLA - Ref. 2-5, 15 & 31-39 - Order 6693511 fork & 6689318 shaft - Was 6685951 - A
2Артикул: 6693511, FORK assy - Ref. 2-5, 15 & 31-39
3Артикул: 6680820, WASHER