+7 (701) 588 50 05 Телефон для связи
RU

WhatsApp

Позвонить

ВОДЯНАЯ ПОМПА И ТЕРМОСТАТ (СЕРИЙНЫЙ НОМЕР 5219 И 5220) (V3300 DI T KUBOTA) (TIER I) — Продажа в Казахстане Цены от официального дилера с доставкой в Алматы, Астану и регионы

Техника доступна в:
Полный спектр услуг:
Для Вашего удобства:
Характеристики и описание
Габариты, схема
Техническая документация
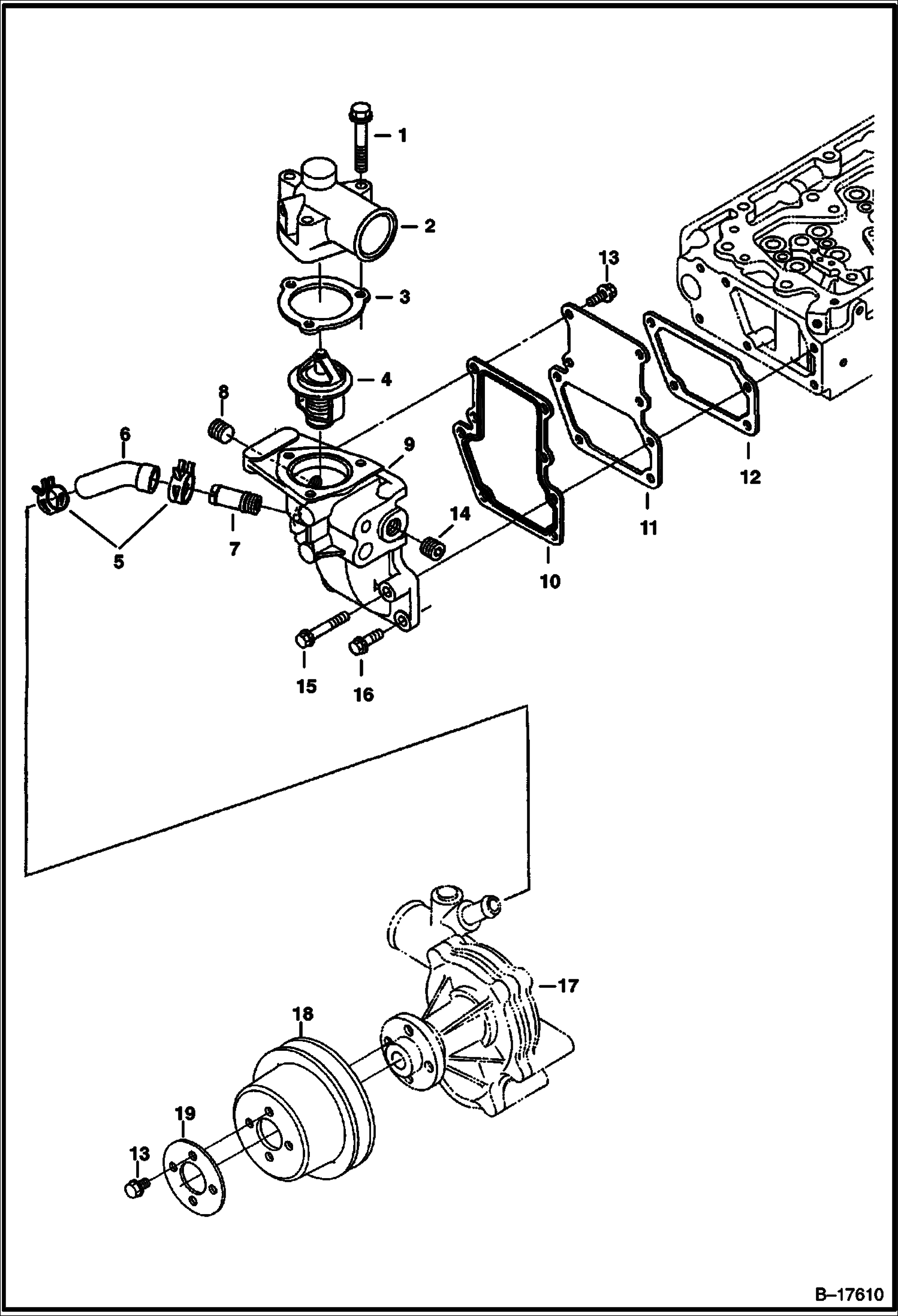
1 Артикул: 6680845, BOLT
2 Артикул: 6680843, COVER thermostat
3 Артикул: 7020988, GASKET thermostat cover - Was 6680844 - A
4 Артикул: 6680850, THERMOSTAT
5 Артикул: 6675618, CLAMP
6 Артикул: 6680842, HOSE
7 Артикул: 6680646, ADAPTER
8 Артикул: 6672360, PLUG
9 Артикул: 6680846, HOUSING thermostat - w/Ref. 7, 10, 11 & 13
10 Артикул: 6680848, GASKET
11 Артикул: 6680847, COVER
12 Артикул: 6680849, GASKET
13 Артикул: 6653579, BOLT Was 6680713 - A
14 Артикул: 6672360, PLUG
15 Артикул: 6680851, BOLT
16 Артикул: 6680755, BOLT
17 Артикул: WATER, WATER PUMP See Illustration WATER PUMP/ B17611
18 Артикул: 6680857, PULLEY fan
19 Артикул: 6680858, WASHER

ВОДЯНАЯ ПОМПА И ТЕРМОСТАТ (СЕРИЙНЫЙ НОМЕР 5219 И 5220) (V3300 DI T KUBOTA) (TIER I): Техника, которая работает на результат

ВОДЯНАЯ ПОМПА И ТЕРМОСТАТ (СЕРИЙНЫЙ НОМЕР 5219 И 5220) (V3300 DI T KUBOTA) (TIER I) на мини-погрузчик Bobcat T300 521911001 И ВЫШЕ, 522011001 И ВЫШЕ, 525411001 И ВЫШЕ, 525511001 И ВЫШЕ

Габаритные размеры

Габаритные размеры и схема ВОДЯНАЯ ПОМПА И ТЕРМОСТАТ (СЕРИЙНЫЙ НОМЕР 5219 И 5220) (V3300 DI T KUBOTA) (TIER I)

Нажмите на схему для увеличения

Документация

Документация временно недоступна.

Похожая техника в категории: ЗАПЧАСТИ ДВИГАТЕЛЯ (Bobcat)

Спецтехника СИСТЕМА ОХЛАЖДЕНИЯ

СИСТЕМА ОХЛАЖДЕНИЯ

1Артикул: 84G371...
2Артикул: 662428...
3Артикул: 671657...
Подробнее >
Спецтехника ПЕРЕДНЯЯ КРЫШКА (СЕРИЙНЫЙ НОМЕР 5254 И 5255) (V3300 DI T KUBOTA) (TIER II)

ПЕРЕДНЯЯ КРЫШКА (СЕРИЙНЫЙ НОМЕР 5254 И 5255) (V3300 DI T KUBOTA) (TIER II)

1Артикул: 668070...
2Артикул: COVER,...
3Артикул: 668070...
Подробнее >
Спецтехника СИСТЕМА ВПРЫСКА ТОПЛИВА (СЕРИЙНЫЙ НОМЕР 5254 И 5255) (V3300 DI T KUBOTA) (TIER II)

СИСТЕМА ВПРЫСКА ТОПЛИВА (СЕРИЙНЫЙ НОМЕР 5254 И 5255) (V3300 DI T KUBOTA) (TIER II)

1Артикул: 668597...
2Артикул: 668597...
3Артикул: 668593...
Подробнее >
Спецтехника ДВИГАТЕЛЬ И КРЕПЕЖНЫЕ ДЕТАЛИ (СИСТЕМА РЕМНЕЙ ПРИВОДА)

ДВИГАТЕЛЬ И КРЕПЕЖНЫЕ ДЕТАЛИ (СИСТЕМА РЕМНЕЙ ПРИВОДА)

1Артикул: 38C828...
2Артикул: 131311...
3Артикул: 656842...
Подробнее >
Спецтехника ВОДЯНАЯ ПОМПА (СЕРИЙНЫЙ НОМЕР 5219 И 5220) (V3300 DI T KUBOTA) (TIER I)

ВОДЯНАЯ ПОМПА (СЕРИЙНЫЙ НОМЕР 5219 И 5220) (V3300 DI T KUBOTA) (TIER I)

1Артикул: 667236...
2Артикул: 668068...
3Артикул: 668064...
Подробнее >
Спецтехника ПРИВОД ВЕНТИЛЯТОРА ОХЛАЖДЕНИЯ В СБОРЕ

ПРИВОД ВЕНТИЛЯТОРА ОХЛАЖДЕНИЯ В СБОРЕ

1Артикул: 668188...
2-
3-
Подробнее >
Спецтехника ГОЛОВКА ЦИЛИНДРА И КРЫШКА (СЕРИЙНЫЙ НОМЕР 5254 И 5255) (V3300 DI T KUBOTA) (TIER II)

ГОЛОВКА ЦИЛИНДРА И КРЫШКА (СЕРИЙНЫЙ НОМЕР 5254 И 5255) (V3300 DI T KUBOTA) (TIER II)

1Артикул: 668593...
2Артикул: 668069...
3Артикул: 668069...
Подробнее >
Спецтехника ТУРБОКОМПРЕССОР (СЕРИЙНЫЙ НОМЕР 5219 И 5220) (V3300 DI T KUBOTA) (TIER I)

ТУРБОКОМПРЕССОР (СЕРИЙНЫЙ НОМЕР 5219 И 5220) (V3300 DI T KUBOTA) (TIER I)

1Артикул: 668089...
2Артикул: 668089...
3Артикул: 668089...
Подробнее >
Спецтехника ПОДДОН КАРТЕРА (СЕРИЙНЫЙ НОМЕР 5254 И 5255) (V3300 DI T KUBOTA) (TIER II)

ПОДДОН КАРТЕРА (СЕРИЙНЫЙ НОМЕР 5254 И 5255) (V3300 DI T KUBOTA) (TIER II)

1Артикул: 702095...
2Артикул: 668070...
3Артикул: 669852...
Подробнее >
Спецтехника ГОЛОВКА ЦИЛИНДРА (СЕРИЙНЫЙ НОМЕР 5254 И 5255) (V3300 DI T KUBOTA) (TIER II)

ГОЛОВКА ЦИЛИНДРА (СЕРИЙНЫЙ НОМЕР 5254 И 5255) (V3300 DI T KUBOTA) (TIER II)

1Артикул: 668086...
2Артикул: 25GM80...
3Артикул: 668087...
Подробнее >
Спецтехника ПОРШЕНЬ И КОЛЕНЧАТЫЙ ВАЛ (СЕРИЙНЫЙ НОМЕР 5254 И 5255) (V3300 DI T KUBOTA) (TIER II)

ПОРШЕНЬ И КОЛЕНЧАТЫЙ ВАЛ (СЕРИЙНЫЙ НОМЕР 5254 И 5255) (V3300 DI T KUBOTA) (TIER II)

1Артикул: 21JM81...
2Артикул: 665257...
3Артикул: 668066...
Подробнее >
Спецтехника ПЕРЕДНЯЯ КРЫШКА (СЕРИЙНЫЙ НОМЕР 5219 И 5220) (V3300 DI T KUBOTA) (TIER I)

ПЕРЕДНЯЯ КРЫШКА (СЕРИЙНЫЙ НОМЕР 5219 И 5220) (V3300 DI T KUBOTA) (TIER I)

1Артикул: 668070...
2Артикул: 668070...
3Артикул: 668070...
Подробнее >