+7 (701) 588 50 05 Телефон для связи
RU

WhatsApp

Позвонить

КАРТЕР КОРОБКИ ПЕРЕДАЧ (KUBOTA D722-E2B-BC-1) — Продажа в Казахстане Цены от официального дилера с доставкой в Алматы, Астану и регионы

Техника доступна в:
Полный спектр услуг:
Для Вашего удобства:
Характеристики и описание
Габариты, схема
Техническая документация
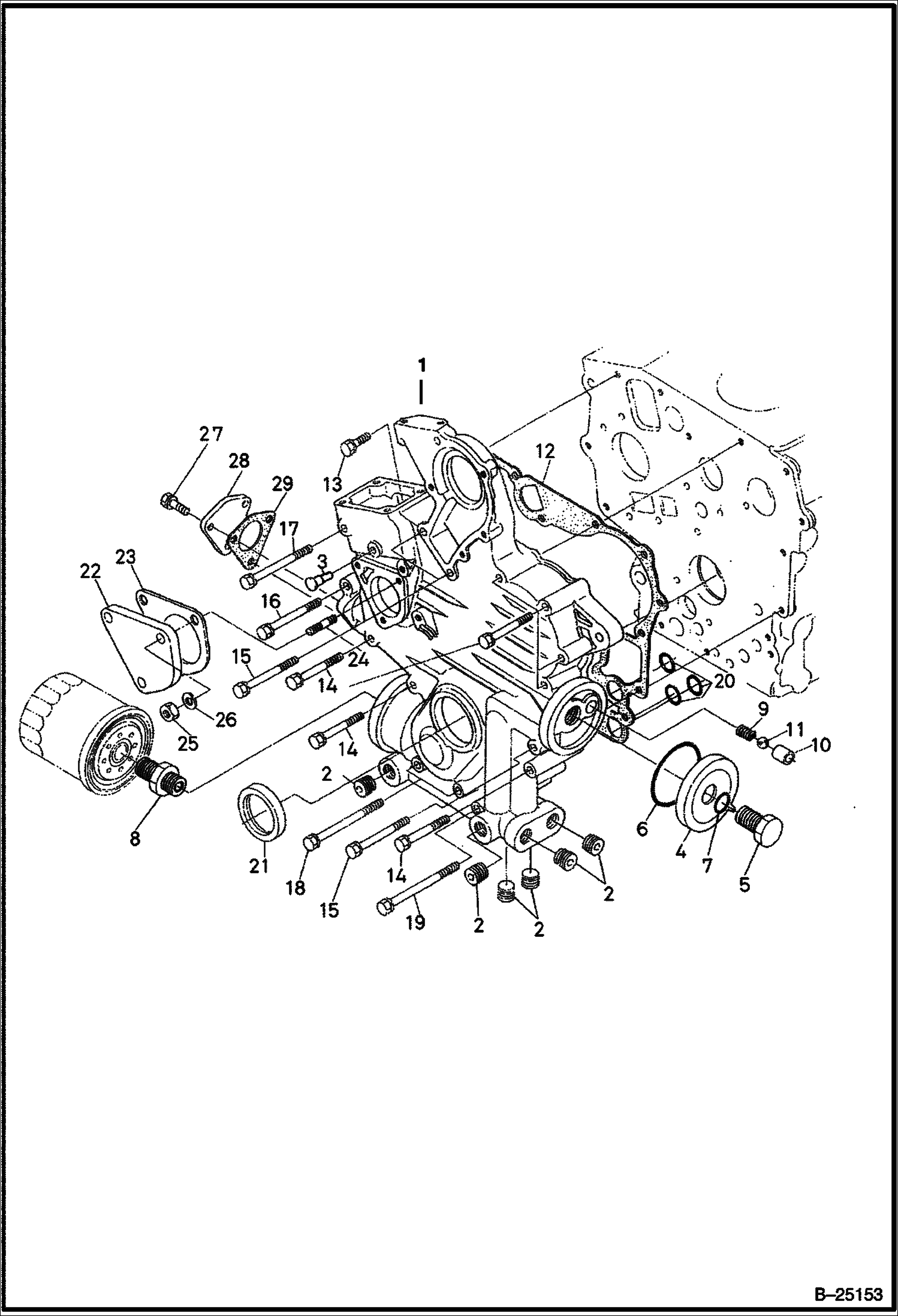
1 Артикул: 6688530, CASE
2 Артикул: 7018013, HOUSING, GEAR
3 Артикул: 6667425, PLUG
4 Артикул: 6670355, PIN
5 Артикул: 6677913, COVER
6 Артикул: 6688075, BOLT
7 Артикул: 6657422, O-RING
8 Артикул: 6670769, O-RING
9 Артикул: 6652597, ADAPTER Was 6680633 - A
10 Артикул: 6670359, SPRING
11 Артикул: 6670360, SEAT
12 Артикул: 6670361, BALL
13 Артикул: 6670356, GASKET
14 Артикул: 7017980, GASKET, GEARCASE
15 Артикул: 6652580, BOLT
16 Артикул: 6670770, BOLT
17 Артикул: 6670357, BOLT
18 Артикул: 6652593, BOLT
19 Артикул: 6670771, BOLT
20 Артикул: 6657414, BOLT
21 Артикул: 6670772, BOLT
22 Артикул: 6677915, SEAL
23 Артикул: 6670358, SEAL front crankshaft
24 Артикул: 6670362, COVER
25 Артикул: 6670363, GASKET
26 Артикул: 6652764, STUD Was 3974462B - A
27 Артикул: 1DM6, NUT
28 Артикул: 6667419, WASHER
29 Артикул: 6652580, BOLT
30 Артикул: 7000378, COVER, PLATE Was 6670773 - A
31 Артикул: 6688076, GASKET

КАРТЕР КОРОБКИ ПЕРЕДАЧ (KUBOTA D722-E2B-BC-1): Техника, которая работает на результат

КАРТЕР КОРОБКИ ПЕРЕДАЧ (KUBOTA D722-E2B-BC-1) на Bobcat 400s Bobcat 463 519911001 И ВЫШЕ, 520011001 И ВЫШЕ

Габаритные размеры

Габаритные размеры и схема КАРТЕР КОРОБКИ ПЕРЕДАЧ (KUBOTA D722-E2B-BC-1)

Нажмите на схему для увеличения

Документация

Документация временно недоступна.

Похожая техника в категории: СМЕННЫЙ ДВИГАТЕЛЬ (Bobcat)

Спецтехника ПОРШЕНЬ И КОЛЕНЧАТЫЙ ВАЛ (KUBOTA D722-E2B-BC-1)

ПОРШЕНЬ И КОЛЕНЧАТЫЙ ВАЛ (KUBOTA D722-E2B-BC-1)

1Артикул: 700037...
2Артикул: 667039...
3Артикул: 667039...
Подробнее >
Спецтехника КОМПЛЕКТ ДЕТАЛЕЙ ВЕРХНЕГО УПЛОТНИТЕЛЬНОГО КОЛЬЦА (KUBOTA D722-E2B-BC-1)

КОМПЛЕКТ ДЕТАЛЕЙ ВЕРХНЕГО УПЛОТНИТЕЛЬНОГО КОЛЬЦА (KUBOTA D722-E2B-BC-1)

1Артикул: UPPER,...
2Артикул: 668806...
3Артикул: 397497...
Подробнее >
Спецтехника ГОЛОВКА ЦИЛИНДРА (KUBOTA D722-E2B-BC-1)

ГОЛОВКА ЦИЛИНДРА (KUBOTA D722-E2B-BC-1)

1Артикул: 668805...
2Артикул: 668805...
3Артикул: 701696...
Подробнее >
Спецтехника РАСПРЕДЕЛИТЕЛЬНЫЙ ВАЛ (KUBOTA D722-E2B-BC-1)

РАСПРЕДЕЛИТЕЛЬНЫЙ ВАЛ (KUBOTA D722-E2B-BC-1)

1Артикул: 667038...
2Артикул: 667038...
3Артикул: 667038...
Подробнее >
Спецтехника ТОПЛИВНАЯ СИСТЕМА И НАСОС ВПРЫСКА (KUBOTA D722-E2B-BC-1)

ТОПЛИВНАЯ СИСТЕМА И НАСОС ВПРЫСКА (KUBOTA D722-E2B-BC-1)

1Артикул: 667043...
2Артикул: 730247...
3Артикул: 668027...
Подробнее >
Спецтехника КОЛЛЕКТОРЫ (KUBOTA D722-E2B-BC-1)

КОЛЛЕКТОРЫ (KUBOTA D722-E2B-BC-1)

1Артикул: 668806...
2Артикул: 667053...
3Артикул: 397428...
Подробнее >
Спецтехника КОМПЛЕКТ НИЖНИХ ПРОКЛАДОК (KUBOTA D722-E2B-BC-1)

КОМПЛЕКТ НИЖНИХ ПРОКЛАДОК (KUBOTA D722-E2B-BC-1)

1Артикул: 668901...
2Артикул: 396651...
3Артикул: 667035...
Подробнее >
Спецтехника КРЫШКА КОРОМЫСЛА КЛАПАНА (KUBOTA D722-E2B-BC-1)

КРЫШКА КОРОМЫСЛА КЛАПАНА (KUBOTA D722-E2B-BC-1)

1Артикул: 668806...
2Артикул: 668766...
3Артикул: 668806...
Подробнее >
Спецтехника РЕГУЛЯТОР СКОРОСТИ И СТОПОРНАЯ РУКОЯТКА (KUBOTA D722-E2B-BC-1)

РЕГУЛЯТОР СКОРОСТИ И СТОПОРНАЯ РУКОЯТКА (KUBOTA D722-E2B-BC-1)

1Артикул: 667042...
2Артикул: 667042...
3Артикул: BOLT, ...
Подробнее >
Спецтехника ТОПЛИВНЫЙ РАСПРЕДЕЛИТЕЛЬНЫЙ ВАЛ (KUBOTA D722-E2B-BC-1)

ТОПЛИВНЫЙ РАСПРЕДЕЛИТЕЛЬНЫЙ ВАЛ (KUBOTA D722-E2B-BC-1)

1Артикул: 667041...
2Артикул: 667041...
3Артикул: 667042...
Подробнее >
Спецтехника ВОДЯНОЙ ФЛАНЕЦ И ТЕРМОСТАТ (KUBOTA D722-E2B-BC-1)

ВОДЯНОЙ ФЛАНЕЦ И ТЕРМОСТАТ (KUBOTA D722-E2B-BC-1)

1Артикул: 667049...
2Артикул: 667078...
3Артикул: 667050...
Подробнее >
Спецтехника ПОДДОН КАРТЕРА (KUBOTA D722-E2B-BC-1)

ПОДДОН КАРТЕРА (KUBOTA D722-E2B-BC-1)

1Артикул: 668573...
2Артикул: GASKET...
3Артикул: 663282...
Подробнее >