+7 (701) 588 50 05 Телефон для связи
RU

WhatsApp

Позвонить

КОЛЛЕКТОР — Продажа в Казахстане Цены от официального дилера с доставкой в Алматы, Астану и регионы

Техника доступна в:
Полный спектр услуг:
Для Вашего удобства:
Характеристики и описание
Габариты, схема
Техническая документация
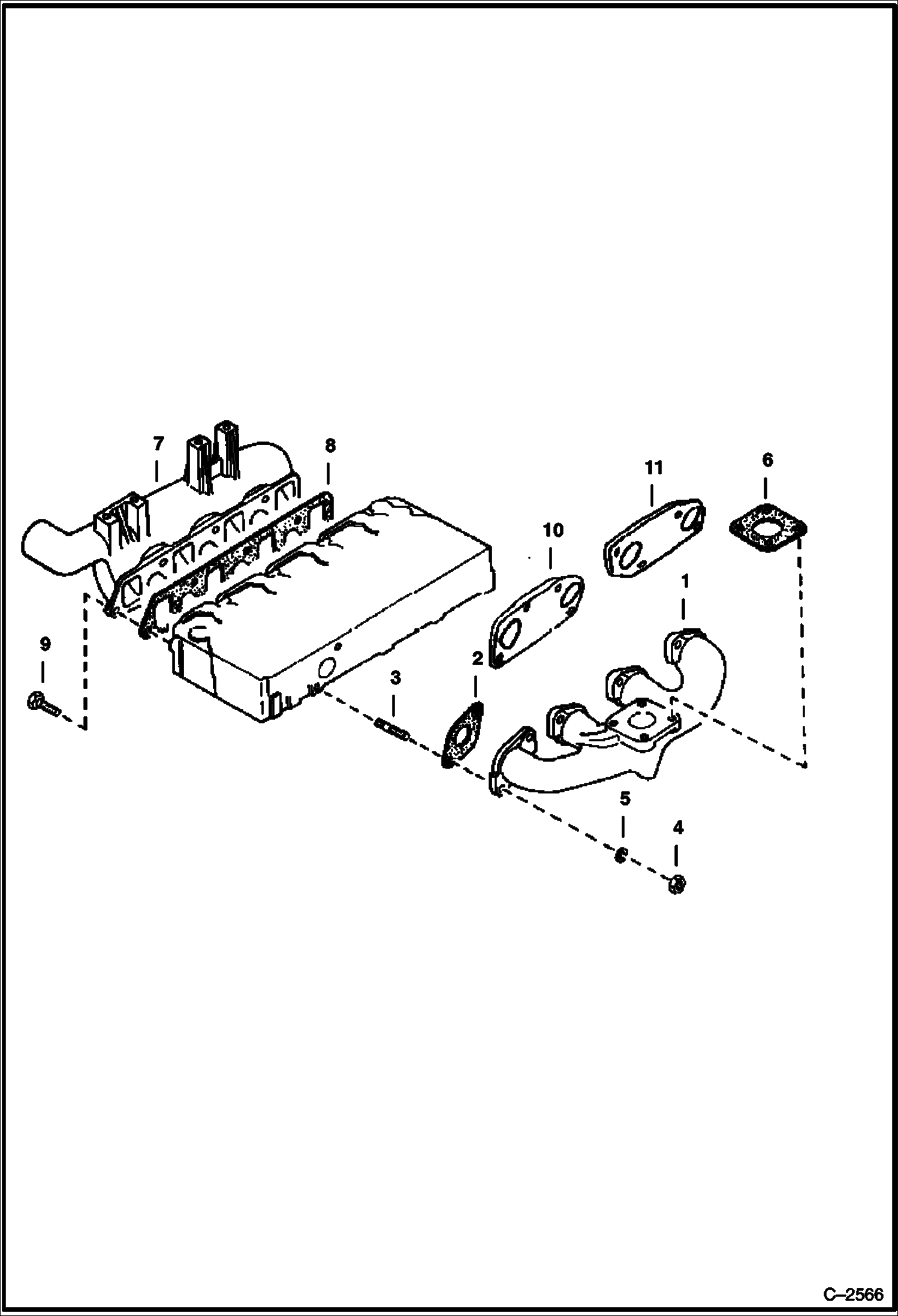
1 Артикул: 6598132, MANIFOLD Exhaust
2 Артикул: GASKET, GASKET NLA - Ref. 10 & 11 - Was 3974915B - A
3 Артикул: 6652670, STUD Was 3974916B - A
4 Артикул: 1DM8, NUT Was 25DM00008B - A
5 Артикул: 6EM80, WASHER, SPRING
6 Артикул: 6575580, GASKET muffler - Was 6598088 - A
7 Артикул: 6598129, MANIFOLD Intake - shown
8 Артикул: 6598763, MANIFOLD Intake
9 Артикул: 6666801, GASKET Was 3975418B - A
10 Артикул: 4CM822, BOLT
11 Артикул: 6666781, GASKET
12 Артикул: 6666791, GASKET

КОЛЛЕКТОР: Техника, которая работает на результат

КОЛЛЕКТОР на Bobcat 700s Bobcat 743 501911001 И ВЫШЕ

Габаритные размеры

Габаритные размеры и схема КОЛЛЕКТОР

Нажмите на схему для увеличения

Документация

Документация временно недоступна.

Похожая техника в категории: ЗАПЧАСТИ ДВИГАТЕЛЯ (Bobcat)

Спецтехника ДРОССЕЛЬНАЯ ЗАСЛОНКА И ВЫКЛЮЧЕНИЕ ПОДАЧИ ТОПЛИВА

ДРОССЕЛЬНАЯ ЗАСЛОНКА И ВЫКЛЮЧЕНИЕ ПОДАЧИ ТОПЛИВА

1Артикул: 655485...
2Артикул: 62D4, ...
3Артикул: 656249...
Подробнее >
Спецтехника РАСПРЕДВАЛ

РАСПРЕДВАЛ

1Артикул: 701526...
2Артикул: 397454...
3Артикул: 659813...
Подробнее >
Спецтехника ФОРСУНКОДЕРЖАТЕЛЬ

ФОРСУНКОДЕРЖАТЕЛЬ

1Артикул: 397425...
2Артикул: 397432...
3Артикул: 397432...
Подробнее >
Спецтехника КОМПЛЕКТ ПРОКЛАДОК ВЕРХНЕЙ ЧАСТИ

КОМПЛЕКТ ПРОКЛАДОК ВЕРХНЕЙ ЧАСТИ

1Артикул: 663055...
2Артикул: 666680...
3Артикул: 666678...
Подробнее >
Спецтехника ДВИГАТЕЛЬ И КРЕПЕЖНЫЕ ДЕТАЛИ (СЕРИЙНЫЙ НОМЕР 14999 И НИЖЕ)

ДВИГАТЕЛЬ И КРЕПЕЖНЫЕ ДЕТАЛИ (СЕРИЙНЫЙ НОМЕР 14999 И НИЖЕ)

1Артикул: 57D6, ...
2Артикул: 84G371...
3Артикул: 656786...
Подробнее >
Спецтехника ТОПЛИВНЫЙ НАСОС

ТОПЛИВНЫЙ НАСОС

1Артикул: 665551...
2Артикул: 665520...
3Артикул: 397436...
Подробнее >
Спецтехника ТОПЛИВНЫЙ РАСПРЕДЕЛИТЕЛЬНЫЙ ВАЛ

ТОПЛИВНЫЙ РАСПРЕДЕЛИТЕЛЬНЫЙ ВАЛ

1Артикул: 659813...
2Артикул: 665368...
3Артикул: 659814...
Подробнее >
Спецтехника КРЫШКА КОРОМЫСЛА КЛАПАНА

КРЫШКА КОРОМЫСЛА КЛАПАНА

1Артикул: 397492...
2Артикул: 397492...
3Артикул: 397492...
Подробнее >
Спецтехника ДВИГАТЕЛЬ (KUBOTA - V1702-B)

ДВИГАТЕЛЬ (KUBOTA - V1702-B)

1Артикул: ENGINE...
2Артикул: 656223...
3Артикул: SHORT,...
Подробнее >
Спецтехника ФИЛЬТР ДЛЯ ТОПЛИВА

ФИЛЬТР ДЛЯ ТОПЛИВА

1Артикул: 656034...
2Артикул: 1C432,...
3Артикул: 659822...
Подробнее >
Спецтехника РЫЧАГ ОСТАНОВА ДВИГАТЕЛЯ

РЫЧАГ ОСТАНОВА ДВИГАТЕЛЯ

1Артикул: 659814...
2Артикул: 659815...
3Артикул: 659815...
Подробнее >
Спецтехника РЕДУКТОР

РЕДУКТОР

1Артикул: CASE, ...
2Артикул: 667551...
3Артикул: 397403...
Подробнее >