+7 (701) 588 50 05 Телефон для связи
RU

WhatsApp

Позвонить

РЕДУКТОР — Продажа в Казахстане Цены от официального дилера с доставкой в Алматы, Астану и регионы

Техника доступна в:
Полный спектр услуг:
Для Вашего удобства:
Характеристики и описание
Габариты, схема
Техническая документация
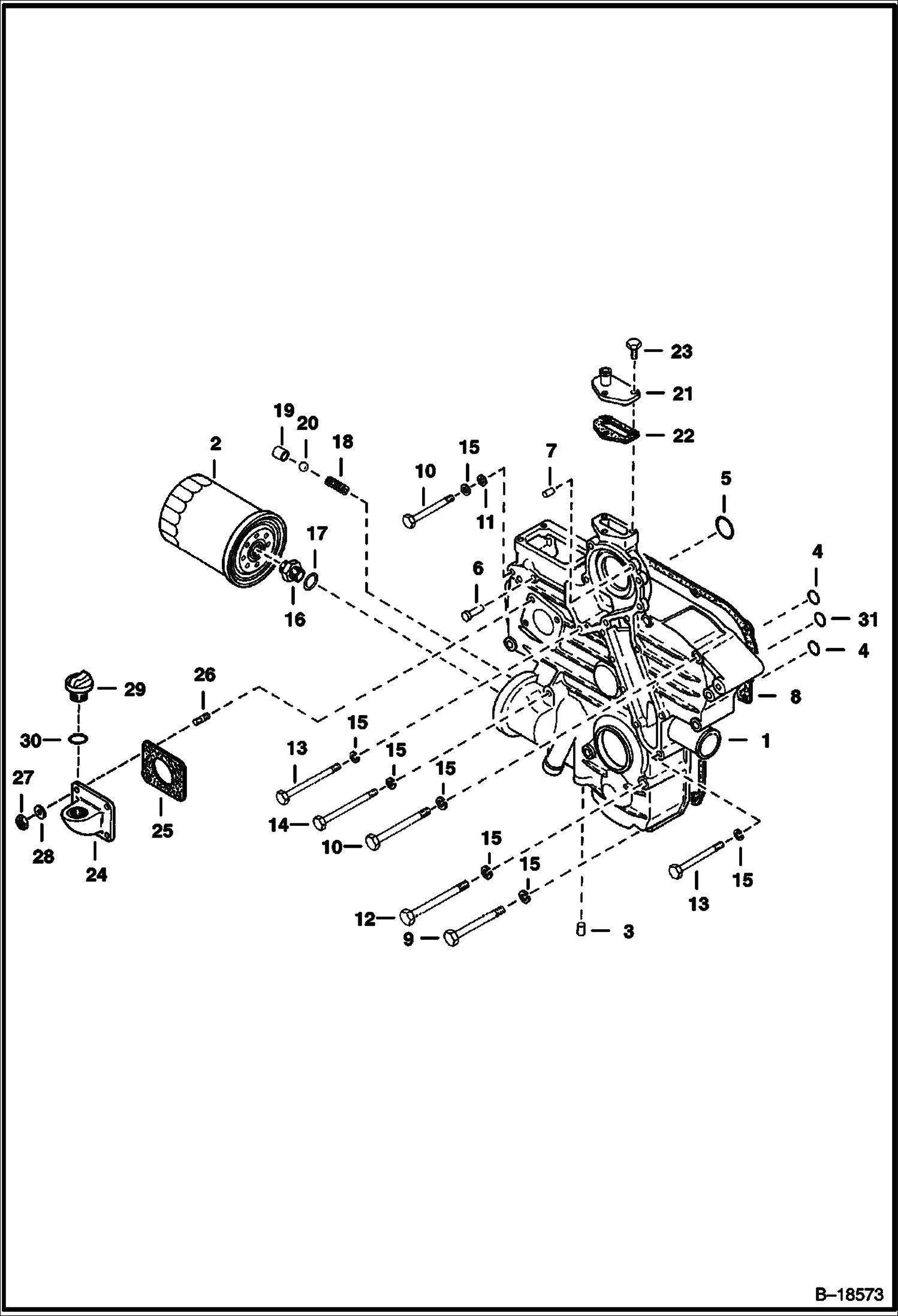
1 Артикул: CASE, CASE ASSY. NLA - gear - W/Ref. 3-7 - Was 6674164 - A
2 Артикул: 6675517, FILTER, OIL ENG 12 oil filter - 12 Pack - Was 3974896 - A
3 Артикул: 3974035, PLUG pin
4 Артикул: 3966515, O RING
5 Артикул: 3966530, O RING
6 Артикул: 6652592, PIN start spring - Was 3974074B - A
7 Артикул: 3974395, PIN straight
8 Артикул: 6655481, GASKET gearcase - Was 6653806 - A
9 Артикул: 6666800, GASKET gearcase
10 Артикул: 3974888, BOLT
11 Артикул: 1CM870, BOLT
12 Артикул: 1EM80, WASHER
13 Артикул: 1CM880, BOLT
14 Артикул: 6653808, BOLT Was 3974890B - A
15 Артикул: 1CM895, BOLT
16 Артикул: 6EM80, WASHER, SPRING
17 Артикул: 6653809, CONNECTOR Was 3974891B - A
18 Артикул: 15EM180, WASHER
19 Артикул: 6652652, SPRING Was 3974892B - A
20 Артикул: 3974893, SEAT valve
21 Артикул: 10J13, BALL
22 Артикул: 3974894, FLANGE water return
23 Артикул: 6666803, GASKET water return flange - Was 3974895B - A
24 Артикул: 1CM620, BOLT Was 4CM620 - A
25 Артикул: 6562466, INLET oil filler
26 Артикул: 6714543, GASKET Was 6666785 - A
27 Артикул: 6652764, STUD Was 3974462B - A
28 Артикул: 1DM6, NUT
29 Артикул: 6EM60, WASHER, SPRING spring
30 Артикул: 6685924, CAP oil filler - Was 6652653 - A
31 Артикул: 3966602, O RING oil fill plug
32 Артикул: 6655162, O-RING
33 Артикул: 3966515, O RING Was 3966516B - C

РЕДУКТОР: Техника, которая работает на результат

РЕДУКТОР на Bobcat 700s Bobcat 743 501911001 И ВЫШЕ

Габаритные размеры

Габаритные размеры и схема РЕДУКТОР

Нажмите на схему для увеличения

Документация

Документация временно недоступна.

Похожая техника в категории: ЗАПЧАСТИ ДВИГАТЕЛЯ (Bobcat)

Спецтехника ДРОССЕЛЬНАЯ ЗАСЛОНКА И ВЫКЛЮЧЕНИЕ ПОДАЧИ ТОПЛИВА

ДРОССЕЛЬНАЯ ЗАСЛОНКА И ВЫКЛЮЧЕНИЕ ПОДАЧИ ТОПЛИВА

1Артикул: 655485...
2Артикул: 62D4, ...
3Артикул: 656249...
Подробнее >
Спецтехника РАСПРЕДВАЛ

РАСПРЕДВАЛ

1Артикул: 701526...
2Артикул: 397454...
3Артикул: 659813...
Подробнее >
Спецтехника ФОРСУНКОДЕРЖАТЕЛЬ

ФОРСУНКОДЕРЖАТЕЛЬ

1Артикул: 397425...
2Артикул: 397432...
3Артикул: 397432...
Подробнее >
Спецтехника КОМПЛЕКТ ПРОКЛАДОК ВЕРХНЕЙ ЧАСТИ

КОМПЛЕКТ ПРОКЛАДОК ВЕРХНЕЙ ЧАСТИ

1Артикул: 663055...
2Артикул: 666680...
3Артикул: 666678...
Подробнее >
Спецтехника ДВИГАТЕЛЬ И КРЕПЕЖНЫЕ ДЕТАЛИ (СЕРИЙНЫЙ НОМЕР 14999 И НИЖЕ)

ДВИГАТЕЛЬ И КРЕПЕЖНЫЕ ДЕТАЛИ (СЕРИЙНЫЙ НОМЕР 14999 И НИЖЕ)

1Артикул: 57D6, ...
2Артикул: 84G371...
3Артикул: 656786...
Подробнее >
Спецтехника ТОПЛИВНЫЙ НАСОС

ТОПЛИВНЫЙ НАСОС

1Артикул: 665551...
2Артикул: 665520...
3Артикул: 397436...
Подробнее >
Спецтехника ТОПЛИВНЫЙ РАСПРЕДЕЛИТЕЛЬНЫЙ ВАЛ

ТОПЛИВНЫЙ РАСПРЕДЕЛИТЕЛЬНЫЙ ВАЛ

1Артикул: 659813...
2Артикул: 665368...
3Артикул: 659814...
Подробнее >
Спецтехника КРЫШКА КОРОМЫСЛА КЛАПАНА

КРЫШКА КОРОМЫСЛА КЛАПАНА

1Артикул: 397492...
2Артикул: 397492...
3Артикул: 397492...
Подробнее >
Спецтехника ДВИГАТЕЛЬ (KUBOTA - V1702-B)

ДВИГАТЕЛЬ (KUBOTA - V1702-B)

1Артикул: ENGINE...
2Артикул: 656223...
3Артикул: SHORT,...
Подробнее >
Спецтехника КОЛЛЕКТОР

КОЛЛЕКТОР

1Артикул: 659813...
2Артикул: GASKET...
3Артикул: 665267...
Подробнее >
Спецтехника ФИЛЬТР ДЛЯ ТОПЛИВА

ФИЛЬТР ДЛЯ ТОПЛИВА

1Артикул: 656034...
2Артикул: 1C432,...
3Артикул: 659822...
Подробнее >
Спецтехника РЫЧАГ ОСТАНОВА ДВИГАТЕЛЯ

РЫЧАГ ОСТАНОВА ДВИГАТЕЛЯ

1Артикул: 659814...
2Артикул: 659815...
3Артикул: 659815...
Подробнее >