+7 (701) 588 50 05 Телефон для связи
RU

WhatsApp

Позвонить

КОЛЛЕКТОР — Продажа в Казахстане Цены от официального дилера с доставкой в Алматы, Астану и регионы

Техника доступна в:
Полный спектр услуг:
Для Вашего удобства:
Характеристики и описание
Габариты, схема
Техническая документация
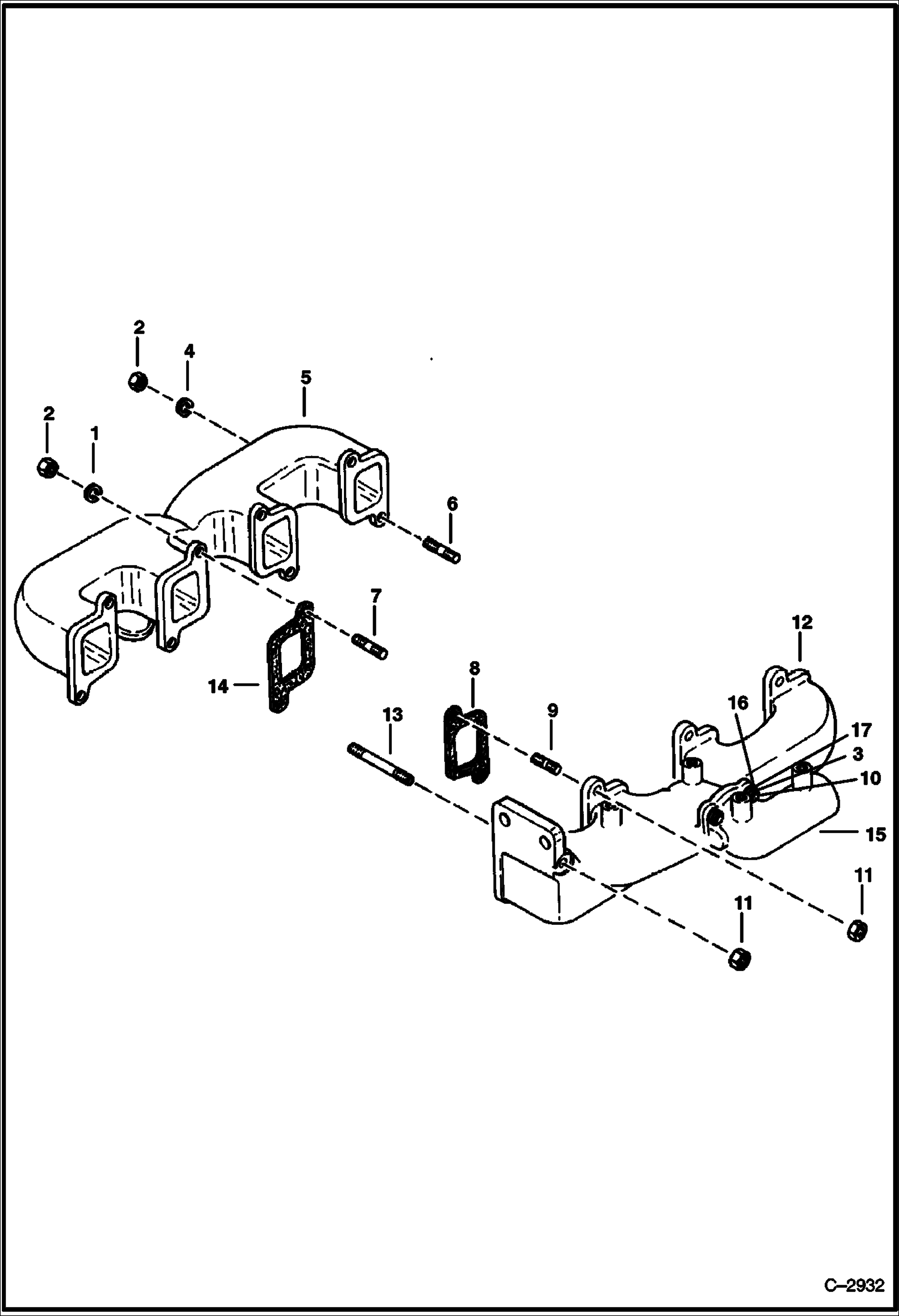
1 Артикул: 3725700, WASHER
2 Артикул: 6599261, NUT
3 Артикул: 10D5, NUT
4 Артикул: 23E5, L WASHER Was 2E000005B - A
5 Артикул: 6599304, MANIFOLD Exhaust
6 Артикул: 3726965, STUD NLA - Was 3726965 - A
7 Артикул: STUD, STUD NLA - Was 6599182 - A
8 Артикул: GASKET, GASKET NLA - Was 6599236 - A
9 Артикул: 6510484, STUD
10 Артикул: 6599191, STUD
11 Артикул: 62D5, NUT
12 Артикул: MANIFOLD, MANIFOLD NLA - Intake - Was 6599298 - A
13 Артикул: STUD, STUD NLA - Was 6599176 - A
14 Артикул: GASKET, GASKET NLA - Was 6599260 - A
15 Артикул: 6599300, ELBOW
16 Артикул: GASKET, GASKET NLA - Was 6599303 - A
17 Артикул: 2E6, WASHER

КОЛЛЕКТОР: Техника, которая работает на результат

КОЛЛЕКТОР на Bobcat 800s Bobcat 843 502613001 - 502623999

Габаритные размеры

Габаритные размеры и схема КОЛЛЕКТОР

Нажмите на схему для увеличения

Документация

Документация временно недоступна.

Похожая техника в категории: ЗАПЧАСТИ ДВИГАТЕЛЯ (Bobcat)

Спецтехника БЛОК ЦИЛИНДРОВ

БЛОК ЦИЛИНДРОВ

1Артикул: 659929...
2Артикул: LINER,...
3Артикул: PLUG,,...
Подробнее >
Спецтехника ВОДЯНАЯ ПОМПА

ВОДЯНАЯ ПОМПА

1Артикул: 18C520...
2Артикул: 23E5, ...
3Артикул: COVER,...
Подробнее >
Спецтехника ДРОССЕЛЬНАЯ ЗАСЛОНКА

ДРОССЕЛЬНАЯ ЗАСЛОНКА

1Артикул: 7D6, N...
2Артикул: 27E6, ...
3Артикул: 656212...
Подробнее >
Спецтехника СМАЗОЧНАЯ СИСТЕМА

СМАЗОЧНАЯ СИСТЕМА

1Артикул: NLA, N...
2Артикул: 659924...
3Артикул: 659925...
Подробнее >
Спецтехника СИСТЕМА ВПРЫСКА ТОПЛИВА

СИСТЕМА ВПРЫСКА ТОПЛИВА

1Артикул: 659929...
2Артикул: 659924...
3Артикул: KEY, K...
Подробнее >
Спецтехника КРЫШКА РАСПРЕДЕЛИТЕЛЬНЫХ ШЕСТЕРЕН

КРЫШКА РАСПРЕДЕЛИТЕЛЬНЫХ ШЕСТЕРЕН

1Артикул: 659920...
2Артикул: GASKET...
3Артикул: STUD, ...
Подробнее >
Спецтехника ФИЛЬТР ДЛЯ ТОПЛИВА (СЕРИЙНЫЙ НОМЕР 13316 И ВЫШЕ)

ФИЛЬТР ДЛЯ ТОПЛИВА (СЕРИЙНЫЙ НОМЕР 13316 И ВЫШЕ)

1Артикул: 656034...
2Артикул: 1C432,...
3Артикул: 659822...
Подробнее >
Спецтехника ДВИГАТЕЛЬ (PERKINS 4.154)

ДВИГАТЕЛЬ (PERKINS 4.154)

1Артикул: ENGINE...
2Артикул: SHORT,...
3Артикул: ENGINE...
Подробнее >
Спецтехника КОМПЛЕКТ ПРОКЛАДОК

КОМПЛЕКТ ПРОКЛАДОК

1Артикул: KIT, K...
2Артикул: GASKET...
3Артикул: GASKET...
Подробнее >
Спецтехника ВОЗДУШНЫЙ ФИЛЬТР

ВОЗДУШНЫЙ ФИЛЬТР

1Артикул: AIR, A...
2Артикул: TANK, ...
3Артикул: 659849...
Подробнее >
Спецтехника КОЛЕНЧАТЫЙ ВАЛ

КОЛЕНЧАТЫЙ ВАЛ

1Артикул: WASHER...
2Артикул: WASHER...
3Артикул: 998302...
Подробнее >
Спецтехника ДВИГАТЕЛЬ И КРЕПЕЖНЫЕ ДЕТАЛИ (СЕРИЙНЫЙ НОМЕР 16488 И НИЖЕ)

ДВИГАТЕЛЬ И КРЕПЕЖНЫЕ ДЕТАЛИ (СЕРИЙНЫЙ НОМЕР 16488 И НИЖЕ)

1Артикул: 84G371...
2Артикул: 651206...
3Артикул: 84G371...
Подробнее >