ЗАПЧАСТИ ДВИГАТЕЛЯ в Алматы
БЛОК ЦИЛИНДРОВ
1Артикул: 6599297, BLOCK
2Артикул: LINER, LINER NLA - Was 6599247 - A
3Артикул: PLUG,, PLUG, HEAD CYL ENG NLA - Was 6598743 - A
ВОДЯНАЯ ПОМПА
1Артикул: 18C520, BOLT
2Артикул: 23E5, L WASHER Was 2E000005B - A
3Артикул: COVER, COVER NLA - Was 6599245
ДРОССЕЛЬНАЯ ЗАСЛОНКА
1Артикул: 7D6, NUT
2Артикул: 27E6, WASHER 5
3Артикул: 6562126, SPRING
СМАЗОЧНАЯ СИСТЕМА
1Артикул: NLA, NLA - Was 6599290 - A
2Артикул: 6599242, PLUNGER
3Артикул: 6599253, SPRING
СИСТЕМА ВПРЫСКА ТОПЛИВА
1Артикул: 6599299, PUMP
2Артикул: 6599241, GASKET
3Артикул: KEY, KEY NLA - Was 6599251 - A
КРЫШКА РАСПРЕДЕЛИТЕЛЬНЫХ ШЕСТЕРЕН
1Артикул: 6599204, HOUSING
2Артикул: GASKET, GASKET NLA - Was 6599206 - A
3Артикул: STUD, STUD NLA - Was 6599175 - A
ФИЛЬТР ДЛЯ ТОПЛИВА (СЕРИЙНЫЙ НОМЕР 13316 И ВЫШЕ)
1Артикул: 6560348, FITLER, FUEL ASSY Ref. 2-11
2Артикул: 1C432, SCREW Was 6598227 - A
3Артикул: 6598226, WASHER
ДВИГАТЕЛЬ (PERKINS 4.154)
1Артикул: ENGINE, ENGINE NLA - Perkins - Does not include flywheel housing, starter, tackometer, flywheel, alternator belt, alternator, water trap. & cooling fan - Order 6564576REM - Was 6564576 - A
2Артикул: SHORT, SHORT BLOCK NLA - W/liners & all plugs, mainbearings, thrust washers, crankshaft, rods, rod bearing, piston, piston rings, rear housing & seal - Does not include camshaft & gear - Was 6631007 - A
3Артикул: ENGINE, ENGINE NLA - Reman. - Does not include flywheel housing, starter, tackometer, flywheel, alternatorbelt, alternator, water trap., cooling fan & exhaust manifold - Was 6564576REM - A
КОМПЛЕКТ ПРОКЛАДОК
1Артикул: KIT, KIT NLA - Ref. 2-21, 23 & 24 - Was 6630143 - A
2Артикул: GASKET, GASKET NLA - Was 6599236 - A
3Артикул: GASKET, GASKET NLA - Was 6599260 - A
ВОЗДУШНЫЙ ФИЛЬТР
1Артикул: AIR, AIR CLEANER NLA - Ref. 2-10 - Was 6562208 - A
2Артикул: TANK, TANK NLA
3Артикул: 6598492, ELEMENT Was 886525B - A
КОЛЕНЧАТЫЙ ВАЛ
1Артикул: WASHER, WASHER NLA - thrust - std - set of 4 halves - Was 6599250 - A
2Артикул: WASHER, WASHER NLA - thrust - .014 (.355 mm) - 4 thrust washers - Was 6630229 - A
3Артикул: 998302, BOLT
ДВИГАТЕЛЬ И КРЕПЕЖНЫЕ ДЕТАЛИ (СЕРИЙНЫЙ НОМЕР 16488 И НИЖЕ)
1Артикул: 84G3716, SCREW 5
2Артикул: 6512067, GROMMET
3Артикул: 84G3712, BOLT 5
КАРДАННЫЙ ШАРНИР
1Артикул: 6599451, U-JOINT Ref. 4-8 & 12
2Артикул: 6562882, ADAPTER flywheel
3Артикул: 17C624, BOLT 5
ТОЛКАТЕЛЬ В СБОРЕ И РАСПРЕДЕЛИТЕЛЬНЫЙ ВАЛ
1Артикул: 6599227, SHAFT rocker assy.
2Артикул: BRACKET, BRACKET NLA - Was 6599230 - A
3Артикул: SPRING, SPRING NLA - Was 997937B - A
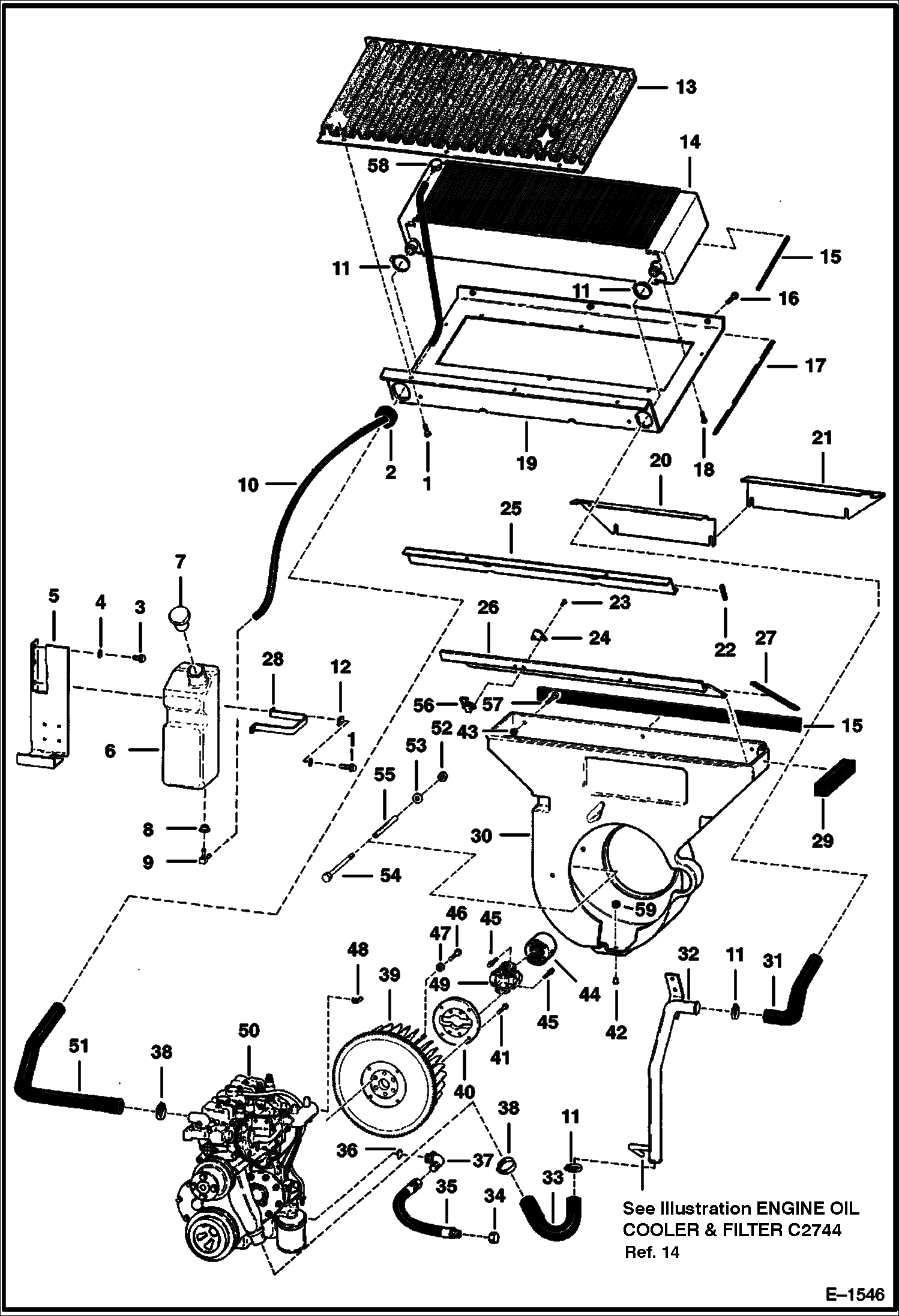
УСТРОЙСТВО ОХЛАЖДЕНИЯ МАСЛА ДВИГАТЕЛЯ И ФИЛЬТР
1Артикул: TUBE, TUBE NLA - Was 6564569 - A
2Артикул: GASKET, GASKET NLA - Was 997782B - A
3Артикул: HOSE, HOSE NLA - Order 889269B - Was 6564615 - A
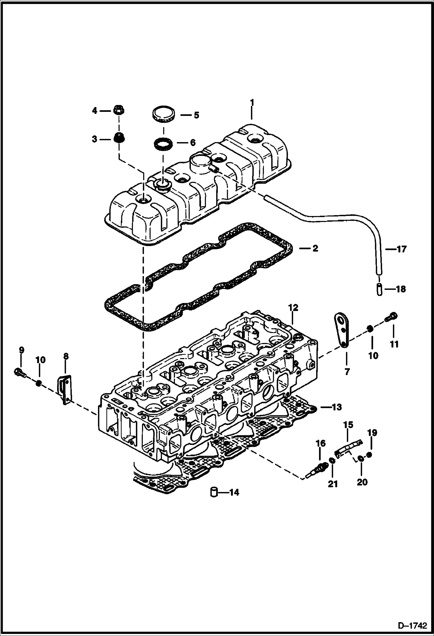
КЛАПАННАЯ КРЫШКА
1Артикул: COVER, COVER NLA - Order (1) 6662856 cover, (1) 6662857 gasket, (4) 6662858 washer, (1) 6662859 cap, (2) 6662860 nut, (2) 6662861 bolt, (2) 6662862 stud, (1) 6662863 hose & (2) 6599690 bolt - Was 6599269 - A
2Артикул: 6599184, GASKET
3Артикул: 6599183, SEAL
ДВИГАТЕЛЬ И КРЕПЕЖНЫЕ ДЕТАЛИ (СЕРИЙНЫЙ НОМЕР 16489 И ВЫШЕ)
1Артикул: 84G3716, SCREW 5
2Артикул: 6512067, GROMMET
3Артикул: 84G3712, BOLT 5