+7 (701) 588 50 05 Телефон для связи
RU

WhatsApp

Позвонить

ДВИГАТЕЛЬ И КРЕПЕЖНЫЕ ДЕТАЛИ (СЕРИЙНЫЙ НОМЕР 16489 И ВЫШЕ) — Продажа в Казахстане Цены от официального дилера с доставкой в Алматы, Астану и регионы

Техника доступна в:
Полный спектр услуг:
Для Вашего удобства:
Характеристики и описание
Габариты, схема
Техническая документация
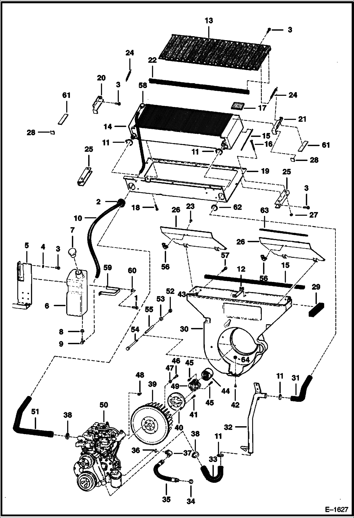
1 Артикул: 84G3716, SCREW 5
2 Артикул: 6512067, GROMMET
3 Артикул: 84G3712, BOLT 5
4 Артикул: 6E6, WASHER
5 Артикул: 6567509, MOUNT
6 Артикул: 6567508, TANK
7 Артикул: 6702797, CAP Was 6558658 - A
8 Артикул: 6553411, BUSHING
9 Артикул: 6553412, ELBOW
10 Артикул: 6562603, HOSE
11 Артикул: 42H32, HS CLAMP5
12 Артикул: 6568898, BRACE
13 Артикул: 6567714, GRILL
14 Артикул: 6630558, RADIATOR
15 Артикул: 6511855, SEAL self adhesive - sold per foot
16 Артикул: 7C536, BOLT
17 Артикул: 6554274, INSULATION foam - bulk - sold per foot
18 Артикул: 1C506, BOLT Was 17C000506B - A
19 Артикул: 6567715, SHIELD
20 Артикул: RETAINER, RETAINER NLA - Was 6567893 retainer - W/Ref. 61 & 62
21 Артикул: 6567892, RETAINER retainer - W/Ref. 61 & 62
22 Артикул: 4126590, MOULDING bulk - sold per foot
23 Артикул: 6631024, RIVET
24 Артикул: 6630533, SPRING
25 Артикул: 6567719, CHANNEL channel
26 Артикул: 6567718, COVER
27 Артикул: 57D5, NUT
28 Артикул: 6567895, STRIP rubber
29 Артикул: 6560690, STRIP foam
30 Артикул: 6562211, BLOWER SHROUD blower
31 Артикул: 6564494, HOSE
32 Артикул: TUBE, TUBE Was 6564499 - A
33 Артикул: 6564495, HOSE
34 Артикул: 36K6, CAP
35 Артикул: 6805079, HOSE Was 6564639 - C
36 Артикул: 79K8, O RING 10
37 Артикул: 17K6, ELBOW
38 Артикул: 42H32, HS CLAMP5 Was 42H000024B - A
39 Артикул: 6563110, BLOWER wheel - W/Ring Gear
40 Артикул: 6513662, RING GEAR
41 Артикул: 6562882, ADAPTER
42 Артикул: 17C624, BOLT 5
43 Артикул: RIVET, RIVET NLA - Order 35C000620B & 59D000006B - Was 1316539B - A
44 Артикул: 35C620, BOLT 5
45 Артикул: 83D6, NUT 5
46 Артикул: 6562879, YOKE, POWER TRANSFER See Illustration UNIVERSAL JOINT/ B8970
47 Артикул: 94G524, BOLT 5
48 Артикул: 18C822, SCREW
49 Артикул: 6557929, WASHER
50 Артикул: 6513679, VALVE
51 Артикул: U-JOINT, U-JOINT See Illustration UNIVERSAL JOINT/ B8970
52 Артикул: 6564576, ENGINE See Illustration ENGINE/ E1686
53 Артикул: 6564220, HOSE
54 Артикул: 85D6, NUT, 5
55 Артикул: 25E18, WASHER
56 Артикул: 6565333, BOLT
57 Артикул: 6563592, BUSHING
58 Артикул: 6598955, LATCH
59 Артикул: 84G3720, BOLT
60 Артикул: 6666606, RADIATOR CAP radiator - Was 6665383 - A
61 Артикул: 6567510, BAND
62 Артикул: 6567511, WASHER
63 Артикул: 6567894, STRIP rubber
64 Артикул: 6512686, MOULDING bulk - sold per foot
65 Артикул: 6578062, SEAL bulk - sold per foot
66 Артикул: 59D6, NUT

ДВИГАТЕЛЬ И КРЕПЕЖНЫЕ ДЕТАЛИ (СЕРИЙНЫЙ НОМЕР 16489 И ВЫШЕ): Техника, которая работает на результат

ДВИГАТЕЛЬ И КРЕПЕЖНЫЕ ДЕТАЛИ (СЕРИЙНЫЙ НОМЕР 16489 И ВЫШЕ) на Bobcat 800s Bobcat 843 502613001 - 502623999

Габаритные размеры

Габаритные размеры и схема ДВИГАТЕЛЬ И КРЕПЕЖНЫЕ ДЕТАЛИ (СЕРИЙНЫЙ НОМЕР 16489 И ВЫШЕ)

Нажмите на схему для увеличения

Документация

Документация временно недоступна.

Похожая техника в категории: ЗАПЧАСТИ ДВИГАТЕЛЯ (Bobcat)

Спецтехника БЛОК ЦИЛИНДРОВ

БЛОК ЦИЛИНДРОВ

1Артикул: 659929...
2Артикул: LINER,...
3Артикул: PLUG,,...
Подробнее >
Спецтехника ВОДЯНАЯ ПОМПА

ВОДЯНАЯ ПОМПА

1Артикул: 18C520...
2Артикул: 23E5, ...
3Артикул: COVER,...
Подробнее >
Спецтехника ДРОССЕЛЬНАЯ ЗАСЛОНКА

ДРОССЕЛЬНАЯ ЗАСЛОНКА

1Артикул: 7D6, N...
2Артикул: 27E6, ...
3Артикул: 656212...
Подробнее >
Спецтехника СМАЗОЧНАЯ СИСТЕМА

СМАЗОЧНАЯ СИСТЕМА

1Артикул: NLA, N...
2Артикул: 659924...
3Артикул: 659925...
Подробнее >
Спецтехника КОЛЛЕКТОР

КОЛЛЕКТОР

1Артикул: 372570...
2Артикул: 659926...
3Артикул: 10D5, ...
Подробнее >
Спецтехника СИСТЕМА ВПРЫСКА ТОПЛИВА

СИСТЕМА ВПРЫСКА ТОПЛИВА

1Артикул: 659929...
2Артикул: 659924...
3Артикул: KEY, K...
Подробнее >
Спецтехника КРЫШКА РАСПРЕДЕЛИТЕЛЬНЫХ ШЕСТЕРЕН

КРЫШКА РАСПРЕДЕЛИТЕЛЬНЫХ ШЕСТЕРЕН

1Артикул: 659920...
2Артикул: GASKET...
3Артикул: STUD, ...
Подробнее >
Спецтехника ФИЛЬТР ДЛЯ ТОПЛИВА (СЕРИЙНЫЙ НОМЕР 13316 И ВЫШЕ)

ФИЛЬТР ДЛЯ ТОПЛИВА (СЕРИЙНЫЙ НОМЕР 13316 И ВЫШЕ)

1Артикул: 656034...
2Артикул: 1C432,...
3Артикул: 659822...
Подробнее >
Спецтехника ДВИГАТЕЛЬ (PERKINS 4.154)

ДВИГАТЕЛЬ (PERKINS 4.154)

1Артикул: ENGINE...
2Артикул: SHORT,...
3Артикул: ENGINE...
Подробнее >
Спецтехника КОМПЛЕКТ ПРОКЛАДОК

КОМПЛЕКТ ПРОКЛАДОК

1Артикул: KIT, K...
2Артикул: GASKET...
3Артикул: GASKET...
Подробнее >
Спецтехника ВОЗДУШНЫЙ ФИЛЬТР

ВОЗДУШНЫЙ ФИЛЬТР

1Артикул: AIR, A...
2Артикул: TANK, ...
3Артикул: 659849...
Подробнее >
Спецтехника КОЛЕНЧАТЫЙ ВАЛ

КОЛЕНЧАТЫЙ ВАЛ

1Артикул: WASHER...
2Артикул: WASHER...
3Артикул: 998302...
Подробнее >