+7 (701) 588 50 05 Телефон для связи
RU

WhatsApp

Позвонить

КОМПЛЕКТ НИЖНИХ ПРОКЛАДОК — Продажа в Казахстане Цены от официального дилера с доставкой в Алматы, Астану и регионы

Техника доступна в:
Полный спектр услуг:
Для Вашего удобства:
Характеристики и описание
Габариты, схема
Техническая документация
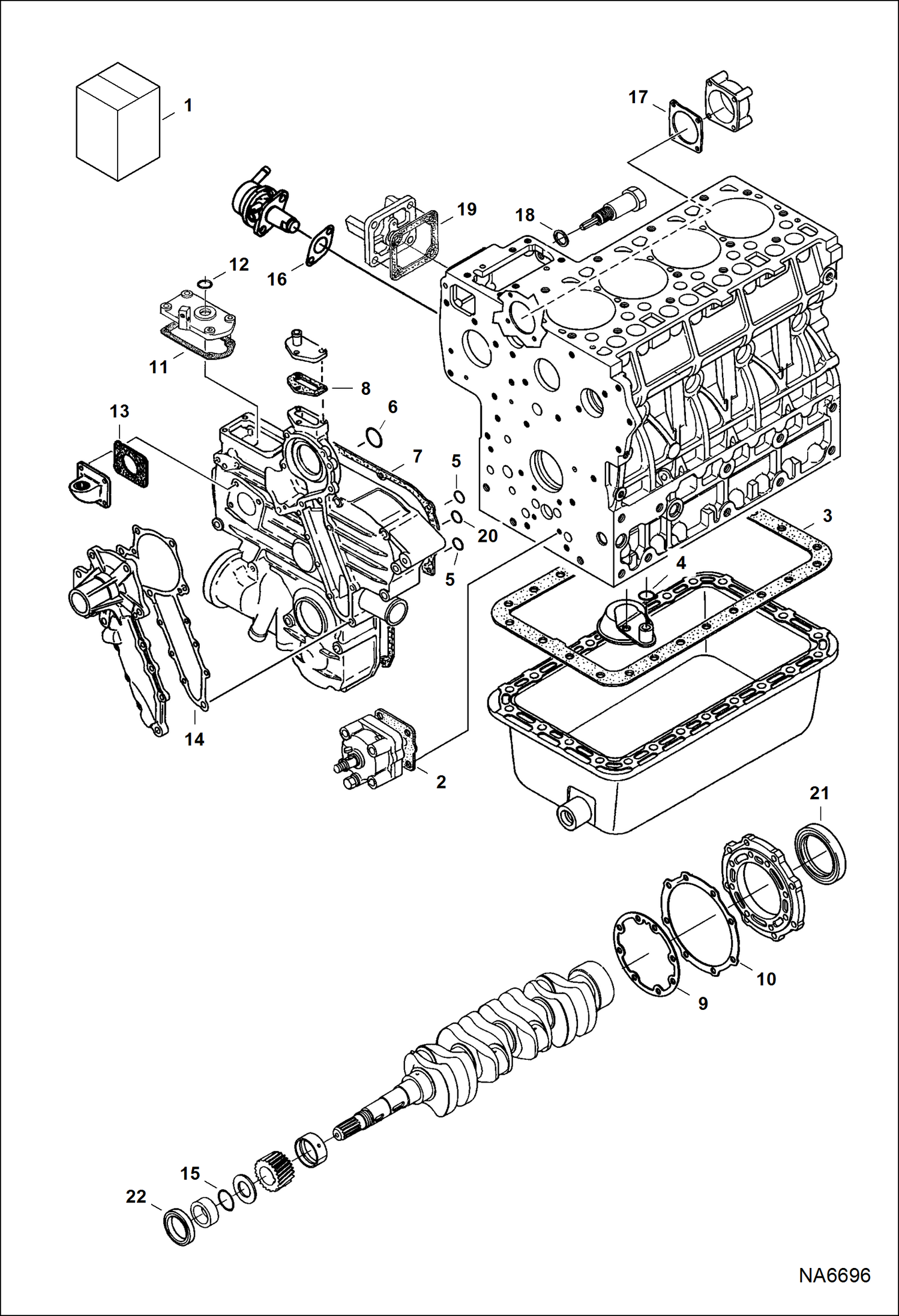
1 Артикул: 6630555, GASKET KIT Also order Ref. 20-22 as needed
2 Артикул: 6666782, GASKET See Illustration CRANKCASE/ B20261 - oil pump
3 Артикул: 6666805, GASKET See Illustration OIL PAN/ C2550 - oil pan
4 Артикул: 6684754, O-RING See Illustration OIL PAN/ C2550 - oil screen
5 Артикул: 6685466, O-RING See Illustration GEARCASE/ B18573 - gear case
6 Артикул: 6685468, O-RING See Illustration GEARCASE/ B18573 - gear case
7 Артикул: 6655481, GASKET See Illustration GEARCASE/ B18573 - gear case - not in kit
8 Артикул: 6666800, GASKET See Illustration GEARCASE/ B18573 - gear case
9 Артикул: 6666803, GASKET See Illustration GEARCASE/ B18573 - return flange
10 Артикул: 3974471, GASKET See Illustration PISTON & CRANKSHAFT/ B18609 - bearing case
11 Артикул: 6666787, GASKET See Illustration PISTON & CRANKSHAFT/ B18609 - case cover
12 Артикул: 6666792, GASKET See Illustration SPEED CONTROL PLATE/ B20263 - boost cover
13 Артикул: 3966512, O RING See Illustration SPEED CONTROL PLATE/ B20263
14 Артикул: 6969801, GASKET, HOUR METER See Illustration GEARCASE/ B18573
15 Артикул: 6666804, GASKET See Illustration WATER PUMP/ B18612 - water pump
16 Артикул: 3974577, RING,O See Illustration PISTON & CRANKSHAFT/ B18609 - crankshaft frt
17 Артикул: 6686037, GASKET See Illustration INJECTION PUMP/ B20300 - fuel pump
18 Артикул: 6666807, GASKET See Illustration FUEL CAMSHAFT/ C2552 - fuel camshaft cover
19 Артикул: 6598096, O-RING See Illustration ENGINE STOP LEVER/ C2562 - idle adj. bolt
20 Артикул: 6666783, GASKET See Illustration ENGINE STOP LEVER/ C2562 - stop lever cover
21 Артикул: 6685466, O-RING See Illustration GEARCASE/ B18573
22 Артикул: 6655162, O-RING See Illustration GEARCASE/ B18573 - gear case - not in kit
23 Артикул: 3974477, SEAL See Illustration PISTON & CRANKSHAFT/ B18609 - oil rear main - not in kit
24 Артикул: 7024826, SEAL, OIL See Illustration PISTON & CRANKSHAFT/ B18609 - oil frt main - not in kit

КОМПЛЕКТ НИЖНИХ ПРОКЛАДОК: Техника, которая работает на результат

КОМПЛЕКТ НИЖНИХ ПРОКЛАДОК на Bobcat 700s Bobcat 743 5025M50001 И ВЫШЕ

Габаритные размеры

Габаритные размеры и схема КОМПЛЕКТ НИЖНИХ ПРОКЛАДОК

Нажмите на схему для увеличения

Документация

Документация временно недоступна.

Похожая техника в категории: ЗАПЧАСТИ ДВИГАТЕЛЯ (Bobcat)

Спецтехника КАРДАННЫЙ ШАРНИР

КАРДАННЫЙ ШАРНИР

1Артикул: 659834...
2Артикул: 659830...
3Артикул: 520212...
Подробнее >
Спецтехника РЕГУЛЯТОР ОБОРОТОВ

РЕГУЛЯТОР ОБОРОТОВ

1Артикул: 659817...
2Артикул: 659815...
3Артикул: 659815...
Подробнее >
Спецтехника ВОЗДУШНЫЙ ФИЛЬТР

ВОЗДУШНЫЙ ФИЛЬТР

1Артикул: 656340...
2Артикул: TANK, ...
3Артикул: 659849...
Подробнее >
Спецтехника РЫЧАГ ОСТАНОВА ДВИГАТЕЛЯ

РЫЧАГ ОСТАНОВА ДВИГАТЕЛЯ

1Артикул: 659814...
2Артикул: 659815...
3Артикул: 659815...
Подробнее >
Спецтехника ПОРШНИ И КОЛЕНВАЛ

ПОРШНИ И КОЛЕНВАЛ

1Артикул: 659876...
2Артикул: 659991...
3Артикул: 659811...
Подробнее >
Спецтехника ТОПЛИВНЫЙ НАСОС

ТОПЛИВНЫЙ НАСОС

1Артикул: 665551...
2Артикул: 665520...
3Артикул: 397436...
Подробнее >
Спецтехника ФОРСУНКИ

ФОРСУНКИ

1Артикул: 397425...
2Артикул: 397425...
3Артикул: 397460...
Подробнее >
Спецтехника ВОДЯНОЙ ФЛАНЕЦ И ТЕРМОСТАТ

ВОДЯНОЙ ФЛАНЕЦ И ТЕРМОСТАТ

1Артикул: 397467...
2Артикул: 397498...
3Артикул: 397467...
Подробнее >
Спецтехника ДЕРЖАТЕЛЬ ФОРСУНКИ

ДЕРЖАТЕЛЬ ФОРСУНКИ

1Артикул: 397425...
2Артикул: 397432...
3Артикул: 397432...
Подробнее >
Спецтехника ДВИГАТЕЛЬ (KUBOTA - V1702-B)

ДВИГАТЕЛЬ (KUBOTA - V1702-B)

1Артикул: ENGINE...
2Артикул: 656223...
3Артикул: SHORT,...
Подробнее >
Спецтехника ГОЛОВКА БЛОКА ЦИЛИНДРОВ

ГОЛОВКА БЛОКА ЦИЛИНДРОВ

1Артикул: 397488...
2Артикул: 659812...
3Артикул: 1CM816...
Подробнее >
Спецтехника РЕДУКТОР

РЕДУКТОР

1Артикул: CASE, ...
2Артикул: 667551...
3Артикул: 397403...
Подробнее >