+7 (701) 588 50 05 Телефон для связи
RU

WhatsApp

Позвонить

КРЕПЕЖНЫЕ ДЕТАЛИ ДВИГАТЕЛЯ — Продажа в Казахстане Цены от официального дилера с доставкой в Алматы, Астану и регионы

Техника доступна в:
Полный спектр услуг:
Для Вашего удобства:
Характеристики и описание
Габариты, схема
Техническая документация
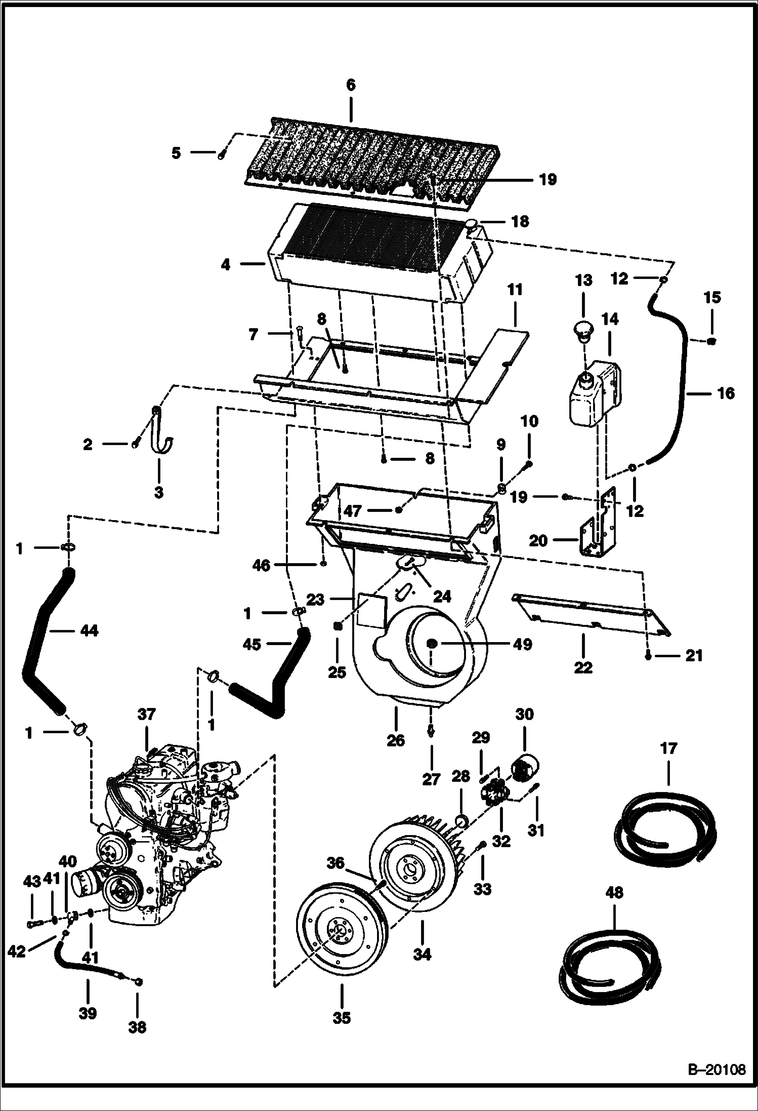
1 Артикул: 42H32, HS CLAMP5
2 Артикул: 35C610, BOLT 5
3 Артикул: 6562431, BRACKET
4 Артикул: 6571713, EXCHANGER, WATER RADIATOR
5 Артикул: 84G3712, BOLT 5
6 Артикул: 6567868, GRILL
7 Артикул: 6514571, BOLT
8 Артикул: 21C508, BOLT
9 Артикул: 774220, NUT Spring
10 Артикул: 37C516, BOLT Was 6565089 - A
11 Артикул: 6578176, MOUNT
12 Артикул: 42HS04, CLAMP, HOSE Was 6515575 - A
13 Артикул: 6558658, CAP
14 Артикул: 6576660, TANK, WATER COOLANT W/bottom molded barbed elbow
15 Артикул: 742876, GROMMET
16 Артикул: HOSE, HOSE NLA - 26-- (660,4 mm) - Order Ref. 17
17 Артикул: 6577822, HOSE sold per foot
18 Артикул: 6666606, RADIATOR CAP Radiator - Was 6665383 - A
19 Артикул: 84G3716, SCREW 5
20 Артикул: 6709415, MOUNT Was 6571814 - A
21 Артикул: 6565418, SCREW Wing
22 Артикул: 6563590, COVER
23 Артикул: INSULATION, INSULATION Was 6564595 - A
24 Артикул: 6555293, NAIL
25 Артикул: CLIP, CLIP NLA - Was 6555294 - A
26 Артикул: 6575683, HOUSING
27 Артикул: RIVET, RIVET NLA - Order 35C-620 & 59D-6 - Was 1316539B - A
28 Артикул: 35C620, BOLT 5
29 Артикул: 6558410, PLUG
30 Артикул: 94G512, BOLTS 5
31 Артикул: YOKE, YOKE See Illustration UNIVERSAL JOINT/ B18348
32 Артикул: 94G516, BOLT 5
33 Артикул: JOINT, JOINT See Illustration UNIVERSAL JOINT/ B18348 UNIVERSAL
34 Артикул: 17C528, BOLT
35 Артикул: 6565466, BLOWER
36 Артикул: 6571677, FLYWHEEL W/1-6632467 Ring Gear
37 Артикул: 6632467, RING GEAR
38 Артикул: 6632613, BOLT
39 Артикул: ENGINE, ENGINE See Illustration ENGINE/ B18363 MITSUBISHI
40 Артикул: 36K7, FITTING
41 Артикул: 6575709, HOSE
42 Артикул: ELBOW, ELBOW NLA - Was 6632628
43 Артикул: 6632630, WASHER
44 Артикул: 42H8, HOSE CLAMP 5
45 Артикул: BOLT,, BOLT, EYE NLA - Was 6632629 - A
46 Артикул: 6571683, HOSE
47 Артикул: 6571682, HOSE
48 Артикул: 57D6, NUT 5
49 Артикул: 83D5, NUT 5
50 Артикул: 6577822, HOSE sold per foot
51 Артикул: 59D6, NUT

КРЕПЕЖНЫЕ ДЕТАЛИ ДВИГАТЕЛЯ: Техника, которая работает на результат

КРЕПЕЖНЫЕ ДЕТАЛИ ДВИГАТЕЛЯ на Bobcat 700s Bobcat 742 509417999 И НИЖЕ

Габаритные размеры

Габаритные размеры и схема КРЕПЕЖНЫЕ ДЕТАЛИ ДВИГАТЕЛЯ

Нажмите на схему для увеличения

Документация

Документация временно недоступна.

Похожая техника в категории: ЗАПЧАСТИ ДВИГАТЕЛЯ (Bobcat)

Спецтехника КОЛЛЕКТОРЫ И КАРБЮРАТОР

КОЛЛЕКТОРЫ И КАРБЮРАТОР

1Артикул: HEAD, ...
2Артикул: MANIFO...
3Артикул: 663261...
Подробнее >
Спецтехника ВОДЯНАЯ ПОМПА

ВОДЯНАЯ ПОМПА

1Артикул: 29CM87...
2Артикул: BOLT, ...
3Артикул: 663282...
Подробнее >
Спецтехника КЛАПАННАЯ КРЫШКА

КЛАПАННАЯ КРЫШКА

1Артикул: 663270...
2Артикул: 663277...
3Артикул: BRACKE...
Подробнее >
Спецтехника ДВИГАТЕЛЬ И КРЕПЕЖНЫЕ ДЕТАЛИ

ДВИГАТЕЛЬ И КРЕПЕЖНЫЕ ДЕТАЛИ

1Артикул: 656128...
2Артикул: 651473...
3Артикул: 657817...
Подробнее >
Спецтехника КОММУТАЦИОННЫЙ ПРОВОД

КОММУТАЦИОННЫЙ ПРОВОД

1Артикул: 663277...
2Артикул: 663276...
3Артикул: 663272...
Подробнее >
Спецтехника БЛОК ДВИГАТЕЛЯ

БЛОК ДВИГАТЕЛЯ

1Артикул: 663262...
2Артикул: 663262...
3Артикул: 663284...
Подробнее >
Спецтехника ДВИГАТЕЛЬ (MITSUBISHI 4G32)

ДВИГАТЕЛЬ (MITSUBISHI 4G32)

1Артикул: ENGINE...
2Артикул: 659976...
3Артикул: SHORT,...
Подробнее >
Спецтехника КЛАПАНЫ

КЛАПАНЫ

1Артикул: 663272...
2Артикул: 29CM62...
3Артикул: 663269...
Подробнее >
Спецтехника КАРБЮРАТОР

КАРБЮРАТОР

1Артикул: CARBUR...
2Артикул: 6EM50,...
3Артикул: MTG., ...
Подробнее >
Спецтехника РАСПРЕДЕЛИТЕЛЬНОЕ УСТРОЙСТВО

РАСПРЕДЕЛИТЕЛЬНОЕ УСТРОЙСТВО

1Артикул: 663261...
2Артикул: 663281...
3Артикул: CAP, C...
Подробнее >
Спецтехника КРЮК РЕГУЛЯТОРА ОБОРОТОВ

КРЮК РЕГУЛЯТОРА ОБОРОТОВ

1Артикул: 663252...
2Артикул: 45G121...
3Артикул: 651393...
Подробнее >
Спецтехника КАРДАННЫЙ ШАРНИР

КАРДАННЫЙ ШАРНИР

1Артикул: 659834...
2Артикул: 659830...
3Артикул: 520212...
Подробнее >