+7 (701) 588 50 05 Телефон для связи
RU

WhatsApp

Позвонить

КРИВОШИПНАЯ КОРОБКА (KUBOTA D722) — Продажа в Казахстане Цены от официального дилера с доставкой в Алматы, Астану и регионы

Техника доступна в:
Полный спектр услуг:
Для Вашего удобства:
Характеристики и описание
Габариты, схема
Техническая документация
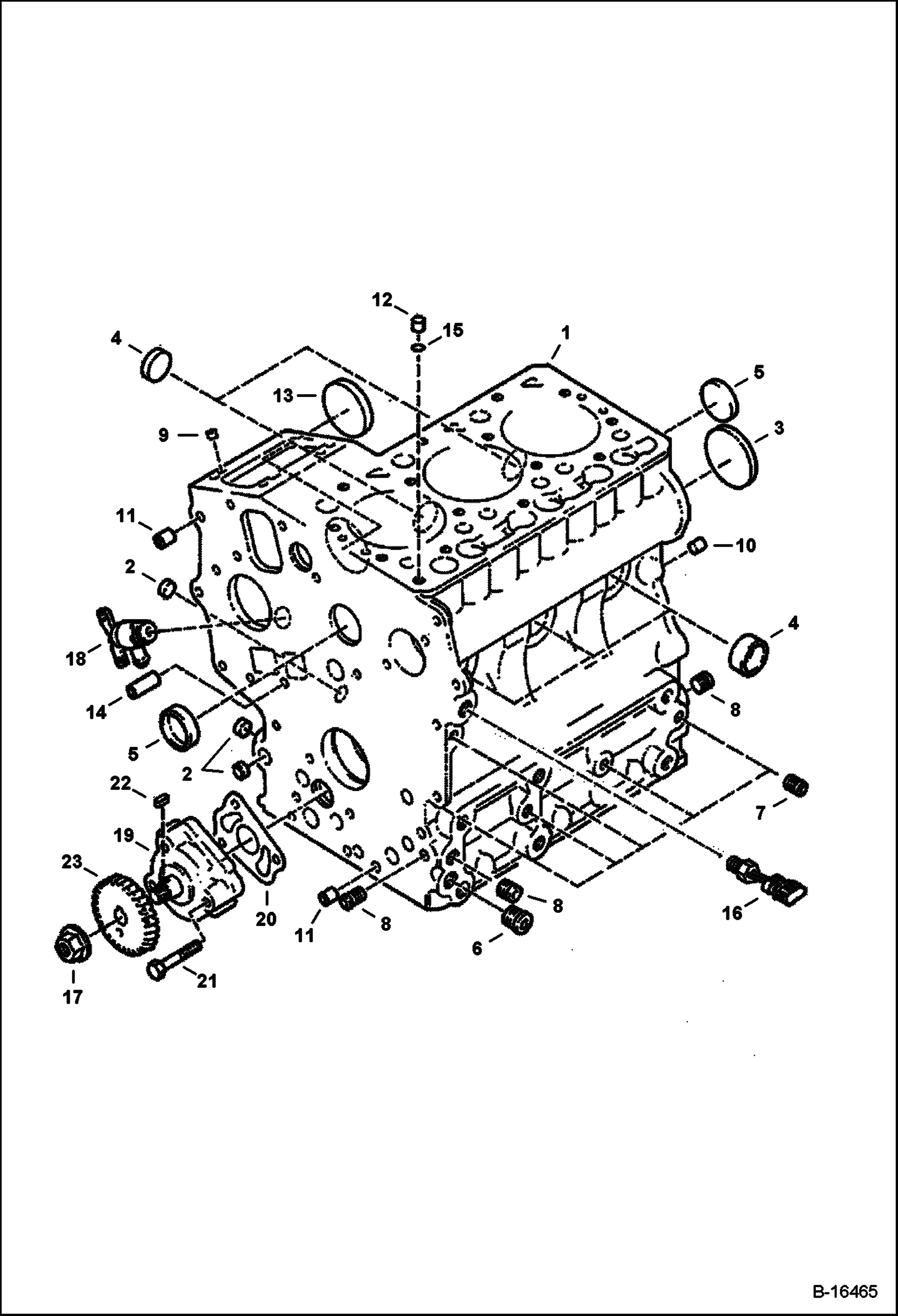
1 Артикул: 6670336, CRANKCASE W/Ref. 2-14
2 Артикул: 6688365, CRANKCASE W/Ref. 2-14
3 Артикул: 6599985, LINER
4 Артикул: 6670337, PLUG
5 Артикул: 6652573, PLUG
6 Артикул: 6670338, PLUG
7 Артикул: 6657431, CAP
8 Артикул: 6652575, PLUG
9 Артикул: 6598116, PLUG Was 6652797 - A
10 Артикул: 6652574, PLUG
11 Артикул: 6657423, PIN
12 Артикул: 21JM814, PIN dowel
13 Артикул: 3974039, PIN
14 Артикул: 3974037, PIN
15 Артикул: 6670339, PLUG
16 Артикул: 6670344, PIN
17 Артикул: 3974038, RING,O See Illustration UPPER GASKET KIT/ B16471 - included W/upper gasket kit
18 Артикул: 6676053, SWITCH oil pressure
19 Артикул: 6671058, ADAPTER
20 Артикул: 6670343, NUT
21 Артикул: 6657456, DRAINCOCK
22 Артикул: 6670340, OIL PUMP
23 Артикул: 6670341, GASKET See Illustration LOWER GASKET KIT/ B16470 - included w/lower gasket kit
24 Артикул: 6683010, BOLT
25 Артикул: 15JM48, KEY
26 Артикул: 7247365, GEAR, OIL PUMP DRIVE Was 6670342 - A

КРИВОШИПНАЯ КОРОБКА (KUBOTA D722): Техника, которая работает на результат

КРИВОШИПНАЯ КОРОБКА (KUBOTA D722) на Bobcat 400s Bobcat 463 519911001 И ВЫШЕ, 520011001 И ВЫШЕ

Габаритные размеры

Габаритные размеры и схема КРИВОШИПНАЯ КОРОБКА (KUBOTA D722)

Нажмите на схему для увеличения

Документация

Документация временно недоступна.

Похожая техника в категории: ЗАПЧАСТИ ДВИГАТЕЛЯ (Bobcat)

Спецтехника ДВИГАТЕЛЬ И КРЕПЕЖНЫЕ ДЕТАЛИ (РЕМЕНЬ ПРИВОДА, ГИДРАВЛИКА) (СЕРИЙНЫЙ НОМЕР 5200 11680 И НИЖЕ, 5199 11409 И НИЖЕ)

ДВИГАТЕЛЬ И КРЕПЕЖНЫЕ ДЕТАЛИ (РЕМЕНЬ ПРИВОДА, ГИДРАВЛИКА) (СЕРИЙНЫЙ НОМЕР 5200 11680 И НИЖЕ, 5199 11409 И НИЖЕ)

1Артикул: 671387...
2Артикул: 83D6, ...
3Артикул: 667878...
Подробнее >
Спецтехника КОМПЛЕКТ ДЕТАЛЕЙ ВЕРХНЕГО УПЛОТНИТЕЛЬНОГО КОЛЬЦА (KUBOTA D722)

КОМПЛЕКТ ДЕТАЛЕЙ ВЕРХНЕГО УПЛОТНИТЕЛЬНОГО КОЛЬЦА (KUBOTA D722)

1Артикул: 667273...
2Артикул: 667037...
3Артикул: 397497...
Подробнее >
Спецтехника ВОЗДУШНЫЙ ФИЛЬТР

ВОЗДУШНЫЙ ФИЛЬТР

1Артикул: 667331...
2Артикул: TANK, ...
3Артикул: 667470...
Подробнее >
Спецтехника РЕГУЛЯТОР ОБОРОТОВ (KUBOTA D722)

РЕГУЛЯТОР ОБОРОТОВ (KUBOTA D722)

1Артикул: 667045...
2Артикул: 701696...
3Артикул: PLUG, ...
Подробнее >
Спецтехника КРЫШКА КОРОМЫСЛА КЛАПАНА (KUBOTA D722)

КРЫШКА КОРОМЫСЛА КЛАПАНА (KUBOTA D722)

1Артикул: 668300...
2Артикул: 667037...
3Артикул: 665522...
Подробнее >
Спецтехника ОСНОВНОЙ КОРПУС ПОДШИПНИКА (KUBOTA D722)

ОСНОВНОЙ КОРПУС ПОДШИПНИКА (KUBOTA D722)

1Артикул: CASE, ...
2Артикул: 700037...
3Артикул: 667037...
Подробнее >
Спецтехника ВОДЯНАЯ ПОМПА (KUBOTA D722)

ВОДЯНАЯ ПОМПА (KUBOTA D722)

1Артикул: 667050...
2Артикул: BODY, ...
3Артикул: BEARIN...
Подробнее >
Спецтехника КОМПЛЕКТ НИЖНИХ ПРОКЛАДОК (KUBOTA D722)

КОМПЛЕКТ НИЖНИХ ПРОКЛАДОК (KUBOTA D722)

1Артикул: 667274...
2Артикул: 396651...
3Артикул: 667035...
Подробнее >
Спецтехника КОРОМЫСЛО КЛАПАНА И КЛАПАНЫ (KUBOTA D722)

КОРОМЫСЛО КЛАПАНА И КЛАПАНЫ (KUBOTA D722)

1Артикул: 667051...
2Артикул: 667051...
3Артикул: 667051...
Подробнее >
Спецтехника ДВИГАТЕЛЬ И КРЕПЕЖНЫЕ ДЕТАЛИ (ВХОДНОЕ ОТВЕРСТИК И ВЫХЛОПНОЙ КОЛЛЕКТОР)

ДВИГАТЕЛЬ И КРЕПЕЖНЫЕ ДЕТАЛИ (ВХОДНОЕ ОТВЕРСТИК И ВЫХЛОПНОЙ КОЛЛЕКТОР)

1Артикул: 671844...
2Артикул: 42HC25...
3Артикул: 651500...
Подробнее >
Спецтехника ТОПЛИВНАЯ СИСТЕМА И НАСОС ВПРЫСКА (KUBOTA D722)

ТОПЛИВНАЯ СИСТЕМА И НАСОС ВПРЫСКА (KUBOTA D722)

1Артикул: 667049...
2Артикул: 1CM616...
3Артикул: 667078...
Подробнее >
Спецтехника ДВИГАТЕЛЬ И КРЕПЕЖНЫЕ ДЕТАЛИ (РЕМЕНЬ ПРИВОДА, ГИДРАВЛИКА) (СЕРИЙНЫЙ НОМЕР 5200 11681 И ВЫШЕ, 5199 11410 И ВЫШЕ)

ДВИГАТЕЛЬ И КРЕПЕЖНЫЕ ДЕТАЛИ (РЕМЕНЬ ПРИВОДА, ГИДРАВЛИКА) (СЕРИЙНЫЙ НОМЕР 5200 11681 И ВЫШЕ, 5199 11410 И ВЫШЕ)

1Артикул: 671387...
2Артикул: 83D6, ...
3Артикул: 667878...
Подробнее >