+7 (701) 588 50 05 Телефон для связи
RU

WhatsApp

Позвонить

МОСТ — Продажа в Казахстане Цены от официального дилера с доставкой в Алматы, Астану и регионы

Техника доступна в:
Полный спектр услуг:
Для Вашего удобства:
Характеристики и описание
Габариты, схема
Техническая документация
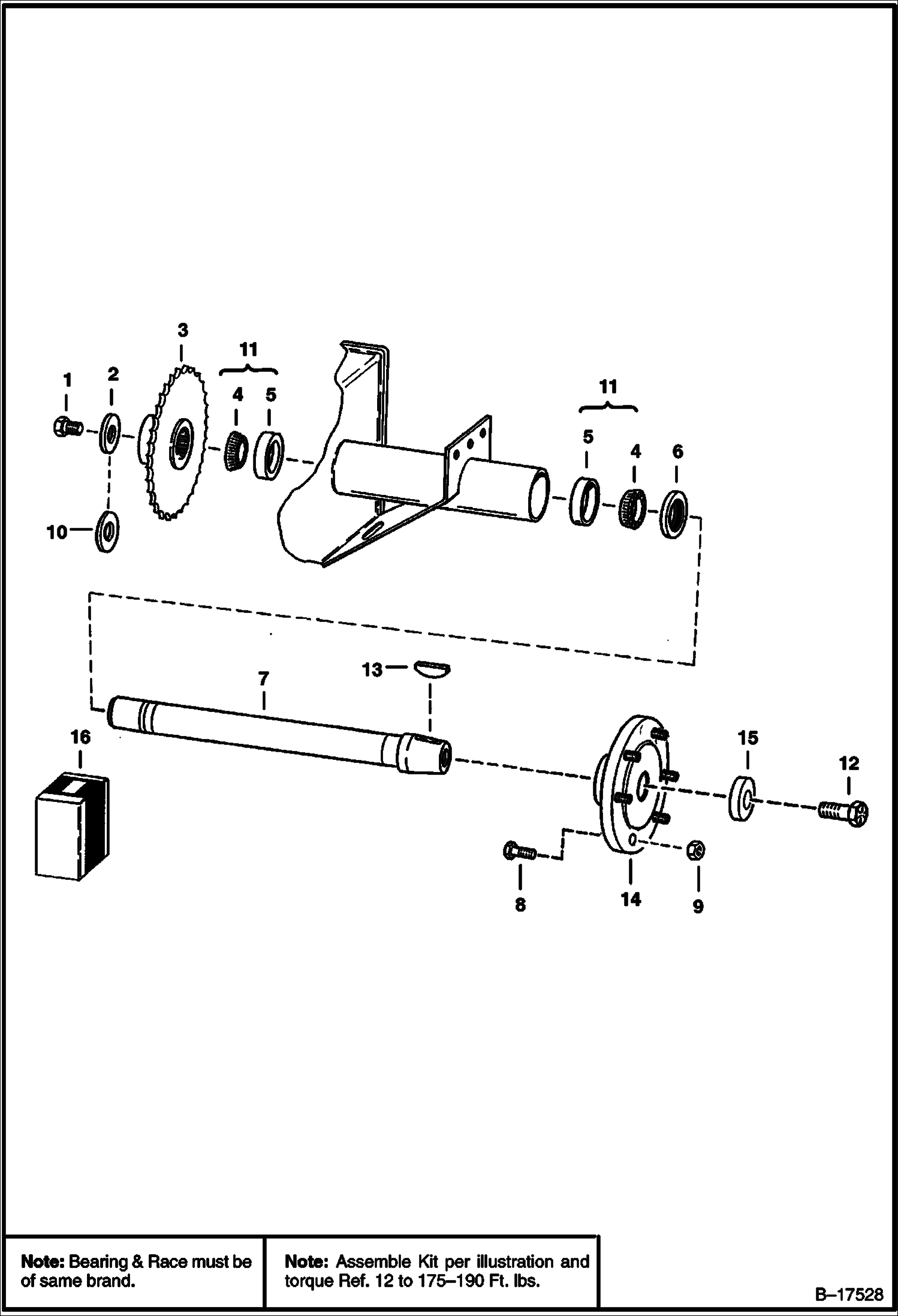
1 Артикул: 18C1024, BOLT
2 Артикул: 48C1024, BOLT pre-applied loctite
3 Артикул: 6563795, WASHER
4 Артикул: 7134079, SPROCKET, AXLE Was 6563798 - A
5 Артикул: BEARING, BEARING NSS - See Note - Order Ref. 11
6 Артикул: RACE, RACE NSS - See Note - Order Ref. 11
7 Артикул: 6598829, SEAL, OIL
8 Артикул: 6706032, SHAFT, AXLE
9 Артикул: STUD, STUD NLA - Order 6679105 - Was 6506362 - A
10 Артикул: 6679105, STUD shaft 1.5-- (38,1 mm) long
11 Артикул: 6561152, NUT
12 Артикул: 6592765, WASHER recessed - To take up end play
13 Артикул: 6633672, BEARING, ROLLER W/Race
14 Артикул: 18C1228, BOLT
15 Артикул: 48C1228, BOLT pre-applied loctite
16 Артикул: 6J1210, KEY
17 Артикул: 6706031, HUB W/Ref. 8
18 Артикул: 6552871, WASHER
19 Артикул: 6722929, KIT W/Ref. 7, 12-15

МОСТ: Техника, которая работает на результат

МОСТ на Bobcat 400s Bobcat 463 519911001 И ВЫШЕ, 520011001 И ВЫШЕ

Габаритные размеры

Габаритные размеры и схема МОСТ

Нажмите на схему для увеличения

Документация

Документация временно недоступна.

Похожая техника в категории: ТРАНСМИССИЯ (Bobcat)