+7 (701) 588 50 05 Телефон для связи
RU

WhatsApp

Позвонить

ТОРМОЗА (СЕРИЙНЫЙ НОМЕР 5200 11710 И НИЖЕ, 5199 11424 И НИЖЕ) — Продажа в Казахстане Цены от официального дилера с доставкой в Алматы, Астану и регионы

Техника доступна в:
Полный спектр услуг:
Для Вашего удобства:
Характеристики и описание
Габариты, схема
Техническая документация
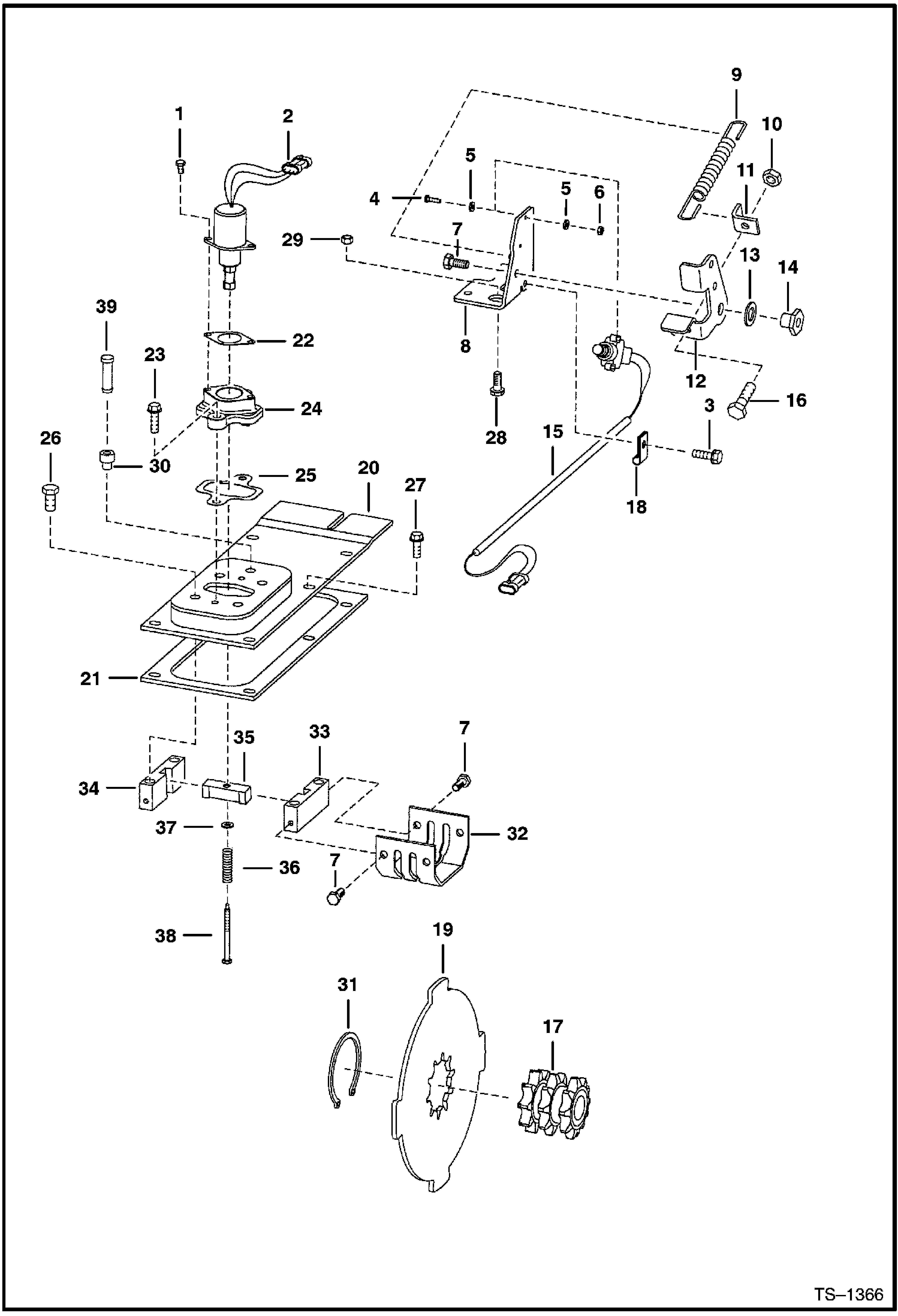
1 Артикул: 17C412, BOLT 5
2 Артикул: 6681512, SOLENOID Was 6667992 - A
3 Артикул: 84G3712, BOLT 5
4 Артикул: 23G812, SCREW
5 Артикул: 25E8, WSHR
6 Артикул: 12D8, NUT
7 Артикул: 17C610, BOLT
8 Артикул: 43C610, BOLT pre-applied thread locker
9 Артикул: 6707313, PEDAL MOUNT
10 Артикул: 6585860, SPRING
11 Артикул: 95D6, NUT
12 Артикул: 6707315, ANGLE
13 Артикул: 6707314, PEDAL brake
14 Артикул: 6700170, WASHER plastic
15 Артикул: 6559479, NUT
16 Артикул: 6707337, SWITCH, LOCK TRACTION
17 Артикул: 17C620, BOLT
18 Артикул: SPROCKET, SPROCKET See Illustration DRIVE TRAIN/ C2807
19 Артикул: 30H23, CLAMP
20 Артикул: 6706736, BRAKE disc
21 Артикул: 6706684, COVER
22 Артикул: 6593418, GASKET
23 Артикул: 6706737, GASKET
24 Артикул: 84G3720, BOLT
25 Артикул: 6706718, MOUNT
26 Артикул: 6708016, GASKET
27 Артикул: 17C820, BOLT
28 Артикул: 47C820, BOLT
29 Артикул: 84G3716, SCREW 5
30 Артикул: 37C616, BOLT
31 Артикул: 89D6, NUT
32 Артикул: 6553411, BUSHING
33 Артикул: 791442, SNAP RING
34 Артикул: 6708787, GUIDE
35 Артикул: 6705898, BLOCK guide - RH
36 Артикул: 6705897, BLOCK guide - LH
37 Артикул: 6705896, GUIDE
38 Артикул: 6708018, SPRING
39 Артикул: 25E13, WASHER 5
40 Артикул: 6708267, BOLT
41 Артикул: 6680970, BREATHER Was 6646626 - A

ТОРМОЗА (СЕРИЙНЫЙ НОМЕР 5200 11710 И НИЖЕ, 5199 11424 И НИЖЕ): Техника, которая работает на результат

ТОРМОЗА (СЕРИЙНЫЙ НОМЕР 5200 11710 И НИЖЕ, 5199 11424 И НИЖЕ) на Bobcat 400s Bobcat 463 519911001 И ВЫШЕ, 520011001 И ВЫШЕ

Габаритные размеры

Габаритные размеры и схема ТОРМОЗА (СЕРИЙНЫЙ НОМЕР 5200 11710 И НИЖЕ, 5199 11424 И НИЖЕ)

Нажмите на схему для увеличения

Документация

Документация временно недоступна.

Похожая техника в категории: ТРАНСМИССИЯ (Bobcat)