+7 (701) 588 50 05 Телефон для связи
RU

WhatsApp

Позвонить

НАСОС С КРЫЛЬЧАТКОЙ — Продажа в Казахстане Цены от официального дилера с доставкой в Алматы, Астану и регионы

Техника доступна в:
Полный спектр услуг:
Для Вашего удобства:
Характеристики и описание
Габариты, схема
Техническая документация
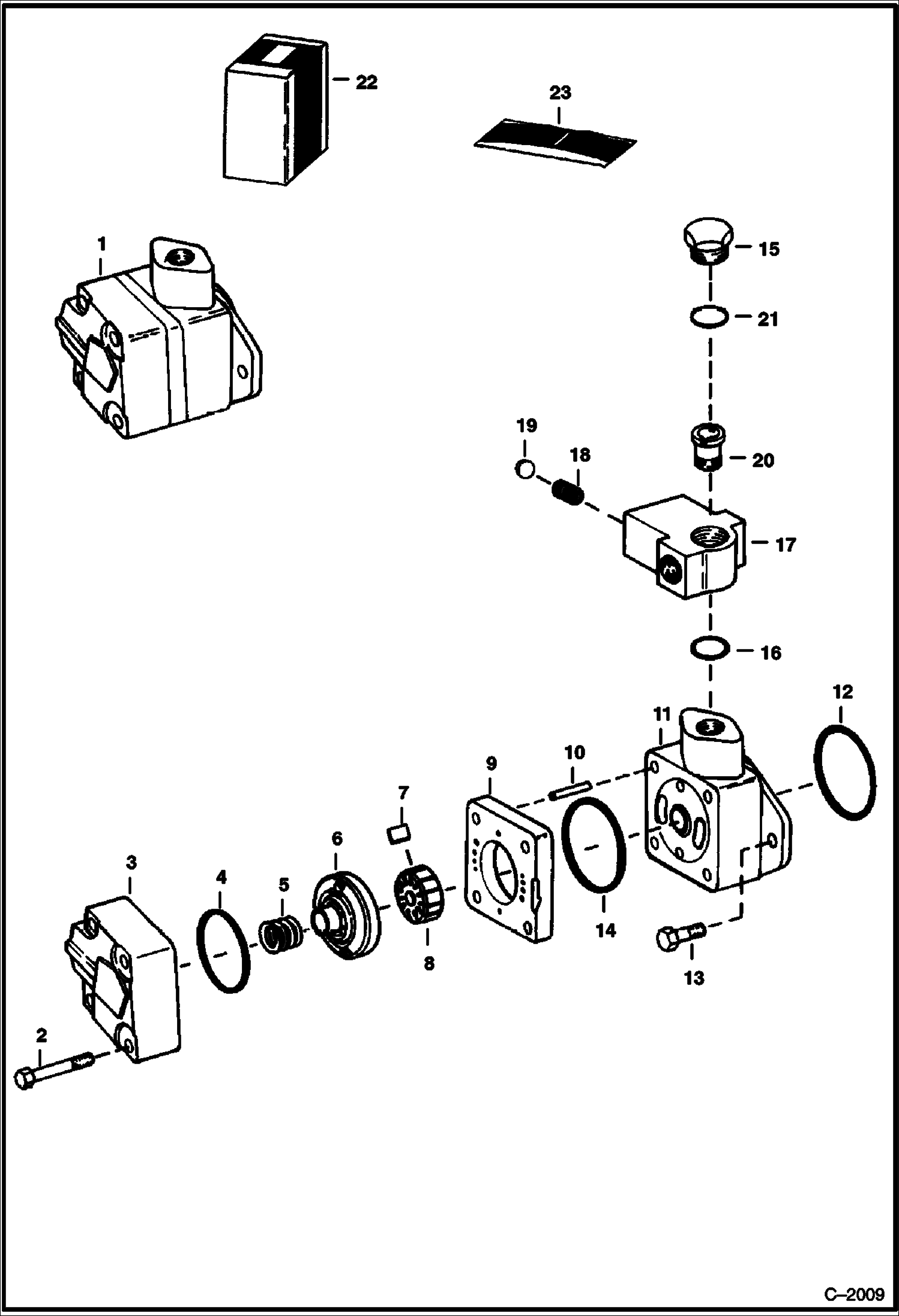
1 Артикул: 6512594, PUMP Ref. 2 - 13
2 Артикул: 17C648, BOLT 5
3 Артикул: COVER, COVER NLA
4 Артикул: O-RING, O-RING NSS
5 Артикул: 992510, SPRING
6 Артикул: PLATE, PLATE NLA - Pressure - Was 6649261 - A
7 Артикул: VANE, VANE NSS
8 Артикул: ROTOR, ROTOR NSS - vane
9 Артикул: RING, RING NSS
10 Артикул: PIN, PIN NSS
11 Артикул: BODY, BODY NLA
12 Артикул: 6519704, O-RING
13 Артикул: 17C616, BOLT 5
14 Артикул: O-RING, O-RING NSS
15 Артикул: PLUG, PLUG NLA - Was 6553899 - A
16 Артикул: 79K16, O RING 10 Was 91F000010B - A
17 Артикул: BLOCK, BLOCK NLA - Use 1-6559533 & 1-6598384
18 Артикул: 6559533, BLOCK
19 Артикул: 6553897, SPRING
20 Артикул: SPRING, SPRING NLA - Was 6558618 - A
21 Артикул: 6559896, SPRING
22 Артикул: 6515078, POPPET
23 Артикул: 6560137, RETAINER
24 Артикул: 79K24, O RING 10 Was 91F000012B - A
25 Артикул: 992512, KIT cartridge - Ref. 7 - 9
26 Артикул: 6551834, SEAL KIT Ref. 4, 12 & 14

НАСОС С КРЫЛЬЧАТКОЙ: Техника, которая работает на результат

НАСОС С КРЫЛЬЧАТКОЙ на Bobcat 500s Bobcat 533 4990M11001 И ВЫШЕ, 4990M12001 И ВЫШЕ, 4990M13001 И ВЫШЕ

Габаритные размеры

Габаритные размеры и схема НАСОС С КРЫЛЬЧАТКОЙ

Нажмите на схему для увеличения

Документация

Документация временно недоступна.

Похожая техника в категории: ГИДРОСТАТИЧЕСКАЯ СИСТЕМА (Bobcat)

Спецтехника УСТРОЙСТВА РУЧНОГО УПРАВЛЕНИЯ СЕРИЙНЫЙ НОМЕР 11999 И НИЖЕ

УСТРОЙСТВА РУЧНОГО УПРАВЛЕНИЯ СЕРИЙНЫЙ НОМЕР 11999 И НИЖЕ

1Артикул: 651396...
2Артикул: 655306...
3Артикул: 651518...
Подробнее >
Спецтехника УСТРОЙСТВА РУЧНОГО УПРАВЛЕНИЯ СЕРИЙНЫЙ НОМЕР 12001 И ВЫШЕ

УСТРОЙСТВА РУЧНОГО УПРАВЛЕНИЯ СЕРИЙНЫЙ НОМЕР 12001 И ВЫШЕ

1Артикул: 17C612...
2Артикул: 655873...
3Артикул: 651202...
Подробнее >
Спецтехника ГИДРОСТАТИЧЕСКИЙ ДВИГАТЕЛЬ MAE 24032 И MAE 24033 СЕРИЙНЫЙ НОМЕР 13001 И ВЫШЕ

ГИДРОСТАТИЧЕСКИЙ ДВИГАТЕЛЬ MAE 24032 И MAE 24033 СЕРИЙНЫЙ НОМЕР 13001 И ВЫШЕ

1Артикул: MOTOR,...
2Артикул: MOTOR,...
3Артикул: 651229...
Подробнее >
Спецтехника СХЕМА ГИДРОСТАТИЧЕСКОГО НАСОСА СЕРИЙНЫЙ НОМЕР 12999 И НИЖЕ

СХЕМА ГИДРОСТАТИЧЕСКОГО НАСОСА СЕРИЙНЫЙ НОМЕР 12999 И НИЖЕ

1Артикул: CAP, C...
2Артикул: 657778...
3Артикул: 713133...
Подробнее >
Спецтехника ГИДРОСТАТИЧЕСКИЙ НАСОС

ГИДРОСТАТИЧЕСКИЙ НАСОС

1Артикул: PUMP, ...
2Артикул: PUMP, ...
3Артикул: 659950...
Подробнее >
Спецтехника СХЕМА ГИДРОСТАТИЧЕСКОЙ СИСТЕМЫ СЕРИЙНЫЙ НОМЕР 12999 И НИЖЕ

СХЕМА ГИДРОСТАТИЧЕСКОЙ СИСТЕМЫ СЕРИЙНЫЙ НОМЕР 12999 И НИЖЕ

1Артикул: 655764...
2Артикул: 730963...
3Артикул: 17K5, ...
Подробнее >
Спецтехника СХЕМА ГИДРОСТАТИЧЕСКОГО НАСОСА СЕРИЙНЫЙ НОМЕР 13001 И ВЫШЕ

СХЕМА ГИДРОСТАТИЧЕСКОГО НАСОСА СЕРИЙНЫЙ НОМЕР 13001 И ВЫШЕ

1Артикул: CAP, C...
2Артикул: 657778...
3Артикул: 713133...
Подробнее >
Спецтехника СХЕМА ГИДРОСТАТИЧЕСКОГО ДВИГАТЕЛЯ СЕРИЙНЫЙ НОМЕР 13001 И ВЫШЕ

СХЕМА ГИДРОСТАТИЧЕСКОГО ДВИГАТЕЛЯ СЕРИЙНЫЙ НОМЕР 13001 И ВЫШЕ

1Артикул: 655764...
2Артикул: 730963...
3Артикул: 17K5, ...
Подробнее >
Спецтехника ГИДРОСТАТИЧЕСКИЙ ДВИГАТЕЛЬ MAE 24012, MAE 24021 И MAE 24024 СЕРИЙНЫЙ НОМЕР 12999 И НИЖЕ

ГИДРОСТАТИЧЕСКИЙ ДВИГАТЕЛЬ MAE 24012, MAE 24021 И MAE 24024 СЕРИЙНЫЙ НОМЕР 12999 И НИЖЕ

1Артикул: MOTOR,...
2Артикул: 651229...
3Артикул: ROTOR,...
Подробнее >