+7 (701) 588 50 05 Телефон для связи
RU

WhatsApp

Позвонить

СХЕМА ГИДРОСТАТИЧЕСКОГО НАСОСА СЕРИЙНЫЙ НОМЕР 12999 И НИЖЕ — Продажа в Казахстане Цены от официального дилера с доставкой в Алматы, Астану и регионы

Техника доступна в:
Полный спектр услуг:
Для Вашего удобства:
Характеристики и описание
Габариты, схема
Техническая документация
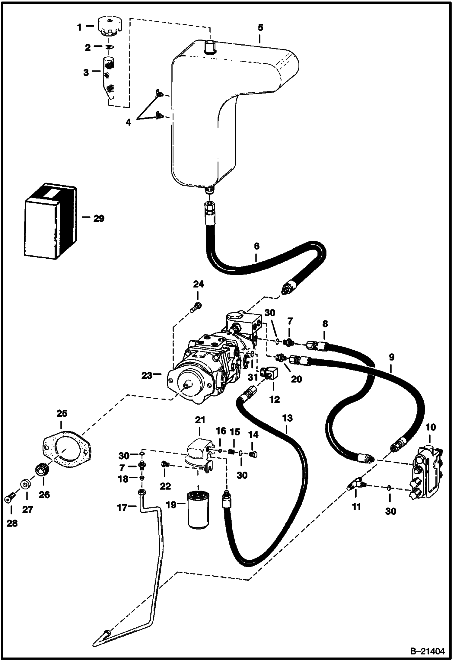
1 Артикул: CAP, CAP NLA - Pack of 12 - Was 1779011B - A
2 Артикул: 6577785, CAP breather - Qty. of 1
3 Артикул: 713133, SNAP RING
4 Артикул: 6558604, SCREEN
5 Артикул: 72F1, FITTING
6 Артикул: 6555794, RESERVOIR
7 Артикул: 6557490, HOSE
8 Артикул: 15K7, FITTING W/Ref. 30
9 Артикул: 6553853, HOSE
10 Артикул: 6553856, HOSE
11 Артикул: 540845, HOSE ASY
12 Артикул: VALVE, VALVE See Illustration HYDRAULIC VALVE/ B21378
13 Артикул: 19K7, TEE W/Ref. 30
14 Артикул: 6560115, ELBOW W/Ref. 31
15 Артикул: 6557489, HOSE
16 Артикул: 6561811, PLUG W/Ref. 30
17 Артикул: 6553897, SPRING
18 Артикул: 6515078, POPPET
19 Артикул: 6555892, TUBE
20 Артикул: 6555832, ORIFICE
21 Артикул: 6515541, ELEMENT 10 Micron
22 Артикул: 6559518, ADAPTER
23 Артикул: FILTER, FILTER HEAD See BTI185 NLA - Order 6564877 head and 6661248 filter - Was 6563339 - A
24 Артикул: 84G3712, BOLT 5
25 Артикул: PUMP, PUMP See Illustration HYDROSTATIC PUMP/ B21405
26 Артикул: 17C820, BOLT
27 Артикул: 6503835, GASKET
28 Артикул: 6553539, ADAPTER
29 Артикул: 6553541, WASHER
30 Артикул: 96G616, SCREW allen head
31 Артикул: 6559850, KIT cold weather by-pass
32 Артикул: 79K10, O RING 10 Was 91F000007B - A
33 Артикул: 79K16, O RING 10 Was 91F000010B - A

СХЕМА ГИДРОСТАТИЧЕСКОГО НАСОСА СЕРИЙНЫЙ НОМЕР 12999 И НИЖЕ: Техника, которая работает на результат

СХЕМА ГИДРОСТАТИЧЕСКОГО НАСОСА СЕРИЙНЫЙ НОМЕР 12999 И НИЖЕ на Bobcat 500s Bobcat 533 4990M11001 И ВЫШЕ, 4990M12001 И ВЫШЕ, 4990M13001 И ВЫШЕ

Габаритные размеры

Габаритные размеры и схема СХЕМА ГИДРОСТАТИЧЕСКОГО НАСОСА СЕРИЙНЫЙ НОМЕР 12999 И НИЖЕ

Нажмите на схему для увеличения

Документация

Документация временно недоступна.

Похожая техника в категории: ГИДРОСТАТИЧЕСКАЯ СИСТЕМА (Bobcat)

Спецтехника УСТРОЙСТВА РУЧНОГО УПРАВЛЕНИЯ СЕРИЙНЫЙ НОМЕР 11999 И НИЖЕ

УСТРОЙСТВА РУЧНОГО УПРАВЛЕНИЯ СЕРИЙНЫЙ НОМЕР 11999 И НИЖЕ

1Артикул: 651396...
2Артикул: 655306...
3Артикул: 651518...
Подробнее >
Спецтехника УСТРОЙСТВА РУЧНОГО УПРАВЛЕНИЯ СЕРИЙНЫЙ НОМЕР 12001 И ВЫШЕ

УСТРОЙСТВА РУЧНОГО УПРАВЛЕНИЯ СЕРИЙНЫЙ НОМЕР 12001 И ВЫШЕ

1Артикул: 17C612...
2Артикул: 655873...
3Артикул: 651202...
Подробнее >
Спецтехника ГИДРОСТАТИЧЕСКИЙ ДВИГАТЕЛЬ MAE 24032 И MAE 24033 СЕРИЙНЫЙ НОМЕР 13001 И ВЫШЕ

ГИДРОСТАТИЧЕСКИЙ ДВИГАТЕЛЬ MAE 24032 И MAE 24033 СЕРИЙНЫЙ НОМЕР 13001 И ВЫШЕ

1Артикул: MOTOR,...
2Артикул: MOTOR,...
3Артикул: 651229...
Подробнее >
Спецтехника ГИДРОСТАТИЧЕСКИЙ НАСОС

ГИДРОСТАТИЧЕСКИЙ НАСОС

1Артикул: PUMP, ...
2Артикул: PUMP, ...
3Артикул: 659950...
Подробнее >
Спецтехника СХЕМА ГИДРОСТАТИЧЕСКОЙ СИСТЕМЫ СЕРИЙНЫЙ НОМЕР 12999 И НИЖЕ

СХЕМА ГИДРОСТАТИЧЕСКОЙ СИСТЕМЫ СЕРИЙНЫЙ НОМЕР 12999 И НИЖЕ

1Артикул: 655764...
2Артикул: 730963...
3Артикул: 17K5, ...
Подробнее >
Спецтехника СХЕМА ГИДРОСТАТИЧЕСКОГО НАСОСА СЕРИЙНЫЙ НОМЕР 13001 И ВЫШЕ

СХЕМА ГИДРОСТАТИЧЕСКОГО НАСОСА СЕРИЙНЫЙ НОМЕР 13001 И ВЫШЕ

1Артикул: CAP, C...
2Артикул: 657778...
3Артикул: 713133...
Подробнее >
Спецтехника СХЕМА ГИДРОСТАТИЧЕСКОГО ДВИГАТЕЛЯ СЕРИЙНЫЙ НОМЕР 13001 И ВЫШЕ

СХЕМА ГИДРОСТАТИЧЕСКОГО ДВИГАТЕЛЯ СЕРИЙНЫЙ НОМЕР 13001 И ВЫШЕ

1Артикул: 655764...
2Артикул: 730963...
3Артикул: 17K5, ...
Подробнее >
Спецтехника НАСОС С КРЫЛЬЧАТКОЙ

НАСОС С КРЫЛЬЧАТКОЙ

1Артикул: 651259...
2Артикул: 17C648...
3Артикул: COVER,...
Подробнее >
Спецтехника ГИДРОСТАТИЧЕСКИЙ ДВИГАТЕЛЬ MAE 24012, MAE 24021 И MAE 24024 СЕРИЙНЫЙ НОМЕР 12999 И НИЖЕ

ГИДРОСТАТИЧЕСКИЙ ДВИГАТЕЛЬ MAE 24012, MAE 24021 И MAE 24024 СЕРИЙНЫЙ НОМЕР 12999 И НИЖЕ

1Артикул: MOTOR,...
2Артикул: 651229...
3Артикул: ROTOR,...
Подробнее >