+7 (701) 588 50 05 Телефон для связи
RU

WhatsApp

Позвонить

ОРГАНЫ УПРАВЛЕНИЯ — Продажа в Казахстане Цены от официального дилера с доставкой в Алматы, Астану и регионы

Техника доступна в:
Полный спектр услуг:
Для Вашего удобства:
Характеристики и описание
Габариты, схема
Техническая документация
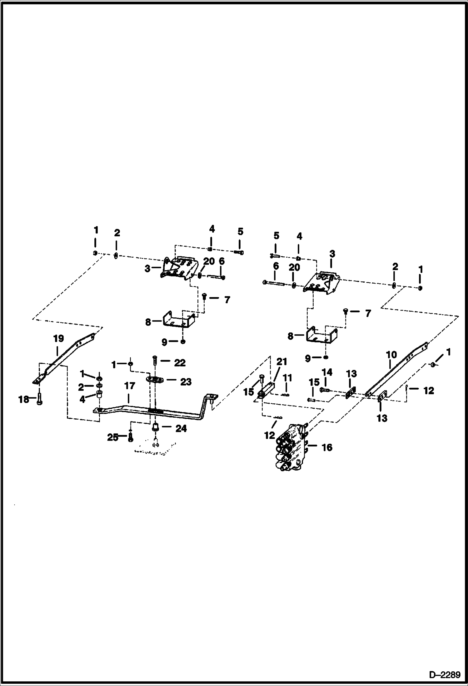
1 Артикул: 85D6, NUT, 5 Was 95D000006B - B
2 Артикул: 6563914, WASHER
3 Артикул: 7115219, PEDAL Was 6726680 - A
4 Артикул: 6665701, BUSHING, PRESS FIT
5 Артикул: 17C624, BOLT 5
6 Артикул: 6564657, PIN
7 Артикул: 7C620, BOLT Was 6704349 - B
8 Артикул: 6726679, MOUNT Was 6564658 - A
9 Артикул: 57D6, NUT 5
10 Артикул: 6564652, BAR
11 Артикул: 1306637, CLIP
12 Артикул: 6513495, COTTER PIN
13 Артикул: 6706680, LINK
14 Артикул: 17C620, BOLT
15 Артикул: PIN, PIN NLA - Was 6564654 - A
16 Артикул: VALVE, VALVE See Illustration HYDRAULIC CONTROL VALVE/ E2310
17 Артикул: 6708193, LEVER
18 Артикул: 17C628, BOLT
19 Артикул: 6564653, BAR
20 Артикул: 25E21, WASHER 5 Use if serrations on pins are too long
21 Артикул: 6706105, YOKE
22 Артикул: 6665839, BOLT
23 Артикул: 6708043, BUSHING
24 Артикул: 6512026, BUSHING
25 Артикул: 37C616, BOLT

ОРГАНЫ УПРАВЛЕНИЯ: Техника, которая работает на результат

ОРГАНЫ УПРАВЛЕНИЯ на Bobcat 500s Bobcat 553 516311001 И ВЫШЕ, 516411001 И ВЫШЕ

Габаритные размеры

Габаритные размеры и схема ОРГАНЫ УПРАВЛЕНИЯ

Нажмите на схему для увеличения

Документация

Документация временно недоступна.

Похожая техника в категории: ГИДРАВЛИЧЕСКАЯ СИСТЕМА (Bobcat)

Спецтехника ЦИЛИНДР ПОДЪЕМА

ЦИЛИНДР ПОДЪЕМА

1Артикул: 680368...
2Артикул: 681708...
3Артикул: 666169...
Подробнее >
Спецтехника СИСТЕМА УПРАВЛЕНИЯ ПОДЪЕМОМ

СИСТЕМА УПРАВЛЕНИЯ ПОДЪЕМОМ

1Артикул: KNOB, ...
2Артикул: 673752...
3Артикул: 7D4, N...
Подробнее >
Спецтехника ГИДРАВЛИЧЕСКИЙ РЕГУЛИРУЮЩИЙ КЛАПАН (РЕЗЕРВНЫЙ КЛАПАН)

ГИДРАВЛИЧЕСКИЙ РЕГУЛИРУЮЩИЙ КЛАПАН (РЕЗЕРВНЫЙ КЛАПАН)

1Артикул: VALVE,...
2Артикул: 722929...
3Артикул: 29G412...
Подробнее >
Спецтехника ЦИЛИНДР НАКЛОНА

ЦИЛИНДР НАКЛОНА

1Артикул: 680366...
2Артикул: 680366...
3Артикул: 680365...
Подробнее >
Спецтехника СХЕМА ГИДРАВЛИЧЕСКОЙ СИСТЕМЫ (БЕЗ КЛАПАНА РЕГУЛИРОВКИ ПОЛОЖЕНИЯ КОВША)

СХЕМА ГИДРАВЛИЧЕСКОЙ СИСТЕМЫ (БЕЗ КЛАПАНА РЕГУЛИРОВКИ ПОЛОЖЕНИЯ КОВША)

1Артикул: CYLIND...
2Артикул: 671316...
3Артикул: 671316...
Подробнее >
Спецтехника ГИДРОЗАМОК ПОДЪЕМА

ГИДРОЗАМОК ПОДЪЕМА

1Артикул: 666485...
2Артикул: 666549...
3Артикул: 666560...
Подробнее >
Спецтехника ГИДРОЗАМОК НАКЛОНА

ГИДРОЗАМОК НАКЛОНА

1Артикул: 666484...
2Артикул: 666561...
3Артикул: COIL, ...
Подробнее >
Спецтехника КЛАПАН РЕГУЛИРОВКИ ПОЛОЖЕНИЯ КОВША

КЛАПАН РЕГУЛИРОВКИ ПОЛОЖЕНИЯ КОВША

1Артикул: VALVE,...
2Артикул: 667395...
3Артикул: 664778...
Подробнее >
Спецтехника СХЕМА ГИДРАВЛИЧЕСКОЙ СИСТЕМЫ (С КЛАПАНОМ РЕГУЛИРОВКИ ПОЛОЖЕНИЯ КОВША)

СХЕМА ГИДРАВЛИЧЕСКОЙ СИСТЕМЫ (С КЛАПАНОМ РЕГУЛИРОВКИ ПОЛОЖЕНИЯ КОВША)

1Артикул: CYLIND...
2Артикул: 671316...
3Артикул: 671316...
Подробнее >
Спецтехника ГИДРАВЛИЧЕСКИЙ РЕГУЛИРУЮЩИЙ КЛАПАН

ГИДРАВЛИЧЕСКИЙ РЕГУЛИРУЮЩИЙ КЛАПАН

1Артикул: VALVE,...
2Артикул: 29G412...
3Артикул: 54K200...
Подробнее >