+7 (701) 588 50 05 Телефон для связи
RU

WhatsApp

Позвонить

ОСЬ КЛАПАННОГО КОРОМЫСЛА — Продажа в Казахстане Цены от официального дилера с доставкой в Алматы, Астану и регионы

Техника доступна в:
Полный спектр услуг:
Для Вашего удобства:
Характеристики и описание
Габариты, схема
Техническая документация
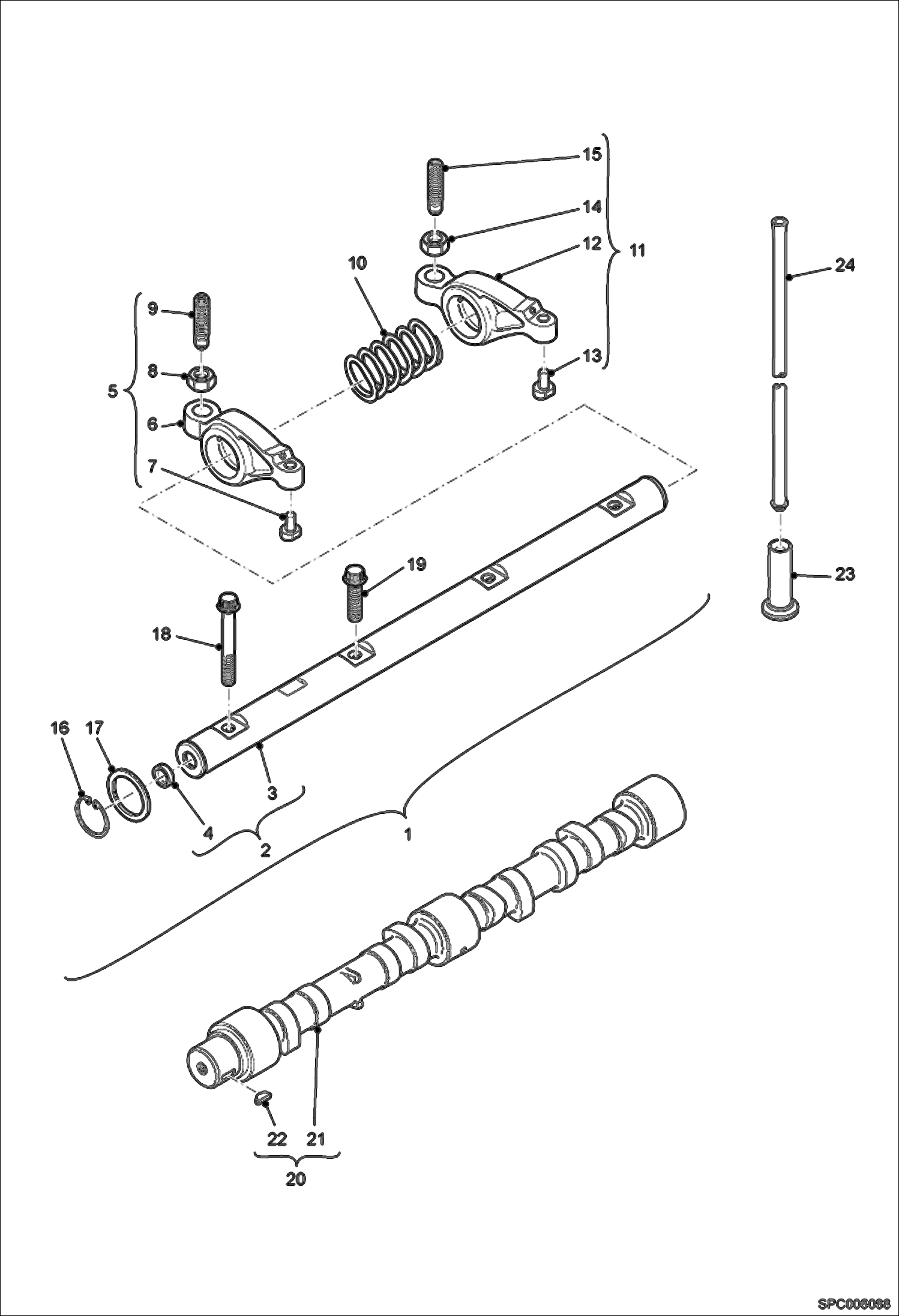
1 Артикул: 6924932, ROCKER SHAFT ASSEMBLY W/Ref. 2-19
2 Артикул: 6912005, ROCKER SHAFT ASSY W/Ref. 3-4
3 Артикул: SPINDLE, SPINDLE NAP - Order Ref. 2
4 Артикул: 6911891, PLUG
5 Артикул: 6924931, ROCKER LEVER W/Ref. 6-9
6 Артикул: LEVER,, LEVER, ROCKER NAP - Order Ref. 5
7 Артикул: PAD, PAD NAP - Order Ref. 5
8 Артикул: 6924911, NUT
9 Артикул: 6924935, SCREW Was 7017240 - A
10 Артикул: 6911924, ROCKER SHAFT SPRING
11 Артикул: 6924930, ROCKER LEVER W/Ref. 12-15
12 Артикул: LEVER,, LEVER, ROCKER NAP - Order Ref. 11
13 Артикул: PAD, PAD NAP - Order Ref. 11
14 Артикул: 6924911, NUT
15 Артикул: 6924935, SCREW Was 7017240 - A
16 Артикул: 6911910, CAP
17 Артикул: 6911864, WASHER
18 Артикул: 6911875, SCREW
19 Артикул: 6911876, SCREW
20 Артикул: 6924336, CAMSHAFT W/Ref. 21-22
21 Артикул: CAMSHAFT, CAMSHAFT NAP - Order Ref. 20
22 Артикул: 7017233, KEY, WOODRUFF Was 6911854
23 Артикул: 6924942, TAPPET Was 7017241 - A
24 Артикул: 6924929, PUSHROD Was 7017242 - A

ОСЬ КЛАПАННОГО КОРОМЫСЛА: Техника, которая работает на результат

ОСЬ КЛАПАННОГО КОРОМЫСЛА на телескопический погрузчик Bobcat T3571 A8H611001 И ВЫШЕ, A8HF11001 И ВЫШЕ

Габаритные размеры

Габаритные размеры и схема ОСЬ КЛАПАННОГО КОРОМЫСЛА

Нажмите на схему для увеличения

Документация

Документация временно недоступна.

Похожая техника в категории: ЗАПЧАСТИ ДВИГАТЕЛЯ (Bobcat)

Спецтехника МАХОВИК И ПРИВОДНОЙ ШКИВ

МАХОВИК И ПРИВОДНОЙ ШКИВ

1Артикул: 702245...
2Артикул: FLYWHE...
3Артикул: 651577...
Подробнее >
Спецтехника МАСЛЯНЫЙ РАДИАТОР И ФИЛЬТР

МАСЛЯНЫЙ РАДИАТОР И ФИЛЬТР

1Артикул: 692491...
2Артикул: 691189...
3Артикул: 691197...
Подробнее >
Спецтехника ГЕНЕРАТОР

ГЕНЕРАТОР

1Артикул: 691137...
2Артикул: 727042...
3Артикул: 57506....
Подробнее >
Спецтехника ШЕСТЕРНЯ РАСПРЕДЕЛИТЕЛЬНОГО ВАЛА

ШЕСТЕРНЯ РАСПРЕДЕЛИТЕЛЬНОГО ВАЛА

1Артикул: 692494...
2Артикул: 692490...
3Артикул: 692434...
Подробнее >
Спецтехника СХЕМА ВЕНТИЛЯТОРА ОХЛАЖДЕНИЯ (БЕЗ ДОПОЛНИТЕЛЬНОЙ ПЕРЕДАЧИ ЗАДНЕГО ХОДА - БЕЗ ВЫРАВНИВАНИЯ РАМЫ) (1 СКОРОСТЬ)

СХЕМА ВЕНТИЛЯТОРА ОХЛАЖДЕНИЯ (БЕЗ ДОПОЛНИТЕЛЬНОЙ ПЕРЕДАЧИ ЗАДНЕГО ХОДА - БЕЗ ВЫРАВНИВАНИЯ РАМЫ) (1 СКОРОСТЬ)

1Артикул: 1CM816...
2Артикул: 010370...
3Артикул: 89519....
Подробнее >
Спецтехника ФИЛЬТР ПРЕДВАРИТЕЛЬНОЙ ОЧИСТКИ ТОПЛИВА

ФИЛЬТР ПРЕДВАРИТЕЛЬНОЙ ОЧИСТКИ ТОПЛИВА

1Артикул: 1CM820...
2Артикул: 4CM103...
3Артикул: 01697....
Подробнее >
Спецтехника ОБОРУДОВАНИЕ СИСТЕМЫ ВПРЫСКА ТОПЛИВА

ОБОРУДОВАНИЕ СИСТЕМЫ ВПРЫСКА ТОПЛИВА

1Артикул: 692434...
2Артикул: PUMP,,...
3Артикул: 702246...
Подробнее >
Спецтехника УСТАНОВКА ГОЛОВКИ ЦИЛИНДРА

УСТАНОВКА ГОЛОВКИ ЦИЛИНДРА

1Артикул: 701058...
2Артикул: 691196...
3Артикул: 691193...
Подробнее >
Спецтехника ГОЛОВКА ЦИЛИНДРА В СБОРЕ

ГОЛОВКА ЦИЛИНДРА В СБОРЕ

1Артикул: 701058...
2Артикул: CYLIND...
3Артикул: 692494...
Подробнее >
Спецтехника УСТАНОВКА ДВИГАТЕЛЯ

УСТАНОВКА ДВИГАТЕЛЯ

1Артикул: 000345...
2Артикул: 00350-...
3Артикул: 000350...
Подробнее >
Спецтехника ВОДЯНАЯ ПОМПА И ТЕРМОСТАТ

ВОДЯНАЯ ПОМПА И ТЕРМОСТАТ

1Артикул: 701233...
2Артикул: PUMP,,...
3Артикул: COVER,...
Подробнее >
Спецтехника КОЛЕНЧАТЫЙ ВАЛ - ПОРШНИ

КОЛЕНЧАТЫЙ ВАЛ - ПОРШНИ

1Артикул: 702401...
2Артикул: 702248...
3Артикул: CRANKS...
Подробнее >