+7 (701) 588 50 05 Телефон для связи
RU

WhatsApp

Позвонить

УСТАНОВКА ДВИГАТЕЛЯ — Продажа в Казахстане Цены от официального дилера с доставкой в Алматы, Астану и регионы

Техника доступна в:
Полный спектр услуг:
Для Вашего удобства:
Характеристики и описание
Габариты, схема
Техническая документация
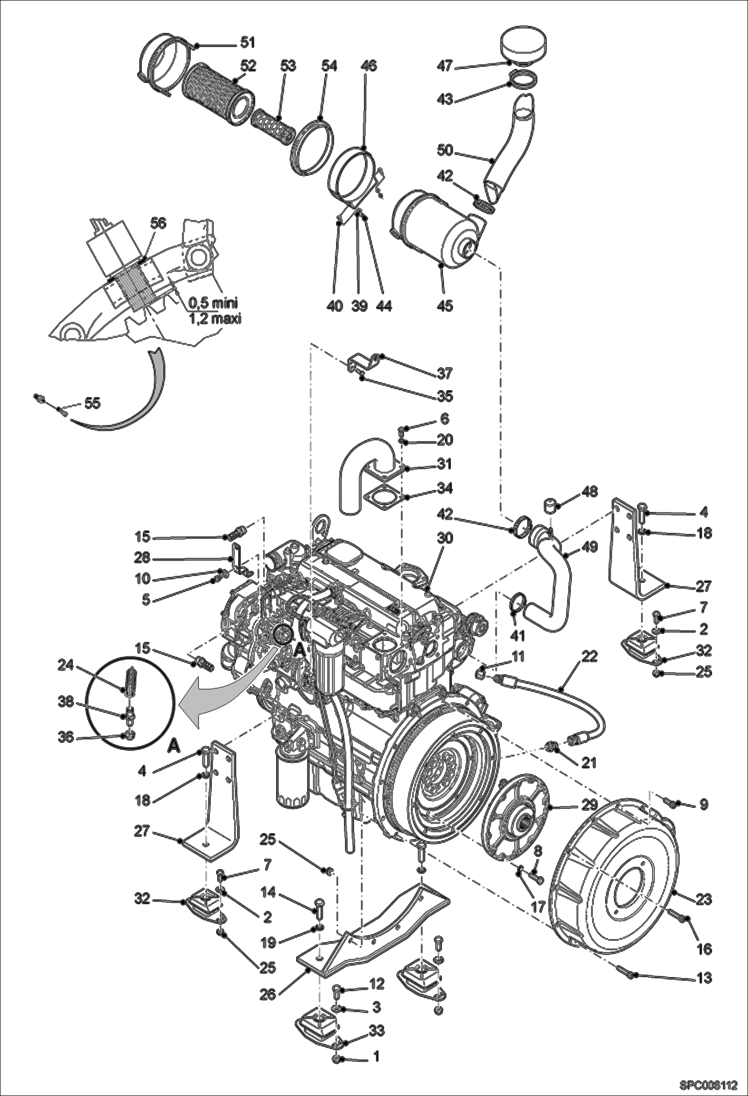
1 Артикул: 000345-96E, NUT
2 Артикул: 00350-03W, WASHER
3 Артикул: 000350-04X, WASHER, M12
4 Артикул: 01528.9, Screw
5 Артикул: 1CM816, BOLT Was 01595.8 - A
6 Артикул: 1CM820, BOLT Was 01596.6 - A
7 Артикул: 1CM1025, BOLT Was 01605.5 - B
8 Артикул: 1CM1040, BOLT Was 01608.9 - A
9 Артикул: 2GM1030, SCREW Was 01640.2 - A
10 Артикул: 01718.6, Washer
11 Артикул: 7299361, CAP, HYD Was 011374-44C - A
12 Артикул: 13399.1, Screw
13 Артикул: 14039.2, Screw
14 Артикул: 1CM1650, BOLT Was 28439.8 - A
15 Артикул: 38441.2, Union
16 Артикул: 54009.6, Screw
17 Артикул: 7225260, WASHER Was 89516.9 - A
18 Артикул: 89517.7, Washer
19 Артикул: 89518.5, Washer
20 Артикул: 89519.3, Washer
21 Артикул: 96461.9, Adapter
22 Артикул: 96462.7, Drain Hose
23 Артикул: 97878.3, Housing
24 Артикул: 98272.8, Spring
25 Артикул: 7193303, SPRING
26 Артикул: 7252655, NUT Was 100345-09A - A
27 Артикул: 6908071, SUPPORT
28 Артикул: 6908663, PLATE
29 Артикул: HOLDER, HOLDER NLA - Order 7172531 holder - Was 6910326 - A
30 Артикул: 7172531, HOLDER, ACCELERATOR
31 Артикул: COUPLER, COUPLER NLA - Order 78301.9 - Was 98011.0 - A
32 Артикул: 6919322, ENGINE see following pages for details
33 Артикул: 6921134, ENGINE SUPPORT
34 Артикул: 6921192, BLOCK SILENT small
35 Артикул: 6922321, BLOCK SILENT medium
36 Артикул: 6923517, INLET SEAL
37 Артикул: 01591.7, Screw
38 Артикул: 100345-06W, NUT
39 Артикул: 7172528, HOLDER, ACCELERATOR Was 6910322 - A
40 Артикул: 6910328, BRACKET , SPRING ANCHORING
41 Артикул: 01697.2, Washer
42 Артикул: 007330-29V, SCREW HM8-30/30 CL 8.8 ZJ 8
43 Артикул: 29713.5, Clamp
44 Артикул: 35949.7, Clamp
45 Артикул: 38683.9, Collar
46 Артикул: 01681.6, Nut Was 51851.4 - A
47 Артикул: 97746.2, Air Filter W/Ref. 39-40, 44, 46 & 51-54
48 Артикул: 7166418, HOLDER, AIR FILTER Was 97747.0 - A
49 Артикул: 7165319, CAP, AIR RAIN Was 6908363 - A
50 Артикул: 6911276, PLUGGING INDICATOR
51 Артикул: 6916705, HOSE
52 Артикул: 6916706, HOSE
53 Артикул: 6910724, HOUSING
54 Артикул: 6910725, FILTER, AIR OUTER
55 Артикул: 6910726, FILTER, AIR INNER
56 Артикул: 6910727, RING
57 Артикул: 6913087, SENSOR,ENGINE SPEED TIER II
58 Артикул: 98132.4, Washer

УСТАНОВКА ДВИГАТЕЛЯ: Техника, которая работает на результат

УСТАНОВКА ДВИГАТЕЛЯ на телескопический погрузчик Bobcat T3571 A8H611001 И ВЫШЕ, A8HF11001 И ВЫШЕ

Габаритные размеры

Габаритные размеры и схема УСТАНОВКА ДВИГАТЕЛЯ

Нажмите на схему для увеличения

Документация

Документация временно недоступна.

Похожая техника в категории: ЗАПЧАСТИ ДВИГАТЕЛЯ (Bobcat)

Спецтехника МАХОВИК И ПРИВОДНОЙ ШКИВ

МАХОВИК И ПРИВОДНОЙ ШКИВ

1Артикул: 702245...
2Артикул: FLYWHE...
3Артикул: 651577...
Подробнее >
Спецтехника ОСЬ КЛАПАННОГО КОРОМЫСЛА

ОСЬ КЛАПАННОГО КОРОМЫСЛА

1Артикул: 692493...
2Артикул: 691200...
3Артикул: SPINDL...
Подробнее >
Спецтехника МАСЛЯНЫЙ РАДИАТОР И ФИЛЬТР

МАСЛЯНЫЙ РАДИАТОР И ФИЛЬТР

1Артикул: 692491...
2Артикул: 691189...
3Артикул: 691197...
Подробнее >
Спецтехника ГЕНЕРАТОР

ГЕНЕРАТОР

1Артикул: 691137...
2Артикул: 727042...
3Артикул: 57506....
Подробнее >
Спецтехника ШЕСТЕРНЯ РАСПРЕДЕЛИТЕЛЬНОГО ВАЛА

ШЕСТЕРНЯ РАСПРЕДЕЛИТЕЛЬНОГО ВАЛА

1Артикул: 692494...
2Артикул: 692490...
3Артикул: 692434...
Подробнее >
Спецтехника СХЕМА ВЕНТИЛЯТОРА ОХЛАЖДЕНИЯ (БЕЗ ДОПОЛНИТЕЛЬНОЙ ПЕРЕДАЧИ ЗАДНЕГО ХОДА - БЕЗ ВЫРАВНИВАНИЯ РАМЫ) (1 СКОРОСТЬ)

СХЕМА ВЕНТИЛЯТОРА ОХЛАЖДЕНИЯ (БЕЗ ДОПОЛНИТЕЛЬНОЙ ПЕРЕДАЧИ ЗАДНЕГО ХОДА - БЕЗ ВЫРАВНИВАНИЯ РАМЫ) (1 СКОРОСТЬ)

1Артикул: 1CM816...
2Артикул: 010370...
3Артикул: 89519....
Подробнее >
Спецтехника ФИЛЬТР ПРЕДВАРИТЕЛЬНОЙ ОЧИСТКИ ТОПЛИВА

ФИЛЬТР ПРЕДВАРИТЕЛЬНОЙ ОЧИСТКИ ТОПЛИВА

1Артикул: 1CM820...
2Артикул: 4CM103...
3Артикул: 01697....
Подробнее >
Спецтехника ОБОРУДОВАНИЕ СИСТЕМЫ ВПРЫСКА ТОПЛИВА

ОБОРУДОВАНИЕ СИСТЕМЫ ВПРЫСКА ТОПЛИВА

1Артикул: 692434...
2Артикул: PUMP,,...
3Артикул: 702246...
Подробнее >
Спецтехника УСТАНОВКА ГОЛОВКИ ЦИЛИНДРА

УСТАНОВКА ГОЛОВКИ ЦИЛИНДРА

1Артикул: 701058...
2Артикул: 691196...
3Артикул: 691193...
Подробнее >
Спецтехника ГОЛОВКА ЦИЛИНДРА В СБОРЕ

ГОЛОВКА ЦИЛИНДРА В СБОРЕ

1Артикул: 701058...
2Артикул: CYLIND...
3Артикул: 692494...
Подробнее >
Спецтехника ВОДЯНАЯ ПОМПА И ТЕРМОСТАТ

ВОДЯНАЯ ПОМПА И ТЕРМОСТАТ

1Артикул: 701233...
2Артикул: PUMP,,...
3Артикул: COVER,...
Подробнее >
Спецтехника КОЛЕНЧАТЫЙ ВАЛ - ПОРШНИ

КОЛЕНЧАТЫЙ ВАЛ - ПОРШНИ

1Артикул: 702401...
2Артикул: 702248...
3Артикул: CRANKS...
Подробнее >