ПОДЪЕМНАЯ РУКОЯТЬ И BOB-TACH — Продажа в Казахстане Цены от официального дилера с доставкой в Алматы, Астану и регионы
×
❮
❯
Характеристики и описание
Габариты, схема
Техническая документация
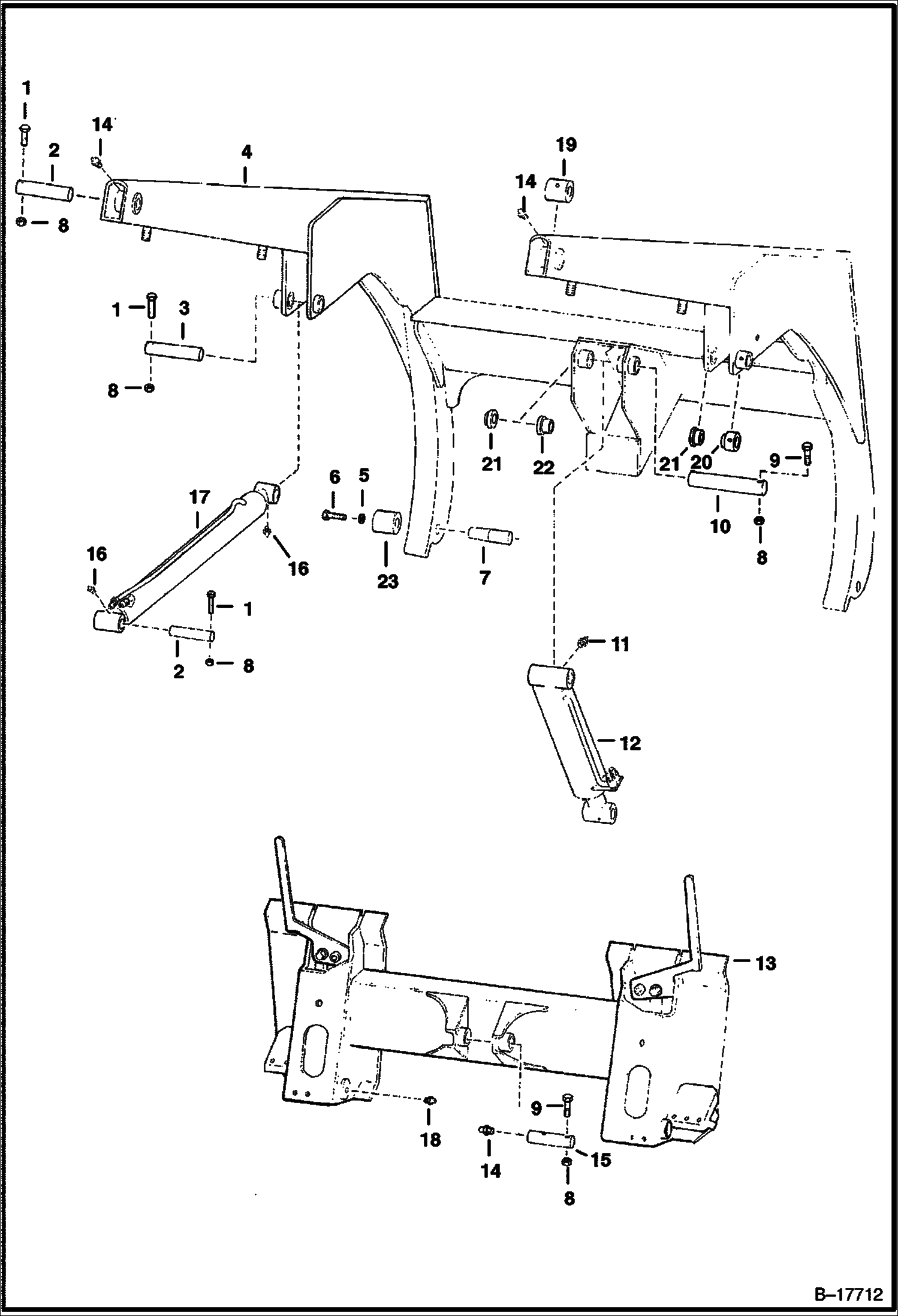
| 1 | Артикул: 17C640, BOLT |
| 2 | Артикул: 6547595, PIN |
| 3 | Артикул: 6718789, PIN Was 6547593 - B |
| 4 | Артикул: LIFT, LIFT ARM See Illustration AUXILIARY HYDRAULICS KIT/ B17752 NLA - ORDER 6711780 LIFT ARM & 6565503 MOUNT - WAS 6705115 - A |
| 6 | Артикул: 6711780, LIFT ARM |
| 7 | Артикул: 6711780, LIFT ARM |
| 8 | Артикул: 6555455, WASHER |
| 9 | Артикул: 31C1064, BOLT Was 17C-1064 - B |
| 10 | Артикул: 6732012, PIN, PIVOT 1.25 in. (31,8 mm) Dia. - Use W/Ref. 23 (6714874 bushing) - Was 6707042 - A |
| 11 | Артикул: 6730263, PIN, PIVOT 1.50 in. (38,1 mm) dia. - Use W/Ref. 23 (7171338 bushing) |
| 12 | Артикул: 85D6, NUT, 5 |
| 13 | Артикул: 17C632, BOLT 5 |
| 14 | Артикул: 6704288, PIN, PIVOT |
| 15 | Артикул: 10H35, FITTING, GREASE 10 |
| 16 | Артикул: CYLINDER, CYLINDER See Illustration TILT CYLINDER/ B17721 TILT |
| 17 | Артикул: BOB-TACH, BOB-TACH See Illustration BOB-TACH/ B17714 SALES |
| 18 | Артикул: 11H15, GREASE FITTING Was 10H000025B - B |
| 19 | Артикул: 6703572, PIN, PIVOT |
| 20 | Артикул: 11H25, FITTING10 |
| 21 | Артикул: CYLINDER, CYLINDER See Illustration LIFT CYLINDER/ TS1097 LIFT |
| 22 | Артикул: 743332, FITTING, GREASE 5 |
| 23 | Артикул: 6578356, BUSHING Weld On |
| 24 | Артикул: 6555987, BUSHING weld on |
| 25 | Артикул: 6555989, BUSHING Weld On |
| 26 | Артикул: 6557095, BUSHING Weld On |
| 27 | Артикул: 6714874, BUSHING, WELD-ON weld-on-W/tapered hole - 1.25--(31,8 mm) - Use W/Ref. 7 (6732012 pin) |
| 28 | Артикул: 7171338, BUSHING, WELD-ON weld-on - W/tapered hole - 38.1 mm (1.5--) - 50,8 mm (2--) long - Use W/Ref. 7 (6730263 pin) |
ПОДЪЕМНАЯ РУКОЯТЬ И BOB-TACH: Техника, которая работает на результат
ПОДЪЕМНАЯ РУКОЯТЬ И BOB-TACH на Bobcat 500s Bobcat 553 513011001 И ВЫШЕГабаритные размеры
Нажмите на схему для увеличения
Документация
Документация временно недоступна.
Похожая техника в категории: РАМА (Bobcat)
СИДЕНИЕ И ОПОРА СИДЕНЬЯ
1Артикул: SEAT, ...
2Артикул: SEAT, ...
3Артикул: SEAT, ...
Подробнее >
BOB-TACH
1Артикул: 670614...
2Артикул: 656532...
3Артикул: 658966...
Подробнее >
СИДЕНИЕ (МИЧИГАН)
1Артикул: SEAT, ...
2Артикул: 666913...
3Артикул: 667016...
Подробнее >
ТОПЛИВНАЯ СИСТЕМА
1Артикул: 663097...
2Артикул: 656975...
3Артикул: 658745...
Подробнее >
ПАНЕЛИ
1Артикул: 656497...
2Артикул: 84G371...
3Артикул: BOOT, ...
Подробнее >
ЗАДНЯЯ ДВЕРЬ
1Артикул: 670769...
2Артикул: 656434...
3Артикул: 656368...
Подробнее >
КАБИНА ОПЕРАТОРА
1Артикул: 670195...
2Артикул: 670868...
3Артикул: 670615...
Подробнее >
СИДЕНИЕ
1Артикул: 656314...
2Артикул: 663046...
3Артикул: 663046...
Подробнее >