+7 (701) 588 50 05 Телефон для связи
RU

WhatsApp

Позвонить

ПОДДОН КАРТЕРА (KUBOTA D722) — Продажа в Казахстане Цены от официального дилера с доставкой в Алматы, Астану и регионы

Техника доступна в:
Полный спектр услуг:
Для Вашего удобства:
Характеристики и описание
Габариты, схема
Техническая документация
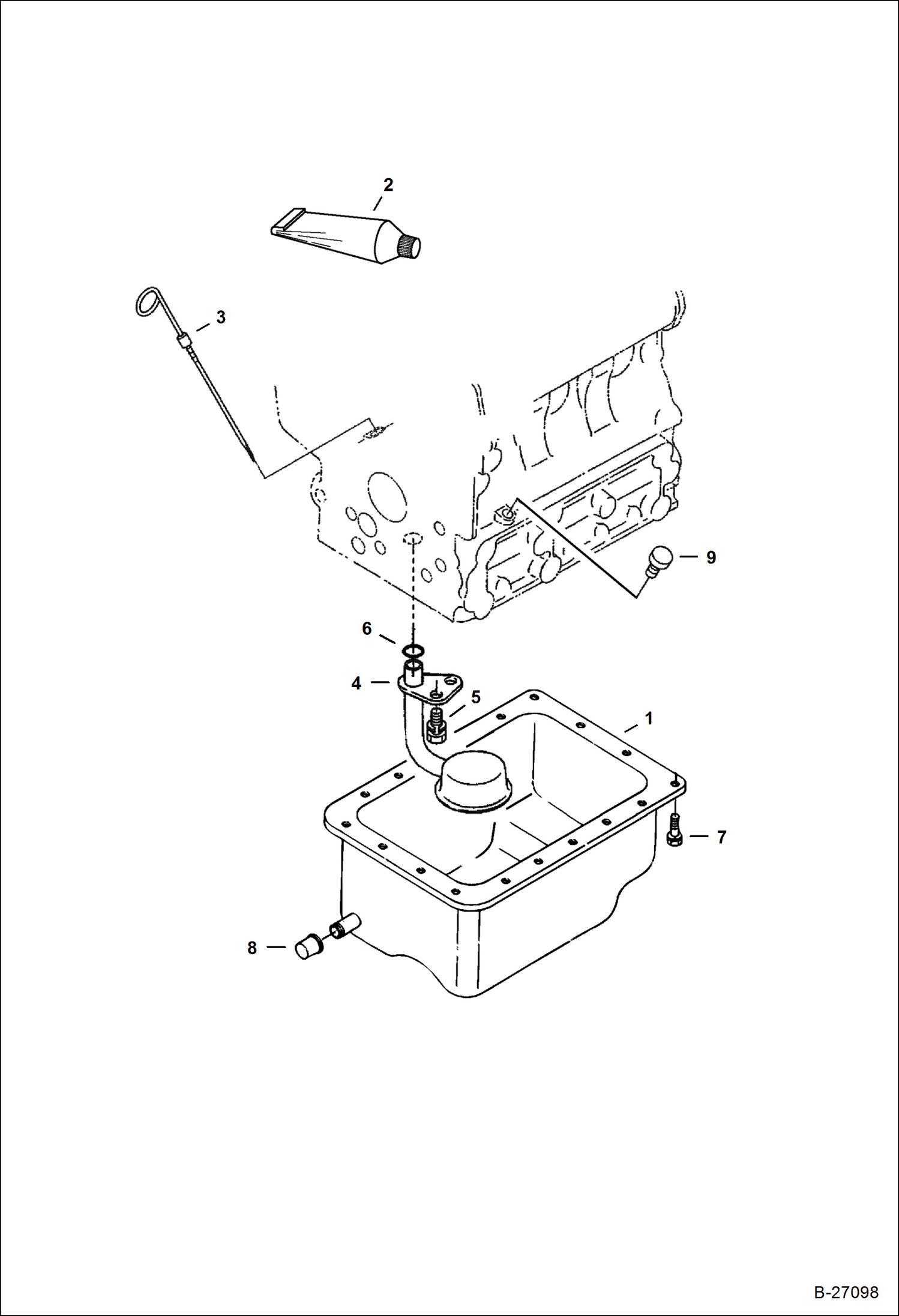
1 Артикул: 6685739, PAN
2 Артикул: GASKET, GASKET NLA - Use Ref. 2
3 Артикул: 6632823, GASKET liquid - Use between Ref. 1 & block
4 Артикул: 6670374, DIPSTICK 7.5 mm dia plug
5 Артикул: 6678238, DIPSTICK 12.5 mm dia plug
6 Артикул: 6670348, SCREEN oil pickup
7 Артикул: 6667420, BOLT
8 Артикул: 6680284, O-RING See Illustration LOWER GASKET KIT/ B16470 included w/lower gasket kit
9 Артикул: 1CM614, SCREW Was 4CM614 - A
10 Артикул: 6687741, PLUG
11 Артикул: 6969804, PLUG,OIL GAUGE

ПОДДОН КАРТЕРА (KUBOTA D722): Техника, которая работает на результат

ПОДДОН КАРТЕРА (KUBOTA D722) на Bobcat 400s Bobcat 463 519911001 И ВЫШЕ, 520011001 И ВЫШЕ

Габаритные размеры

Габаритные размеры и схема ПОДДОН КАРТЕРА (KUBOTA D722)

Нажмите на схему для увеличения

Документация

Документация временно недоступна.

Похожая техника в категории: ЗАПЧАСТИ ДВИГАТЕЛЯ (Bobcat)

Спецтехника ДВИГАТЕЛЬ И КРЕПЕЖНЫЕ ДЕТАЛИ (РЕМЕНЬ ПРИВОДА, ГИДРАВЛИКА) (СЕРИЙНЫЙ НОМЕР 5200 11680 И НИЖЕ, 5199 11409 И НИЖЕ)

ДВИГАТЕЛЬ И КРЕПЕЖНЫЕ ДЕТАЛИ (РЕМЕНЬ ПРИВОДА, ГИДРАВЛИКА) (СЕРИЙНЫЙ НОМЕР 5200 11680 И НИЖЕ, 5199 11409 И НИЖЕ)

1Артикул: 671387...
2Артикул: 83D6, ...
3Артикул: 667878...
Подробнее >
Спецтехника КОМПЛЕКТ ДЕТАЛЕЙ ВЕРХНЕГО УПЛОТНИТЕЛЬНОГО КОЛЬЦА (KUBOTA D722)

КОМПЛЕКТ ДЕТАЛЕЙ ВЕРХНЕГО УПЛОТНИТЕЛЬНОГО КОЛЬЦА (KUBOTA D722)

1Артикул: 667273...
2Артикул: 667037...
3Артикул: 397497...
Подробнее >
Спецтехника ВОЗДУШНЫЙ ФИЛЬТР

ВОЗДУШНЫЙ ФИЛЬТР

1Артикул: 667331...
2Артикул: TANK, ...
3Артикул: 667470...
Подробнее >
Спецтехника РЕГУЛЯТОР ОБОРОТОВ (KUBOTA D722)

РЕГУЛЯТОР ОБОРОТОВ (KUBOTA D722)

1Артикул: 667045...
2Артикул: 701696...
3Артикул: PLUG, ...
Подробнее >
Спецтехника КРЫШКА КОРОМЫСЛА КЛАПАНА (KUBOTA D722)

КРЫШКА КОРОМЫСЛА КЛАПАНА (KUBOTA D722)

1Артикул: 668300...
2Артикул: 667037...
3Артикул: 665522...
Подробнее >
Спецтехника ОСНОВНОЙ КОРПУС ПОДШИПНИКА (KUBOTA D722)

ОСНОВНОЙ КОРПУС ПОДШИПНИКА (KUBOTA D722)

1Артикул: CASE, ...
2Артикул: 700037...
3Артикул: 667037...
Подробнее >
Спецтехника ВОДЯНАЯ ПОМПА (KUBOTA D722)

ВОДЯНАЯ ПОМПА (KUBOTA D722)

1Артикул: 667050...
2Артикул: BODY, ...
3Артикул: BEARIN...
Подробнее >
Спецтехника КОМПЛЕКТ НИЖНИХ ПРОКЛАДОК (KUBOTA D722)

КОМПЛЕКТ НИЖНИХ ПРОКЛАДОК (KUBOTA D722)

1Артикул: 667274...
2Артикул: 396651...
3Артикул: 667035...
Подробнее >
Спецтехника КОРОМЫСЛО КЛАПАНА И КЛАПАНЫ (KUBOTA D722)

КОРОМЫСЛО КЛАПАНА И КЛАПАНЫ (KUBOTA D722)

1Артикул: 667051...
2Артикул: 667051...
3Артикул: 667051...
Подробнее >
Спецтехника ДВИГАТЕЛЬ И КРЕПЕЖНЫЕ ДЕТАЛИ (ВХОДНОЕ ОТВЕРСТИК И ВЫХЛОПНОЙ КОЛЛЕКТОР)

ДВИГАТЕЛЬ И КРЕПЕЖНЫЕ ДЕТАЛИ (ВХОДНОЕ ОТВЕРСТИК И ВЫХЛОПНОЙ КОЛЛЕКТОР)

1Артикул: 671844...
2Артикул: 42HC25...
3Артикул: 651500...
Подробнее >
Спецтехника ТОПЛИВНАЯ СИСТЕМА И НАСОС ВПРЫСКА (KUBOTA D722)

ТОПЛИВНАЯ СИСТЕМА И НАСОС ВПРЫСКА (KUBOTA D722)

1Артикул: 667049...
2Артикул: 1CM616...
3Артикул: 667078...
Подробнее >
Спецтехника ДВИГАТЕЛЬ И КРЕПЕЖНЫЕ ДЕТАЛИ (РЕМЕНЬ ПРИВОДА, ГИДРАВЛИКА) (СЕРИЙНЫЙ НОМЕР 5200 11681 И ВЫШЕ, 5199 11410 И ВЫШЕ)

ДВИГАТЕЛЬ И КРЕПЕЖНЫЕ ДЕТАЛИ (РЕМЕНЬ ПРИВОДА, ГИДРАВЛИКА) (СЕРИЙНЫЙ НОМЕР 5200 11681 И ВЫШЕ, 5199 11410 И ВЫШЕ)

1Артикул: 671387...
2Артикул: 83D6, ...
3Артикул: 667878...
Подробнее >