+7 (701) 588 50 05 Телефон для связи
RU

WhatsApp

Позвонить

РЕДУКТОР — Продажа в Казахстане Цены от официального дилера с доставкой в Алматы, Астану и регионы

Техника доступна в:
Полный спектр услуг:
Для Вашего удобства:
Характеристики и описание
Габариты, схема
Техническая документация
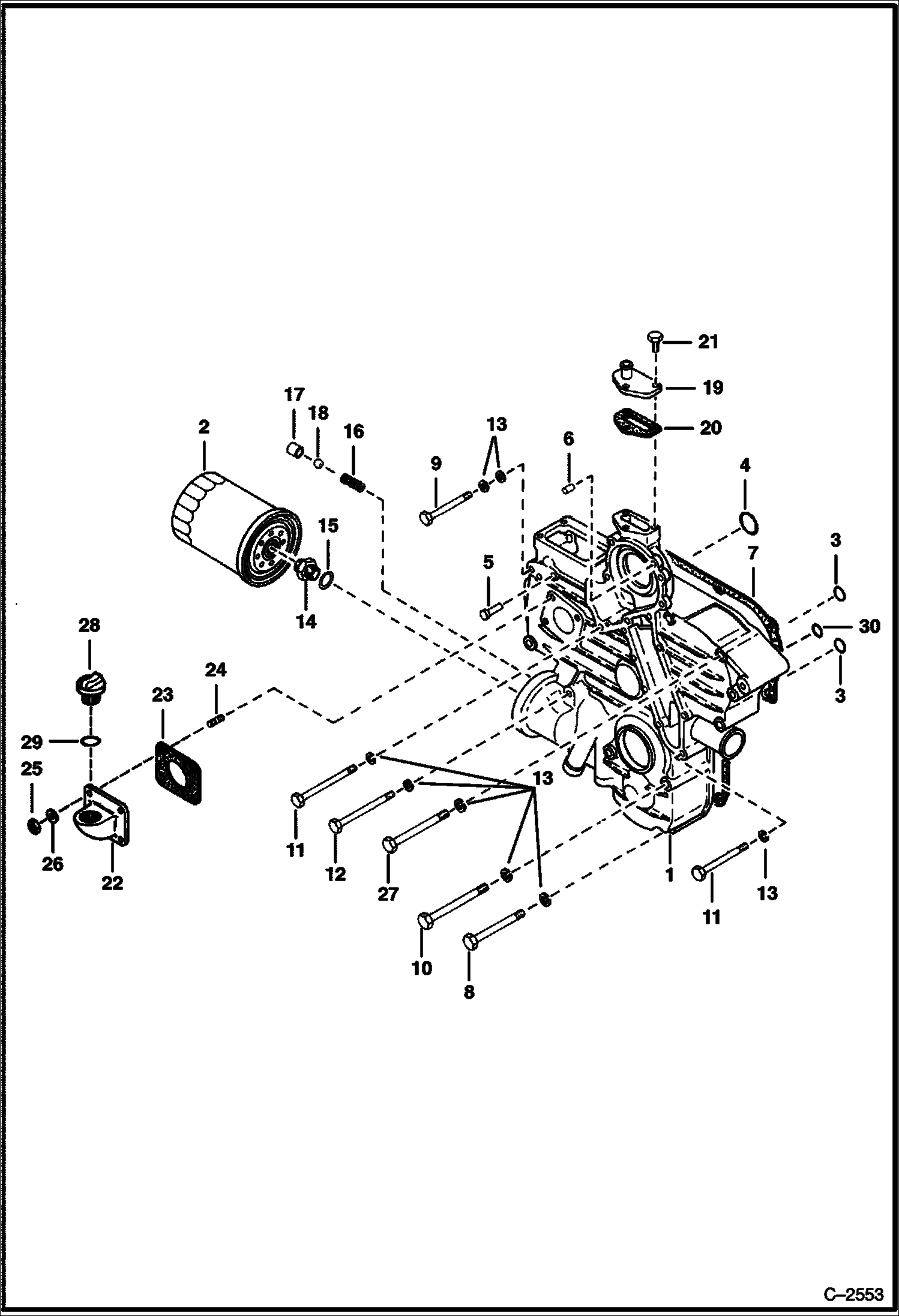
1 Артикул: CASE, CASE ASSY. NLA - gear - W/Ref. 3-7 - Was 6674164 - A
2 Артикул: 6675517, FILTER, OIL ENG 12 oil filter - 12 Pack - Was 3974896 - A
3 Артикул: 3966515, O RING In 6630553 Gasket Kit
4 Артикул: 3966530, O RING In 6630553 Gasket Kit
5 Артикул: 6652592, PIN start spring - Was 3974841B - A
6 Артикул: 3974395, PIN straight
7 Артикул: 6666800, GASKET gearcase In 6630553 Gasket Kit - Was 6655481 - A
8 Артикул: 3974888, BOLT
9 Артикул: 6653807, BOLT Was 3974889B - A
10 Артикул: 1CM880, BOLT
11 Артикул: 6653808, BOLT Was 3974890B - A
12 Артикул: 1CM895, BOLT
13 Артикул: 6EM80, WASHER, SPRING
14 Артикул: 6653809, CONNECTOR pipe - Was 3974891B - A
15 Артикул: 15EM180, WASHER plain
16 Артикул: 6652652, SPRING Was 3974892B - A
17 Артикул: 3974893, SEAT valve
18 Артикул: 10J13, BALL
19 Артикул: 3974894, FLANGE water return
20 Артикул: 6666803, GASKET In 6630553 Gasket Kit - Was 3974895B - A
21 Артикул: 1CM620, BOLT Was 4CM620 - A
22 Артикул: 6562466, INLET oil filler - Was 3974460B - B
23 Артикул: 6714543, GASKET In 6630553 Gasket Kit - Was 6666785 - A
24 Артикул: 6652764, STUD Was 3974462B - A
25 Артикул: 1DM6, NUT
26 Артикул: 6EM60, WASHER, SPRING spring
27 Артикул: 1CM870, BOLT
28 Артикул: 6685924, CAP oil filler - Was 6652653 - A
29 Артикул: 3966602, O RING oil fill plug
30 Артикул: 6655162, O-RING

РЕДУКТОР: Техника, которая работает на результат

РЕДУКТОР на Bobcat 600s Bobcat 643 501511001 И ВЫШЕ

Габаритные размеры

Габаритные размеры и схема РЕДУКТОР

Нажмите на схему для увеличения

Документация

Документация временно недоступна.

Похожая техника в категории: ЗАПЧАСТИ ДВИГАТЕЛЯ (Bobcat)

Спецтехника КОРОМЫСЛО КЛАПАНА И КЛАПАНЫ

КОРОМЫСЛО КЛАПАНА И КЛАПАНЫ

1Артикул: 665382...
2Артикул: 665382...
3Артикул: 397451...
Подробнее >
Спецтехника ОСНОВНОЙ КОРПУС ПОДШИПНИКА

ОСНОВНОЙ КОРПУС ПОДШИПНИКА

1Артикул: BEARIN...
2Артикул: 665381...
3Артикул: 665381...
Подробнее >
Спецтехника КАРДАННЫЙ ШАРНИР

КАРДАННЫЙ ШАРНИР

1Артикул: 659834...
2Артикул: 659830...
3Артикул: 520212...
Подробнее >
Спецтехника КАРТЕР ДВИГАТЕЛЯ

КАРТЕР ДВИГАТЕЛЯ

1Артикул: 659818...
2Артикул: 659871...
3Артикул: 665257...
Подробнее >
Спецтехника ДРОССЕЛЬНАЯ ЗАСЛОНКА И ВОЗДУШНАЯ ЗАСЛОНКА(СЕРИЙНЫЙ НОМЕР 11431 И НИЖЕ)

ДРОССЕЛЬНАЯ ЗАСЛОНКА И ВОЗДУШНАЯ ЗАСЛОНКА(СЕРИЙНЫЙ НОМЕР 11431 И НИЖЕ)

1Артикул: 655485...
2Артикул: 62D4, ...
3Артикул: 656249...
Подробнее >
Спецтехника ДВИГАТЕЛЬ И КРЕПЕЖНЫЕ ДЕТАЛИ

ДВИГАТЕЛЬ И КРЕПЕЖНЫЕ ДЕТАЛИ

1Артикул: 57D6, ...
2Артикул: 84G371...
3Артикул: 656786...
Подробнее >
Спецтехника СТОПОРНАЯ РУКОЯТКА

СТОПОРНАЯ РУКОЯТКА

1Артикул: 397497...
2Артикул: BOLT, ...
3Артикул: BOLT, ...
Подробнее >
Спецтехника ДЕРЖАТЕЛЬ ФОРСУНКИ

ДЕРЖАТЕЛЬ ФОРСУНКИ

1Артикул: 397425...
2Артикул: 397432...
3Артикул: 397432...
Подробнее >
Спецтехника ВОЗДУХООЧИСТИТЕЛЬ (СЕРИЙНЫЙ НОМЕР И ВЫШЕ)

ВОЗДУХООЧИСТИТЕЛЬ (СЕРИЙНЫЙ НОМЕР И ВЫШЕ)

1Артикул: 665601...
2Артикул: TANK, ...
3Артикул: 659849...
Подробнее >
Спецтехника ВОЗДУХООЧИСТИТЕЛЬ (СЕРИЙНЫЙ НОМЕР И НИЖЕ)

ВОЗДУХООЧИСТИТЕЛЬ (СЕРИЙНЫЙ НОМЕР И НИЖЕ)

1Артикул: 656340...
2Артикул: TANK, ...
3Артикул: 659849...
Подробнее >
Спецтехника ТОПЛИВНЫЙ НАСОС

ТОПЛИВНЫЙ НАСОС

1Артикул: 665520...
2Артикул: 397436...
3Артикул: 397436...
Подробнее >
Спецтехника ТОПЛИВНАЯ СИСТЕМА И НАСОС ВПРЫСКА

ТОПЛИВНАЯ СИСТЕМА И НАСОС ВПРЫСКА

1Артикул: 659812...
2Артикул: 397450...
3Артикул: 397450...
Подробнее >