+7 (701) 588 50 05 Телефон для связи
RU

WhatsApp

Позвонить

РУКОЯТЬ ЧЕРПАКА КРУГОВАЯ СХЕМА — Продажа в Казахстане Цены от официального дилера с доставкой в Алматы, Астану и регионы

Техника доступна в:
Полный спектр услуг:
Для Вашего удобства:
Характеристики и описание
Габариты, схема
Техническая документация
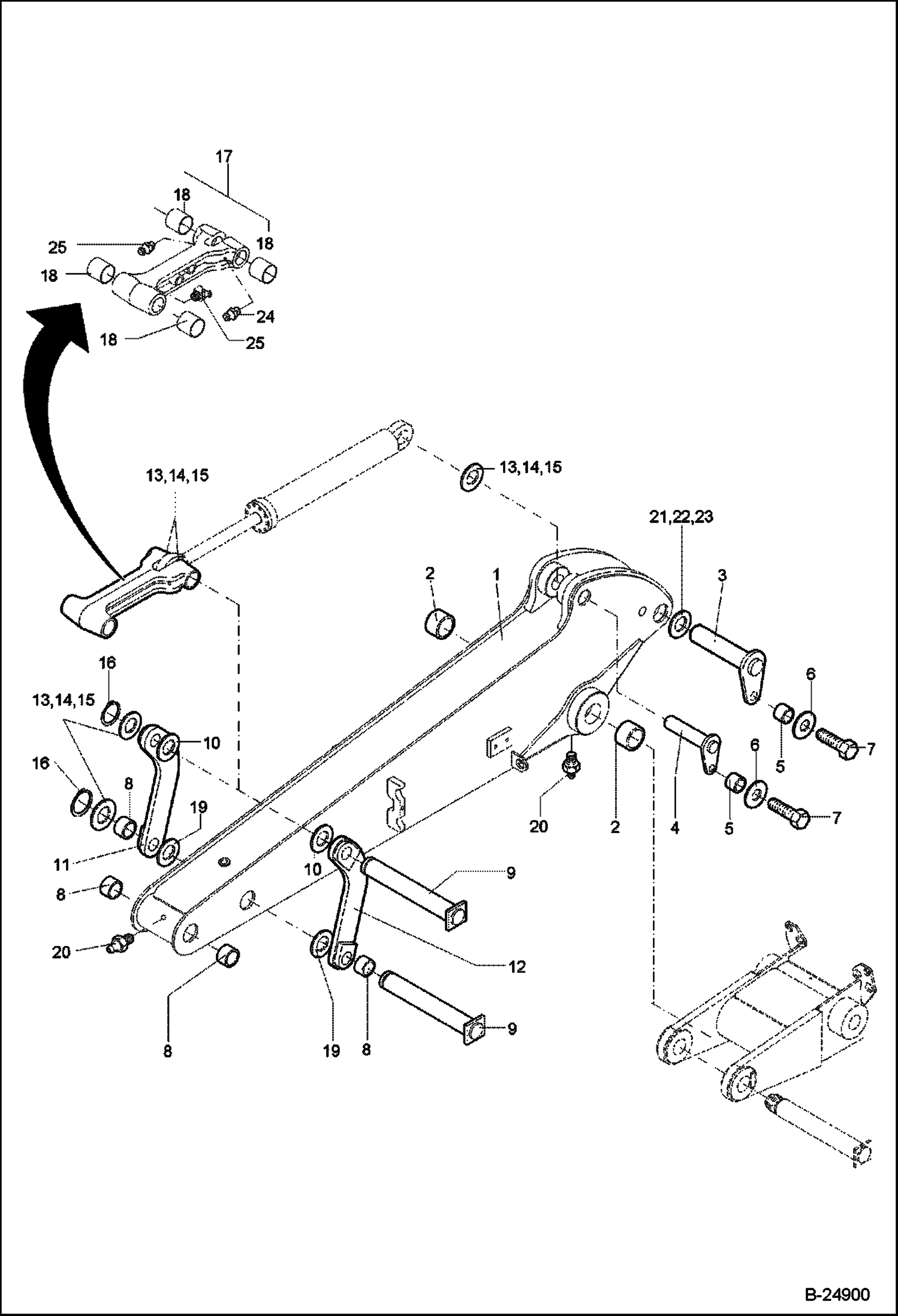
1 Артикул: 0209169002, ARM, DIPPER W/A EXC
2 Артикул: 5809625667, BUSHING
3 Артикул: 0176106055, PIN
4 Артикул: 0156132075, PIN
5 Артикул: 0156029033, SPACER
6 Артикул: 1343707061, WASHER
7 Артикул: 1008707829, BOLT
8 Артикул: 5809625553, BUSHING, PRESS FIT 1.98-- ID, 2.17-- OD
9 Артикул: 0211007110, PIN
10 Артикул: 0194002226, WASHER
11 Артикул: 0176106065, TILTING LEVER
12 Артикул: 0176106070, TILTING LEVER
13 Артикул: 1309412412, SHIM
14 Артикул: 1309412425, SHIM
15 Артикул: 1309412434, SHIM
16 Артикул: 1455622750, SNAP RING
17 Артикул: 0209129055, GUIDE LINK ASSY
18 Артикул: 5809625675, BUSHING
19 Артикул: 0194002226, WASHER
20 Артикул: 1607003010, GREASE NIPPLE
21 Артикул: 1309412013, SHIM
22 Артикул: 1309412825, SHIM
23 Артикул: 1309412834, SHIM
24 Артикул: 1607010010, GREASE ZERK
25 Артикул: 1608010010, GREASE ZERK

РУКОЯТЬ ЧЕРПАКА КРУГОВАЯ СХЕМА: Техника, которая работает на результат

РУКОЯТЬ ЧЕРПАКА КРУГОВАЯ СХЕМА на мини-экскаватор Bobcat 442 528611001 - 528611476, 528911001 - 528911484

Габаритные размеры

Габаритные размеры и схема РУКОЯТЬ ЧЕРПАКА КРУГОВАЯ СХЕМА

Нажмите на схему для увеличения

Документация

Документация временно недоступна.

Похожая техника в категории: ГИДРАВЛИЧЕСКАЯ СИСТЕМА (Bobcat)

Спецтехника ГИДРОУСТАНОВКА ОБОРУДОВАНИЕ ДЛЯ ПОВОРОТА

ГИДРОУСТАНОВКА ОБОРУДОВАНИЕ ДЛЯ ПОВОРОТА

1Артикул: 191506...
2Артикул: 412004...
3Артикул: 191506...
Подробнее >
Спецтехника ГИДРОУСТАНОВКА КЛАПАН УДЕРЖАНИЯ НАГРУЗКИ РУКОЯТИ ЧЕРПАКА - ОДИНОЧНЫЙ

ГИДРОУСТАНОВКА КЛАПАН УДЕРЖАНИЯ НАГРУЗКИ РУКОЯТИ ЧЕРПАКА - ОДИНОЧНЫЙ

1Артикул: 565309...
2Артикул: 566009...
3Артикул: 011001...
Подробнее >
Спецтехника КЛАПАНЫ

КЛАПАНЫ

1Артикул: 536465...
2Артикул: 536466...
3Артикул: 536466...
Подробнее >
Спецтехника ГИДРОЦИЛИНДР ШАРНИРНОЕ СОЕДИНЕНИЕ

ГИДРОЦИЛИНДР ШАРНИРНОЕ СОЕДИНЕНИЕ

1Артикул: 650108...
2Артикул: 650108...
3Артикул: 195000...
Подробнее >
Спецтехника ПОВОРОТНЫЙ МЕХАНИЗМ

ПОВОРОТНЫЙ МЕХАНИЗМ

1Артикул: 590467...
2Артикул: 590465...
3Артикул: 590465...
Подробнее >
Спецтехника ХОДОВОЙ ПРИВОД

ХОДОВОЙ ПРИВОД

1Артикул: 545966...
2Артикул: 545966...
3Артикул: 545966...
Подробнее >
Спецтехника ГИДРОЦИЛИНДР КРОНШТЕЙН ОТВАЛА ESA

ГИДРОЦИЛИНДР КРОНШТЕЙН ОТВАЛА ESA

1Артикул: 650092...
2Артикул: 650092...
3Артикул: 195000...
Подробнее >
Спецтехника КЛАПАН С СЕРВОПРИВОДОМ ДЖОЙСТИК

КЛАПАН С СЕРВОПРИВОДОМ ДЖОЙСТИК

1Артикул: 560665...
2Артикул: 560665...
3Артикул: 560666...
Подробнее >
Спецтехника ГИДРОУСТАНОВКА СЕРВОУПРАВЛЕНИЕ - ХОД - ДОПОЛНИТЕЛЬНЫЙ ВЫХОДНОЙ ПАТРУБОК 5289 11380 И ВЫШЕ

ГИДРОУСТАНОВКА СЕРВОУПРАВЛЕНИЕ - ХОД - ДОПОЛНИТЕЛЬНЫЙ ВЫХОДНОЙ ПАТРУБОК 5289 11380 И ВЫШЕ

1Артикул: 560665...
2Артикул: 100870...
3Артикул: 129070...
Подробнее >
Спецтехника ГИДРОУСТАНОВКА РУКОЯТЬ ЧЕРПАКА, ОДИНОЧНЫЙ 2000 ММ

ГИДРОУСТАНОВКА РУКОЯТЬ ЧЕРПАКА, ОДИНОЧНЫЙ 2000 ММ

1Артикул: 426612...
2Артикул: 446612...
3Артикул: 500120...
Подробнее >
Спецтехника ГИДРОУСТАНОВКА МОНОБЛОК ОГРАНИЧЕНИЯ СТРЕЛЫ ПО ВЫСОТЕ - СТРЕЛА - ПРЕДЫДУЩАЯ ВЕРСИЯ

ГИДРОУСТАНОВКА МОНОБЛОК ОГРАНИЧЕНИЯ СТРЕЛЫ ПО ВЫСОТЕ - СТРЕЛА - ПРЕДЫДУЩАЯ ВЕРСИЯ

1Артикул: 532000...
2Артикул: 100770...
3Артикул: 134370...
Подробнее >
Спецтехника ГИДРОУСТАНОВКА МОНОБЛОК ОГРАНИЧЕНИЯ СТРЕЛЫ ПО ВЫСОТЕ - СТРЕЛА - НОВАЯ ВЕРСИЯ

ГИДРОУСТАНОВКА МОНОБЛОК ОГРАНИЧЕНИЯ СТРЕЛЫ ПО ВЫСОТЕ - СТРЕЛА - НОВАЯ ВЕРСИЯ

1Артикул: 532000...
2Артикул: 100770...
3Артикул: 134370...
Подробнее >