+7 (701) 588 50 05 Телефон для связи
RU

WhatsApp

Позвонить

РУКОВОДСТВО ПО ОТКЛЮЧЕНИЮ ПОДЪЕМНОГО УСТРОЙСТВА (СЕРИЙНЫЙ НОМЕР 5158 40212 И ВЫШЕ, 5162 23852 И ВЫШЕ) — Продажа в Казахстане Цены от официального дилера с доставкой в Алматы, Астану и регионы

Техника доступна в:
Полный спектр услуг:
Для Вашего удобства:
Характеристики и описание
Габариты, схема
Техническая документация
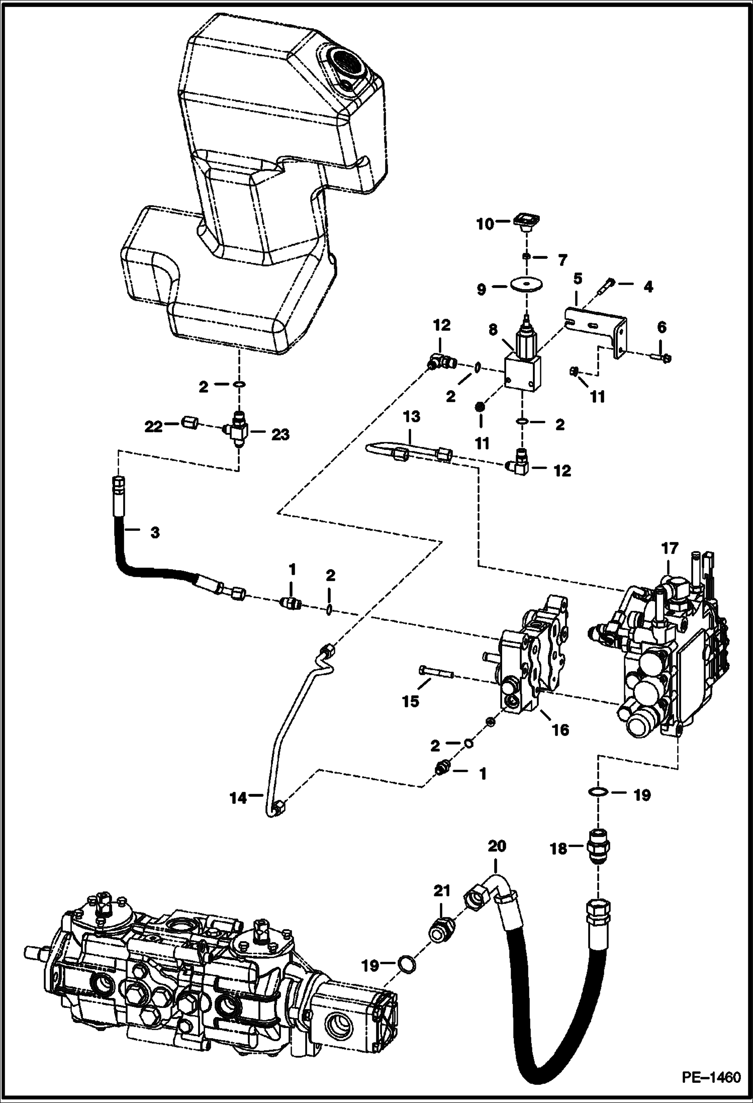
1 Артикул: ADAPTER, ADAPTER NLA - W/Ref. 2 - tapered boss face - Was 15KV00005B - A
2 Артикул: 97K6, O RING flared end
3 Артикул: 15KB0606, FITTING, HYD CONNECTOR W/Ref. 2 - flat boss face
4 Артикул: 99K6, O RING tapered boss face
5 Артикул: 79K6, O RING 10 flat boss face
6 Артикул: 6719653, HOSE
7 Артикул: 6801366, HOSE
8 Артикул: 17C428, BOLT
9 Артикул: 6729908, MOUNT
10 Артикул: 35C416, BOLT
11 Артикул: 7D4, NUT
12 Артикул: 7230495, VALVE, LIFT MANUAL See Illustration MANUAL LIFT RELEASE VALVE/ PE1547 - manual lift release - Was 6667844 - A
13 Артикул: 6707101, SEAL neoprene
14 Артикул: 6737524, KNOB red square - Was 6668913 - A
15 Артикул: 83D4, NUT 10
16 Артикул: ELBOW, ELBOW NLA - W/Ref. 2 - tapered boss face - Was 17KV00005B - A
17 Артикул: 97K6, O RING flared end
18 Артикул: 17KB0606, FITTING W/Ref. 2 - flat boss face
19 Артикул: 6727702, TUBE
20 Артикул: 6729909, TUBE
21 Артикул: 43C532, BOLT
22 Артикул: VALVE,, VALVE, BICS See Illustration BICS CONTROL VALVE/ TS1365 - Was 6628571 - A
23 Артикул: VALVE, VALVE See Illustration HYDRAULIC CONTROL VALVE/ B17113 - control
24 Артикул: ADAPTER, ADAPTER NLA - W/Ref. 19 - tapered boss face - Was 15KV00008B - A
25 Артикул: 97K12, RING,O flared end
26 Артикул: 15KB1212, FITTING, HYD CONNECTOR W/Ref. 19 - flat boss face
27 Артикул: 99K12, O RING tapered boss face
28 Артикул: 79K12, O RING 10 flat boss face
29 Артикул: 6729154, HOSE, HYD ASSY 31-- (787,4 mm) long - (1) long 90 degree elbow & (1) straight end
30 Артикул: 6733358, HOSE 25-- (635 mm) long - (2) 90 degree elbows
31 Артикул: 6734246, HOSE 56-- (1422,4 mm) long - (1) 45 degree elbow & (1) straight end - Was 6729154 - B
32 Артикул: ELBOW, ELBOW NLA - W/Ref. 19 - tapered boss face - Was 18KV00008B - A
33 Артикул: 97K12, RING,O flared end
34 Артикул: 18KB1212, FITTING, HYD ELBOW W/Ref. 19 - flat boss face
35 Артикул: 36K5, CAP
36 Артикул: TEE, TEE NLA - W/Ref. 2 - connects to bottom of hydraulic reservoir - tapered boss face - Was 21KV00005B - A
37 Артикул: 97K6, O RING flared end
38 Артикул: 21KB0606, FTG HYD STRAIGHT TEE W/Ref. 2 - flat boss face

РУКОВОДСТВО ПО ОТКЛЮЧЕНИЮ ПОДЪЕМНОГО УСТРОЙСТВА (СЕРИЙНЫЙ НОМЕР 5158 40212 И ВЫШЕ, 5162 23852 И ВЫШЕ): Техника, которая работает на результат

РУКОВОДСТВО ПО ОТКЛЮЧЕНИЮ ПОДЪЕМНОГО УСТРОЙСТВА (СЕРИЙНЫЙ НОМЕР 5158 40212 И ВЫШЕ, 5162 23852 И ВЫШЕ) на Bobcat 700s Bobcat 753 515830001 И ВЫШЕ, 516220001 И ВЫШЕ

Габаритные размеры

Габаритные размеры и схема РУКОВОДСТВО ПО ОТКЛЮЧЕНИЮ ПОДЪЕМНОГО УСТРОЙСТВА (СЕРИЙНЫЙ НОМЕР 5158 40212 И ВЫШЕ, 5162 23852 И ВЫШЕ)

Нажмите на схему для увеличения

Документация

Документация временно недоступна.

Похожая техника в категории: ГИДРАВЛИЧЕСКАЯ СИСТЕМА (Bobcat)

Спецтехника РЕГУЛИРУЮЩИЙ КЛАПАН СИСТЕМЫ БЛОКИРОВКИ УПРАВЛЕНИЯ (BICS)

РЕГУЛИРУЮЩИЙ КЛАПАН СИСТЕМЫ БЛОКИРОВКИ УПРАВЛЕНИЯ (BICS)

1Артикул: VALVE,...
2Артикул: 729707...
3Артикул: 668973...
Подробнее >
Спецтехника ОРГАНЫ УПРАВЛЕНИЯ

ОРГАНЫ УПРАВЛЕНИЯ

1Артикул: 656465...
2Артикул: 657630...
3Артикул: 95D6, ...
Подробнее >
Спецтехника ДОПОЛНИТЕЛЬНАЯ ГИДРАВЛИКА

ДОПОЛНИТЕЛЬНАЯ ГИДРАВЛИКА

1Артикул: BLOCK,...
2Артикул: 673173...
3Артикул: 673173...
Подробнее >
Спецтехника ГИДРАВЛИЧЕСКИЙ РЕГУЛИРУЮЩИЙ КЛАПАН (РЕЗЕРВНЫЙ КЛАПАН) (СИСТЕМА УСОВЕРШЕНСТВОВАННОГО КОНТРОЛЯ) (СЕРИЙНЫЙ НОМЕР 515830001 - , 516220001 - )

ГИДРАВЛИЧЕСКИЙ РЕГУЛИРУЮЩИЙ КЛАПАН (РЕЗЕРВНЫЙ КЛАПАН) (СИСТЕМА УСОВЕРШЕНСТВОВАННОГО КОНТРОЛЯ) (СЕРИЙНЫЙ НОМЕР 515830001 - , 516220001 - )

1Артикул: VALVE,...
2Артикул: BODY, ...
3Артикул: 29G416...
Подробнее >
Спецтехника СХЕМА ГИДРАВЛИЧЕСКОЙ СИСТЕМЫ (БЕЗ КЛАПАНА РЕГУЛИРОВКИ ПОЛОЖЕНИЯ КОВША) (СЕРИЙНЫЙ НОМЕР 5158 40212 И ВЫШЕ, 5162 23852 И ВЫШЕ)

СХЕМА ГИДРАВЛИЧЕСКОЙ СИСТЕМЫ (БЕЗ КЛАПАНА РЕГУЛИРОВКИ ПОЛОЖЕНИЯ КОВША) (СЕРИЙНЫЙ НОМЕР 5158 40212 И ВЫШЕ, 5162 23852 И ВЫШЕ)

1Артикул: CYLIND...
2Артикул: 657766...
3Артикул: 672784...
Подробнее >
Спецтехника ГИДРОЦИЛИНДР ПОДЪЕМА (СЕРИЙНЫЙ НОМЕР 5158 40212 И ВЫШЕ, 5162 23852 И ВЫШЕ)

ГИДРОЦИЛИНДР ПОДЪЕМА (СЕРИЙНЫЙ НОМЕР 5158 40212 И ВЫШЕ, 5162 23852 И ВЫШЕ)

1Артикул: 680920...
2Артикул: 680920...
3Артикул: 667719...
Подробнее >
Спецтехника РУКОВОДСТВО ПО ЭКСПЛУАТАЦИИ КЛАПАНА УСТРОЙСТВА ДЛЯ ОТПУСКАНИЯ

РУКОВОДСТВО ПО ЭКСПЛУАТАЦИИ КЛАПАНА УСТРОЙСТВА ДЛЯ ОТПУСКАНИЯ

1Артикул: 723049...
2Артикул: BLOCK,...
3Артикул: 666908...
Подробнее >
Спецтехника КЛАПАН РЕГУЛИРОВКИ ПОЛОЖЕНИЯ КОВША

КЛАПАН РЕГУЛИРОВКИ ПОЛОЖЕНИЯ КОВША

1Артикул: VALVE,...
2Артикул: 667395...
3Артикул: 664778...
Подробнее >
Спецтехника СХЕМА ГИДРАВЛИЧЕСКОЙ СИСТЕМЫ (С КЛАПАНОМ РЕГУЛИРОВКИ ПОЛОЖЕНИЯ КОВША) (СЕРИЙНЫЙ НОМЕР 515830001 - 40211, 516220001 - 23851)

СХЕМА ГИДРАВЛИЧЕСКОЙ СИСТЕМЫ (С КЛАПАНОМ РЕГУЛИРОВКИ ПОЛОЖЕНИЯ КОВША) (СЕРИЙНЫЙ НОМЕР 515830001 - 40211, 516220001 - 23851)

1Артикул: CYLIND...
2Артикул: 657766...
3Артикул: 672784...
Подробнее >
Спецтехника РУКОВОДСТВО ПО ОТКЛЮЧЕНИЮ ПОДЪЕМНОГО УСТРОЙСТВА (СЕРИЙНЫЙ НОМЕР 5158 30001-40211, 5162 20001-23851)

РУКОВОДСТВО ПО ОТКЛЮЧЕНИЮ ПОДЪЕМНОГО УСТРОЙСТВА (СЕРИЙНЫЙ НОМЕР 5158 30001-40211, 5162 20001-23851)

1Артикул: ADAPTE...
2Артикул: 97K6, ...
3Артикул: 15KB06...
Подробнее >
Спецтехника ГИДРАВЛИЧЕСКИЙ РЕГУЛИРУЮЩИЙ КЛАПАН (РЕЗЕРВНЫЙ КЛАПАН) (СИСТЕМА УСОВЕРШЕНСТВОВАННОГО КОНТРОЛЯ) (СЕРИЙНЫЙ НОМЕР 5158 И ВЫШЕ, 5162 И ВЫШЕ)

ГИДРАВЛИЧЕСКИЙ РЕГУЛИРУЮЩИЙ КЛАПАН (РЕЗЕРВНЫЙ КЛАПАН) (СИСТЕМА УСОВЕРШЕНСТВОВАННОГО КОНТРОЛЯ) (СЕРИЙНЫЙ НОМЕР 5158 И ВЫШЕ, 5162 И ВЫШЕ)

1Артикул: VALVE,...
2Артикул: BODY, ...
3Артикул: 29G416...
Подробнее >
Спецтехника ГИДРАВЛИЧЕСКИЙ РЕГУЛИРУЮЩИЙ КЛАПАН (СИСТЕМА УСОВЕРШЕНСТВОВАННОГО КОНТРОЛЯ) (РЕЗЕРВНЫЙ КЛАПАН)

ГИДРАВЛИЧЕСКИЙ РЕГУЛИРУЮЩИЙ КЛАПАН (СИСТЕМА УСОВЕРШЕНСТВОВАННОГО КОНТРОЛЯ) (РЕЗЕРВНЫЙ КЛАПАН)

1Артикул: 722272...
2Артикул: VALVE,...
3Артикул: 658956...
Подробнее >