+7 (701) 588 50 05 Телефон для связи
RU

WhatsApp

Позвонить

ШЕСТЕРНИ РАСПРЕДЕЛИТЕЛЬНОГО ВАЛА — Продажа в Казахстане Цены от официального дилера с доставкой в Алматы, Астану и регионы

Техника доступна в:
Полный спектр услуг:
Для Вашего удобства:
Характеристики и описание
Габариты, схема
Техническая документация
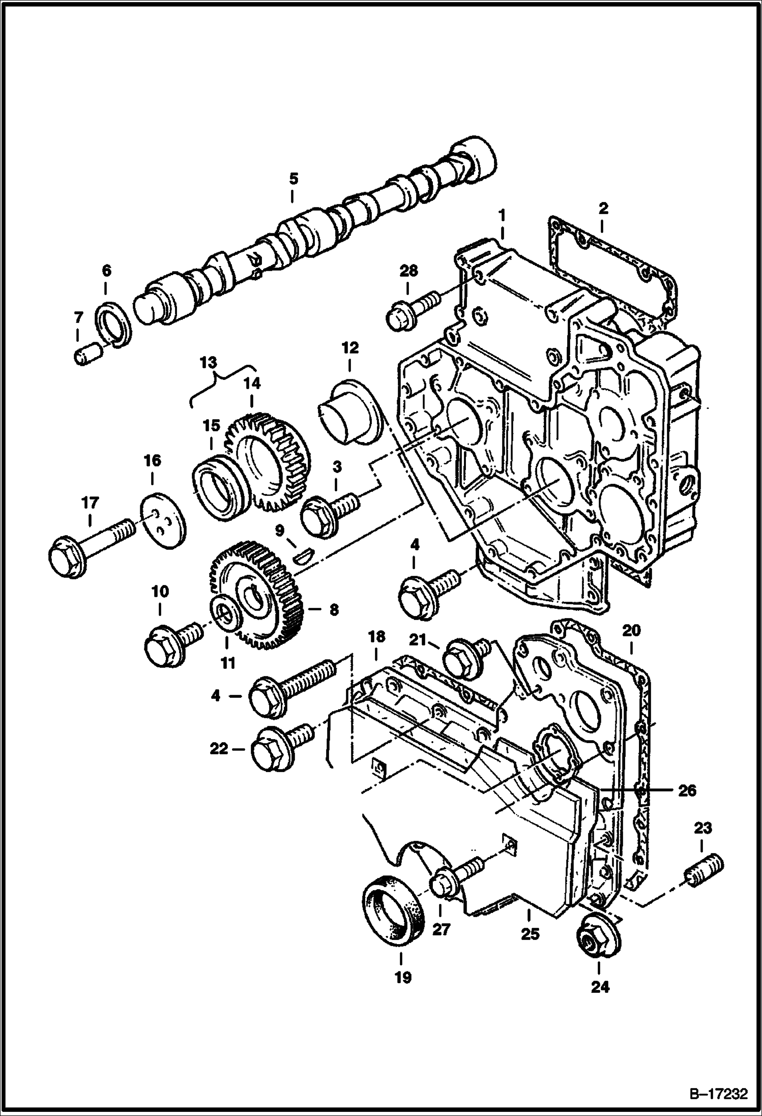
1 Артикул: 6670912, HOUSING
2 Артикул: 6668257, GASKET
3 Артикул: 6668212, SCREW
4 Артикул: 6668278, SCREW
5 Артикул: 6670913, CAMSHAFT
6 Артикул: 6668260, WASHER
7 Артикул: 873222, PIN
8 Артикул: 6668261, GEAR camshaft
9 Артикул: 6J807, KEY, WOODRUFF
10 Артикул: 29CM1245, SCREW
11 Артикул: 6668263, WASHER
12 Артикул: 7013155, BEARING PLATE Was 3490179 - A
13 Артикул: 3679424, GEAR idler
14 Артикул: GEAR, GEAR NSS - idler - Order Ref. 13
15 Артикул: 3490181, BSHG
16 Артикул: PLATE, PLATE NLA - retainer - Order 7021632 plate & (3) of Ref. 28 - Was 6668264 - A
17 Артикул: 6649440, BOLT
18 Артикул: COVER, COVER NLA - Order Ref. 19 & 7008360 cover - Was 6670914 - A
19 Артикул: 6924348, SEAL OIL FRONT Was 3738154 - D
20 Артикул: 6670915, GASKET
21 Артикул: 6668267, SCREW
22 Артикул: 6668268, SCREW
23 Артикул: 6668298, STUD
24 Артикул: 6668270, NUT
25 Артикул: 6670916, SHIELD
26 Артикул: 6670917, DAMPER
27 Артикул: 6668276, SCREW
28 Артикул: 6668287, SCREW See Illustration ENGINE & ATTACHING PARTS/ PE1261 MUFFLER BRACKET

ШЕСТЕРНИ РАСПРЕДЕЛИТЕЛЬНОГО ВАЛА: Техника, которая работает на результат

ШЕСТЕРНИ РАСПРЕДЕЛИТЕЛЬНОГО ВАЛА на Bobcat 900s Bobcat 963 516515001 И ВЫШЕ, 562215001 И ВЫШЕ

Габаритные размеры

Габаритные размеры и схема ШЕСТЕРНИ РАСПРЕДЕЛИТЕЛЬНОГО ВАЛА

Нажмите на схему для увеличения

Документация

Документация временно недоступна.

Похожая техника в категории: ЗАПЧАСТИ ДВИГАТЕЛЯ (Bobcat)

Спецтехника КОЛЛЕКТОР

КОЛЛЕКТОР

1Артикул: MANIFO...
2Артикул: 667278...
3Артикул: 667094...
Подробнее >
Спецтехника ОСЬ КЛАПАННОГО КОРОМЫСЛА

ОСЬ КЛАПАННОГО КОРОМЫСЛА

1Артикул: 667090...
2Артикул: 667090...
3Артикул: SHAFT,...
Подробнее >
Спецтехника БЛОК ЦИЛИНДРОВ

БЛОК ЦИЛИНДРОВ

1Артикул: 667087...
2Артикул: 667218...
3Артикул: CAP, C...
Подробнее >
Спецтехника КОМПЛЕКТ НИЖНИХ ПРОКЛАДОК

КОМПЛЕКТ НИЖНИХ ПРОКЛАДОК

1Артикул: ENGINE...
2Артикул: 666959...
3Артикул: 667227...
Подробнее >
Спецтехника МАСЛЯНЫЙ НАСОС - ПЕРЕПУСКНОЙ КЛАПАН

МАСЛЯНЫЙ НАСОС - ПЕРЕПУСКНОЙ КЛАПАН

1Артикул: 666827...
2Артикул: 667091...
3Артикул: 666828...
Подробнее >
Спецтехника ДРОССЕЛЬНАЯ ЗАСЛОНКА

ДРОССЕЛЬНАЯ ЗАСЛОНКА

1Артикул: 656445...
2Артикул: 670545...
3Артикул: 35C610...
Подробнее >
Спецтехника ФИЛЬТР ДЛЯ ТОПЛИВА - ЗАПАСНЫЕ ЧАСТИ

ФИЛЬТР ДЛЯ ТОПЛИВА - ЗАПАСНЫЕ ЧАСТИ

1Артикул: 667099...
2Артикул: HEAD, ...
3Артикул: 666864...
Подробнее >
Спецтехника ПОДКАЧКА ТОПЛИВА ДЛЯ НАСОСА - ЗАПАСНЫЕ ЧАСТИ

ПОДКАЧКА ТОПЛИВА ДЛЯ НАСОСА - ЗАПАСНЫЕ ЧАСТИ

1Артикул: 667100...
2Артикул: HEAD, ...
3Артикул: 666864...
Подробнее >
Спецтехника ПОДКАЧКА ТОПЛИВА ДЛЯ НАСОСА (ЖЕЛОБОК ДЛЯ СБОРА ВОДЫ)

ПОДКАЧКА ТОПЛИВА ДЛЯ НАСОСА (ЖЕЛОБОК ДЛЯ СБОРА ВОДЫ)

1Артикул: 667100...
2Артикул: HOUSIN...
3Артикул: 651568...
Подробнее >
Спецтехника МАСЛОЗАЛИВНАЯ ГОРЛОВИНА - КРЫШКА БЕНЗОБАКА

МАСЛОЗАЛИВНАЯ ГОРЛОВИНА - КРЫШКА БЕНЗОБАКА

1Артикул: 666850...
2Артикул: FILLER...
3Артикул: 666850...
Подробнее >
Спецтехника ВОДЯНАЯ ПОМПА

ВОДЯНАЯ ПОМПА

1Артикул: 667278...
2Артикул: BODY, ...
3Артикул: SHAFT,...
Подробнее >
Спецтехника ВОЗДУШНЫЙ ФИЛЬТР

ВОЗДУШНЫЙ ФИЛЬТР

1Артикул: ASSY,,...
2Артикул: 668147...
3Артикул: 668147...
Подробнее >