+7 (701) 588 50 05 Телефон для связи
RU

WhatsApp

Позвонить

СИСТЕМА ИЗОЛЯЦИИ НАГРУЗКИ — Продажа в Казахстане Цены от официального дилера с доставкой в Алматы, Астану и регионы

Техника доступна в:
Полный спектр услуг:
Для Вашего удобства:
Характеристики и описание
Габариты, схема
Техническая документация
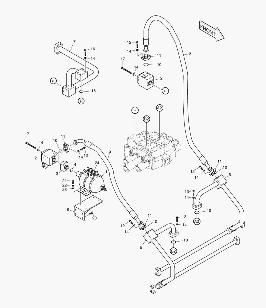
1 Артикул: 400-00340, LIS PIPING
2 Артикул: 460-00006A, ACCUMULATOR KIT
3 Артикул: 4420-9446C, VALVE;SOLENOID
4 Артикул: 181-00379A, ADAPTER
5 Артикул: S8000381, O-RING
6 Артикул: 140-00335A, PIPE(R.H);BOOM RAISE
7 Артикул: 140-00336A, PIPE(L.H);BOOM LOWER
8 Артикул: 140-00337B, PIPE;RETURN
9 Артикул: DS2040275, HOSE PF1-850L
10 Артикул: DS2040276, HOSE PF1-1000L
11 Артикул: 2180-1026D19, O-RING
12 Артикул: 2181-9078, FLANGE
13 Артикул: S2212266, BOLT
14 Артикул: S2212366, BOLT
15 Артикул: S5110603, WASHER
16 Артикул: 2180-1026D23, O-RING
17 Артикул: S2213166, BOLT;SOCKET
18 Артикул: S2214266, BOLT
19 Артикул: 195-00622A, BRACKET
20 Артикул: 2120-2196D4, BOLT;SET M10X1.5X30
21 Артикул: S0508853, BOLT;M8X1.25X20
22 Артикул: S5102503, WASHER
23 Артикул: 2114-1058D29, WASHER
24 Артикул: 124-00275A, CLAMP;STRAP

СИСТЕМА ИЗОЛЯЦИИ НАГРУЗКИ: Техника, которая работает на результат

СИСТЕМА ИЗОЛЯЦИИ НАГРУЗКИ на Doosan Колесные погрузчики MEGA 300-V (S/N 3001~)

Габаритные размеры

Габаритные размеры и схема СИСТЕМА ИЗОЛЯЦИИ НАГРУЗКИ

Нажмите на схему для увеличения

Документация

Документация временно недоступна.

Похожая техника в категории: 50 ОПЦИОННЫЕ ЗАПЧАСТИ (Develon)

Спецтехника СИСТЕМА ВИДЕОНАБЛЮДЕНИЯ В СБОРЕ

СИСТЕМА ВИДЕОНАБЛЮДЕНИЯ В СБОРЕ

1Артикул: 537-00...
2Артикул: 563-00...
3Артикул: 537-00...
Подробнее >
Спецтехника 5310 FENDER & LADDER-FOR GERMAN

5310 FENDER & LADDER-FOR GERMAN

1Артикул: 621-01...
2Артикул: 180307...
3Артикул: 621-01...
Подробнее >
Спецтехника 5190 BUCKET - 3.0гЋҐ - CUTTING EDGE

5190 BUCKET - 3.0гЋҐ - CUTTING EDGE

1Артикул: 704-00...
2Артикул: 704-00...
3Артикул: 230104...
Подробнее >
Спецтехника LIS В СБОРЕ(ЭЛЕКТРИКА)

LIS В СБОРЕ(ЭЛЕКТРИКА)

1Артикул: 500-00...
2Артикул: 300619...
3Артикул: 2549-9...
Подробнее >
Спецтехника КОЛЕСА В СБОРЕ - ОПЦИЯ

КОЛЕСА В СБОРЕ - ОПЦИЯ

1Артикул: K10117...
2Артикул: K10117...
3Артикул: 278-00...
Подробнее >
Спецтехника 5330 CABIN(1)-ROPS & FOPS

5330 CABIN(1)-ROPS & FOPS

1Артикул: 622-00...
2Артикул: -, CAB...
3Артикул: 2120-2...
Подробнее >
Спецтехника 5180 BUCKET - 3.3гЋҐ - CUTTING EDGE

5180 BUCKET - 3.3гЋҐ - CUTTING EDGE

1Артикул: 704-00...
2Артикул: 704-00...
3Артикул: 230104...
Подробнее >
Спецтехника 5340 CABIN(2)-ROPS & FOPS

5340 CABIN(2)-ROPS & FOPS

1Артикул: 622-00...
2Артикул: 622-00...
3Артикул: 622-00...
Подробнее >
Спецтехника РУКОЯТЬ УДАРНАЯ В СБОРЕ - ЭЛЕКТРИКА

РУКОЯТЬ УДАРНАЯ В СБОРЕ - ЭЛЕКТРИКА

1Артикул: 500-00...
2Артикул: 2549-9...
3Артикул: K90003...
Подробнее >
Спецтехника 5130 BUCKET - 2.9гЋҐ - TOOTH

5130 BUCKET - 2.9гЋҐ - TOOTH

1Артикул: 704-00...
2Артикул: 704-00...
3Артикул: 230104...
Подробнее >
Спецтехника ТРУБОПРОВОД СЕРВОУПРАВЛЕНИЯ (РЫЧАГ ПЕРЕДАЧИ - 2 КАТУШКИ)

ТРУБОПРОВОД СЕРВОУПРАВЛЕНИЯ (РЫЧАГ ПЕРЕДАЧИ - 2 КАТУШКИ)

1Артикул: K10103...
2Артикул: 420212...
3Артикул: 426-00...
Подробнее >
Спецтехника СИДЕНИЕ В СБОРЕ

СИДЕНИЕ В СБОРЕ

1Артикул: 901-00...
2Артикул: 4901-9...
3Артикул: 2114-1...
Подробнее >