+7 (701) 588 50 05 Телефон для связи
RU

WhatsApp

Позвонить

СИСТЕМА ТОПЛИВНОГО ИНЖЕКТОРА — Продажа в Казахстане Цены от официального дилера с доставкой в Алматы, Астану и регионы

Техника доступна в:
Полный спектр услуг:
Для Вашего удобства:
Характеристики и описание
Габариты, схема
Техническая документация
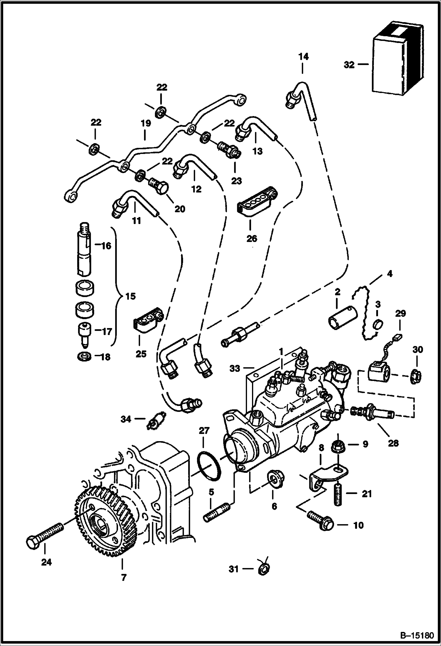
1 Артикул: PUMP,, PUMP, FUEL INJ NLA - Was 6672154 - A
2 Артикул: 6672154REM, PUMP, FUEL INJ. PERKINS 1004-40T
3 Артикул: 6667500, SLEEVE
4 Артикул: 3490324, SEAL Sleeve
5 Артикул: 3490325, WIRE Seal
6 Артикул: 6672288, STUD
7 Артикул: 6668270, NUT
8 Артикул: 6672289, GEAR Pump
9 Артикул: 6668311, BRACKET
10 Артикул: 6668313, NUT
11 Артикул: 6668314, SCREW
12 Артикул: 6672776, PIPE Injection - No. 1 cylinder
13 Артикул: 6672777, PIPE Injection - No. 2 cylinder
14 Артикул: 6672778, PIPE Injection - No. 3 cylinder
15 Артикул: 6672779, PIPE Injection - No. 4 cylinder
16 Артикул: 6670926, INJECTOR
17 Артикул: 6670927, HOLDER
18 Артикул: 6670928, NOZZLE
19 Артикул: 6670929, WASHER
20 Артикул: 6670930, PIPE
21 Артикул: 6670931, BOLT Banjo
22 Артикул: 6668312, STUD
23 Артикул: 6670932, WASHER
24 Артикул: 6670933, CONNECTION
25 Артикул: 6668487, SCREW
26 Артикул: 6671647, CLIP
27 Артикул: 6671648, CLIP
28 Артикул: 6673114, O-RING
29 Артикул: SOLENOID, SOLENOID VALVE Cold Weather Start - Was 6674320 - A
30 Артикул: 6674391, COIL Cold Weather Start
31 Артикул: NUT, NUT NLA - Was 6674392
32 Артикул: 6675588, SPRING
33 Артикул: 6668343, SOLENOID KIT fuel shut-off valve w/gasket
34 Артикул: 6668342, GASKET
35 Артикул: BRACKET, BRACKET NLA - no longer used
36 Артикул: 6672321, SWITCH cold weather start

СИСТЕМА ТОПЛИВНОГО ИНЖЕКТОРА: Техника, которая работает на результат

СИСТЕМА ТОПЛИВНОГО ИНЖЕКТОРА на Bobcat 900s Bobcat 963 516515001 И ВЫШЕ, 562215001 И ВЫШЕ

Габаритные размеры

Габаритные размеры и схема СИСТЕМА ТОПЛИВНОГО ИНЖЕКТОРА

Нажмите на схему для увеличения

Документация

Документация временно недоступна.

Похожая техника в категории: ЗАПЧАСТИ ДВИГАТЕЛЯ (Bobcat)

Спецтехника КОЛЛЕКТОР

КОЛЛЕКТОР

1Артикул: MANIFO...
2Артикул: 667278...
3Артикул: 667094...
Подробнее >
Спецтехника ОСЬ КЛАПАННОГО КОРОМЫСЛА

ОСЬ КЛАПАННОГО КОРОМЫСЛА

1Артикул: 667090...
2Артикул: 667090...
3Артикул: SHAFT,...
Подробнее >
Спецтехника БЛОК ЦИЛИНДРОВ

БЛОК ЦИЛИНДРОВ

1Артикул: 667087...
2Артикул: 667218...
3Артикул: CAP, C...
Подробнее >
Спецтехника КОМПЛЕКТ НИЖНИХ ПРОКЛАДОК

КОМПЛЕКТ НИЖНИХ ПРОКЛАДОК

1Артикул: ENGINE...
2Артикул: 666959...
3Артикул: 667227...
Подробнее >
Спецтехника МАСЛЯНЫЙ НАСОС - ПЕРЕПУСКНОЙ КЛАПАН

МАСЛЯНЫЙ НАСОС - ПЕРЕПУСКНОЙ КЛАПАН

1Артикул: 666827...
2Артикул: 667091...
3Артикул: 666828...
Подробнее >
Спецтехника ДРОССЕЛЬНАЯ ЗАСЛОНКА

ДРОССЕЛЬНАЯ ЗАСЛОНКА

1Артикул: 656445...
2Артикул: 670545...
3Артикул: 35C610...
Подробнее >
Спецтехника ФИЛЬТР ДЛЯ ТОПЛИВА - ЗАПАСНЫЕ ЧАСТИ

ФИЛЬТР ДЛЯ ТОПЛИВА - ЗАПАСНЫЕ ЧАСТИ

1Артикул: 667099...
2Артикул: HEAD, ...
3Артикул: 666864...
Подробнее >
Спецтехника ПОДКАЧКА ТОПЛИВА ДЛЯ НАСОСА - ЗАПАСНЫЕ ЧАСТИ

ПОДКАЧКА ТОПЛИВА ДЛЯ НАСОСА - ЗАПАСНЫЕ ЧАСТИ

1Артикул: 667100...
2Артикул: HEAD, ...
3Артикул: 666864...
Подробнее >
Спецтехника ПОДКАЧКА ТОПЛИВА ДЛЯ НАСОСА (ЖЕЛОБОК ДЛЯ СБОРА ВОДЫ)

ПОДКАЧКА ТОПЛИВА ДЛЯ НАСОСА (ЖЕЛОБОК ДЛЯ СБОРА ВОДЫ)

1Артикул: 667100...
2Артикул: HOUSIN...
3Артикул: 651568...
Подробнее >
Спецтехника МАСЛОЗАЛИВНАЯ ГОРЛОВИНА - КРЫШКА БЕНЗОБАКА

МАСЛОЗАЛИВНАЯ ГОРЛОВИНА - КРЫШКА БЕНЗОБАКА

1Артикул: 666850...
2Артикул: FILLER...
3Артикул: 666850...
Подробнее >
Спецтехника ВОДЯНАЯ ПОМПА

ВОДЯНАЯ ПОМПА

1Артикул: 667278...
2Артикул: BODY, ...
3Артикул: SHAFT,...
Подробнее >
Спецтехника ВОЗДУШНЫЙ ФИЛЬТР

ВОЗДУШНЫЙ ФИЛЬТР

1Артикул: ASSY,,...
2Артикул: 668147...
3Артикул: 668147...
Подробнее >