+7 (701) 588 50 05 Телефон для связи
RU

WhatsApp

Позвонить

СНИЖЕННЫЙ БАК - SCR — Продажа в Казахстане Цены от официального дилера с доставкой в Алматы, Астану и регионы

Техника доступна в:
Полный спектр услуг:
Для Вашего удобства:
Характеристики и описание
Габариты, схема
Техническая документация
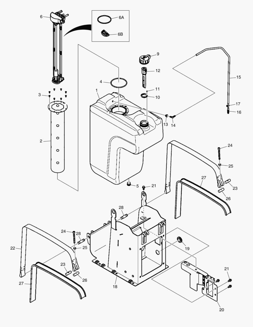
1 Артикул: -, TANK,UREA
2 Артикул: 450106-00122, TANK;REDUCTANT
3 Артикул: 110931-00714, HOUSING;SENSOR
4 Артикул: 120705-01075, SCREW
5 Артикул: 401002-00705, RING,O
6 Артикул: 430221-00574, PLUG
7 Артикул: 420218-00360, PIPE,SUCTION;REDUCTANT
8 Артикул: 401002-00830, . RING,O
9 Артикул: 420218-00361, . PIPE,SUCTION;REDUCTANT
10 Артикул: 110911-00169, CAP,FILLER
11 Артикул: 401003-00359, RING;FIXING
12 Артикул: 120705-00711, SCREW
13 Артикул: 110928-00514, HOLDER;NOZZLE
14 Артикул: 401003-00683, RING;FIXING
15 Артикул: 430208-00530, CONNECTION
16 Артикул: 420108-01154, HOSE
17 Артикул: 400504-00125, ELEMENT,UREA TANK
18 Артикул: 120202-00143, CLAMP,HOSE
19 Артикул: 110411-00261, BRACKET
20 Артикул: MX066426, PASSAGE,RUBBER
21 Артикул: 110411-00262, BRACKET
22 Артикул: 120705-00738, SCREW;FLANGE
23 Артикул: 120203-00617, CLAMP;BAND
24 Артикул: 120501-02053, PIN;STRAP
25 Артикул: 120106-00658, BOLT,HEX
26 Артикул: 110951-00686, SPACER,TUBE
27 Артикул: 120501-02054, PIN;STRAP
28 Артикул: 110951-00823, SPACER
29 Артикул: 120501-02049, PIN,CLEVIS

СНИЖЕННЫЙ БАК - SCR: Техника, которая работает на результат

СНИЖЕННЫЙ БАК - SCR на Doosan Экскаваторы DX490LC-5(S/N:10012~)

Габаритные размеры

Габаритные размеры и схема СНИЖЕННЫЙ БАК - SCR

Нажмите на схему для увеличения

Документация

Документация временно недоступна.

Похожая техника в категории: ДЕТАЛИ ДВИГАТЕЛЯ (Develon)

Спецтехника КОНДИЦИОНЕР

КОНДИЦИОНЕР

1Артикул: 400102...
2Артикул: 101529...
3Артикул: 101529...
Подробнее >
Спецтехника 028 INTAKE MANIFOLD

028 INTAKE MANIFOLD

1Артикул: 240203...
2Артикул: 400602...
3Артикул: 120705...
Подробнее >
Спецтехника 058 EXHAUST BRAKE SYSTEM

058 EXHAUST BRAKE SYSTEM

1Артикул: 420203...
2Артикул: -, HOU...
3Артикул: 131002...
Подробнее >
Спецтехника КРЫШКА РАСПРЕДЕЛИТЕЛЬНЫХ ШЕСТЕРЕН

КРЫШКА РАСПРЕДЕЛИТЕЛЬНЫХ ШЕСТЕРЕН

1Артикул: 110508...
2Артикул: 401107...
3Артикул: 120501...
Подробнее >
Спецтехника ИСПАРИТЕЛЬ- СИСТЕМА ВЫПУСКА

ИСПАРИТЕЛЬ- СИСТЕМА ВЫПУСКА

1Артикул: 400815...
2Артикул: 110406...
3Артикул: 120402...
Подробнее >
Спецтехника 056 EGR COOLER

056 EGR COOLER

1Артикул: 400202...
2Артикул: 420211...
3Артикул: 120202...
Подробнее >
Спецтехника 025 OIL COOLER

025 OIL COOLER

1Артикул: 110508...
2Артикул: 110508...
3Артикул: 400602...
Подробнее >
Спецтехника ГЛУШИТЕЛЬ С КАТАЛИТИЧЕСКИМ ДОЖИГАТЕЛЕМ

ГЛУШИТЕЛЬ С КАТАЛИТИЧЕСКИМ ДОЖИГАТЕЛЕМ

1Артикул: 500111...
2Артикул: -, CAT...
3Артикул: 430220...
Подробнее >
Спецтехника КРЫШКА КОРОМЫСЛА

КРЫШКА КОРОМЫСЛА

1Артикул: 110508...
2Артикул: 110508...
3Артикул: 110508...
Подробнее >
Спецтехника ТЕРМОСТАТ и КОРПУС

ТЕРМОСТАТ и КОРПУС

1Артикул: 110980...
2Артикул: 300738...
3Артикул: 400602...
Подробнее >
Спецтехника 036 BLEED PIPE ENGINE

036 BLEED PIPE ENGINE

1Артикул: 420210...
2Артикул: 430208...
3Артикул: 120203...
Подробнее >
Спецтехника ЖГУТ ПРОВОДОВ

ЖГУТ ПРОВОДОВ

1Артикул: 300618...
2Артикул: 300618...
3Артикул: 310207...
Подробнее >