+7 (701) 588 50 05 Телефон для связи
RU

WhatsApp

Позвонить

СОПЛО ФОРСУНКИ (KUBOTA D722) — Продажа в Казахстане Цены от официального дилера с доставкой в Алматы, Астану и регионы

Техника доступна в:
Полный спектр услуг:
Для Вашего удобства:
Характеристики и описание
Габариты, схема
Техническая документация
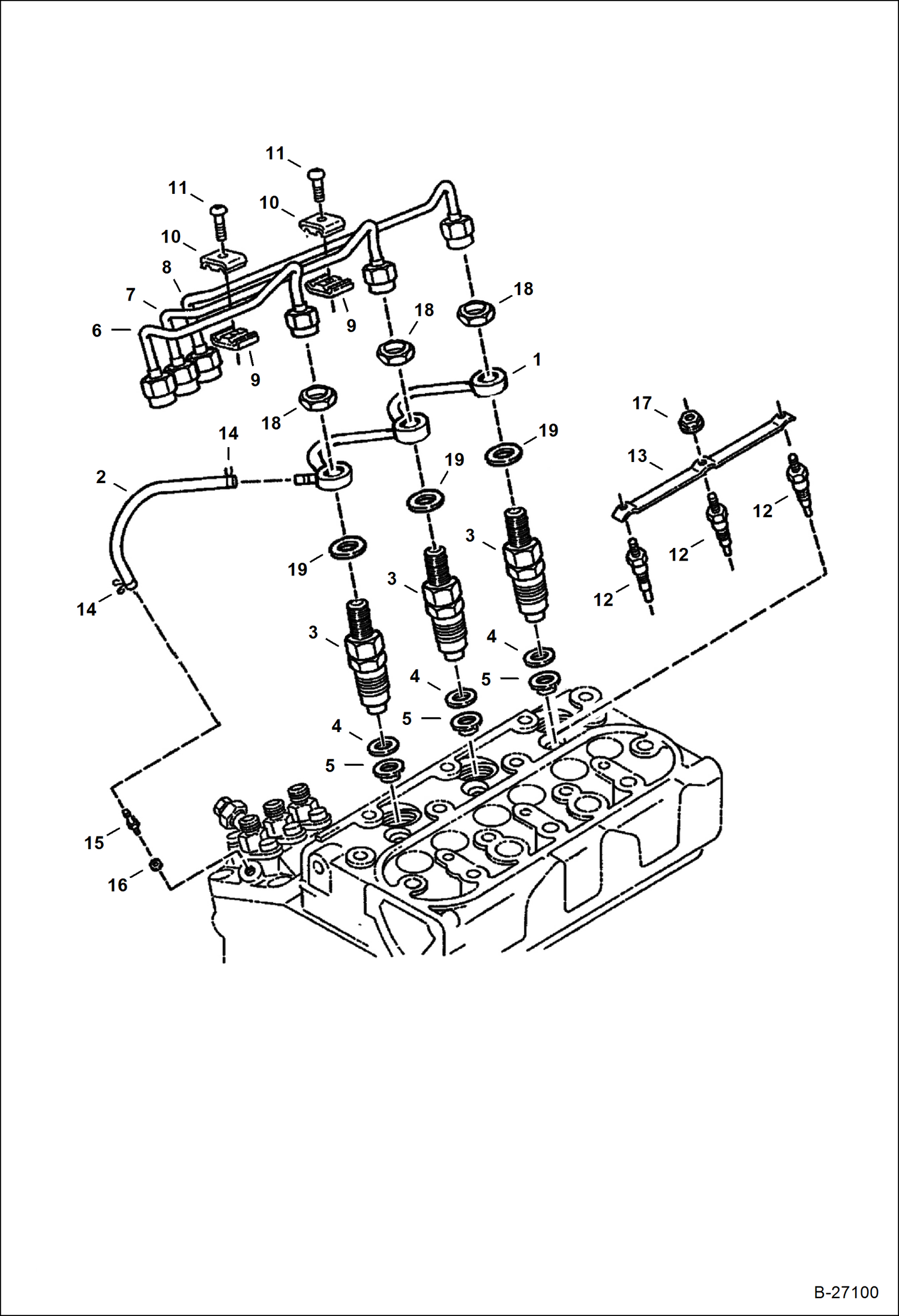
1 Артикул: 6670463, PIPE injector return
2 Артикул: 6670464, HOSE overflow - W/Ref. 13
3 Артикул: NOZZLE, NOZZLE HOLDER See Illustration NOZZLE HOLDER/ B14862 - Was 6670465 - B
4 Артикул: 6655218, GASKET See Illustration UPPER GASKET KIT/ B16471 included w/upper gasket kit
5 Артикул: 6655872, HEAT SEAL See Illustration UPPER GASKET KIT/ B16471 - heat - included w/lower gasket kit
6 Артикул: 6670467, PIPE
7 Артикул: 6670468, PIPE
8 Артикул: 6670469, PIPE
9 Артикул: 6652688, CLAMP
10 Артикул: 6652689, CLAMP
11 Артикул: 3974260, SCREW
12 Артикул: 6670470, GLOW PLUG
13 Артикул: 6670471, WIRE
14 Артикул: 6654718, CLAMP pipe - Was 6680795 - A
15 Артикул: 6657446, SCREW
16 Артикул: 3974972, GASKET
17 Артикул: 6670472, NUT
18 Артикул: 6657460, NUT
19 Артикул: 6657463, WASHER

СОПЛО ФОРСУНКИ (KUBOTA D722): Техника, которая работает на результат

СОПЛО ФОРСУНКИ (KUBOTA D722) на Bobcat 400s Bobcat 463 519911001 И ВЫШЕ, 520011001 И ВЫШЕ

Габаритные размеры

Габаритные размеры и схема СОПЛО ФОРСУНКИ (KUBOTA D722)

Нажмите на схему для увеличения

Документация

Документация временно недоступна.

Похожая техника в категории: ЗАПЧАСТИ ДВИГАТЕЛЯ (Bobcat)

Спецтехника ДВИГАТЕЛЬ И КРЕПЕЖНЫЕ ДЕТАЛИ (РЕМЕНЬ ПРИВОДА, ГИДРАВЛИКА) (СЕРИЙНЫЙ НОМЕР 5200 11680 И НИЖЕ, 5199 11409 И НИЖЕ)

ДВИГАТЕЛЬ И КРЕПЕЖНЫЕ ДЕТАЛИ (РЕМЕНЬ ПРИВОДА, ГИДРАВЛИКА) (СЕРИЙНЫЙ НОМЕР 5200 11680 И НИЖЕ, 5199 11409 И НИЖЕ)

1Артикул: 671387...
2Артикул: 83D6, ...
3Артикул: 667878...
Подробнее >
Спецтехника КОМПЛЕКТ ДЕТАЛЕЙ ВЕРХНЕГО УПЛОТНИТЕЛЬНОГО КОЛЬЦА (KUBOTA D722)

КОМПЛЕКТ ДЕТАЛЕЙ ВЕРХНЕГО УПЛОТНИТЕЛЬНОГО КОЛЬЦА (KUBOTA D722)

1Артикул: 667273...
2Артикул: 667037...
3Артикул: 397497...
Подробнее >
Спецтехника ВОЗДУШНЫЙ ФИЛЬТР

ВОЗДУШНЫЙ ФИЛЬТР

1Артикул: 667331...
2Артикул: TANK, ...
3Артикул: 667470...
Подробнее >
Спецтехника РЕГУЛЯТОР ОБОРОТОВ (KUBOTA D722)

РЕГУЛЯТОР ОБОРОТОВ (KUBOTA D722)

1Артикул: 667045...
2Артикул: 701696...
3Артикул: PLUG, ...
Подробнее >
Спецтехника КРЫШКА КОРОМЫСЛА КЛАПАНА (KUBOTA D722)

КРЫШКА КОРОМЫСЛА КЛАПАНА (KUBOTA D722)

1Артикул: 668300...
2Артикул: 667037...
3Артикул: 665522...
Подробнее >
Спецтехника ОСНОВНОЙ КОРПУС ПОДШИПНИКА (KUBOTA D722)

ОСНОВНОЙ КОРПУС ПОДШИПНИКА (KUBOTA D722)

1Артикул: CASE, ...
2Артикул: 700037...
3Артикул: 667037...
Подробнее >
Спецтехника ВОДЯНАЯ ПОМПА (KUBOTA D722)

ВОДЯНАЯ ПОМПА (KUBOTA D722)

1Артикул: 667050...
2Артикул: BODY, ...
3Артикул: BEARIN...
Подробнее >
Спецтехника КОМПЛЕКТ НИЖНИХ ПРОКЛАДОК (KUBOTA D722)

КОМПЛЕКТ НИЖНИХ ПРОКЛАДОК (KUBOTA D722)

1Артикул: 667274...
2Артикул: 396651...
3Артикул: 667035...
Подробнее >
Спецтехника КОРОМЫСЛО КЛАПАНА И КЛАПАНЫ (KUBOTA D722)

КОРОМЫСЛО КЛАПАНА И КЛАПАНЫ (KUBOTA D722)

1Артикул: 667051...
2Артикул: 667051...
3Артикул: 667051...
Подробнее >
Спецтехника ДВИГАТЕЛЬ И КРЕПЕЖНЫЕ ДЕТАЛИ (ВХОДНОЕ ОТВЕРСТИК И ВЫХЛОПНОЙ КОЛЛЕКТОР)

ДВИГАТЕЛЬ И КРЕПЕЖНЫЕ ДЕТАЛИ (ВХОДНОЕ ОТВЕРСТИК И ВЫХЛОПНОЙ КОЛЛЕКТОР)

1Артикул: 671844...
2Артикул: 42HC25...
3Артикул: 651500...
Подробнее >
Спецтехника ТОПЛИВНАЯ СИСТЕМА И НАСОС ВПРЫСКА (KUBOTA D722)

ТОПЛИВНАЯ СИСТЕМА И НАСОС ВПРЫСКА (KUBOTA D722)

1Артикул: 667049...
2Артикул: 1CM616...
3Артикул: 667078...
Подробнее >
Спецтехника ДВИГАТЕЛЬ И КРЕПЕЖНЫЕ ДЕТАЛИ (РЕМЕНЬ ПРИВОДА, ГИДРАВЛИКА) (СЕРИЙНЫЙ НОМЕР 5200 11681 И ВЫШЕ, 5199 11410 И ВЫШЕ)

ДВИГАТЕЛЬ И КРЕПЕЖНЫЕ ДЕТАЛИ (РЕМЕНЬ ПРИВОДА, ГИДРАВЛИКА) (СЕРИЙНЫЙ НОМЕР 5200 11681 И ВЫШЕ, 5199 11410 И ВЫШЕ)

1Артикул: 671387...
2Артикул: 83D6, ...
3Артикул: 667878...
Подробнее >