+7 (701) 588 50 05 Телефон для связи
RU

WhatsApp

Позвонить

ТАБЛИЧКА РЕГУЛЯТОРА СКОРОСТИ — Продажа в Казахстане Цены от официального дилера с доставкой в Алматы, Астану и регионы

Техника доступна в:
Полный спектр услуг:
Для Вашего удобства:
Характеристики и описание
Габариты, схема
Техническая документация
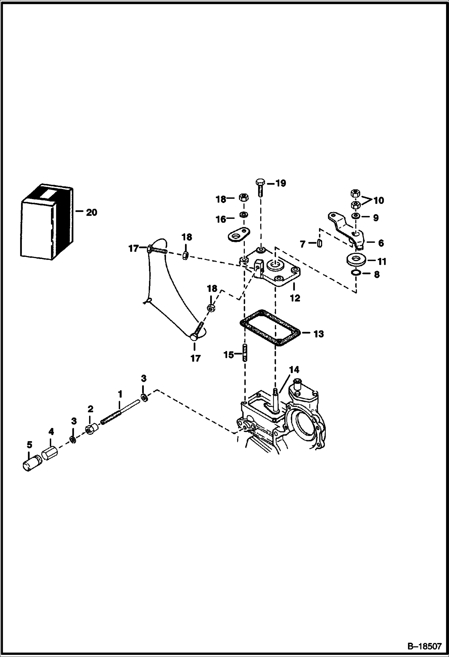
1 Артикул: 3974970, BOLT
2 Артикул: 3974971, NUT
3 Артикул: 6655223, NUT Was 3974972B - A
4 Артикул: 6655223, NUT Was 3974973B - A
5 Артикул: 6653905, CAP Was 3974974B - A
6 Артикул: 6598176, LEVER
7 Артикул: 15JM48, KEY
8 Артикул: 3966512, O RING In 6630553 Gasket Kit
9 Артикул: 1EM80, WASHER
10 Артикул: 1DM8, NUT Was 25DM00008B - A
11 Артикул: 3974644, COLLAR friction
12 Артикул: PLATE, PLATE NLA - Order 6641231 plate & 6666792 gasket - Was 6598164 - A
13 Артикул: 6641231, PLATE, CONTROL SPEED
14 Артикул: 3974646, GASKET In 6630553 Gasket Kit
15 Артикул: 6666792, GASKET In 6630553 Gasket Kit - Was 6635392 - A
16 Артикул: 6598174, LEVER
17 Артикул: 6652764, STUD Was 3974462B - A
18 Артикул: 6EM60, WASHER, SPRING
19 Артикул: 6652712, STOPPER Was 3974284B - A
20 Артикул: 1DM6, NUT
21 Артикул: 1CM620, BOLT Was 4CM620 - A
22 Артикул: PLATE, PLATE KIT NLA - Ref. 8, 12 & 13 - Order 6901115 kit - Was 6722930 - A
23 Артикул: 6901115, KIT Ref. 6-14

ТАБЛИЧКА РЕГУЛЯТОРА СКОРОСТИ: Техника, которая работает на результат

ТАБЛИЧКА РЕГУЛЯТОРА СКОРОСТИ на Bobcat 600s Bobcat 643 501511001 И ВЫШЕ

Габаритные размеры

Габаритные размеры и схема ТАБЛИЧКА РЕГУЛЯТОРА СКОРОСТИ

Нажмите на схему для увеличения

Документация

Документация временно недоступна.

Похожая техника в категории: ЗАПЧАСТИ ДВИГАТЕЛЯ (Bobcat)

Спецтехника КОРОМЫСЛО КЛАПАНА И КЛАПАНЫ

КОРОМЫСЛО КЛАПАНА И КЛАПАНЫ

1Артикул: 665382...
2Артикул: 665382...
3Артикул: 397451...
Подробнее >
Спецтехника ОСНОВНОЙ КОРПУС ПОДШИПНИКА

ОСНОВНОЙ КОРПУС ПОДШИПНИКА

1Артикул: BEARIN...
2Артикул: 665381...
3Артикул: 665381...
Подробнее >
Спецтехника КАРДАННЫЙ ШАРНИР

КАРДАННЫЙ ШАРНИР

1Артикул: 659834...
2Артикул: 659830...
3Артикул: 520212...
Подробнее >
Спецтехника КАРТЕР ДВИГАТЕЛЯ

КАРТЕР ДВИГАТЕЛЯ

1Артикул: 659818...
2Артикул: 659871...
3Артикул: 665257...
Подробнее >
Спецтехника ДРОССЕЛЬНАЯ ЗАСЛОНКА И ВОЗДУШНАЯ ЗАСЛОНКА(СЕРИЙНЫЙ НОМЕР 11431 И НИЖЕ)

ДРОССЕЛЬНАЯ ЗАСЛОНКА И ВОЗДУШНАЯ ЗАСЛОНКА(СЕРИЙНЫЙ НОМЕР 11431 И НИЖЕ)

1Артикул: 655485...
2Артикул: 62D4, ...
3Артикул: 656249...
Подробнее >
Спецтехника ДВИГАТЕЛЬ И КРЕПЕЖНЫЕ ДЕТАЛИ

ДВИГАТЕЛЬ И КРЕПЕЖНЫЕ ДЕТАЛИ

1Артикул: 57D6, ...
2Артикул: 84G371...
3Артикул: 656786...
Подробнее >
Спецтехника СТОПОРНАЯ РУКОЯТКА

СТОПОРНАЯ РУКОЯТКА

1Артикул: 397497...
2Артикул: BOLT, ...
3Артикул: BOLT, ...
Подробнее >
Спецтехника ДЕРЖАТЕЛЬ ФОРСУНКИ

ДЕРЖАТЕЛЬ ФОРСУНКИ

1Артикул: 397425...
2Артикул: 397432...
3Артикул: 397432...
Подробнее >
Спецтехника ВОЗДУХООЧИСТИТЕЛЬ (СЕРИЙНЫЙ НОМЕР И ВЫШЕ)

ВОЗДУХООЧИСТИТЕЛЬ (СЕРИЙНЫЙ НОМЕР И ВЫШЕ)

1Артикул: 665601...
2Артикул: TANK, ...
3Артикул: 659849...
Подробнее >
Спецтехника ВОЗДУХООЧИСТИТЕЛЬ (СЕРИЙНЫЙ НОМЕР И НИЖЕ)

ВОЗДУХООЧИСТИТЕЛЬ (СЕРИЙНЫЙ НОМЕР И НИЖЕ)

1Артикул: 656340...
2Артикул: TANK, ...
3Артикул: 659849...
Подробнее >
Спецтехника ТОПЛИВНЫЙ НАСОС

ТОПЛИВНЫЙ НАСОС

1Артикул: 665520...
2Артикул: 397436...
3Артикул: 397436...
Подробнее >
Спецтехника ТОПЛИВНАЯ СИСТЕМА И НАСОС ВПРЫСКА

ТОПЛИВНАЯ СИСТЕМА И НАСОС ВПРЫСКА

1Артикул: 659812...
2Артикул: 397450...
3Артикул: 397450...
Подробнее >