+7 (701) 588 50 05 Телефон для связи
RU

WhatsApp

Позвонить

ТУРБОКОМПРЕССОР (V3800 T KUBOTA) — Продажа в Казахстане Цены от официального дилера с доставкой в Алматы, Астану и регионы

Техника доступна в:
Полный спектр услуг:
Для Вашего удобства:
Характеристики и описание
Габариты, схема
Техническая документация
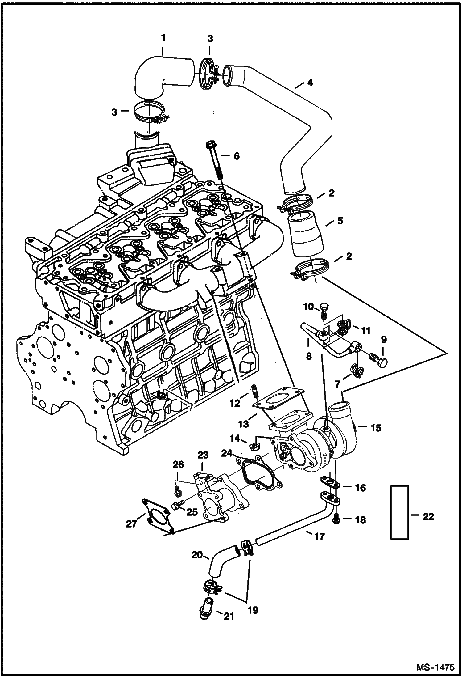
1 Артикул: 6680896, HOSE
2 Артикул: 6653993, CLAMP
3 Артикул: 3974143, BAND,PIPE
4 Артикул: 6698603, PIPE, INTAKE Was 6680895 - B,D
5 Артикул: 6680894, HOSE
6 Артикул: 6680802, BOLT
7 Артикул: 6689331, GASKET 1 piece aluminum
8 Артикул: 6680899, TUBE
9 Артикул: 7022765, BOLT, EYE Was 7022765 - A
10 Артикул: 6680900, BOLT hollow
11 Артикул: 7000642, WASHER, SEALING COPPER consists of 2 gaskets attached by a tab - Was 6685962 - B
12 Артикул: 6680564, STUD
13 Артикул: 7008514, GASKET, TURBO Was 6680893 - A
14 Артикул: 7008514, GASKET, TURBO
15 Артикул: 6680663, NUT
16 Артикул: 7017202, TURBOCHARGER W/Ref. 22 - Was 6691586
17 Артикул: 6691586REM, TURBOCHARGER, KUBOTA V3800 W/Ref. 22
18 Артикул: 7017202REM, TURBOCHARGER
19 Артикул: 7008516, GASKET oil return tube - Was 6680570 - B
20 Артикул: 6685963, PIPE
21 Артикул: 29CM612, BOLT, FLANGED
22 Артикул: 6680903, CLAMP
23 Артикул: 6685965, HOSE
24 Артикул: 6680649, TUBE
25 Артикул: 6688069, HOSE Turbo wastegate hose
26 Артикул: 6691587, FLANGE
27 Артикул: 6698525, FLANGE, MUFFLER
28 Артикул: 6691588, GASKET
29 Артикул: 6687146, BOLT
30 Артикул: 6680755, BOLT
31 Артикул: 7102747, GASKET

ТУРБОКОМПРЕССОР (V3800 T KUBOTA): Техника, которая работает на результат

ТУРБОКОМПРЕССОР (V3800 T KUBOTA) на мини-погрузчик Bobcat S330 A02011001 И ВЫШЕ, A02111001 И ВЫШЕ

Габаритные размеры

Габаритные размеры и схема ТУРБОКОМПРЕССОР (V3800 T KUBOTA)

Нажмите на схему для увеличения

Документация

Документация временно недоступна.

Похожая техника в категории: ЗАПЧАСТИ ДВИГАТЕЛЯ (Bobcat)

Спецтехника РЕГУЛЯТОРА ОБОРОТОВ (V3800 T KUBOTA)

РЕГУЛЯТОРА ОБОРОТОВ (V3800 T KUBOTA)

1Артикул: 669973...
2Артикул: 700865...
3Артикул: 668082...
Подробнее >
Спецтехника ВОДЯНОЙ ФЛАНЕЦ И ТЕРМОСТАТ (V3800 T KUBOTA)

ВОДЯНОЙ ФЛАНЕЦ И ТЕРМОСТАТ (V3800 T KUBOTA)

1Артикул: 668085...
2Артикул: 668595...
3Артикул: 668595...
Подробнее >
Спецтехника СИСТЕМА ОХЛАЖДЕНИЯ

СИСТЕМА ОХЛАЖДЕНИЯ

1Артикул: 673342...
2Артикул: 673399...
3Артикул: 673237...
Подробнее >
Спецтехника РАСПРЕДЕЛИТЕЛЬНЫЙ ВАЛ (V3800 T KUBOTA)

РАСПРЕДЕЛИТЕЛЬНЫЙ ВАЛ (V3800 T KUBOTA)

1Артикул: 668071...
2Артикул: 668071...
3Артикул: 701720...
Подробнее >
Спецтехника ПОДДОН КАРТЕРА (V3800 T KUBOTA)

ПОДДОН КАРТЕРА (V3800 T KUBOTA)

1Артикул: 702095...
2Артикул: 668070...
3Артикул: 669852...
Подробнее >
Спецтехника ПЕРЕДНЯЯ КРЫШКА (V3800 T KUBOTA)

ПЕРЕДНЯЯ КРЫШКА (V3800 T KUBOTA)

1Артикул: 668070...
2Артикул: COVER,...
3Артикул: 668070...
Подробнее >
Спецтехника КРЕПЛЕНИЯ ДВИГАТЕЛЯ

КРЕПЛЕНИЯ ДВИГАТЕЛЯ

1Артикул: 710979...
2Артикул: 710624...
3Артикул: 713127...
Подробнее >
Спецтехника ВОДЯНАЯ ПОМПА (V3800 T KUBOTA)

ВОДЯНАЯ ПОМПА (V3800 T KUBOTA)

1Артикул: 668028...
2Артикул: IMPELL...
3Артикул: 668085...
Подробнее >
Спецтехника ДВИГАТЕЛЬ И КРЕПЕЖНЫЕ ДЕТАЛИ (КРЕПЛЕНИЕ ДВИГАТЕЛЯ) (СЕРИЙНЫЙ НОМЕР A02040248 И ВЫШЕ)

ДВИГАТЕЛЬ И КРЕПЕЖНЫЕ ДЕТАЛИ (КРЕПЛЕНИЕ ДВИГАТЕЛЯ) (СЕРИЙНЫЙ НОМЕР A02040248 И ВЫШЕ)

1Артикул: ENGINE...
2Артикул: 84G311...
3Артикул: 83D8, ...
Подробнее >
Спецтехника ГОЛОВКА ЦИЛИНДРА (V3800 T KUBOTA)

ГОЛОВКА ЦИЛИНДРА (V3800 T KUBOTA)

1Артикул: 668086...
2Артикул: 25GM80...
3Артикул: 668087...
Подробнее >
Спецтехника УСТРОЙСТВО РЕГУЛИРОВАНИЯ ОБОРОТОВ ДВИГАТЕЛЯ (МНОГОРЕЖИМНЫЙ ДЖОЙСТИК УПРАВЛЕНИЯ)

УСТРОЙСТВО РЕГУЛИРОВАНИЯ ОБОРОТОВ ДВИГАТЕЛЯ (МНОГОРЕЖИМНЫЙ ДЖОЙСТИК УПРАВЛЕНИЯ)

1Артикул: 656445...
2Артикул: 673027...
3Артикул: 38C610...
Подробнее >
Спецтехника ГОЛОВКА ЦИЛИНДРА И КРЫШКА (V3800 T KUBOTA)

ГОЛОВКА ЦИЛИНДРА И КРЫШКА (V3800 T KUBOTA)

1Артикул: 668593...
2Артикул: 668069...
3Артикул: 668069...
Подробнее >